Подогреватели предпусковые дизельные серии
14ТС Mini GP MAN
14ТС Mini GP MAN2

Схема электрических соединений

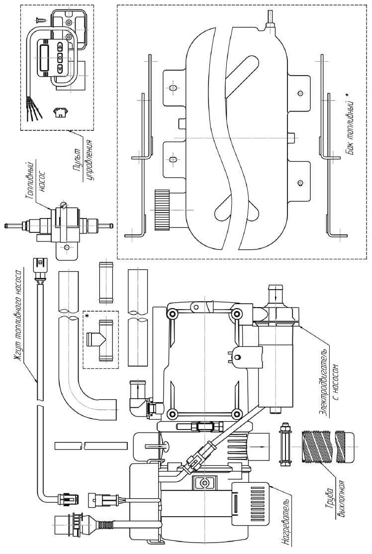
Основные узлы подогревателя

Основные узлы нагревателя
Описания аналогичные как и в "Подогреватели предпусковые 14ТС Mini GP"
Подписывайтесь на наш канал в Telegram и будьте всегда в курсе самых последних сообщений и публикаций с сайта. |


