Электросхемы и коды неисправностей
Landscape Loader 210LJ John Deere
(S.N. —890226)
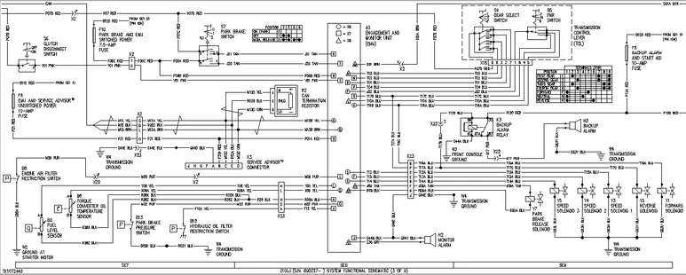
- F1 - Alternator Excitation, Return-to-Dig, and Differential Lock 10-Amp Fuse
- G1 - Batteries
- G2 - Alternator
- K1 - Accessory Relay
- K2 - Start Relay
- M1 - Starter Motor
- S1 - Key Switch
- S2 - Manual Battery Disconnect Switch (if equipped)
- S4 - Differential Lock Foot Switch
- S11 - MFWD Switch
- S17 - Return-to-Dig Switch
- V2 - Alternator Excitation Diode
- W1 - Main Frame Ground
- W2 - Ground at Starter Motor
- W3 - Front Console Ground
- W4 - Transmission Ground
- X2 - Load Center Harness-to-Front Console Harness 22-Pin Connector (marked as CONNECTOR 2)
- X13 - ECU Unswitched Battery Power Connector
- X20 - Load Center Harness-to-Engine Harness 23-Pin Connector
- X21 - Load Center Harness-to-Transmission Harness 31-Pin Connector
- X67 - Transmission Harness-to-Return-to-Dig Harness 2-Pin Connector
- Y10 - Differential Lock Solenoid
- Y11 - Mechanical Front Wheel Drive (MFWD) Solenoid
- Y16 - Return-to-Dig Solenoid
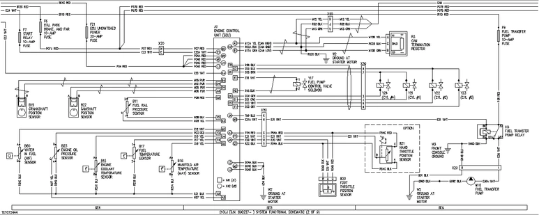
- A1 - Engine Control Unit (ECU)
- B11 - Fuel Rail Pressure Sensor
- B15 - Engine Coolant Temperature Sensor
- B17 - Fuel Temperature Sensor
- B18 - Manifold Air Temperature (MAT) Sensor
- B19 - Crankshaft Position Sensor
- B20 - Foot Throttle Position Sensor
- B21 - Hand Throttle Position Sensor (if equipped)
- B22 - Camshaft Position Sensor
- B23 - Engine Oil Pressure Sensor
- B60 - Water-in-Fuel (WIF) Sensor
- F6 - ECU, Park Brake, and FNR 10-Amp Fuse
- F7 - Start Relay 10-Amp Fuse
- F9 - Fuel Transfer Pump 10-Amp Fuse
- F21 - Engine Control Unit (ECU) Unswitched Power 20-Amp Fuse
- K4 - Fuel Transfer Pump Relay
- M10 - Fuel Transfer Pump
- R3 - CAN Termination Resistor
- W2 - Ground at Starter Motor
- X20 - Load Center Harness-to-Engine Harness 23-Pin Connector
- X41 - Engine Control Unit (ECU) 32-Pin Connector
- X42 - Engine Control Unit (ECU) 48-Pin Connector
- Y17 - Fuel Pump Control Valve Solenoid
- Y21 - Electronic Injector Solenoid (Cylinder 1)
- Y22 - Electronic Injector Solenoid (Cylinder 2)
- Y23 - Electronic Injector Solenoid (Cylinder 3)
- Y24 - Electronic Injector Solenoid (Cylinder 4)

- A2 - Engagement and Monitor Unit (EMU)
- B6 - Torque Converter Oil Temperature Sensor
- B8 - Fuel Level Sensor
- B9 - Engine Air Filter Restriction Switch
- B12 - Hydraulic Oil Filter Restriction Switch
- B13 - Park Brake Pressure Switch
- F5 - Backup Alarm and Start Aid 10-Amp Fuse
- F8 - Engagement and Monitor Unit (EMU) and Service ADVISOR™ Unswitched Power 10-Amp Fuse
- F10 - Park Brake and Engagement and Monitor Unit (EMU) Switched Power 7.5-Amp Fuse
- H2 - Monitor Alarm
- H3 - Backup Alarm
- K3 - Backup Alarm Relay
- R2 - CAN Termination Resistor
- S5 - Forward, Neutral, and Reverse (FNR) Switch
- S6 - Clutch Disconnect Switch
- S7 - Park Brake Switch
- S9 - Gear Select Switch
- W2 - Ground at Starter Motor
- W3 - Front Console Ground
- W4 - Transmission Ground
- X1 - Load Center Harness-to-Front Console Harness 22-Pin Connector (marked as CONNECTOR 1)
- X2 - Load Center Harness-to-Front Console Harness 22-Pin Connector (marked as CONNECTOR 2)
- X3 - Service ADVISOR™ Connector
- X6 - Engagement and Monitor Unit (EMU) 16-Pin Connector
- X7 - Engagement and Monitor Unit (EMU) 14-Pin Connector
- X8 - Engagement and Monitor Unit (EMU) 12-Pin Connector
- X18 - Forward, Neutral, Reverse (FNR) Switch and Gear Select Switch Connector
- X20 - Load Center Harness-to-Engine Harness 23-Pin Connector
- X21 - Load Center Harness-to-Transmission Harness 31-Pin Connector
- Y1 - Transmission Forward Directional Solenoid
- Y2 - Transmission Reverse Directional Solenoid
- Y3 - Transmission Speed Solenoid 1
- Y4 - Transmission Speed Solenoid 2
- Y5 - Transmission Speed Solenoid 3
- Y7 - Park Brake Release Solenoid

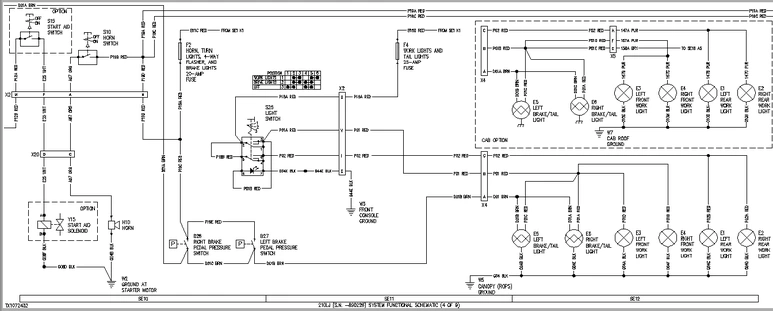
- B26 - Right Brake Pedal Pressure Switch
- B27 - Left Brake Pedal Pressure Switch
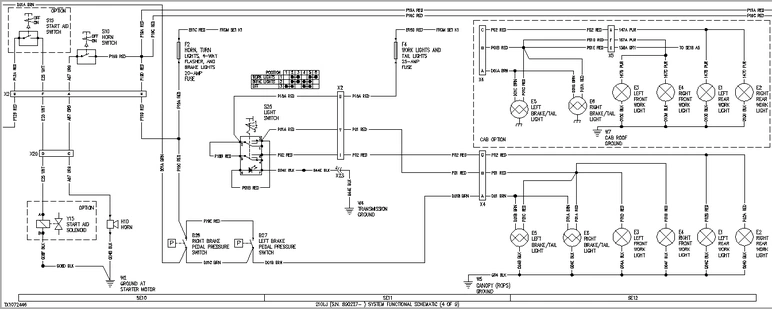
- E1 - Left Rear Work Light
- E2 - Right Rear Work Light
- E3 - Left Front Work Light
- E4 - Right Front Work Light
- E5 - Left Brake/Tail Light
- E6 - Right Brake/Tail Light
- F2 - Horn, Turn Lights, 4-Way Flasher, and Brake Lights 20-Amp Fuse
- F4 - Work Lights and Tail Lights 25-Amp Fuse
- H10 - Horn
- S10 - Horn Switch
- S15 - Start Aid Switch (if equipped)
- S25 - Light Switch
- W2 - Ground at Starter Motor
- W3 - Front Console Ground
- W5 - Canopy (ROPS) Harness Ground
- W7 - Cab Roof Harness Ground
- X2 - Load Center Harness-to-Front Console Harness 22-Pin Connector (marked as CONNECTOR 2)
- X4 - Load Center Harness-to-Cab/Canopy Harness 6-Pin Connector
- X5 - Cab Harness-to-Cab Roof Harness 16-Pin Connector
- X20 - Load Center Harness-to-Engine Harness 23-Pin Connector
- Y15 - Start Aid Solenoid (if equipped)

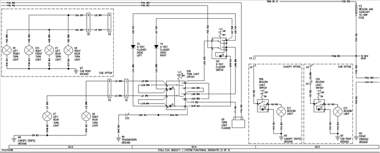
- E7 - Left Rear Turn Light
- E8 - Right Rear Turn Light
- E9 - Left Front Turn Light (if equipped)
- E10 - Right Front Turn Light (if equipped)
- E12 - Beacon Light (if equipped)
- F3 - Beacon and Auxiliary 10-Amp Fuse
- K9 - Turn Light Flasher
- S29 - Beacon Light Switch (if equipped)
- S30 - Turn Light Switch
- S31 - 4-Way Flasher Switch
- V3 - 4-Way Flasher Diode Left
- V4 - 4-Way Flasher Diode Right
- W3 - Front Console Ground
- W5 - Canopy (ROPS) Harness Ground
- W7 - Cab Roof Harness Ground
- X2 - Load Center Harness-to-Front Console Harness 22-Pin Connector (marked as CONNECTOR 2)
- X4 - Load Center Harness-to-Cab/Canopy Harness 6-Pin Connector
- X5 - Cab Harness-to-Cab Roof Harness 16-Pin Connector
- X10 - Auxiliary Power 2-Pin Connector
- X19 - Load Center Harness-to-Canopy Beacon Light Switch Harness 2-Pin Connector

- A5 - Radio (if equipped)
- B30 - Right Speaker (if equipped)
- B31 - Left Speaker (if equipped)
- B32 - Power Take-Off Temperature Switch (if equipped)
- E11 - Dome Light (if equipped)
- E13 - Side Console Light (if equipped)
- E14 - Power Take-Off Light (if equipped)
- F15 - Radio and Dome Light Unswitched Power 5-Amp Fuse (if equipped)
- F17 - Radio Switched Power 10-Amp Fuse (if equipped)
- K13 - Power Take-Off Relay (if equipped)
- S8 - Dome Light Door Switch (if equipped)
- S16 - Power Take-Off Switch (if equipped)
- W6 - Cab Harness Ground
- W7 - Cab Roof Harness Ground
- W9 - Radio Antenna
- X5 - Cab Harness-to-Cab Roof Harness 16-Pin Connector
- X10 - Auxiliary Power 2-Pin Connector
- Y12 - Power Take-Off Solenoid (if equipped)

- F13 - Wipers 15-Amp Fuse (if equipped)
- F14 - Cab 12-Volt Power Outlets 30-Amp Fuse (if equipped)
- F22 - Canopy 12-Volt Power Outlets 20-Amp Fuse (if equipped)
- G3 - Power Outlet 1
- G4 - Power Outlet 2
- M2 - Rear Wiper Motor (if equipped)
- M3 - Front Wiper Motor (if equipped)
- M6 - Rear Washer Pump (if equipped)
- M7 - Front Washer Pump (if equipped)
- S21 - Rear Wiper and Washer Switch (if equipped)
- S22 - Front Washer Switch (if equipped)
- S23 - Front Wiper Switch (if equipped)
- W4 - Transmission Ground
- W6 - Cab Harness Ground
- W7 - Cab Roof Harness Ground
- W10 - Power Outlets Ground
- X5 - Cab Harness-to-Cab Roof Harness 16-Pin Connector
- X9 - Load Center Harness-to-Cab Harness 2-Pin Connector
- X21 - Load Center Harness-to-Transmission Harness 31-Pin Connector

- B2 - Air Conditioning Freeze Control Switch (if equipped)
- B3 - Air Conditioning Binary Pressure Switch (if equipped)
- F11 - Right Blower 30-Amp Fuse (if equipped)
- F12 - Left Blower 20-Amp Fuse (if equipped)
- F16 - Blower Switch 30-Amp Fuse (if equipped)
- K6 - Right Blower Relay (if equipped)
- K7 - Left Blower Relay (if equipped)
- M4 - Left Blower Motor (if equipped)
- M5 - Right Blower Motor (if equipped)
- R1 - Blower Motor Resistor
- S13 - Air Conditioning On/Off Switch (if equipped)
- S14 - Blower Speed Switch (if equipped)
- V43 - Air Conditioning Compressor Clutch Diode
- W2 - Ground at Starter Motor
- W6 - Cab Harness Ground
- W7 - Cab Roof Harness Ground
- X5 - Cab Harness-to-Cab Roof Harness 16-Pin Connector
- X9 - Load Center Harness-to-Cab Harness 2-Pin Connector
- X20 - Load Center Harness-to-Engine Harness 23-Pin Connector
- X47 - Air Conditioner Compressor-to-Engine Harness Connector
- X48 - Air Conditioner Compressor-to-Engine Harness Connector
- Y43 - Air Conditioning Compressor Clutch (if equipped)

- E30 - Loader Coupler Indicator Light (if equipped)
- H6 - Coupler Alarm (if equipped)
- K18 - Loader Coupler Timer Relay (if equipped)
- S50 - Ride Control Switch (if equipped)
- S57 - Loader Coupler Switch (if equipped)
- V30 - Loader Coupler Unlock Solenoid Diode (if equipped)
- X10A - Auxilary Power 2-Pin Connector A
- X10B - Auxilary Power 2-Pin Connector B
- X68 - Ride Control Harness-to-Ride Control Solenoid Harness Connector
- Y29 - Loader Coupler Unlock Solenoid (if equipped)
- Y30 - Loader Coupler Pressure Solenoid (if equipped)
- Y50 - Ride Control Solenoid 1 (if equipped)
- Y51 - Ride Control Solenoid 2 (if equipped)
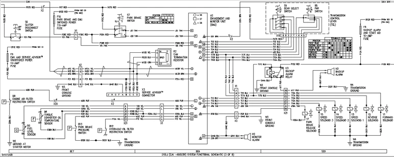
(S.N. 890227— )

- F1 - Alternator Excitation, Return-to-Dig, and Differential Lock 10-Amp Fuse
- G1 - Batteries
- G2 - Alternator
- K1 - Accessory Relay
- K2 - Start Relay
- M1 - Starter Motor
- S1 - Key Switch
- S2 - Manual Battery Disconnect Switch (if equipped)
- S4 - Differential Lock Foot Switch
- S11 - MFWD Switch
- S17 - Return-to-Dig Switch
- V2 - Alternator Excitation Diode
- W1 - Main Frame Ground
- W2 - Ground at Starter Motor
- W4 - Transmission Ground
- X2 - Load Center Harness-to-Front Console Harness 22-Pin Connector
- X13 - ECU Unswitched Battery Power Connector
- X20 - Load Center Harness-to-Engine Harness 23-Pin Connector
- X22 - Load Center Harness-to-Transmission Harness 6-Pin Connector
- X23 - Front Console Harness-to-Transmission Harness 22-Pin Connector
- Y10 - Differential Lock Solenoid
- Y11 - Mechanical Front Wheel Drive (MFWD) Solenoid
- Y16 - Return-to-Dig Solenoid

- A1 - Engine Control Unit (ECU)
- B11 - Fuel Rail Pressure Sensor
- B15 - Engine Coolant Temperature Sensor
- B17 - Fuel Temperature Sensor
- B18 - Manifold Air Temperature (MAT) Sensor
- B19 - Crankshaft Position Sensor
- B20 - Foot Throttle Position Sensor
- B21 - Hand Throttle Position Sensor (if equipped)
- B22 - Camshaft Position Sensor
- B23 - Engine Oil Pressure Sensor
- B60 - Water-in-Fuel (WIF) Sensor
- F6 - ECU, Park Brake, and FNR 10-Amp Fuse
- F7 - Start Relay 10-Amp Fuse
- F9 - Fuel Transfer Pump 10-Amp Fuse
- F21 - Engine Control Unit (ECU) Unswitched Power 20-Amp Fuse
- K4 - Fuel Transfer Pump Relay
- M10 - Fuel Transfer Pump
- R3 - CAN Termination Resistor
- W2 - Ground at Starter Motor
- W3 - Front Console Ground
- X20 - Load Center Harness-to-Engine Harness 23-Pin Connector
- X41 - Engine Control Unit (ECU) 32-Pin Connector
- X42 - Engine Control Unit (ECU) 48-Pin Connector
- X50 - Engine Harness-to-Electronic Injector (EI) Harness 8-Pin Connector
- Y17 - Fuel Pump Control Valve Solenoid
- Y21 - Electronic Injector Solenoid (Cylinder 1)
- Y22 - Electronic Injector Solenoid (Cylinder 2)
- Y23 - Electronic Injector Solenoid (Cylinder 3)
- Y24 - Electronic Injector Solenoid (Cylinder 4)

- A2 - Engagement and Monitor Unit (EMU)
- B6 - Torque Converter Oil Temperature Sensor
- B8 - Fuel Level Sensor
- B9 - Engine Air Filter Restriction Switch
- B12 - Hydraulic Oil Filter Restriction Switch
- B13 - Park Brake Pressure Switch
- F5 - Backup Alarm and Start Aid 10-Amp Fuse
- F8 - Engagement and Monitor Unit (EMU) and Service ADVISOR™ Unswitched Power 10-Amp Fuse
- F10 - Park Brake and Engagement and Monitor Unit (EMU) Switched Power 7.5-Amp Fuse
- H2 - Monitor Alarm
- H3 - Backup Alarm
- K3 - Backup Alarm Relay
- R2 - CAN Termination Resistor
- S5 - Forward, Neutral, and Reverse (FNR) Switch
- S6 - Clutch Disconnect Switch
- S7 - Park Brake Switch
- S9 - Gear Select Switch
- W2 - Ground at Starter Motor
- W3 - Front Console Ground
- W4 - Transmission Ground
- X2 - Load Center Harness-to-Front Console Harness 22-Pin Connector
- X3 - Service ADVISOR™ Connector
- X6 - Engagement and Monitor Unit (EMU) 16-Pin Connector
- X7 - Engagement and Monitor Unit (EMU) 14-Pin Connector
- X8 - Engagement and Monitor Unit (EMU) 12-Pin Connector
- X18 - Forward, Neutral, Reverse (FNR) Switch and Gear Select Switch Connector
- X20 - Load Center Harness-to-Engine Harness 23-Pin Connector
- X22 - Load Center Harness-to-Transmission Harness 6-Pin Connector
- X23 - Front Console Harness-to-Transmission Harness 22-Pin Connector
- Y1 - Transmission Forward Directional Solenoid
- Y2 - Transmission Reverse Directional Solenoid
- Y3 - Transmission Speed Solenoid 1
- Y4 - Transmission Speed Solenoid 2
- Y5 - Transmission Speed Solenoid 3
- Y7 - Park Brake Release Solenoid

- B26 - Right Brake Pedal Pressure Switch
- B27 - Left Brake Pedal Pressure Switch
- E1 - Left Rear Work Light
- E2 - Right Rear Work Light
- E3 - Left Front Work Light
- E4 - Right Front Work Light
- E5 - Left Brake/Tail Light
- E6 - Right Brake/Tail Light
- F2 - Horn, Turn Lights, 4-Way Flasher, and Brake Lights 20-Amp Fuse
- F4 - Work Lights and Tail Lights 25-Amp Fuse
- H10 - Horn
- S10 - Horn Switch
- S15 - Start Aid Switch (if equipped)
- S25 - Light Switch
- W2 - Ground at Starter Motor
- W4 - Transmission Ground
- W5 - Canopy (ROPS) Harness Ground
- W7 - Cab Roof Harness Ground
- X2 - Load Center Harness-to-Front Console Harness 22-Pin Connector
- X4 - Load Center Harness-to-Cab/Canopy Harness 6-Pin Connector
- X5 - Cab Harness-to-Cab Roof Harness 16-Pin Connector
- X20 - Load Center Harness-to-Engine Harness 23-Pin Connector
- X23 - Front Console Harness-to-Transmission Harness 22-Pin Connector
- Y15 - Start Aid Solenoid (if equipped)

- E7 - Left Rear Turn Light
- E8 - Right Rear Turn Light
- E9 - Left Front Turn Light (if equipped)
- E10 - Right Front Turn Light (if equipped)
- E12 - Beacon Light (if equipped)
- F3 - Beacon and Auxiliary 10-Amp Fuse
- K9 - Turn Light Flasher
- S29 - Beacon Light Switch (if equipped)
- S30 - Turn Light Switch
- S31 - 4-Way Flasher Switch
- V3 - 4-Way Flasher Diode Left
- V4 - 4-Way Flasher Diode Right
- W3 - Front Console Ground
- W5 - Canopy (ROPS) Harness Ground
- W7 - Cab Roof Harness Ground
- X2 - Load Center Harness-to-Front Console Harness 22-Pin Connector
- X4 - Load Center Harness-to-Cab/Canopy Harness 6-Pin Connector
- X5 - Cab Harness-to-Cab Roof Harness 16-Pin Connector
- X23 - Front Console Harness-to-Transmission Harness 22-Pin Connector

- A5 - Radio (if equipped)
- B30 - Right Speaker (if equipped)
- B31 - Left Speaker (if equipped)
- B32 - Power Take-Off Temperature Switch (if equipped)
- E11 - Dome Light (if equipped)
- E13 - Side Console Light (if equipped)
- E14 - Power Take-Off Light (if equipped)
- F15 - Radio and Dome Light Unswitched Power 5-Amp Fuse (if equipped)
- F17 - Radio Switched Power 10-Amp Fuse (if equipped)
- K13 - Power Take-Off Relay (if equipped)
- S16 - Power Take-Off Switch (if equipped)
- S8 - Dome Light Door Switch (if equipped)
- W6 - Cab Harness Ground
- W7 - Cab Roof Harness Ground
- W9 - Radio Antenna
- X25 - Junction Block
- Y12 - Power Take-Off Solenoid (if equipped)

- F13 - Wipers 15-Amp Fuse (if equipped)
- G3 - Power Outlet 1
- G4 - Power Outlet 2
- M2 - Rear Wiper Motor (if equipped)
- M3 - Front Wiper Motor (if equipped)
- M6 - Rear Washer Pump (if equipped)
- M7 - Front Washer Pump (if equipped)
- S21 - Rear Wiper and Washer Switch (if equipped)
- S22 - Front Washer Switch (if equipped)
- S23 - Front Wiper Switch (if equipped)
- W4 - Transmission Ground
- W7 - Cab Roof Harness Ground
- W10 - Power Outlets Ground
- X5 - Cab Harness-to-Cab Roof Harness 16-Pin Connector
- X9 - Load Center Harness-to-Cab Harness 2-Pin Connector
- X22 - Load Center Harness-to-Transmission Harness 6-Pin Connector

- B2 - Air Conditioning Freeze Control Switch (if equipped)
- B3 - Air Conditioning Binary Pressure Switch (if equipped)
- F11 - Right Blower 30-Amp Fuse (if equipped)
- F12 - Left Blower 20-Amp Fuse (if equipped)
- K6 - Right Blower Relay (if equipped)
- K7 - Left Blower Relay (if equipped)
- M4 - Left Blower Motor (if equipped)
- M5 - Right Blower Motor (if equipped)
- R1 - Blower Motor Resistor
- S13 - Air Conditioning On/Off Switch (if equipped)
- S14 - Blower Speed Switch (if equipped)
- V43 - Air Conditioning Compressor Clutch Diode
- W2 - Ground at Starter Motor
- W6 - Cab Harness Ground
- W7 - Cab Roof Harness Ground
- X5 - Cab Harness-to-Cab Roof Harness 16-Pin Connector
- X9 - Load Center Harness-to-Cab Harness 2-Pin Connector
- X20 - Load Center Harness-to-Engine Harness 23-Pin Connector
- X47 - Air Conditioner Compressor-to-Engine Harness Connector
- X48 - Air Conditioner Compressor-to-Engine Harness Connector
- Y43 - Air Conditioning Compressor Clutch (if equipped)

- E30 - Loader Coupler Indicator Light (if equipped)
- H6 - Coupler Alarm (if equipped)
- K18 - Loader Coupler Timer Relay (if equipped)
- S50 - Ride Control Switch (if equipped)
- S57 - Loader Coupler Switch (if equipped)
- V30 - Loader Coupler Unlock Solenoid Diode (if equipped)
- X25 - Junction Block
- X81 - Loader Coupler Console Harness-to-Loader Coupler Solenoid Harness Connector
- Y29 - Loader Coupler Unlock Solenoid (if equipped)
- Y30 - Loader Coupler Pressure Solenoid (if equipped)
- Y50 - Ride Control Solenoid 1 (if equipped)
- Y51 - Ride Control Solenoid 2 (if equipped)
Коды неисправностей
ECU (Level 16)
- 000028.03 Digital Throttle Signal Out of Range High
- 000028.04 Digital Throttle Signal Out of Range Low
- 000028.14 Digital Throttle Inhibited
- 000029.03 Secondary Analog Throttle Signal Out of Range High
- 000029.03 Hand Throttle Short to Power
- 000029.04 Secondary Analog Throttle Signal Out of Range Low
- 000029.04 Hand Throttle Open or Short
- 000029.14 Secondary Analog Throttle Inhibited
- 000029.14 Hand Throttle Out of Range
- 000084.31 ECU Calculated Vehicle Speed and CAN Vehicle Speed Mismatch
- 000091.03 Primary Analog Throttle Signal Out of Range High
- 000091.03 Foot Throttle Short to Power
- 000091.04 Primary Analog Throttle Signal Out of Range Low
- 000091.04 Foot Throttle Open or Short
- 000091.09 Primary Analog Throttle Signal Erratic
- 000091.14 Primary Analog Throttle Inhibited
- 000091.14 Foot Throttle Sensor Out of Range
- 000094.03 Low Pressure Fuel Signal Out of Range High
- 000094.04 Low Pressure Fuel Signal Out of Range Low
- 000094.17 Low Pressure Fuel Signal Slightly Low
- 000097.03 Water In Fuel Signal Out of Range High
- 000097.04 Water In Fuel Signal Out of Range Low
- 000097.16 Water In Fuel Detected
- 000100.01 Engine Oil Pressure Signal Extremely Low
- 000100.04 Engine Oil Pressure Signal Out of Range Low
- 000100.18 Engine Oil Pressure Signal Moderately Low
- 000100.31 Engine Oil Pressure Detected with Engine Stopped
- 000105.00 Manifold Air Temperature Signal Extremely High
- 000105.03 Manifold Air Temperature Signal Out of Range High
- 000105.04 Manifold Air Temperature Signal Out of Range Low
- 000105.15 Manifold Air Temperature Signal Slightly High
- 000105.16 Manifold Air Temperature Signal Moderately High
- 000107.00 Air Filter Restriction Switch Activated
- 000108.02 Barometric Air Pressure Signal Invalid
- 000110.00 Coolant Temperature Signal Extremely High
- 000110.03 Coolant Temperature Signal Out of Range High
- 000110.04 Coolant Temperature Signal Out of Range Low
- 000110.15 Coolant Temperature Signal Slightly High
- 000110.16 Coolant Temperature Signal Moderately High
- 000111.01 Coolant Level Extremely Low
- 000157.03 Fuel Rail Pressure Signal Out of Range High
- 000157.04 Fuel Rail Pressure Signal Out of Range Low
- 000157.10 Fuel Rail Pressure Loss Detected
- 000157.17 Fuel Rail Pressure Not Developed
- 000158.17 ECU Power Down Error
- 000160.02 Vehicle Speed Signal Invalid
- 000171.03 Ambient Air Temperature Out of Range High
- 000171.04 Ambient Air Temperature Out of Range Low
- 000174.00 Fuel Temperature Signal Extremely High
- 000174.03 Fuel Temperature Signal Out of Range High
- 000174.04 Fuel Temperature Signal Out of Range Low
- 000174.16 Fuel Temperature Signal Moderately High
- 000189.00 Engine Speed Derate Condition Exists
- 000190.00 Engine Speed Extremely High
- 000190.16 Engine Speed Moderately High
- 000237.02 VIN Security Data Invalid
- 000237.13 VIN Option Code Security Data Conflict
- 000237.31 VIN Security Data Missing
- 000569.03 Rear Axle Differential Lock Signal Out of Range High
- 000569.04 Rear Axle Differential Lock Signal Out of Range Low
- 000611.03 Injector Shorted to Voltage Source
- 000611.04 Injector Shorted to Ground
- 000627.01 All Injector Circuits Have High Resistance
- 000627.18 Injector Power Supply Voltage Out of Range Low
- 000629.12 ECU EEPROM Error
- 000629.13 ECU Boot Block Error
- 000636.02 Camshaft Position Signal Invalid
- 000636.05 Camshaft Position Circuit Has High Resistance
- 000636.06 Camshaft Position Circuit Has Low Resistance
- 000636.08 Camshaft Position Signal Missing
- 000636.10 Camshaft Position Signal Rate of Change Abnormal
- 000637.02 Crankshaft Position Signal Invalid
- 000637.05 Crankshaft Position Circuit Has High Resistance
- 000637.06 Crankshaft Position Circuit Has Low Resistance
- 000637.07 Crankshaft and Camshaft Position Signals Out of Sync
- 000637.08 Crankshaft Position Signal Missing
- 000637.10 Crankshaft Position Signal Rate of Change Abnormal
- 000640.31 External Derate Commanded
- 000647.05 Engine Fan Drive Circuit Has High Resistance
- 000647.31 Engine Fan Drive Manual Purge Switch Active Too Long
- 000651.02 Injector #1 Part Number Invalid
- 000651.05 Injector #1 Circuit Has High Resistance
- 000651.06 Injector #1 Circuit Has Low Resistance
- 000651.07 Injector #1 Not Responding
- 000651.13 Injector #1 Calibration Fault
- 000652.02 Injector #2 Part Number Invalid
- 000652.05 Injector #2 Circuit Has High Resistance
- 000652.06 Injector #2 Circuit Has Low Resistance
- 000652.07 Injector #2 Not Responding
- 000652.13 Injector #2 Calibration Fault
- 000653.02 Injector #3 Part Number Invalid
- 000653.05 Injector #3 Circuit Has High Resistance
- 000653.06 Injector #3 Circuit Has Low Resistance
- 000653.07 Injector #3 Not Responding
- 000653.13 Injector #3 Calibration Fault
- 000654.02 Injector #4 Part Number Invalid
- 000654.05 Injector #4 Circuit Has High Resistance
- 000654.06 Injector #4 Circuit Has Low Resistance
- 000654.07 Injector #4 Not Responding
- 000654.13 Injector #4 Calibration Fault
- 000655.02 Injector #5 Part Number Invalid
- 000655.05 Injector #5 Circuit Has High Resistance
- 000655.06 Injector #5 Circuit Has Low Resistance
- 000655.07 Injector #5 Not Responding
- 000655.13 Injector #5 Calibration Fault
- 000656.02 Injector #6 Part # Data Invalid
- 000656.05 Injector #6 Circuit Has High Resistance
- 000656.06 Injector #6 Circuit Has Low Resistance
- 000656.07 Injector #6 Not Responding
- 000656.13 Injector #6 Calibration Fault
- 000676.03 Cold Start Aid Signal Received When Not Expected
- 000676.05 Cold Start Aid Circuit Has High Resistance
- 000898.09 Engine Speed CAN Message Invalid
- 000970.31 External Shutdown Switch Activated
- 000970.31 External Shutdown Switch Activated
- 000971.31 External Derate Switch Activated
- 001069.31 Tire Size Invalid
- 001075.05 Low Pressure Fuel Pump Circuit Has High Resistance
- 001075.05 Fuel Transfer Pump Relay Open Circuit
- 001075.06 Low Pressure Fuel Pump Circuit Has Low Resistance
- 001075.06 Fuel Transfer Pump Relay Short to Ground
- 001109.31 Approaching Engine Protection Shutdown
- 001110.31 Engine Protection Shutdown Active
- 001136.00 ECU Temperature Signal Extremely High
- 001136.16 ECU Temperature Signal Moderately High
- 001321.05 Starter Solenoid Lockout Relay Drive Circuit Has High Resistance
- 001321.05 Starter Relay Open Circuit
- 001321.06 Starter Solenoid Lockout Relay Drive Circuit Has Low Resistance
- 001321.06 Starter Relay Short to Ground
- 001321.16 Crank Cycle Too Long
- 001321.30 Starter Solenoid Lockout Relay Drive Circuit Fault
- 001347.03 Suction Control Valve Signal Out of Range High
- 001347.05 Suction Control Valve Circuit Has High Resistance
- 001347.07 Fuel Rail Pressure Actual to Desired Mismatch
- 001569.31 Engine in Power Derate Condition
- 001638.09 Hydraulic Oil Temperature Erratic
- 001639.01 Fan Speed Signal Extremely Low
- 001639.16 Fan Speed Signal Moderately High
- 002000.13 Incorrect ECU for Application
- 002003.09 No CAN Message Received From Source Address 3
- 002004.09 No CAN Message Received From Source Address 4
- 002023.09 No CAN Message From Source Address 23
- 002023.09 Hand Throttle Message Missing
- 002033.09 No CAN Message Received From Source Address 33
- 002033.14 Incorrect CAN Message Received From Source Address 33
- 002033.19 Synchronizing Problem with Source Address 33
- 002057.09 No CAN Message Received From Source Address 57
- 002071.09 No CAN Message From Source Address 71
- 003509.03 Sensor Supply #1 Voltage Out of Range High
- 003509.04 Sensor Supply #1 Voltage Out of Range Low
- 003510.03 Sensor Supply #2 Voltage Out of Range High
- 003510.04 Sensor Supply #2 Voltage Out of Range Low
- 003511.03 Sensor Supply #3 Voltage Out of Range High
- 003511.04 Sensor Supply #3 Voltage Out of Range Low
- 523702.09 Flex Power Message Missing
- 523792.04 EPGDS LTC Pump Signal Out of Range Low
- 524037.02 MFWD Switch Circuit Fault
- 524099.11 EPGDS LTC Pump Blockage
- 524223.03 Rear Axle Differential Lock Circuit Fault
- 524225.31 Engine Start Protection Bypass Detected
- 524235.03 MFWD Solenoid Signal Out of Range High
- 524235.04 MFWD Solenoid Signal Out of Range Low
EMU
- 000070.04 Park Brake Switch Out of Range Low
- 000070.07 Park Brake Switch Data Invalid
- 000096.03 Fuel Sensor Out of Range High
- 000096.04 Fuel Sensor Out of Range Low
- 000107.00 Engine Air Filter Restricted
- 000158.00 System Voltage Above Normal
- 000158.16 System Voltage High
- 000158.18 System Voltage Low
- 000177.00 Torque Converter Oil Temperature Too High
- 000177.03 Torque Converter Oil Temperature Sensor Out of Range High
- 000177.04 Torque Converter Oil Temperature Sensor Out of Range Low
- 000525.03 Gear Switch Out of Range High
- 000525.04 Gear Switch Out of Range Low
- 000525.05 Gear Switch Open Circuit
- 000525.07 Gear Switch Data Invalid
- 000604.06 FNR Supply Out of Range High
- 000736.06 Y3 Solenoid Short to Ground
- 000736.12 Y3 Solenoid Open or Short to Power
- 000737.06 Y4 Solenoid Short to Ground
- 000737.12 Y4 Solenoid Open or Short to Power
- 000738.06 Y5 Solenoid Short to Ground
- 000738.12 Y5 Solenoid Open or Short to Power
- 000767.02 Reverse Switch Data Invalid
- 000767.05 Reverse Switch Data Out of Range Low
- 000880.05 Service Brake Lights Open Circuit
- 000903.02 Forward Switch Data Invalid
- 000903.05 Forward Switch Data Out of Range Low
- 000920.03 Audible Alarm Open or Short to Power
- 000920.04 Audible Alarm Short to Ground
- 001713.00 Hydraulic Oil Filter Restricted
- 298816.14 Park Brake Data Invalid
- 522379.03 Park Brake Solenoid Short to Power
- 522379.05 Park Brake Solenoid Open Circuit
- 522379.06 Park Brake Solenoid Short to Ground
- 522398.14 Park Brake Data Invalid
- 522405.03 Park Brake Pressure Switch Short to Power
- 522411.02 FNR Data Invalid
- 522411.03 FNR Short to Power
- 522411.05 FNR Open Circuit
- 522411.06 FNR Short to Ground
- 523702.02 Flex Power ECU Watchdog Error
- 523702.07 Flex Power Authentication Error
- 523702.08 Flex Power Inactive
- 523702.09 Flex Power Status Message Not Received
- 523702.10 Flex Power Timeout With ECU
- 524172.00 Clutch Disconnect Switch Data Above Normal
- 524172.03 Clutch Disconnect Switch Out of Range High
- 524172.04 Clutch Disconnect Switch Short to Ground
FLC
- 002000.09 CAN Communication Lost with ECU

