Схемы тормозной системы EBS 3 WABCO
Схемы системы EBS3 APAC
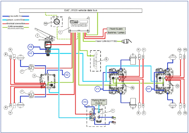
Схема системы EBS3 «Стандарт» / конфигурация системы 4S/4M – без датчика износа накладок

В конфигурацию системы EBS 4S/4M должны быть включены следующие компоненты, поставляемые
компанией WABCO:
Наименование Название
- 1 Датчик тормозного усилия с двумя встроенными датчиками и одним переключателем
- 2 Центральный блок ECU (центральный модуль)
- 3 Модулятор оси 1M со встроенным блоком ECU — для передней оси (поворотной)
- 4 Модулятор оси 2M со встроенным блоком ECU — для задней оси (ведущей)
- 5 электропневматический кран управления тормозами прицепа (опционально)
- 6 Модуль ESC (опционально)
- 7 Два клапана модулятора ABS (электромагнитный клапан ABS) для передней оси
- 8 Датчики скорости вращения колес, на каждое колесо, на передней оси и задней оси
- 9 Датчик угла поворота руля (LWS, опция)
Для использования узлов и деталей других поставщиков необходимо согласие компании WABCO.
Система EBS 4S/4M дополняется еще одним модулем ESC и датчиком угла поворота руля для работы системы ESC.
Схема системы EBS3 «Стандарт» / тип системы 4S/4M – без датчика износа накладок – 6x2 (1 Вспомогательная ось / 1 Ведомая ось)

Система 4S/4M может быть адаптирована к различным типам ТС , как показано на примере для варианта 6х2 с вспомогательной осью и одной ведомой задней осью. На этом примере для такой схемы системы используется дополнительный электромагнитный клапан ATC (15).
Схемы системы EBS3 «Стандарт»
Схема системы EBS3 / конфигурация системы 4S/4M – с датчиком износа накладок

В конфигурацию системы EBS 4S/4M должны быть включены следующие компоненты, поставляемые
компанией WABCO:
Наименование Название
- 1 Датчик тормозного усилия с двумя встроенными датчиками и одним переключателем
- 2 Центральный блок ECU (центральный модуль)
- 3 Модулятор оси 1M со встроенным блоком ECU — для передней оси (поворотной)
- 4 Модулятор оси 2M со встроенным блоком ECU — для задней оси (ведущей)
- 5 электропневматический кран управления тормозами прицепа (опционально)
- 6 Модуль ESC (опционально)
- 7 Два клапана модулятора ABS (электромагнитный клапан ABS) для передней оси
- 8 Датчики скорости вращения колес, на каждое колесо, на передней оси и задней оси
- 9 Датчик угла поворота руля (LWS, опция)
Для использования узлов и деталей других поставщиков необходимо согласие компании WABCO.
Система EBS 4S/4M дополняется еще одним модулем ESC и датчиком угла поворота руля для работы системы ESC.
Схема системы EBS3 «Стандарт» / конфигурация системы 6S/6M

В конфигурацию системы EBS 6S/6M — помимо компонентов для вышеприведенной конфигурации 4S/4M — должны быть включены следующие компоненты, поставляемые компанией WABCO:
Наименование Название
- 11 Модулятор оси 2M со встроенным блоком ECU — для задней оси (ведущей), интерфейсная версия
- 12 Модулятор оси 2M со встроенным блоком ECU — для еще одной вспомогательной оси или дополнительной оси
- 13 Д ва датчика скорости вращения колес на дополнительной оси
- 14 Д ва датчика износа тормозных накладок на дополнительной оси (опционально).