Электрические схемы International Navistar LT
- Banana Plugs Receptacle
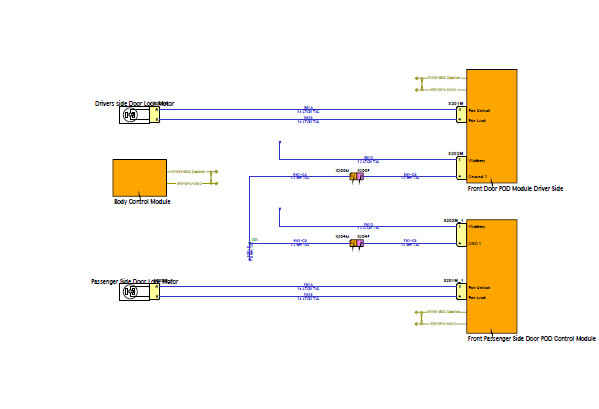
- Power Door Locks
- Power Windows
- Remote Keyless Entry
- Auxiliary Air Solenoids 4-pack (1 pack/4 solenoids)
- Auxiliary Air Solenoids 4-pack (2 packs/8 solenoids)
- Add On:Bluetooth
- Radio N/ Wired Remote
- Radio W/ Wired Remote
- Speakers:Four Speakers - Daycab
- Speakers:Four Speakers - Sleeper
- Speakers:Speakers W/ Amplifier
- Speakers:Two Speakers
- Two USB
- USB
- CB Radio Power Only
- CB Radio Power Only (Single Antenna)
- CB Radio with Audio Jack for Speakers
- Vehicle Speed Control (Cruise Control) 10 - Pin
- Vehicle Speed Control (Cruise Control) 4 - PIN
- City Horn (N/ Radio Steering Wheel Controls)
- City Horn (W/ Radio Steering Wheel Controls)
- Power Divider Lock Control and Monitoring
- Cab Mounted Heated Mirrors (Door Pod Control)
- Mirrors (Power) (Door Pod Actuated)
- Theft Deterrent (Without additional relay)
- Tire Pressure (TPMS) (US & Canada)
- Hill Start Aid (Bendix)
- Hill Start Aid (WABCO)
- Antilock Brake System (ABS) [Bendix 6 Channel Implementation]
- Antilock Brake System (ABS)-BENDIX 4 Channel Implemenation
- Antilock Brake System (ABS)-Wabco 4 Channel Implementation
- Antilock Brake System (ABS)-Wabco 6 Channel Implementation
- Service Brake Pressure
- Service Brake Switch
- Selective Catalytic Reduction (SCR) (ISX)
- Air Shield Lighting
- Fog Lights (Halogen White Rear)
- Fog Lights (Halogen White)
- Fog Lights (LED White Rear)
- Fog Lights (LED White)
- Automatic Lighting
- Day Time Running Lights (Halogen)
- Day Time Running Lights (LED)
- Headlights(Halogen) N/ Headlamp Interrupt W/ 125BBC
- Headlights(Halogen) W/ Headlamp Interrupt W/ 125BBC
- Headlights(LED) N/ Headlamp Interrupt W/ 125BBC
- Headlights(LED) W/ Headlamp Interrupt W/ 125BBC
- Backup Lights (Dual Reverse Light) Eaton/Manual Trans
- Backup Lights (Single Reverse Light) Eaton/Manual Trans
- Cab Mirror Turn Lights
- Clearance and Identification Lights (N/ Sunshade)
- Front Turn Lights W/ Halogen
- Front Turn Lights W/ LED
- Hazard Warning Lt N/Trlr Socket
- Park Brake Controls (Monitoring)(GEN IV BCM)(US & Canada)
- Park Lights (Halogen/MRKR INT-STRNGWHL)
- Park Lights (LED)
- Rear Lights Stop - Dual Assembly
- Rear Lights Stop - Single Assembly
- Rear Light (Tail Light) (Light Bar ASSY)
- Rear Light (Tail Light) (Light Bar ASSY/MRKR INT-STRNGWHL)
- Rear Light (Tail Light) (Weldon LED)
- Rear Light (Tail Light) (Weldon LED/MRKR INT-STRNGWHL)
- Rear Turn Lights W/ Dual Tail Light Assembly
- Rear Turn Lights W/ Single Rear Light Assembly
- Work Lights LED W/ Sw Pack - Day Cab
- Work Lights LED W/ Sw Pack - Sleeper
- Work Lights LED (Customer Supplied) W/ Sw Pack - Sleeper
- Work Lights (Customer Supplied) W/ Sw Pack
- Rear HVAC (No Idle Heater) (Espar)
- Rear HVAC (No Idle Heater) (Webasto Smartemp)
- Rear HVAC (No Idle Heater) (Webasto Std N/Swift) N/ Heat Swtich
- Rear HVAC (No Idle Heater) (Webasto Std W/Swift) N/ Heat Switch
- Rear HVAC (Sleeper W/ Deluxe)
- Rear HVAC (Sleeper W/ Premium)
- Compressed Air Supply
- Coolant Temperature Monitoring
- Engine Oil Pressure
- Fuel Heater (Vehicle Powered)(Davco)
- Fuel Level (Single Tank - Left Side)
- High Exhaust System Temperature (HEST) Monitoring - ISX
- Vehicle Information Display (VID)
- Voltage Monitoring (Voltmeter)
- Ambient Air Temperature
- Axle Loading (Weight) Rear
- Single Axle Temperature Monitoring
- Single Axle Temperature Monitoring w/Aux Gauge
- Tandem Axle Temperature Monitoring
- Tandem Axle Temperature Monitoring w/Aux Gauge
- Vehicle Speedometer System (Cummins ISX ECM - Manual XMSN & New datalink)_NA
- Engine Speed (Tachometer)
- Transmission Oil Temperature-Automatic Trans
- Transmission Oil Temperature-Manual Trans
- Cab Dome Light (Sleeper Cab)
- Lighting Sleeper Dome
- Traction Control (Bendix Controller)
- Traction Control (Wabco Controller)
- Trailer Interface (Lighting) – BOC & EOF
- Trailer Interface (Lighting) – BOC_NA
- Trailer Interface (Lighting) – TRAMEC_NA
- Windshield Washer Low Fluid Sensor
- Windshield Washer Pump
- Windshield Wipers
- Battery International (4) 12V 3700CCA
- Electrical Load Control W/ Fuse
- Electrical Load Control W/ Relay
- Fuse Block - LT Series
- Bosch LH160_LH200 Alternator1
- Leece-Neville AVI160 Alternator
- Leece-Neville AVI160-210A/240A Alternator
- Leece-Neville 320PAH Alternator
- Auto Start Stop Battery & Oil Temp
- Clutch Monitoring (High and Low Switch to BCM)
- Cranking Request (w/ Key Switch w/ BCM)
- Cranking (Starter) GEN4 BCM W/ Thermal Overcrank - External Switch
- Crank Inhibit (with ECM --> BCM ONLY)
- Crank Inhibit (with Hood Switch) with new BCM Pin
- Starter Interlock (BCM HSD controlled W/ Clutch Switch N/ Auto Start Stop)
- Starter Interlock (BCM HSD controlled W/ Clutch Switch W/ Auto Start Stop)
- Starter Interlock (BCM LSD Controlled w/ Relay)_EATON XMSN
- Connectors





Все схемы в полном объеме и в высоком качестве смотри в