Электросхемы тормозной системы ABS Atego II
А10: Связь с базовым модулем

- А7: Базовый модуль
- А10: Блок управления ABS антиблокировочная система
- X I: Штекерное соединение на блоке управления ABS
антиблокировочная система
- X I 18/7: Клемма 15
- X I 18/8: Клемма 30
- X I 18/9: Клемма 30
- X I 18/10: Клемма 31
- X I 18/11: Клемма 31
- X I 18/12: Клемма 31
ВЗО : Датчик числа оборотов на переднем мосту слева

- АЮ: Блок управления ABS антиблокировочная система
- ВЗО: Левый датчик числа оборотов переднего моста
- Х2: Штекерное соединение на блоке управления ABS антиблокировочная система
- Х3.2: Штекерное соединение 'Плата штекеров - Кабина водителя - шасси'
В31 : Датчик числа оборотов на переднем мосту справа

- АЮ: Блок управления ABS антиблокировочная система
- В31: Правый датчик числа оборотов переднего моста
- ХЗ: Штекерное соединение на блоке управления ABS антиблокировочная система
- Х3.2: Штекерное соединение 'Плата штекеров - Кабина водителя - шасси'
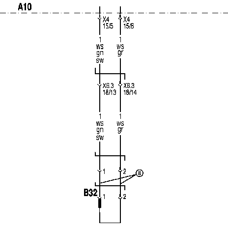
В32 : Датчик числа оборотов на заднем мосту слева

- А10: Блок управления ABS антиблокировочная система
- В32: Левый датчик числа оборотов заднего моста
- Х4: Штекерное соединение на блоке управления ABS антиблокировочная система
- Х6.3: Штекерное соединение 'Плата штекеров - Кабина водителя - шасси'
- а: В настоящее время удлинительный провод отдатчика к жгуту проводов рамы устанавливается только при установленном барабанном тормозе.
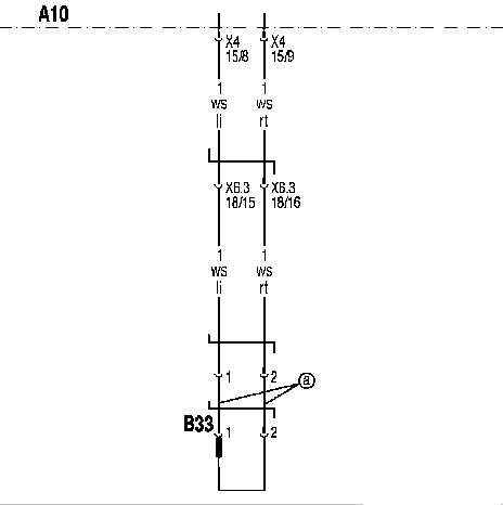
ВЗЗ : Датчик числа оборотов на заднем мосту справа

- АЮ: Блок управления ABS антиблокировочная система
- ВЗЗ: Правый датчик числа оборотов заднего моста
- Х4: Штекерное соединение на блоке управления ABS антиблокировочная система
- Хб.З: Штекерное соединение 'Плата штекеров - Кабина водителя - шасси'
- а: В настоящее время удлинительный провод отдатчика к жгуту проводов рамы устанавливается только при установленном барабанном тормозе.
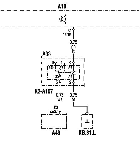
XI 18/15: Выход Автоматическая КП Allison

- АЮ: Блок управления ABS антиблокировочная система
- А49: Блок управления Автоматическая КП Allison
- К2: Реле Автоматическая КП Allison
- XB.31.L: Масса
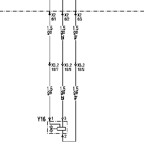
Y16 : Электромагнитный клапан ABS на переднем мосту слева

- Y16: Электромагнитный клапан 'Передний мост слева'
- Х2: Штекерное соединение на блоке управления ABS антиблокировочная система
- Х3.2: Штекерное соединение 'Плата штекеров - Кабина водителя - шасси'
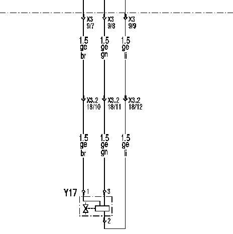
Y17 : Электромагнитный клапан ABS на переднем мосту справа

- Y17: Электромагнитный клапан 'Передний мост справа'
- ХЗ: Штекерное соединение на блоке управления ABS антиблокировочная система
- Х3.2: Штекерное соединение 'Плата штекеров - Кабина водителя - шасси'
Y18 : Электромагнитный клапан ABS на заднем мосту слева

- Y18: Левый электромагнитный клапан заднего моста
- Х4: Штекерное соединение на блоке управления ABS антиблокировочная система
- Х5.1: Штекерное соединение 'Плата штекеров - Кабина водителя - шасси'
Y19 : Электромагнитный клапан ABS на заднем мосту справа

- Y19: Правый электромагнитный клапан заднего моста
- Х4: Штекерное соединение на блоке управления ABS антиблокировочная система
- Х5.1: Штекерное соединение 'Плата штекеров - Кабина водителя - шасси'
Y20 : Электромагнитный клапан 'ASR'

- АЮ: Блок управления ABS антиблокировочная система
- Х4: Штекерное соединение на блоке управления ABS антиблокировочная система
- Х5.1: Штекерное соединение 'Плата штекеров - Кабина водителя - шасси'
- Y20: Электромагнитный клапан 'ASR'
Заданные значения
Электропитание:
- Заданное значение (аккумуляторная батарея): > 20 В и < 32 В
- Заданное значение (плотность электролита): > 1,16
- Повышенное напряжение опознаётся при напряжении > 32 В.
- Пониженное напряжение опознаётся при напряжении < 20 В.
Электромагнитные клапаны:
- Y16, Y17, Y18, Y19 : Заданное значение (вход или выход): 15 Ом при 20°С
Датчики числа оборотов:
- ВЗО, В31, В32, ВЗЗ : Внутреннее сопротивление: от 1 до 2 кОм при температуре помещения 23°С с отклонением +/-5°С