Электросхемы 335C Knuckleboom Log Loader John Deere
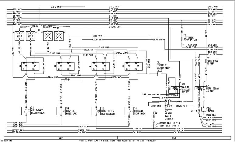
(S.N. —165691)
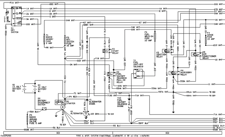
- F1 - Fuse, Radio Memory 5 amp
- F2 - Fuse, Key Switch 15 amp
- F3 - Fuse, Fuel Hold-in 10 amp
- F4 - Fuse, Gauge 15 amp
- F5 - Fuse, Radio Ground Inline 5 amp
- G1 - Alternator
- G2 - Battery
- G3 - Battery
- K1 - Relay, Start
- K2 - Relay, Fuel Shutoff Solenoid Pull-in
- K3 - Relay, Ignition
- K4 - Relay, Accessory
- K5 - Relay, Air Conditioner
- M1 - Motor, Starter
- S1 - Switch, Key
- S2 - Switch, Battery Disconnect
- V1 - Diode, Alternator
- V10 - Diode, Fuel Shutoff
- Y1 - Solenoid, Fuel Shutoff
- B1 - Horn, Trouble Alarm
- B2 - Horn
- F6 - Fuse, Joystick 15 amp
- F7 - Fuse, Horn 10 amp
- H1 - Indicator Light, Air Intake Restriction
- H2 - Indicator Light, Engine Oil Pressure
- H3 - Indicator Light, Hydraulic Filter Restriction
- H4 - Indicator Light, Engine Coolant Temperature
- K6 - Relay, Alarm Circuit
- K7 - Relay, Horn
- S3 - Switch, Air Intake Restriction
- S4 - Switch, Engine Oil Pressure
- S5 - Switch, Hydraulic Filter Restriction
- S6 - Switch, Engine Coolant Temperature
- S7 - Switch, Alarm Cancel
- V2 - Diode, Air Intake Restriction
- V3 - Diode, Engine Oil Pressure
- V4 - Diode, Hydraulic Filter Restriction
- V5 - Diode, Engine Coolant Temperature

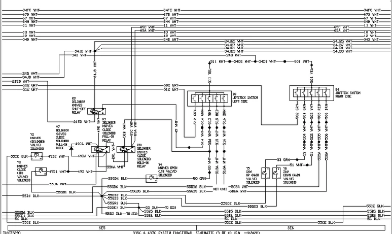
- B3 - Joystick Switch Left
- B4 - Joystick Switch Right
- K8 - Relay, Delimber Knives Shutoff
- K9 - Relay, Delimber Knives Close Solenoid Pull-in
- K10 - Relay, Delimber Knives Close Solenoid Hold-in
- V7 - Diode, Delimber Knives Close Solenoid Pull-in Relay
- Y2 - Solenoid, Knives—Delimber Valve
- Y3 - Solenoid, Knives Close—Main Valve
- Y4 - Solenoid, Knives Open—Main Valve
- Y5 - Solenoid, Saw Up—Main Valve
- Y6 - Solenoid, Saw Down—Main Valve

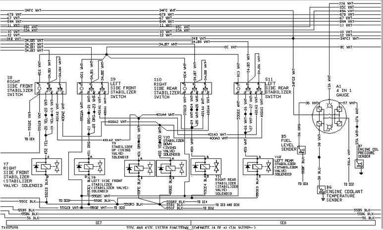
- A1 - Gauge, 4 in 1
- B5 - Sender, Fuel Level
- B6 - Sender, Engine Coolant Temperature
- B7 - Sender, Engine Oil Pressure
- S8 - Switch, Right Front Stabilizer
- S9 - Switch, Left Front Stabilizer
- S10 - Switch, Right Rear Stabilizer
- S11 - Switch, Left Rear Stabilizer
- Y7 - Solenoid, Right Front Stabilizer—Stabilizer Valve
- Y8 - Solenoid, Left Front Stabilizer—Stabilizer Valve
- Y9 - Solenoid, Stabilizer Up—Swing Valve
- Y10 - Solenoid, Stabilizer Down—Swing Valve
- Y11 - Solenoid, Right Rear Stabilizer—Stabilizer Valve
- Y12 - Solenoid, Left Rear Stabilizer—Stabilizer Valve

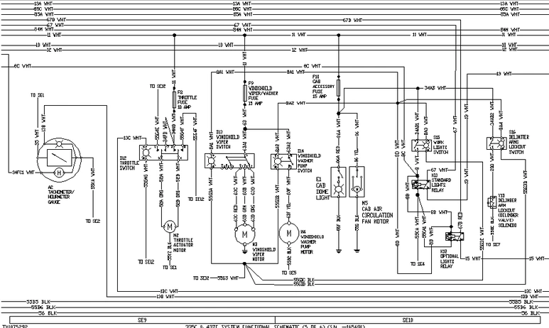
- A2 - Gauge, Tachometer / Hourmeter
- E1 - Light, Cab Dome
- F8 - Fuse, Throttle 10 amp
- F9 - Fuse, Windshield Wiper / Washer 15 amp
- F10 - Fuse, Cab Accessory 15 amp
- K11 - Relay, Standard Lights
- K12 - Relay, Optional Lights
- M2 - Motor, Throttle Actuator
- M3 - Motor, Windshield Wiper
- M4 - Motor, Windshield Washer Pump
- M5 - Motor, Cab Air Circulation Fan
- S12 - Switch, Throttle
- S13 - Switch, Windshield Wiper
- S14 - Switch, Windshield Washer Pump
- S15 - Switch, Work Lights
- S16 - Switch, Delimber Arms Lockout
- Y13 - Solenoid, Delimber Arms Lockout—Delimber Valve

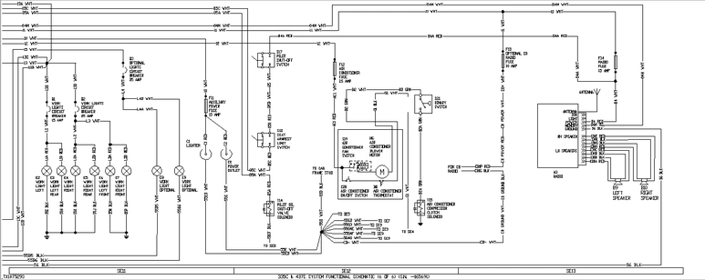
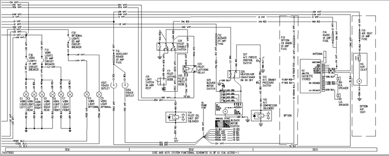
- A3 - Radio
- B8 - Thermostat, Air Conditioner
- B9 - Speaker, Radio Right
- B10 - Speaker, Radio Left
- C1 - Lighter
- C2 - Power Outlet
- E2 - Light, Work Left
- E3 - Light, Work Left Rear
- E4 - Light, Work Right
- E5 - Light, Work Right Rear
- E6 - Light, Work Left Front
- E7 - Light, Work Right Front
- E8 - Light, Work Optional
- E9 - Light, Work Optional
- F11 - Fuse, Auxiliary Power 15 amp
- F12 - Fuse, Air Conditioner 25 amp
- F13 - Fuse, CB Radio Option 10 amp
- F14 - Fuse, Radio 15 amp
- M6 - Motor, Air Conditioner Blower
- Q1 - Circuit Breaker, Work Lights
- Q2 - Circuit Breaker, Work Lights
- Q3 - Circuit Breaker, Optional Lights
- S17 - Switch, Pilot Shutoff
- S18 - Switch, Seat Armrest Limit (Pilot Shutoff)
- S19 - Switch, Air Conditioner Fan
- S20 - Switch, Air Conditioner On/Off
- S21 - Switch, Air Conditioner High/Low (Binary) Pressure
- Y14 - Solenoid, Pilot Shutoff Valve
- Y15 - Solenoid, Air Conditioner Compressor Clutch
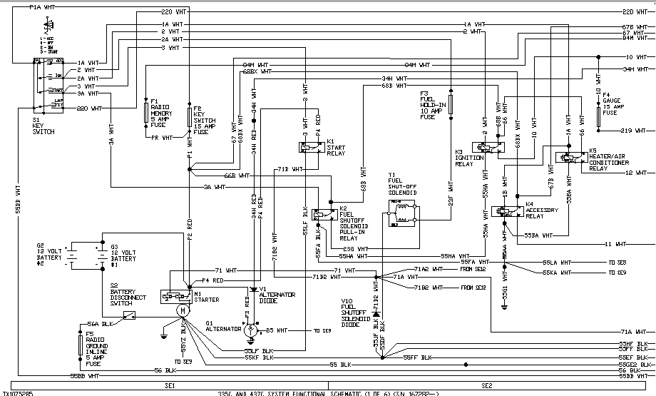
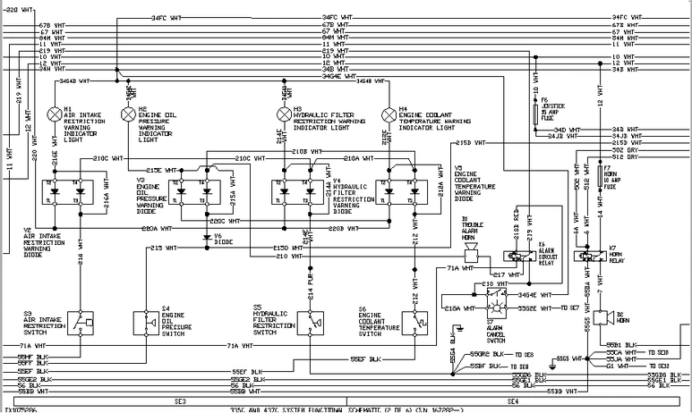
(S.N. 167282— )
- F1 - Fuse, Radio Memory 5 amp
- F2 - Fuse, Key Switch 15 amp
- F3 - Fuse, Fuel Hold-in 10 amp
- F4 - Fuse, Gauge 15 amp
- F5 - Fuse, Radio Ground Inline 5 amp
- G1 - Alternator
- G2 - Battery
- G3 - Battery
- K1 - Relay, Start
- K2 - Relay, Fuel Shutoff Solenoid Pull-in
- K3 - Relay, Ignition
- K4 - Relay, Accessory
- K5 - Relay, Heater and Air Conditioner
- M1 - Motor, Starter
- S1 - Switch, Key
- S2 - Switch, Battery Disconnect
- V1 - Diode, Alternator
- V10 - Diode, Fuel Shutoff
- Y1 - Solenoid, Fuel Shutoff
- B1 - Horn, Trouble Alarm
- B2 - Horn
- F6 - Fuse, Joystick 15 amp
- F7 - Fuse, Horn 10 amp
- H1 - Indicator Light, Air Intake Restriction
- H2 - Indicator Light, Engine Oil Pressure
- H3 - Indicator Light, Hydraulic Filter Restriction
- H4 - Indicator Light, Engine Coolant Temperature
- K6 - Relay, Alarm Circuit
- K7 - Relay, Horn
- S3 - Switch, Air Intake Restriction
- S4 - Switch, Engine Oil Pressure
- S5 - Switch, Hydraulic Filter Restriction
- S6 - Switch, Engine Coolant Temperature
- S7 - Switch, Alarm Cancel
- V2 - Diode, Air Intake Restriction
- V3 - Diode, Engine Oil Pressure
- V4 - Diode, Hydraulic Filter Restriction
- V5 - Diode, Engine Coolant Temperature

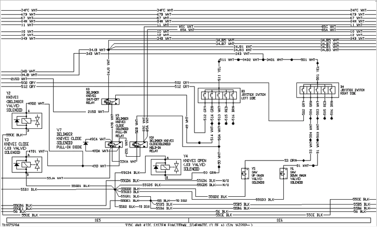
- B3 - Joystick Left (Multi-Function Control Lever)
- B4 - Joystick Right (Multi-Function Control Lever)
- K8 - Relay, Delimber Knives Shutoff
- K9 - Relay, Delimber Knives Close Solenoid Pull-in
- K10 - Relay, Delimber Knives Close Solenoid Hold-in
- V7 - Diode, Delimber Knives Close Solenoid Pull-in Relay
- Y2 - Solenoid, Knives (Delimber Valve)
- Y3 - Solenoid, Knives Close (Main Valve)
- Y4 - Solenoid, Knives Open (Main Valve)
- Y5 - Solenoid, Saw Up (Main Valve)
- Y6 - Solenoid, Saw Down (Main Valve)

- A1 - Gauge, 4-in-1
- B5 - Sender, Fuel Level
- B6 - Sender, Engine Coolant Temperature
- B7 - Sender, Engine Oil Pressure
- S8 - Switch, Right Front Stabilizer
- S9 - Switch, Left Front Stabilizer
- S10 - Switch, Right Rear Stabilizer
- S11 - Switch, Left Rear Stabilizer
- Y7 - Solenoid, Right Front Stabilizer (Stabilizer Valve)
- Y8 - Solenoid, Left Front Stabilizer (Stabilizer Valve)
- Y9 - Solenoid, Stabilizer Up (Swing Valve)
- Y10 - Solenoid, Stabilizer Down (Swing Valve)
- Y11 - Solenoid, Right Rear Stabilizer (Stabilizer Valve)
- Y12 - Solenoid, Left Rear Stabilizer (Stabilizer Valve)

- A2 - Gauge, Tachometer and Hourmeter
- E1 - Light, Cab Dome
- F8 - Fuse, Throttle 10 amp
- F9 - Fuse, Windshield Wiper / Washer 15 amp
- F10 - Fuse, Cab Accessory 15 amp
- K11 - Relay, Standard Lights
- K12 - Relay, Optional Lights
- M2 - Motor, Throttle Actuator
- M3 - Motor, Windshield Wiper
- M4 - Motor, Windshield Washer Pump
- S12 - Switch, Throttle
- S13 - Switch, Windshield Wiper
- S14 - Switch, Windshield Washer Pump
- S15 - Switch, Work Lights
- S16 - Switch, Delimber Arms Lockout
- Y13 - Solenoid, Delimber Arms Lockout (Delimber Valve)

- A3 - Radio
- A6 - Seat, Air
- B9 - Speaker, Radio Right
- B10 - Speaker, Radio Left
- E2 - Light, Work Left
- E3 - Light, Work Left Rear
- E4 - Light, Work Right
- E5 - Light, Work Right Rear
- E6 - Light, Work Left Front
- E7 - Light, Work Right Front
- E8 - Light, Work (Optional)
- E9 - Light, Work (Optional)
- F11 - Fuse, Auxiliary Power 15 amp
- F12 - Fuse, Blower Motor 25 amp
- F13 - Fuse, CB Radio Option 10 amp
- F14 - Fuse, Radio 15 amp
- F18 - Fuse, Air Seat 20 amp
- F30 - Circuit Breaker, Work Lights
- F31 - Circuit Breaker, Work Lights
- F32 - Circuit Breaker, Optional Lights
- K22 - Relay, Pilot Latching
- S18 - Switch, Seat Armrest Limit (Pilot Shutoff)
- S21 - Switch, Air Conditioner High/Low (Binary) Pressure
- S25 - Switch, Blower Motor
- S26 - Switch, Heater and Air Conditioner On or Off
- S27 - Switch, Air Conditioner Freeze Control
- S28 - Switch, Pilot Enable
- V9 - Diode, Pilot Latching
- V15 - Diode, Pilot Press
- X215 - Outlet, Power
- X216 - Outlet, Power
- Y14 - Solenoid, Pilot Shutoff Valve
- Y15 - Solenoid, Air Conditioner Compressor Clutch



