Двигатель фронтального погрузчика NEW HOLLAND -
EDC 7 Common Rail

A – Injectors connector B – Connector for power input and functions provided for in the application C – Sensors connector
The control unit is installed on flexible mounts to reduce vibration transmitted by the engine. It is installed over a fuel heat exchanger which limits the engine heat transmitted to the controller.
The unit is supplied with power by a 20 A fuse. The main relay normally used to supply the system is located inside the control unit.
Injectors connector (A)

ECU PIN WIRE COLOR FUNCTION
1 - -
2 - -
3 RU – Red/Blue Cylinder 2 injector
4 WP – White/Purple Cylinder 3 injector
5 WV – White/Blue??? Cylinder 4 injector
6 RW – Red/White Cylinder 2 injector
7 - Ground
8 - Ground
9 RG – Red/Green Cylinder 1 injector
10 UN – Blue/Brown Cylinder 6 injector
11 UG – Blue/Green Cylinder 5 injector
12 WR – White/Red Cylinder 3 injector
13 RY – Red/Yellow Cylinder 1 injector
14 W – White Cylinder 4 injector
15 UO – Blue/Orange Cylinder 6 injector
16 UY – Blue/Yellow Cylinder 5 injector
Color key
B black
R red
U blue
W white
P purple
G green
N brown
Y yellow
O orange
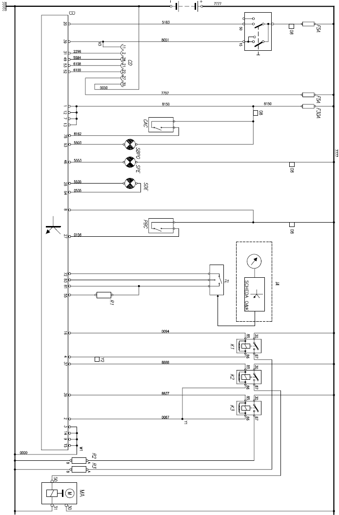
Connector (B) for component power supplies and for the functions specified in the application

Pin ECU CABLE FUNCTION
1 8150 Direct positive from battery
2 0087 Negative for fuel filter heating / starter engine contactor
3 0000 Ground
4 8885 Positive for pre-post heating resistor
7 8150 Direct positive from battery
8 7777 Positive for blink code button / oil low pressure light/ pre-heating light/conditioned air switch (•) / EDC unit
9 0000 Ground
12 8150 Direct positive from battery
13 8150 Direct positive from battery
14 0000 Ground
15 0000 Ground
16 0094 Negative for pre-post heating resistor
19 0150 Negative for start/stop from engine compartment (••) / accelerator pedal pressed (••) buttons
20 8153 Positive from key switch in start phase (+50)
27 0156 Positive from blink code button
28 5535 Positive for EDC diagnostics light
- (•) F4AE0684H − E (O & K application)
- (••) F4AE0684F (Fiat Hitachi application)
31 2298 Line K for 30-pin diagnosis connector (pin 2)
36 8837 Positive for fuel filter heater relay
37 8888 Positive for starter motor
39 8051 Positive from key switch (+15) / Line L for 30-pin diagnosis connector (pin 11)
44 9905 Positive from start from engine compartment button (••)
45 9906 Positive from stop from engine compartment button (••)
46 5553 Negative for pre-heating ON light
49 5584 Diagnosis connector (pin 28)
52 6109 CAN line, diagnosis connector (pin 22)
53 6108 CAN line, diagnosis connector (pin 21)
55 5158 Positive for accelerator pedal position sensors (••) / positive multiswitch (•)
63 5503 Negative for engine oil low pressure light
64 0535 Negative for EDC diagnosis light
72 0159 Negative from accelerator pressed switch (••)/ multiswitch signal (•)
73 0159 Redundant negative from accelerator pressed switch (••)
78 8162 Negative for air conditioning control signal(•) (if equipped)
81 0157 Negative for accelerator pedal position sensor (••) / Ground multiswitch (•)
83 5157 Signal from accelerator pedal position sensor (••) / multiswitch signal (•)
- COLOR. 1 – Blue 2 – White 3 – Yellow 4 – Grey 5 – Orange
- CODE No. 6 – Violet 7 – Red 8 – Green 9 – Pink 0 – Brown
- (•) F4AE0684H − E (O & K application)
- (••) F4AE0684F (Fiat Hitachi application)
Sensors connector (C)

ECU PIN WIRE COLOUR FUNCTION
2 - -
4 - -
5 NW – Brown/White Negative for pressure regulator
7 NP – Brown/Purple Positive for pressure regulator
9 PY – Purple/Yellow Positive for engine oil pressure/temperature sensor
10 NY – Brown/Yellow Positive for air pressure/temperature sensor
12 GY – Green/Yellow Positive for rail pressure sensor
17 YR – Yellow/Red Negative for fuel temperature sensor
18 YN – Yellow/Brown Negative for coolant temperature sensor
19 PN - Purple/Brown Negative for engine oil temperature/pressure sensor
20 GN – Green/Brown Negative for rail pressure sensor
21 N – Brown Positive for air pressure/temperature sensor
23 U – Blue Camshaft sensor
24 U – Blue Crankshaft sensor
25 R – Red Crankshaft sensor
27 GO – Green/Orange Rail pressure sensor signal
28 NG – Brown/Green Air pressure sensor signal
29 UO – Blue/Orange Air temperature signal
30 R – Red Camshaft sensor
31 - -
32 - -
33 PO – Purple/Orange Engine oil temperature sensor signal
34 YU – Yellow/Blue Fuel temperature sensor positive
35 PG – Purple/Green Engine oil pressure sensor signal
36 YO – Yellow/Orange Coolant temperature sensor positive
Key to electric/electronic components
K1 = Intake air pre-post heater relay
K2 = Intermediate starter motor relay
K3 = Fuel filter heater relay
J1 – J2 – J3 = Electro-injectors, cylinders 1, 2, 3 respectively
J4 – J5 – J6 = Electro-injectors, cylinders 4, 5, 6 respectively
J7 = High pressure regulating solenoid valve on high pressure pump
J8 = Crankshaft speed/timing shaft sensor
J9 = Camshaft speed/timing sensor
J10 = High pressure sensor on common rail
J11 = Intake air pressure sensor
J12 = Oil pressure sensor
J13 = Engine cooling fluid temperature sensor
J14 = Fuel temperature sensor
J15 = Accelerator pedal
AVM= Switch for starting from engine compartment (••) (if equipped)
CAC = Air conditioning switch (•) (if equipped)
CD = 30-pin diagnosis switch?
IA = Bodybuilder system?
LC = CAN line
PBC = Blink code button
SBPO = Low oil pressure light
SDE = EDC diagnosis light
SPE = Pre-heating light
SVM = Switch for stopping from engine compartment (••) (if equipped)
TL = Torque limiter multiswitch (•) (if equipped)
MA = Engine starter
R1 = EDC load simulation resistor
R2 = Fuel heater grid
R3 = Pre-post heater grid
- (•) F4AE0684H − E (O &K applications)
- (••) F4AE0684F (Fiat Hitachi application)
Common Rail Next Generation Engines
A ÷ C connector diagram (all applications)

F4AE0684F (B) connector diagram

F4AE0684H – E (B) connector diagram (O & K applications)

Просматривать и распечатывать в высоком качесте полную информацию -
могут только пользователи