Подогреватель жидкостный ПЖД12 и его модификации
Подогреватель жидкостный дизельный семейства ПЖД12Б работает независимо от двигателя транспортного средства, и подключается к его системе охлаждения, системе питания топливом и электрооборудованию. Предназначен для предпускового разогрева дизельных двигателей и автоматического поддержания оптимальной температуры жидкости в системах охлаждения и
отопления автомобилей.

Котёл подогревателей ПЖД12Б-1015006-10; ПЖД12Б-1015006-20.
1 - теплообменник; 2 - горелка; 3 - нагнетатель воздуха; 4 - свеча накаливания; 5 - дополнительное
сопротивление; 6 - индикатор пламени; 7 - термопредохранитель; 8 - датчик температуры;
9 - подводящий патрубок; 10 - отводящий патрубок; 11 - завихритель пламени; 12 - выхлопной
патрубок; 13-топливный насос; 14-жгут.

Котел подогревателя ПЖД12Б-1015006-20 (без дополнительного сопротивления)
1 - теплообменник; 2 - горелка; 3 - нагнетатель воздуха; 4 - свеча накаливания; 5 - индикатор пламени;
6 - термопредохранитель; 7 - датчик температуры; 8 - подводящий патрубок; 9 - отводящий патрубок;
10 - завихритель пламени; 11 - выхлопной патрубок; 12 - топливный насос; 13 - насадок;
14 - стабилизатор пламени; 15 - жгут.

Детали и узлы, входящие в подогреватели ПЖД12Б-1015006-10; ПЖД12Б-1015006-20.

Детали и узлы, входящие в подогреватель ПЖД12Б-1015006-20 (без дополнительного сопротивления).




Основные узлы подогревателя, их назначение и характеристики.
Горелка испарительного типа, предназначена для создания необходимых условий, обеспечивающих полное сгорание подаваемого топлива.
Потребляемое топливо - дизельное по ГОСТ 305-82.
Расход топлива, кг/ч (л/ч), не более 1,3 (1,6)

Сопротивление дополнительное 5,5 Ом для снижения оборотов нагнетателя воздуха при работе подогревателя на частичном режиме.

Индикатор пламени контролирует процесс горения в течение всего времени работы подогревателя. Контроль осуществляет фоторезистор, изменяющий сопротивление в зависимости от силы света пламени. Световое сопротивление индикатора пламени при освещении 200лк и температуре 20°С не
должно быть более 3,3кОм. При не освещенном чувствительном элементе, его сопротивление не менее 200 мОм.

Свеча накаливания обеспечивает воспламенение топливной смеси от раскаленной спирали во время пуска подогревателя.
Величина потребляемого свечой тока не более 11А при напряжении 20В.

Завихритель служит для смешивания топливовоздушной смеси и обеспечивает догорание топлива за счет увеличения длины пути горящего топливовоздушного потока.

Теплообменник предназначен для передачи тепла от раскаленного горящего топливовоздушного потока к охлаждающей жидкости, циркулирующей в жидкостной рубашке подогревателя, одновременно является несущей конструкцией всего подогревателя.

Нагнетатель воздуха подает воздух в горелку для обеспечения горения на полном и частичном режиме. Привод - электрический, от электродвигателя с закрепленной на его валу крыльчаткой ротационного нагнетателя воздуха.
На всасывающее отверстие для защиты от грязи устанавливается крышка воздухозаборника.
- Номинальное напряжение 24В
- Потребляемый ток, не более 3,2А
- Производительность насоса 20 м3/ч
- Статистический напор, не менее 650 мм.вд.ст.
- Номинальная частота вращения 10600 мин -1

Термопредохранитель биметаллический отключает подогреватель в аварийной ситуации, при достижении температуры 103°С. Возврат в исходное положение, при остывании жидкости до температуры ниже 30°С, производится нажатием на расположенную на нем кнопку.

Датчик температуры служит для контроля температуры нагреваемой жидкости и представляет собой термосопротивление.

Насос топливный электромагнитный плунжерный, осуществляет дозированное снабжение подогревателя топливом. Изменением частоты подаваемых на электромагнит импульсов обеспечивается двухрежимная подача топлива.
Подаваемый расход топлива, кг/ч, (л/ч), не более полный режим 1,3 (1,6) частичный режим 0,6(0,7)
Применяемое топливо - дизельное по ГОСТ 305-82 в зависимости то температуры воздуха. Допускается применять смесь 50% зимнего дизельного топлива и 50% бензина или керосин.
Число импульсов, имп/мин
- полный режим 400
- частичный режим 160
Номинальное напряжение питания, В 24
Потребляемый ток, А, не более 1

Блок управления служит для автоматического управления работой подогревателя. Он обеспечивает автоматически следующие операции:
- начальную диагностику узлов подогревателя при запуске в течение 10 с после включения;
- режим розжига при первоначальном запуске и при переходе из режима остывания (осуществляется только при температуре ниже 48°С) ;
- плавный переход на полный режим, по окончании режима розжига или при понижении температуры охлаждающей жидкости ниже 48°С во время работы подогревателя на частичном режиме;
- плавный переход на частичный режим с полного при достижении температуры охлаждающей жидкости 70°С;
- переход в режим остывания при достижении температуры охлаждающей жидкости 80°С;
- режим выключения (при завершении работ или обнаружении неисправности);
- импульсное питание свечи при напряжении питания выше 24В;
- изменение частоты импульсов топливного насоса в зависимости от напряжения электропитания;
- плавное изменение частоты импульсов топливного насоса и оборотов двигателя нагнетателя воздуха при переходах с режима на режим;
- 30-секундный дожиг свечи после отключения подогревателя;
- повторный цикл розжига при не запуске подогревателя в течение 180 с, и отключение подогревателя в случае повторного неудачного розжига;
- по достижению охлаждающей жидкости 40°С, выдается сигнал на таймер-терморегулятор для включения вентилятора отопителя кабины;
Ведет постоянный контроль за:
- исправностью датчика температуры;
- срабатыванием термопредохранителя;
- исправностью индикатора пламени;
- срывом пламени на полном или частичном режимах
- исправностью свечи накаливания;
- исправностью нагнетателя воздуха;
- превышением времени запуска;
- исправностью топливного насоса;
- исправностью электродвигателя с насосом ( жидкостного электронасоса);
- изменением питания напряжения (предупреждает о понижении напряжении питания до 20В, производит отключение при понижении напряжения питания ниже 19В или повышении выше 30В);
При обнаружении неисправности в работе подогревателя БУ исполняет программу завершения работы. При этом на экране индикатора таймера высвечивается мигающий символ “Е” и код неисправности.

Перечень возможных неисправностей подогревателя.



Таймер-терморегулятор служит для включения подогревателя и поддержания заданной температуры в салоне автомобиля и обеспечивает:
- индикацию и редактирование текущего времени и дня недели;
- ручное включение и выключение подогревателя;
- установку времени работы подогревателя и автоматическое отключение его через заданный промежуток времени ;
- программирование двух независимых времен включения подогревателя и автоматическое включение подогревателя в первое из двух предварительно программируемых времен;
- цифровую индикацию кода неисправности;
- автоматическое включение вентилятора отопителя кабины при достижении температуры охлаждающей жидкости 40°С. Поддержание заданной температуры в кабине автомобиля и регулировку в интервале от 10°С до 30°С;
- переход в режим пониженного энергопотребления и выход из него.

Жидкостный электронасос обеспечивает циркуляцию теплоносителя в охлаждающем контуре автомобиля и подогревателя.
Производительность 1600л/ч, потребляемый ток 1,9А при напряжении 24В и перепаде давления между входом и выходом из насоса 0,015МПа. Рабочая жидкость-антифриз по ГОСТ159-52, тосол по ГОСТ 28084-89. В исключительных случаях допускается применение воды при обеспечении потребителем ее
не замерзания.

Работа подогревателя.
Включение, розжиг.
Однократным нажатием кнопки “ПРОГРЕВ” на таймере произвести запуск подогревателя.
После завершения предварительной диагностики (10с), БУ исполнит программу розжига.
Подогреватель запускается на частичном режиме с последующим плавным переходом на полный режим.
При достижении температуры охлаждающий жидкости в подогревателе 40ОС, автоматически включается вентилятор отопителя салона автомобиля. В зависимости от интенсивности съема тепла, БУ задает режимы работы подогревателя в соответствии с графиком (рисунок ниже).

При съеме тепла 12 кВт и более, подогреватель работает на «полном» режиме с нагревом охлаждающей жидкости не выше 70ОС.
При съеме тепла менее 12 кВт, но более 5 кВт подогреватель работает на «полном» режиме до достижения температуры охлаждающей жидкости 70ОС, после этого БУ переведет подогреватель в «частичный» режим до остывания, при понижении температуры охлаждающей жидкости до 48ОС и ниже БУ вновь переведет подогреватель в «полный» режим работы, и далее, при стабильном
съеме тепла подогреватель работает в «цикличном» режиме.
При съеме тепла меньше 5 кВт подогреватель в начале работает на полном режиме, а когда температура охлаждающей жидкости достигнет 70°С, БУ переключит его на частичный режим, но так как съем тепла невелик, температура охлаждающей жидкости повышается до 80°С и БУ переводит подогреватель в режим остывания. В режиме остывания жидкостный электронасос перекачивает
жидкость по системе охлаждения двигателя пока ее температура не достигнет 48°С, после чего БУ переводит подогреватель в режим розжига и происходит цикличная работа подогревателя.
Выключение.
Для принудительного выключения подогревателя следует нажать кнопку “ПРОГРЕВ” таймера. БУ отключит топливный насос, а жидкостный электронасос и нагнетатель воздуха работают в полном режиме в течение 120-180с (процесс продувки). После отключения продувки БУ отключит жидкостный электронасос и нагнетатель воздуха, таймер переходит в режим индикации текущего времени и через 15 с экран индикатора таймера гаснет.

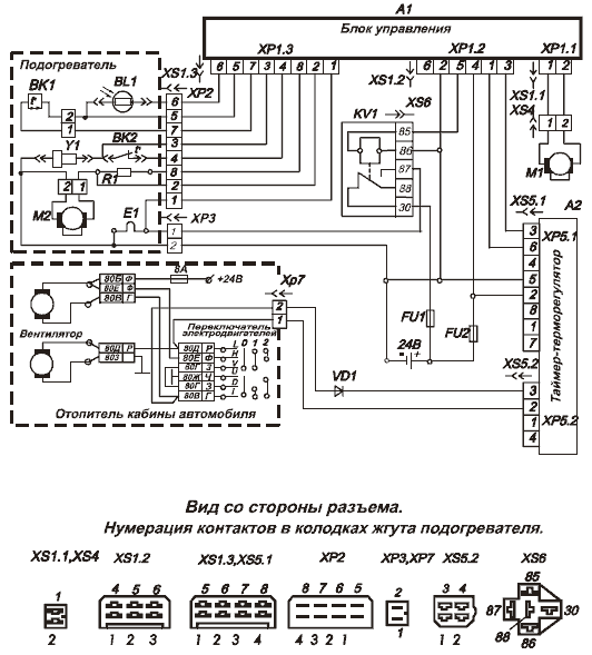
Схема электрическая принципиальная ПЖД 12Б-1015006-10.
ВК1 - Датчик температуры,
ВК2 - Термопредохранитель,
BL1 - Индикатор пламени,
E1 - Свеча 20В,
FU1 - Предохранитель цепи свечи 20А,
FU2 - Предохранитель 10А,
KV1 - Реле терморегулятора,
М1 - Электронасос жидкостный,
М2 - Нагнетатель воздуха,
R1 - Сопротивление частичного режима нагнетателя воздуха,
ХР2, ХР3 - Колодки штыревые,
XS5 - Колодка гнездовая,
Y1 - Насос топливный электромагнитный.

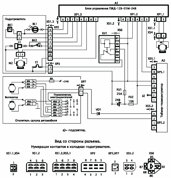
Схема электрическая принципиальная ПЖД 12Б-1015006-20.
А1 - Блок управления,
ВК1 - Датчик температуры,
ВК2 - Термопредохранитель,
ВИ - Индикатор пламени,
Е1 - Свеча,
FU1 - Предохранитель 25А,
FU2 - Предохранитель 10А,
KV1 - Реле 24В,
М1 - Электродвигатель с насосом,
М2 - Нагнетатель,
R1 - Сопротивление дополнительное 5,5 Ом,
Колодки соединительные:
XS1.1, XS4 - Гнездовая 602602,
XS1.2 - Гнездовая 602606,
XS1.3, XS5.1 - Гнездовая 6002608,
XP2 - Штыревая 502608,
XP3, XP7 - Штыревая 502602,
XS5.2 - Гнездовая 602604,
XS6 - Гнездовая 607605,
VD1 - Диод,
Y1 - Электронасос топливный 24В.

Схема электрическая принципиальная подогревателя ПЖД12Б-1015006-20
(без дополнительного сопротивления)
ВК1-Датчик температуры,
ВК2-Термопредохранитель,
БИ-Индикатор пламени,
Е1-Свеча, 20В,
FU1,FU2-Предохранители,
KV1-Реле,24В,
М1-Электродвигатель с насосом,
М2-Нагнетатель воздуха, 24В,
Колодки соединительные:
XS1.1-XS1.3,XS4,XS5.1,XS5.2,
XS6-Гнездовые,
XP2,XP3,XP7-Штыревые,
VD1-Диод,
Y1-Электронасос топливный,24В.

Схема подключения подогревателя
1 - радиатор системы охлаждения автомобиля; 2 - термостат охлаждающей жидкости; 3 - автомобильный водяной насос; 4 - теплообменник системы отопления; 5 - аккумуляторная батарея; 6 - вентилятор системы отопления; 7 - выключатель вентилятора; 8 - блок предохранителей; 9 - подогреватель; 10 - электродвигатель с насосом; II - топливопровод; 12 - электромагнитный топливный насос; 13 - топливный фильтр; 14 - таймер-терморегулятор; 15 - блок управления работой подогревателя; 1 6 -реле управления работой вентилятора системы отопления; 18 - топливный бак автомобиля; 19 - бачок топливный; 20 - кран питания подогревателя топливом.

Жгут подогревателей ПЖД12Б-1015006-10; ПЖД12Б-1015006-20

Жгут подогревателя ПЖД12Б-1015006-20(без дополнительного сопротивления)