Элетросхемы управления переключением передач GS (AGS) Atego II
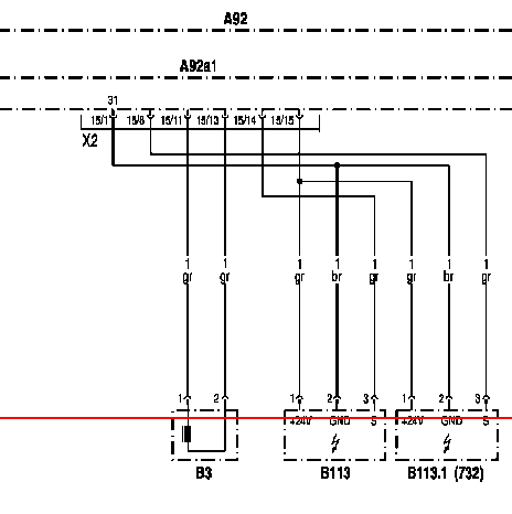
Датчики числа оборотов

- А92: Блок управления AGS система автоматического управления переключением передач
- А92а1: Блок управления AGS система автоматического управления переключением передач
- ВЗ: Датчик числа оборотов 'Промежуточный вал'
- В11З: Датчик числа оборотов 'Выход КГГ
- В113.1: Датчик числа оборотов 'Выход КГГ
- Х2: Штекер (15-контактный)
- (732): Раздаточная коробка присутствует
Датчики перемещения

- А92: Блок управления AGS система автоматического управления переключением передач
- А92а1: Блок управления AGS система автоматического управления переключением передач
- В2: Датчик 'Сцепление' (SKU)
- В60: Датчик 'Передача' (SGG)
- В61: Датчик 'Коридор передач' (SGE)
- Х2: Штекер (15-контактный)
Клемма 30-1

- А92: Блок управления AGS система автоматического управления переключением передач
- А92а1: Блок управления AGS система автоматического управления переключением передач
- A92m1: Электромотор насоса
- F82: Предохранитель для клеммы 30
- G1: Аккумуляторная батарея
- W3: Точка массы в моторном отсеке
- ХЗ: Штекер (2-контактный)
- (273): Электропитание
Клемма 30-2

- АЗ: FR система управления движением
- А92: Блок управления AGS система автоматического управления переключением передач
- А92а1: Блок управления AGS система автоматического управления переключением передач
- F28: Предохранитель
- J23: Спаечный соединитель проводов
- S61: Таймер
- XI: Штекер (21-контактный)
- Х2.2: Штекерное соединение 'Кабина водителя-шасси'
Клемма 15

- А1: Блоки предохранителей
- А92: Блок управления AGS система автоматического управления переключением передач
- А92а1: Блок управления AGS система автоматического управления переключением передач
- F47: Предохранитель 'Клемма 15'
- J21: Спаечный соединитель проводов KL15
- J49: Спаечный соединитель проводов KL31
- К37: Реле Система регулирования рабочего числа оборотов
- Р4: Комбинация приборов
- W2.1: Точка массы Кл. 31 (масса блоков управления)
- Х2.2: Штекерное соединение 'Кабина водителя-шасси'
- XI: Штекер (21-контактный)
- (473): Штуцер вторичных потребителей
Клемма 31

- А92: Блок управления AGS система автоматического управления переключением передач
- А92а1: Блок управления AGS система автоматического управления переключением передач
- W3: Точка массы в моторном отсеке
Соединение по CAN с блоком управления FR система управления движением

- АЗ: FR система управления движением
- А92: Блок управления AGS система автоматического управления переключением передач
- А92а1: Блок управления AGS система автоматического управления переключением передач
- XI: Штекер (21-контактный)
- Х2.2: Штекерное соединение 'Кабина водителя-шасси'
- Х4.2: Штекерное соединение 'Кабина водителя-шасси'
- (312): Провода скручены.
МТСО модульный тахограф

- А22: Блок управления PSM параметрируемый спецмодуль
- А92: Блок управления AGS система автоматического управления переключением передач
- А92а1: Блок управления AGS система автоматического управления переключением передач
- РЗ: МТСО модульный тахограф
- XI: Штекер (21-контактный)
- Х2.2: Штекерное соединение 'Кабина водителя-шасси'
- 350: На выбор в зависимости от исполнения
- 805: Блок управления Навигационная система "Автопилот" APS присутствует.
- 806: Блок управления PSM параметрируемый спецмодуль присутствует.
Модуль рычага переключения

- АЗ: FR система управления движением
- А93: Модуль рычага переключения
- A93sl: Основной рычаг UP
- A93s2: Основной рычаг DOWN
- A93s3: Клавиша Функция
- A93s4: Клавиша Нейтраль
- A93s5: Выключатель автоматического переключения
- XI: Штекер (9-контактный)
- Х2.1: Штекерное соединение 'Кабина водителя-шасси'
- Х2.2: Штекерное соединение 'Кабина водителя-шасси'
Диагностический разъём

- А92: Блок управления AGS система автоматического управления переключением передач
- А92а1: Блок управления AGS система автоматического управления переключением передач
- J34: Спаечный соединитель проводов
- XI: Штекер (21-контактный)
- Х13: Диагностический разъём
- Х2.2: Штекерное соединение 'Кабина водителя-шасси'
- (63): Диагностический провод
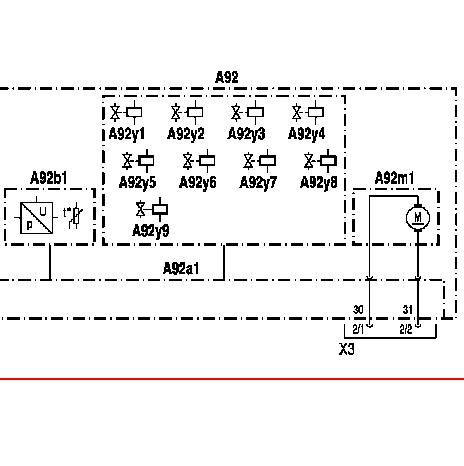
Электромагнитные клапаны

- А92: Блок управления AGS система автоматического управления переключением передач
- А92а1: Блок управления AGS система автоматического управления переключением передач
- А92у1: Электромагнитный клапан 'Коридор передач LOW'
- А92у2: Электромагнитный клапан 'Коридор передач HIGH'
- А92уЗ: Электромагнитный клапан 'Чётная передача'
- А92у4: Электромагнитный клапан 'Нечётная передача'
- А92у5: Электромагнитный клапан 'Модуляция давления'
- А92уб: Электромагнитный клапан 'Выключить сцепление' 1
- А92у7: Электромагнитный клапан 'Выключить сцепление' 2
- А92у8: Электромагнитный клапан 'Включить сцепление' 1
- А92у9: Электромагнитный клапан 'Включить сцепление' 2
- А92b1: Датчик давления
- A92m1: Гидравлический насос
- ХЗ: Штекер (2-контактный)