TEBS G2 Knorr - Bremse
(сервисое обучение персонала)

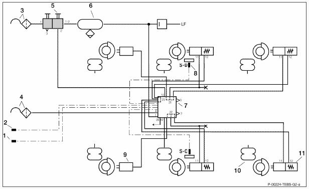
Компоненты
Соединительная головка с интегрированным фильтром

KU 14.. Соединительная головка с встроенным магистральным фильтром
Две функции:
- Соединительная головка и
- Магистральный фильтр
Контрольный вывод согласно ISO/DIN 3583 на соединительной головке управляющей магистрали
Поворотная крышка снизу служит для очистки фильтра

Преимущества
- Простое обслуживание и замена фильтра
- Малое количество компонентов
- Требуется меньше места
- Проще и быстрее монтировать

Комбинированные головки соединения для прицепов
Комбинированная головка
- 2 соединительные головки и
- 2 магистральных фильтра в одном узле
Преимущества
- Простота проверки и очищение фильтра.
- Подача воздуха без снижения давления при загрязненном фильтре также гарантирована, нет риска
- остаточного давления.
- Упрощенная сборка, управляющая и питающая магистраль подключаются за одно движение

Комбинированный клапан стояночного тормоза с функцией воздухораспределителя

AE431… – Комбинированный клапан стояночного тормоза с функцией воздухораспределителя
Применение
AE431… установлен на прицепе подключен к стояночной тормозной системе.
Функции
- Автоматическое срабатывание энергоаккумуляторов в случае неисправностей в питающей магистрали или отсоединения прицепа (сброс воздуха из энергоаккумуляторов).
- Приоритетное заполнение воздушных ресиверов (SBS, PBS).
- Сохранение давления в воздушных ресиверах при отсоединении прицепа.

Применение
Черная рукоятка используется для быстрой подачи и сброса воздуха энергоаккумуляторов при
отсоединенном прицепе.
Красная рукоятка с механизмом блокировки используется для подачи и сброса воздуха энергоаккумуляторов при подсоединенном или отсоединенном прицепе.

Варианты
- Комбинированный клапан с функцией воздухораспределителя
- Комбинированный клапан с функцией воздухораспределителя и перепускным клапаном

Функция интегрированного перепускного клапана
Порядок открытия:
Только когда тормозная система будет частично заполнена (6 бар) сжатый воздух будет подаваться в
систему дополнительных потребителей (пневматическая подвеска, подъемная ось).
Защита давления:
Клапан предотвращает падение давление в тормозной системе в случае утечки воздуха в дополнительных контурах.

Движение

Питающая магистраль отсоединена

Питающая магистраль отсоединена
включена функция воздухораспределения

Питающая магистраль подсоединена
функция воздухораспределения выключена

Торможение стояночной тормозной системой

Пример установки 1

Пример установки 2

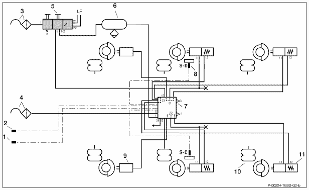
Модуль TEBS G2

Применение
- Подача и управление давлением в рабочих тормозных камерах
- Работа ABS для вариантов 2S/2M (SL), 2S/2M, 4S/2M и 4S/3M
- Управление дополнительными функциями
- Интегрированный клапан антисмешивания
- Экстренное торможение

Доступ к электрическим подключениям по сторонам
Надежность: подключение системы как в TEBS 4
Доступность: лучшее определение позиции проще добраться
Возможность конфигурации различных вариантов контроля нагрузок (ALB) с характеристиками для пневматического или CAN тормозного усилия.
- Питание 12 В или 24 В (> 8 В)
- RSP в стандартной функции
- 5 V TI CAN-шина согласно ISO J1939

Варианты
Порт «P28»
- как порт контрольного вывода (SBS)
или
- как конфигурируемый пневматический выход

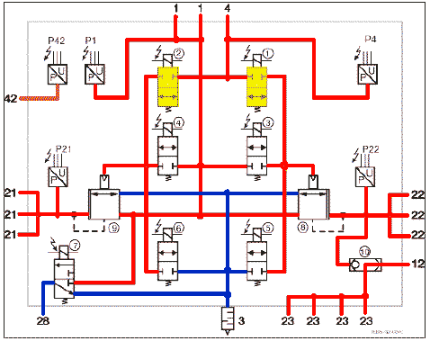
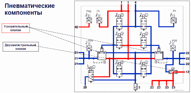
Конструкция
ЭБУ
- 5 датчиков давления
• Питающее давление
• Тормозное давление от тягача
• Нагрузка (давление в пневматической подвеске)
• Тормозное давление рабочих камер (x 2)
- 2 канала управления
Тормозное давление управляется независимо на каждую сторону через электромагнитные и ускорительные
- Датчик поперечных ускорений
• Roll Stability Program (RSP) и угла опрокидывания кузова (TA)
Интегрированный двухмагистральный клапан для функции антисмешивания
New!
• 4 порта для вывода на энергоаккумуляторы (P23)

Варианты
С или без PTC фитингом (PTC = Быстрое соединение)




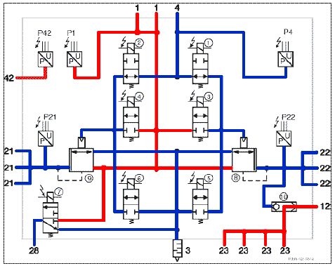
Движение
Все электромагнитные клапана без напряжения.
Давление P1 и P42 электрически отслеживаются.
P4 без давления, нет тормозного усилия.
PBS в положении движения, сжатый воздух проходит от 12 к 23.

Торможение
Давление в управляющей магистрали измеряется при P4 или определяется соответствующий сигнал CAN.
Резервные электромагнитные клапана закрываются, впускные клапана открываются.
Внутренние ускорительные клапана оказываются под нагрузкой.
Ускорительные клапана дают давление в тормозные камеры.
Подаваемое давление измеряется через P21 и P22.

Удержание давления
Давление рассчитанное ЭБУ достигается P21/P22 при подачи давления.
Резервные клапана остаются закрытыми, впускные закрываются.
Тормозное давление P21 и P22 держится неизменным.

Снижение давления
Давление в управляющей магистрали P4 также как и сигнал CAN падает.
Резервные клапаны остаются закрытыми, клапаны сброса открываются.
Управление внутренними ускорительными клапанами прекращается.
Ускорительные клапана работают на сброс воздуха из тормозных камер.

Резервная работа
Система электрически не запитана или выключена из-за серьезной ошибки.
Электромагнитные клапана без питания для управления.
Давление увеличивается в управляющей магистрали P4 при торможении.
Сжатый воздух проходит через резервные клапана и нагружает ускорительные.
Ускорительные клапана подают давления на камеры.

Клапан подъма\опускания кузова с функцией возращения в транспортное положение
Применение
Клапан подъема/опускания использован для принудительной подачи или сброса воздуха из
пневмобаллонов подвески, что приводит к подъему или опусканию шасси, с целью разгрузки/погрузки прицепа при различных высотах at different рампы.
Когда транспортное средство начинает движение, клапан становится автоматически управляемый через
модуль TEBS при достижении определенной скорости.
Управление модуля TEBS G2 может быть выполнено электрически или пневматически (P28).
Рабочий уровень включен в положение при движении.
Таким образом, происходит автоматическое восстановление системы уровня в исходное положение.
Время (скорость) и продолжительность управляющего сигнала параметрируется.

Клапан подъемной оси
Применение
Обеспечивает полное автоматическое управление подъемной осью (LAC), обеспечивается через
модуль TEBS G2.
Обеспечивает автоматический подъем или опускание подъемной оси.
В груженом состоянии и/или питании “Off”, подъемная ось опущена.
В порожнем состоянии когда питание включено, электромагнитный клапан управляется и подъемная
ось поднимается.

SV32.. Клапан управления шасси
Задача: изменение высоты кузова
Типы:
SV3203, SV3240, SV3241, SV3242, SV3243, SV3263, SV3273, SV3293

Функция аварийного сигнала
Первая установка системы

Аварийный сигнал при окончании монтажа и проверки гаснет после:
- конфигурации
- EOL теста
Система «OK» (Вариант I)
Статический тест: ошибок не обнаружено

Аварийная лампа загорается на 2 секунды после включения зажигания – “ON”.
В этот момент, запускается статическая проверка системы, при этом подается кратковременная
нагрузка на электромагнитные клапана.
Система «OK» (Вариант II)
Статический тест: ошибок не обнаружено

Статический тест: ok
Аварийная лампа гаснет на 1 сек.
Аварийная лампа загорается снова и гаснет только после динамического теста системы.
Статический тест: Актуальная ошибка в тормозной системе

Аварийная лампа не гаснет.
Динамическая ошибка датчика во время последнего заезда

Аварийная лампа гаснет когда все колеса оборудованные датчиками обеспечат сигнал
Неопределенная ошибка или ошибка в дополнительных функциях
- например электромагнитный клапан для подъемной оси неисправен
Тормозные колодки достигли предела износа
EOL тест не выполнен (TEBS G2)

- Ошибка (электрическая) в дополнительном оборудовании индицируется через мигание аварийной лампы, когда транспортное средство неподвижно.
- После начала движения при включенном питании аварийная лампа гаснет.
- Сообщение об ошибке в тормозной системе всегда имеет приоритет (постоянный аварийный сигнал)!
Тест регулировки тормозных сил (ALB)
Применение
ALB режим позволяет управлять тормозным давлением при стоящем транспортном средстве в
зависимости от текущего состояния нагрузки (P42) без активации экстренного торможения.
Давление (pm)
Давление в «управляющей» соединительной головке (pm) в момент когда питание включено
необходимо для выбора данной функции.
Ограничение по времени
ALB режим доступен в период 15 минут включения питания.
Предосторожность
Убедитесь что колеса несвободны перед отпусканием тормозов!
Примечание
После окончания движения, питание должно быть выключено и снова включено для обеспечения ALB режима. Иначе, при давлении (pm) 4,5 бар функция экстренного торможения становится активной.
Коммуникация с внешними системами / узлами
