КАМАЗ 5490 5Р "зажигалка"
(схемы)
Содержание
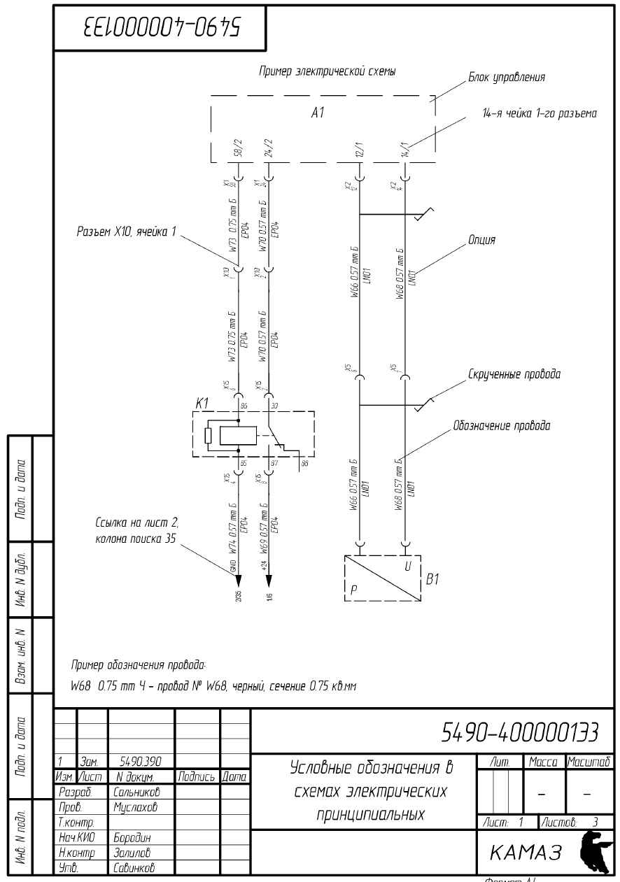
Условные обозначения в схемах электрических принципиальных КАМА25490-иС15-40-01-3-00051-051А-/
Система управления двигателем. Схема электрическая принципиальная КАМА25490-иС15-41-00-90-00051-051А-/
Система управления двигателем Weichai. Схема электрическая принципиальная КАМА25490-иС15-41-00-91-00051-051А-/
Система управления ЕВ5. Схема электрическая принципиальная КАМА/5490-иС15-41-25-3-00Э51-051А-/
Система управления пневмоподвеской. Схема электрическая принципиальная КАМА/5490-иС15-41-30-3-00Э51-051А-/
Управление тахографом. Схема электрическая принципиальная КАМА25490-иС15-41-42-3-00051-051А-/
Устройства комфорта в кабине. Схема электрическая принципиальная КАМА/5490-иС15-41-43-3-00Э51-051А-/
Система ЭРА-ГЛОНАСС. Схема электрическая принципиальная КАМА/5490-иС15-41-90-3-00Э51-051А-/
Управление осушителем. Схема электрическая принципиальная КАМА25490-иС15-41-94-10-00051-051А-/
Воздушный отопитель. Схема электрическая принципиальная КАМА25490-иС15-41-50-10-00051-051А-/

Опции
СС - тип кабины
СС01 - Без спального места
СС02 - С одним спальным местом
СС0З - С двумя спальными местами
CN - Независимый воздушный отопитель
CN00 - Нет
CN01 -Да
ЕР — Тип двигателя
ЕР01 - КАМАЗ V8, 11.76 л
ЕР02 - Cummins R6, 6.7 л
ЕР04 - Daimler R6, 11.97 л
ЕМ — Мощность/момент двигателя
ЕМ41 - 401 л. с./2010 Нм
ЕМ44 - 428 л. С./2109 Нм
ЕМ58 - 360 л. с./1850 Нм
GA - Тип Коробки передач
GA01 - Механическая КП
GA02 - Механическая КП с автоматическим управлением
GA04 - Механическая с автоматическим управлением, Тгахоп
GB - Ретардер
GB00 - Нет
GB01 -Да
LC - АБС
LC00 - без электронного управления
LC01 -ABS
LC02 -ABS/ASR
LC03 -ABS/ASR/ESP
LC04 -EBS
LМ - Электрический насос МОК
LM00-Нет
LМ01 -Да
LN - Расширение функций пневматической системы
LN00 - Нет
LN01 - Контроль нагрузки на ось, компенсация продавливания шин
LT — Трансформатор напряжения
LТ00-Нет
LT01 - Трансформатор напряжения 24В/12В, 15А
VА - Автопоезд
VА01 — Одиночный автомобиль
VА02 — Автомобиль-автопоезд
VР - Колёсная формула
VР01 - 4x2
VР01 - 4x4
VР0З - 6x2-2
VР04 - 6x2/2
VР05 - 6x4
VР06 - 6х6
VР07 - 8х4
VР08 - 8x8
VN - Назначение
VN1 -Шасси
VN02 — Автомобиль с надстройкой
VN03 — Седельный тягач
VN09 - Шасси с опасным грузом
VN10 — Седельный тягач с опасным грузом
ХР - Передняя подвеска
ХР01 - Рессорная
ХР02 — Пневматическая
ХР0З - Независимая
YР - Задняя подвеска
YР01 - Рессорная
YР02 — Пневматическая
YР0З - Независимая

.
.
.
И еще 20 схем в высоком качестве...
Все схемы в высоком качестве смотри в