Подогреватель предпусковой дизельный ДиТаН 14

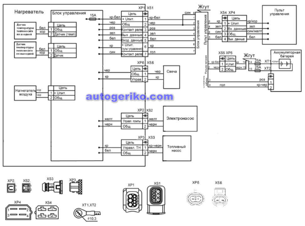
Электрическая схема подключения подогревателя.
Неисправности, которые могут быть устранены собственными силами.
1. Проверить наличие напряжения на разъеме ХР5 (см. схему электрических со-единений), если напряжения нет, то необходимо проверить, а при необходимости заменить предохранитель 25А на жгуте питания.
2. Все другие возникшие неисправности подогревателя автоматически показыва-ются миганием индикатора на пульте управления. Характерные неисправности и методы их устранения приведены в Таблице
3. При неисправности, возникшей в ходе эксплуатации, для устранения которой тре-буется частичная разборка подогревателя, необходимо обращаться в ремонтную мастерскую.
Неисправности элементов системы управления подогревателем.
Поиск неисправностей следует начать с проверки контактов разъемов проверяе-мых цепей

Коды неисправности
Количество Описание неисправности Устранение неисправности
1
- Недопустимое напряжение
Проверить батарею, регулятор и подводящую электропровод-ку. Напряжение между 1 и 2 контактами разъема XS1 должно быть не выше 30В и не ниже 20В (не выше 16 и не ниже 10.5В для подогревателя с номинальным напряжением 12В).
2
- Нет запуска
Если допустимое количество попыток запуска использовано. Проверить количество и подачу топлива. Проверить систему подвода воздуха для сгорания и газоотводящий трубопровод.
- Нет пламени
Проверить подачу топлива. Проверить систему подвода воздуха для сгорания и газоотводящий трубопровод.
Проверить индикатор пламени, при необходимости заменить.
3
- Перегрев
Проверить полностью жидкостный контур и работу циркуляционного насоса. Проверить наличие воздушных пробок. Удалить воздух из жидкостного контура автомобиля, руководствуясь предписаниями завода-изготовителя автомобиля.
4
- Неисправность свечи
Проверить свечу накаливания, при необходимости заменить.
5
- Неисправность центробежного насоса
Проверить электропровода циркуляционного насоса на короткое замыкание, проверить циркуляционный насос и при необходимости заменить.
7
- Неисправность датчика температуры жидкости на входе
Проверить соединительные провода, проверить омическое сопротивление между контактами, которое должно быть не более 27 кОм при 25ºС. При необходимости датчик заменить.
Неисправность датчика температуры жидкости на выходе
Проверить соединительные провода, проверить омическое сопротивление между контактами, которое должно быть не более 27 кОм при 25ºС. При необходимости датчик заменить.
8
- Неисправность нагнетателя воздуха
Проверить электропроводку мотора нагнетателя воздуха, при необходимости заменить электромотор.
9
- Неисправность дозирующего насоса
Проверить провода топливного насоса на короткое замыкание, проверить топливный насос на производительность и при необходимости заменить.
10
- Нет связи с блоком управления
Проверить соединительные провода, разъемы, в случае отсутствия связи заменить блок управления.