Электросхемы и коды неисправносте
540G-III and 548G-III Skidder John Deere
- SE1—Battery, Charging, and Start Circuits
- SE2—Start Circuit
- SE3—Vehicle Electrical Center (VEC) Circuits
- SE4—Vehicle Electrical Center (VEC) Circuits
- SE5—Vehicle Electrical Center (VEC) Circuits
- SE6—Vehicle Electrical Center (VEC) Circuits
- SE7—Transmission Control Unit (TCU) Circuits
- SE8—Transmission Control Unit (TCU) Circuits
- SE9—Transmission Control Unit (TCU) Circuits
- SE10—Transmission Control Unit (TCU) Circuits
- SE11—Transmission Control Unit (TCU) Circuits
- SE12—Transmission Control Unit (TCU) Circuits
- SE13—Engine Control Unit (ECU) Circuits (H models only)
- SE14—Engine Control Unit (ECU) Circuits (H models only)
- SE15—Engine Control Unit (ECU) Circuits (H models only)
- SE16—Engine Control Unit (ECU) Circuits (G-III models only)
- SE17—Standard Display Monitor (SDM) Circuits
- SE18—Differential Lock and Service ADVISOR ™ Circuits
- SE19—Radio, Dome Light, Accessory Power Connector, and Air Seat Circuits
- SE20—HVAC Circuits
- SE21—HVAC and Field Ready Options Circuits
- SE22— JDLink ™ Circuits
- SE23—JDLink™ Circuits (S.N.—634729 )
- SE24—JDLink™ Circuits (S.N. 634730— )
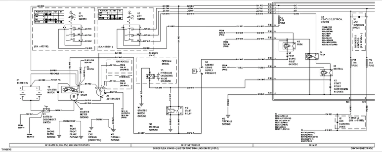
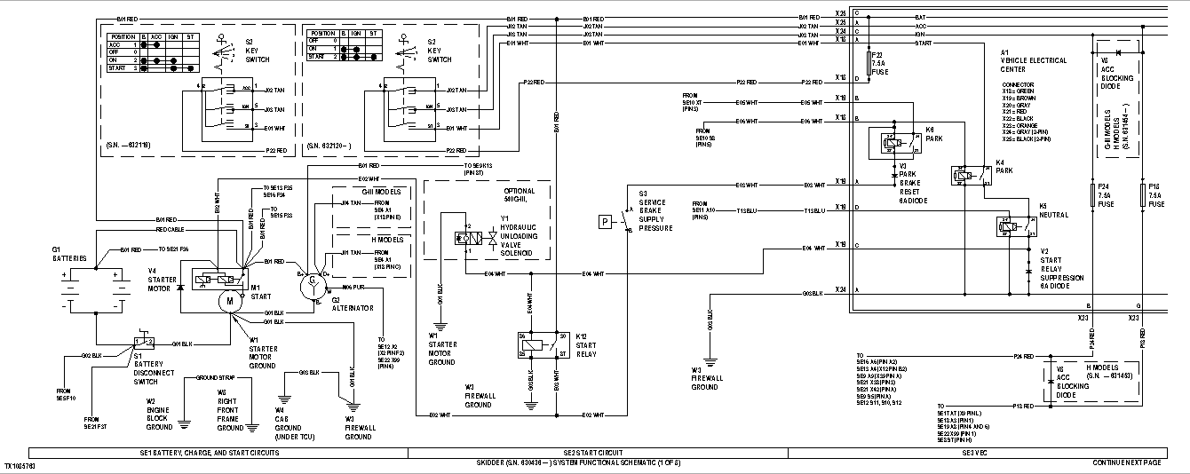
Electrical Schematic SE1—SE3 (1 of 8)
- A1 - Vehicle Electrical Center (VEC)
- F18 - Sealed Switch Module (SSM), Standard Display Monitor (SDM), and JDLink ™ Switched Power 7.5-Amp Fuse
- F22 - Key Switch 7.5-Amp Fuse
- F24 - Engine Control Unit (ECU), Park Brake, Shifter, and Start Aid (G-III models only) 7.5-Amp Fuse
- G1 - Batteries
- G2 - Alternator
- K4 - Park Start Relay
- K5 - Neutral Start Relay
- K6 - Park Brake Reset Relay
- K12 - Start Relay
- M1 - Starter Motor
- S1 - Battery Disconnect Switch
- S2 - Key Switch
- S3 - Service Brake Supply Pressure Switch
- V2 - Start Relay Suppression Diode
- V3 - Park Brake Reset Diode
- V4 - Starter Motor Diode
- V8 - ACC Blocking Diode
- W1 - Starter Motor Ground
- W2 - Engine Block Ground
- W3 - Firewall Ground
- W4 - Cab Ground (under TCU)
- W8 - Right Front Frame Ground
- Y1 - Hydraulic Unloading Valve Solenoid (if equipped)
Electrical Schematic SE4—SE6 (2 of 8)
- A1 - Vehicle Electrical Center (VEC)
- F1 - HVAC Supply Power #1 20-Amp Fuse
- F2 - Power Outlet and Accessory Connector 15-Amp Fuse
- F3 - Spare Accessory Power 7.5-Amp Fuse
- F4 - Fuel Heater 20-Amp Fuse
- F5 - Front Inner Lights 15-Amp Circuit Breaker
- F6 - Transmission Control Unit (TCU) Switched Power 30-Amp Fuse
- F7 - Front Outer Lights 15-Amp Circuit Breaker
- F8 - Start Aid 10-Amp Fuse (G-III models only)
- F9 - Rear Inner Lights 15-Amp Circuit Breaker
- F10 - JDLink ™ (Return) Ground 7.5-Amp Fuse
- F11 - Rear Outer Lights 15-Amp Circuit Breaker
- F12 - Spare 7.5-Amp Fuse
- F13 - Transmission Control Unit (TCU) Unswitched Power 10-Amp Fuse
- F14 - Air Seat 20-Amp Fuse
- F15 - Service ADVISOR ™ and Standard Display Monitor (SDM) Unswitched Power 7.5-Amp Fuse
- F16 - Dome Light and Radio Unswitched Power 7.5-Amp Fuse
- F17 - Horn 5-Amp Fuse
- F19 - HVAC Supply Power #2 20-Amp Fuse
- F20 - Fuel Transfer Pump 7.5-Amp Fuse
- F21 - JDLink™ Unswitched Power 7.5-Amp Fuse
- F23 - Alternator Excitation 5-Amp Fuse
- K1 - HVAC Supply Relay #1
- K2 - Accessory Power Relay
- K3 - Fuel Heater Relay
- K7 - Transmission Control Unit (TCU) Switched Power Relay
- K8 - Fuel Transfer Pump Relay
- K9 - Front Lights Relay
- K10 - Rear Lights Relay
- K11 - HVAC Supply Relay #2
- R1 - Alternator Excitation Resistor
- R7 - Fuel Heater (if equipped)
- V1 - Alternator Excitation Diode
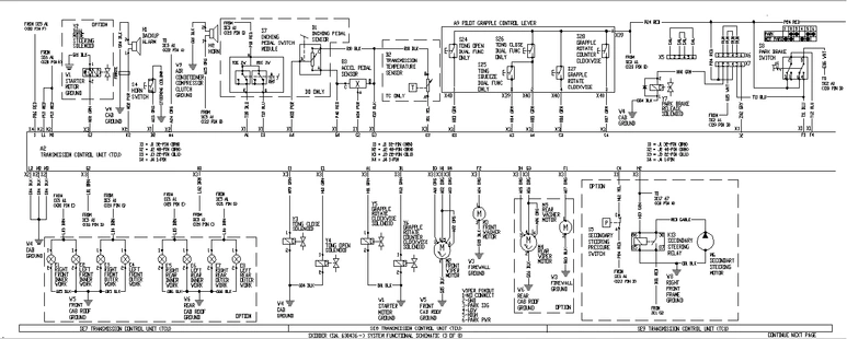
Electrical Schematic SE7—SE9 (3 of 8)
- A2 - Transmission Control Unit (TCU)
- A9 - Pilot Grapple Control Lever
- B1 - Inching Pedal Sensor (direct drive only)
- B2 - Transmission Temperature Sensor (torque converter)
- B3 - Accelerator Pedal Sensor (H models)
- E1 - Right Front Inner Work Light
- E2 - Left Front Inner Work Light
- E3 - Right Front Outer Work Light
- E4 - Left Front Outer Work Light
- E5 - Right Rear Inner Work Light
- E6 - Left Rear Inner Work Light
- E7 - Right Rear Outer Work Light
- E8 - Left Rear Outer Work Light
- H1 - Backup Alarm
- H2 - Horn
- K13 - Secondary Steering Relay (if equipped)
- M2 - Front Wiper Motor
- M3 - Front Washer Motor
- M4 - Rear Wiper Motor
- M5 - Rear Washer Motor
- M6 - Secondary Steering Motor
- S4 - Horn Switch
- S5 - Secondary Steering Pressure Switch (if equipped)
- S7 - Inching Pedal Switch Module (direct drive only)
- S8 - Park Brake Switch
- S24 - Tong Open Switch (dual function only)
- S25 - Tong Squeeze Switch (dual function only)
- S26 - Tong Close Switch (dual function only)
- S27 - Grapple Rotate Clockwise Switch
- S28 - Grapple Rotate Counterclockwise Switch
- W1 - Starter Motor Ground
- W3 - Firewall Ground
- W4 - Cab Ground (under TCU)
- W5 - Front Cab Roof Ground
- W6 - Rear Cab Roof Ground
- W9 - Air Conditioner Compressor Clutch Ground
- X5 - Transmission Control Unit (TCU) Calibration 6-Pin Connector
- X6 - Transmission Control Unit (TCU) Run 6-Pin Connector
- X7 - Transmission Control Unit (TCU) Mode 6-Pin Connector
- Y2 - Dual Mode Steering Solenoid (if equipped)
- Y3 - Tong Close Solenoid
- Y4 - Tong Open Solenoid
- Y5 - Grapple Rotate Clockwise Solenoid
- Y6 - Grapple Rotate Counterclockwise Solenoid
- Y7 - Park Brake Release Solenoid
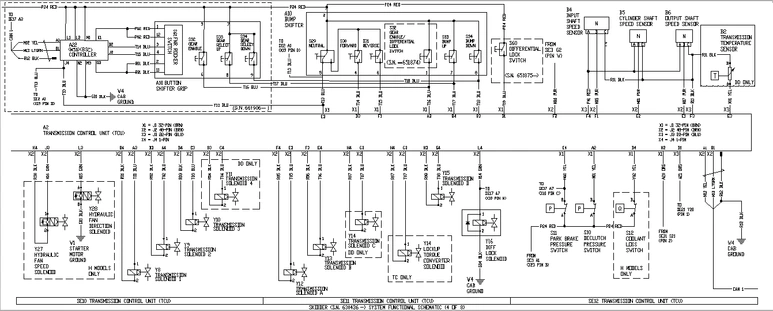
Electrical Schematic SE10—SE12 (4 of 8)

- A2 - Transmission Control Unit (TCU)
- A10 - Bump Shifter
- A22 - Bump Shift Controller (M50) (S.N. 661906— )
- B2 - Transmission Temperature Sensor (direct drive)
- B4 - Input Shaft Speed Sensor
- B5 - Cylinder Shaft Speed Sensor
- B6 - Output Shaft Speed Sensor
- S10 - Declutch Pressure Switch
- S11 - Park Brake Pressure Switch
- S12 - Coolant Loss Switch
- S29 - Neutral Switch
- S30 - Forward Switch
- S31 - Reverse Switch
- S32 - Gear Enable/Differential Lock Switch (S.N. —651874)
- S33 - Bump Up Switch
- S34 - Bump Down Switch
- S60 - Differential Lock Switch (S.N. 651875—)
- S61 - FNR Rocker Switch (S.N. 661906— )
- W1 - Starter Motor Ground
- W4 - Cab Ground
- Y8 - Transmission Solenoid 1
- Y9 - Transmission Solenoid 2
- Y10 - Transmission Solenoid 3
- Y11 - Transmission Solenoid 4 (direct drive only)
- Y12 - Transmission Solenoid A
- Y13 - Transmission Solenoid B
- Y14 - Transmission Solenoid C (direct drive only)
- Y14 - Lockup Torque Converter Solenoid (torque converter only)
- Y15 - Transmission Solenoid D
- Y16 - Differential Lock Solenoid
- Y27 - Hydraulic Fan Speed Solenoid
- Y28 - Hydraulic Fan Direction Solenoid
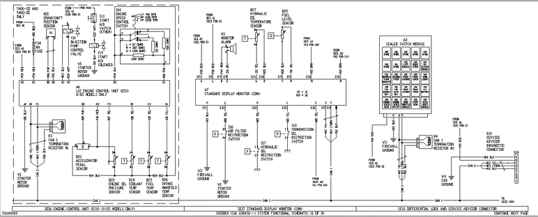
Electrical Schematic SE13—SE15 (5 of 8)

- A4 - Engine Control Unit (ECU) (H models)
- A5 - Variable Geometry Turbo (VGT) Actuator (Tier 3/Stage IIIA only)
- B7 - Variable Geometry Turbo (VGT) Speed Sensor (Tier 3/Stage IIIA only)
- B8 - Crankshaft Position Sensor (H models)
- B9 - Camshaft Position Sensor (H models only)
- B10 - Exhaust Gas Recirculation (EGR) Fresh Air Temperature Sensor (Tier 3/Stage IIIA only)
- B10 - Manifold Air Temperature Sensor (Stage II only)
- B11 - Mixed Air Temperature Sensor (Tier 3/Stage IIIA only)
- B12 - Exhaust Gas Recirculation (EGR) Exhaust Air Temperature Sensor (Tier 3/Stage IIIA only)
- B13 - Fuel Rail Pressure Sensor (H models only)
- B14 - Fuel Pressure Sensor (H models)
- B15 - Engine Oil Pressure Sensor (H models only)
- B16 - Manifold Air Pressure Sensor (H models only)
- B17 - Water-In-Fuel Sensor (H models only)
- B18 - Coolant Temperature Sensor (H models)
- B19 - Fuel Temperature Sensor (H models)
- B20 - Compressor Inlet Temperature Sensor (H models only)
- F33 - Glow Plugs (Inline) 50-Amp Fuse (H models only)
- F35 - Engine Control Unit (ECU) Unswitched Power (Inline) 20-Amp Fuse (H models)
- K14 - Glow Plugs Relay (H models only)
- M7 - Fuel Transfer Pump (H models only)
- M9 - Exhaust Gas Recirculation (EGR) Valve (Tier 3/Stage IIIA only)
- R2 - CAN 1 Termination Resistor 1 (H models)
- R6 - Glow Plugs (6 used) (H models only)
- V5 - Glow Plug Relay Diode (H models only)
- Y1 - Hydraulic Unloading Valve Solenoid (if equipped)
- Y17 - Suction Control Valve (SCV) Solenoid (H models only)
- Y21 - Fuel Injector (cylinder 1) (H models only)
- Y22 - Fuel Injector (cylinder 2) (H models only)
- Y23 - Fuel Injector (cylinder 3) (H models only)
- Y24 - Fuel Injector (cylinder 4) (H models only)
- Y25 - Fuel Injector (cylinder 5) (H models only)
- Y26 - Fuel Injector (cylinder 6) (H models only)
Electrical Schematic SE16—SE18 (6 of 8)

- A3 - Sealed Switch Module (SSM)
- A6 - Engine Control Unit (ECU) (G-III models)
- A7 - Standard Display Monitor (SDM)
- B21 - Crankshaft Position Sensor (G-III models)
- B22 - Accelerator Pedal Sensor (G-III models)
- B23 - Engine Oil Pressure Sensor (G-III models)
- B24 - Coolant Temperature Sensor (G-III models)
- B25 - Fuel Temperature Sensor (G-III models)
- B26 - Intake Manifold Temperature Sensor (G-III models only)
- B27 - Hydraulic Oil Temperature Sensor
- B28 - Fuel Level Sensor
- F34 - Engine Control Unit (ECU) Unswitched Power (Inline) 10-Amp Fuse (G-III models)
- H3 - Monitor Alarm
- R3 - CAN 1 Termination Resistor 1 (G-III models)
- R4 - CAN 1 Termination Resistor 2
- S13 - Start Aid Switch (G-III models only)
- S14 - Engine Speed Control Switch (G-III models only)
- S16 - Air Filter Restriction Switch
- S17 - Hydraulic Oil Restriction Switch
- S18 - Transmission Oil Restriction Switch
- S35 - Spare Switch (located on SSM)
- S36 - Spare Switch (located on SSM)
- S37 - Spare Switch (located on SSM)
- S38 - Spare Switch (located on SSM)
- S39 - Spare Switch (located on SSM)
- S40 - Spare Switch (located on SSM)
- S41 - Spare Switch (located on SSM)
- S42 - Lockup Torque Converter Switch (located on SSM)
- S43 - Quick Steer Switch (located on SSM)
- S44 - Declutch Enable Switch(located on SSM)
- S45 - Grapple Close Indicator (LED on SSM)
- S46 - Secondary Steering Switch (located on SSM)
- S47 - Front Washer Switch (located on SSM)
- S48 - Front Wiper Switch (located on SSM)
- S49 - Work Lights Switch (located on SSM)
- S50 - Manual Fan Reverse Switch (located on SSM)
- S51 - Auto Fan Reverse Enable Switch (located on SSM
- S52 - Rear Washer Switch (located on SSM)
- S53 - Rear Wiper Switch (located on SSM)
- S54 - Air Conditioner and Defrost Switch (located on SSM)
- S55 - Decrease Engine Speed Switch (located on SSM)
- S56 - Set or Increase Engine Speed Switch (located on SSM)
- S57 - Hand Throttle Enable Switch (located on SSM)
- S58 - Start Gear Switch (located on SSM)
- S59 - Autoshift Enable Switch (located on SSM)
- X14 - Service ADVISOR ™ Diagnostic Connector
- Y18 - Injection Pump Control Valve (G-III models only)
- Y19 - Start Aid Solenoid (G-III models only)
Electrical Schematic SE19—SE21 (7 of 8)

- A8 - Radio (CD/AM/FM) (if equipped)
- A11 - Fuel Fired Coolant Heater Timer (if equipped)
- A12 - Fuel Fired Coolant Heater (if equipped)
- B29 - Temperature Control
- B30 - Left Speaker
- B31 - Right Speaker
- E9 - Cab Dome Light
- F27 - Hot Water Control 5-Amp Fuse
- F28 - Blower Motor Switch 15-Amp Fuse
- F29 - Blower High Speed 20-Amp Fuse
- F30 - Blower Purge 30-Amp Fuse
- F31 - Precleaner 15-Amp Fuse
- F32 - Air Conditioner High/Low Pressures Switch and Air Conditioner Freeze Control Switch 5-Amp Fuse
- F36 - Fuel Fired Coolant Heater Unswitched Power 20-Amp Fuse (if equipped)
- F37 - Fuel Fired Coolant Heater Ground 20-Amp Fuse (if equipped)
- K15 - Blower High Speed Relay
- K16 - Precleaner Relay
- K17 - Blower Purge Relay
- M8 - Hot Water Valve
- M10 - Cab Blower Motor
- M11 - Precleaner Motor (if equipped)
- M12 - Air Seat Pump Motor (if equipped)
- M13 - Fuel Fired Coolant Heater Fuel Pump (if equipped)
- R5 - Blower Motor Resistor
- S9 - Air Seat Switch (if equipped)
- S15 - Grapple Blade Switch (if equipped)
- S19 - Blower Motor Switch
- S20 - Air Conditioner High/Low Pressure Switch (if equipped)
- S21 - Air Conditioner Freeze Control Switch (if equipped)
- V6 - Grapple Blade Open Suppression Diode (if equipped)
- V7 - Grapple Blade Close Suppression Diode (if equipped)
- W1 - Starter Motor Ground
- W3 - Firewall Ground
- W4 - Cab Ground (under TCU)
- W5 - Front Cab Roof Ground
- W7 - HVAC Ground
- W9 - Air Conditioner Compressor Clutch Ground
- W30 - Radio Antenna
- X15 - 12-Volt Power Outlet
- X16 - 12-Volt Accessory Power Connection (15-amp)
- X42 - Auxiliary Hydraulic 3-Pin Connector
- X49 - Cab Roof Harness-to-Dome Light Harness 2-Pin Connector
- Y20 - Air Conditioner Clutch (if equipped)
- Y29 - Grapple Blade Open Solenoid (if equipped)
- Y30 - Grapple Blade Close Solenoid (if equipped)
Electrical Schematic SE22—SE24 (8 of 8)

- A20 - Machine Information Gateway (MIG) Controller
- A21 - GlobalTRACS ® Terminal (GTT) Controller
- A6000 - Modular Telematics Gateway (MTG) Control Unit
- A6001 - GPS/Cellular Antenna
- A6002 - Satellite (SAT) Module Control Unit (if equipped)
- A6003 - Satellite Antenna (if equipped)
- W4 - Cab Ground (under TCU)
- W31 - JDLink ™ Antenna
- X94 - Machine Information Gateway (MIG) Controller 30-Pin (A1—K3) Connector
- X95 - JDLink™ MMS Direct Connector (ethernet)
- X96 - Machine Information Gateway (MIG) Controller 30-Pin ( L1—Y3) Connector
- X97 - GT Config Tool Adapter Connector (RS-232)
- X99 - Loader Center Harness-to-JDLink™ Harness 12-Pin Connector
- X6001 - Cellular Antenna Connector
- X6002 - GPS Antenna Connector
- X6005 - Satellite Antenna Connector (if equipped)
- X6014 - Modular Telematics Gateway (MTG) Control Unit 48-Pin Connector
- X6015 - Satellite (SAT) Module Control Unit 48-Pin Connector
- X6016 - Satellite Adapter Harness-to-Universal JDLink™ Harness 6-Pin Connector
Все коды диагностики неисправностей
CHC
- 003651.13 FNR Sensor Calibration Fault
- 003654.13 FNR Sensor Calibration Fault
ECU (Level 12)
- 000028.03 Throttle Voltage High
- 000028.04 Throttle Voltage Low
- 000029.03 Throttle Voltage High
- 000029.03 Secondary Throttle Voltage Out of Range High
- 000029.04 Throttle Voltage Low
- 000029.04 Secondary Throttle Voltage Out of Range Low
- 000029.14 Throttle Voltage Out of Range
- 000029.14 Secondary Throttle Voltage Invalid
- 000084.31 Vehicle Speed Mismatch
- 000091.03 Throttle Voltage High
- 000091.04 Throttle Voltage Low
- 000091.07 Throttle Calibration Invalid
- 000091.09 Throttle CAN message Missing
- 000091.10 Throttle Voltage Low
- 000091.13 Throttle Calibration Aborted
- 000091.14 Throttle Voltage Out of Range
- 000091.14 Throttle Status Invalid
- 000094.01 Fuel Pressure Extremely Low
- 000094.03 Fuel Pressure Input Voltage High
- 000094.04 Fuel Pressure Input Voltage Low
- 000094.18 Fuel Pressure Moderately Low
- 000097.00 Water in Fuel Continuously Detected Diagnostic Procedure
- 000097.03 Water in Fuel Signal Voltage High
- 000097.04 Water in Fuel Signal Voltage Low
- 000097.16 Water in Fuel Detected
- 000097.31 Water in Fuel Detected (750J Crawler Only)
- 000100.01 Engine Oil Pressure Extremely Low
- 000100.03 Engine Oil Pressure Input Voltage High
- 000100.04 Engine Oil Pressure Input Voltage Low
- 000100.16 Engine Oil Pressure High, Moderately Severe Level Incorrect Reading DiagnosticProcedure
- 000100.18 Engine Oil Pressure Moderately Low
- 000100.31 Engine Oil Pressure Detected with Engine Stopped
- 000105.00 Manifold Air Temperature Extremely High
- 000105.03 Manifold Air Temperature Input Voltage High
- 000105.04 Manifold Air Temperature Input Voltage Low
- 000105.16 Manifold Air Temperature Moderately High
- 000107.00 Air Filter Restriction Switch Activated
- 000110.00 Engine Coolant Temperature Extremely High
- 000110.03 Engine Coolant Temperature Input Voltage High
- 000110.04 Engine Coolant Temperature Input Voltage Low
- 000110.15 Engine Coolant Temperature High Least Severe
- 000110.16 Engine Coolant Temperature Moderately High
- 000111.00 Loss of Coolant Temperature Extremely High
- 000111.03 Loss of Coolant Temperature Input Voltage High
- 000111.04 Loss of Coolant Temperature Input Voltage Low
- 000158.17 ECU Power Down Error
- 000160.02 Wheel Speed Input Noise
- 000171.03 Ambient Air Temperature Input Voltage Out Of Range High (750J Crawlers only)
- 000171.04 Ambient Air Temperature Input Voltage Out Of Range Low (750J Crawlers Only)
- 000174.00 Fuel Temperature Extremely High
- 000174.03 Fuel Temperature Input Voltage High
- 000174.04 Fuel Temperature Input Voltage Low
- 000174.16 Fuel Temperature High Moderately Severe
- 000189.00 Engine Speed Derate
- 000190.00 Engine Overspeed Extreme
- 000190.00 Engine Overspeed Extreme
- 000190.01 Engine Overload Moderate
- 000190.01 Engine Speed Below Normal Operational Range, Most Severe Level
- 000190.16 Engine Overspeed Moderate
- 000190.16 Engine Overspeed Moderate
- 000190.18 Engine Overload Severe
- 000523.09 Current Gear Selection Invalid or Not Received (J-series Loaders Only)
- 000620.03 Sensor Supply Voltage High
- 000620.04 Sensor Supply Voltage Low
- 000629.13 ECU Error
- 000637.02 Crank Position Input Noise
- 000637.08 Crank Position Input Missing
- 000637.10 Crank Position Input Pattern Error
- 000639.13 CAN Bus Error
- 000644.02 External Speed Command Input (OEM, Marine Only)
- 000729.03 Inlet Air Heater Signal High
- 000729.05 Inlet Air Heater Signal Low
- 000898.09 Vehicle Speed or Torque Message Invalid
- 000970.31 Auxiliary Engine Shutdown Switch Active
- 000971.31 External Engine Derate Switch Active
- 001069.09 Tire Size Invalid
- 001069.31 Tire Size Error
- 001076.00 Pump Control Valve Closure Too Long
- 001076.01 Pump Control Valve Closure Too Short
- 001076.03 Pump Solenoid Current High
- 001076.05 Pump Solenoid Circuit Open
- 001076.06 Pump Solenoid Circuit Severely Shorted
- 001076.07 Pump Control Valve Closure Not Detected
- 001076.10 Pump Solenoid Circuit Moderately Shorted
- 001076.13 Pump Current Decay Time Invalid
- 001079.03 Sensor Supply Voltage High
- 001079.04 Sensor Supply Voltage Low
- 001109.31 Engine Protection Shutdown Warning
- 001110.31 Engine Protection Shutdown
- 001569.31 Fuel Derate
- 002000.06 Internal ECU Failure
- 002000.13 Security Violation
- 002003.09 TCU Communication Data Error
- 002003.13 TCU Communication Calibrate Error
- 002006.06 Internal ECU Failure
- 002017.09 SDM Communication Data Error
- 002017.13 SDM Communication Calibrate Error
ECU (Level 14 4.5L/6.8L)
- 000028.03 Digital Throttle Signal Out of Range High
- 000028.04 Digital Throttle Signal Out of Range Low
- 000029.03 Secondary Analog Throttle Signal Out of Range High
- 000029.04 Secondary Analog Throttle Signal Out of Range Low
- 000091.03 Primary Analog Throttle Signal Out of Range High
- 000091.03 Throttle Voltage Out of Range High
- 000091.04 Primary Analog Throttle Signal Out of Range Low
- 000091.04 Throttle Voltage Out of Range Low
- 000091.09 Throttle CAN message Missing
- 000094.03 Low Pressure Fuel Signal Out of Range High
- 000094.04 Low Pressure Fuel Signal Out of Range Low
- 000094.17 Low Pressure Fuel Signal Slightly Low
- 000097.00 Water in Fuel Detected Most Severe Level
- 000097.03 Water In Fuel Signal Out of Range High
- 000097.04 Water In Fuel Signal Out of Range Low
- 000097.16 Water in Fuel Detected
- 000100.01 Engine Oil Pressure Signal Extremely Low
- 000100.04 Engine Oil Pressure Signal Out of Range Low
- 000100.18 Engine Oil Pressure Signal Moderately Low
- 000100.31 Engine Oil Pressure Detected with Engine Stopped
- 000102.02 Manifold Air Pressure Signal Invalid
- 000102.03 Manifold Air Pressure Signal Out of Range High
- 000102.04 Manifold Air Pressure Signal Out of Range Low
- 000103.00 Turbo Speed Signal Extremely High
- 000103.05 Turbo Speed Signal Circuit has High Resistance
- 000103.08 Turbo Speed Signal Invalid
- 000103.31 Turbo Speed Signal Missing
- 000105.00 Manifold Air Temperature Signal Extremely High
- 000105.03 Manifold Air Temperature Signal Out of Range High
- 000105.04 Manifold Air Temperature Signal Out of Range Low
- 000105.15 Manifold Air Temperature Signal Slightly High
- 000105.16 Manifold Air Temperature Signal Moderately High
- 000107.00 Air Filter Restriction Switch Activated
- 000107.31 Air Filter Restriction Switch Activated
- 000108.02 Barometric Air Pressure Signal Invalid
- 000110.00 Coolant Temperature Signal Extremely High
- 000110.03 Coolant Temperature Signal Out of Range High
- 000110.04 Coolant Temperature Signal Out of Range Low
- 000110.15 Coolant Temperature Signal Slightly High
- 000110.16 Coolant Temperature Signal Moderately High
- 000110.17 Coolant Temperature Signal Slightly Low
- 000111.01 Engine Coolant Level Extremely Low
- 000157.01 Fuel Rail Pressure Signal Extremely Low
- 000157.03 Fuel Rail Pressure Signal Out of Range High
- 000157.04 Fuel Rail Pressure Signal Out of Range Low
- 000157.10 Fuel Rail Pressure Loss Detected
- 000157.17 Fuel Rail Pressure Not Developed
- 000157.18 Fuel Rail Pressure Signal Moderately Low
- 000158.17 ECU Power Down Error
- 000174.00 Fuel Temperature Signal Extremely High
- 000174.03 Fuel Temperature Signal Out of Range High
- 000174.04 Fuel Temperature Signal Out of Range Low
- 000174.16 Fuel Temperature Signal Moderately High
- 000189.00 Engine Speed Derate Condition Exists
- 000190.00 Engine Speed Extremely High
- 000190.01 Engine Overload Moderate
- 000190.16 Engine Speed Moderately High
- 000190.18 Engine Overload Severe
- 000412.00 EGR Temperature Signal Extremely High
- 000412.03 EGR Temperature Signal Out of Range High
- 000412.04 EGR Temperature Signal Out of Range Low
- 000412.15 EGR Temperature Signal Slightly High
- 000412.16 EGR Temperature Signal Moderately High
- 000611.03 Injector Shorted to Voltage Source
- 000611.04 Injector Shorted to Ground
- 000627.01 All Injectors Circuits Have High Resistance
- 000627.18 Injector Power Supply Voltage Out of Range Low
- 000629.12 ECU EEPROM Error
- 000629.13 ECU Boot Block Error
- 000636.02 Camshaft Position Signal Invalid
- 000636.05 Camshaft Position Circuit Has High Resistance
- 000636.06 Camshaft Position Circuit Has Low Resistance
- 000636.08 Camshaft Position Sensor Signal Missing
- 000636.10 Camshaft Position Signal Rate of Change Abnormal
- 000637.02 Crankshaft Position Signal Invalid
- 000637.05 Crankshaft Position Sensor Circuit Has High Resistance
- 000637.06 Crankshaft Position Circuit Has Low Resistance
- 000637.07 Crankshaft and Camshaft Position Signals Out of Sync
- 000637.08 Crankshaft Position Signal Missing
- 000637.10 Crankshaft Position Signal Rate of Change Abnormal
- 000640.31 External Derate Commanded
- 000641.04 VGT Actuator Supply Voltage Out of Range Low
- 000641.12 VGT Actuator Communication Error
- 000641.13 VGT Actuator Learn Error
- 000641.16 Turbo Actuator Temperature Moderately High
- 000644.02 External Speed Command Input Erratic
- 000647.05 Engine Fan Drive Circuit Has High Resistance
- 000647.31 Engine Fan Drive Manual Purge Switch Active Too Long
- 000651.02 Injector #1 Part # Data Invalid
- 000651.05 Injector #1 Circuit Has High Resistance
- 000651.06 Injector #1 Circuit Has Low Resistance
- 000651.07 Injector #1 Not Responding
- 000651.13 Injector #1 Calibration Fault
- 000652.02 Injector #2 Part # Data Invalid
- 000652.05 Injector #2 Circuit Has High Resistance
- 000652.06 Injector #2 Circuit Has Low Resistance
- 000652.07 Injector #2 Not Responding
- 000652.13 Injector #2 Calibration Fault
- 000653.02 Injector #3 Part # Data Invalid
- 000653.05 Injector #3 Circuit Has High Resistance
- 000653.06 Injector #3 Circuit Has Low Resistance
- 000653.07 Injector #3 Not Responding
- 000653.13 Injector #3 Calibration Fault
- 000654.02 Injector #4 Part # Data Invalid
- 000654.05 Injector #4 Circuit Has High Resistance
- 000654.06 Injector #4 Circuit Has Low Resistance
- 000654.07 Injector #4 Not Responding
- 000654.13 Injector #4 Calibration Fault
- 000655.02 Injector #5 Part # Data Invalid
- 000655.05 Injector #5 Circuit Has High Resistance
- 000655.06 Injector #5 Circuit Has Low Resistance
- 000655.07 Injector #5 Not Responding
- 000655.13 Injector #5 Calibration Fault
- 000656.02 Injector #6 Part # Data Invalid
- 000656.05 Injector #6 Circuit Has High Resistance
- 000656.06 Injector #6 Circuit Has Low Resistance
- 000656.07 Injector #6 Not Responding
- 000656.13 Injector #6 Calibration Fault
- 000676.03 Cold Start Aid Signal Received When Not Expected
- 000676.05 Cold Start Aid Circuit Has High Resistance
- 000898.09 Engine Speed CAN Message Invalid
- 000970.31 External Shutdown Switch Activated
- 000971.31 External Derate Switch Activated
- 001075.05 Low Pressure Fuel Pump Circuit Has High Resistance
- 001075.06 Low Pressure Fuel Pump Circuit Has Low Resistance
- 001075.12 Low Pressure Fuel Pump Status Error
- 001109.31 Approaching Engine Protection Shutdown
- 001110.31 Engine Protection Shutdown Active
- 001136.00 ECU Temperature Signal Extremely High
- 001136.16 ECU Temperature Signal Moderately High
- 001172.03 Compressor Inlet Temperature Signal Out of Range High
- 001172.04 Compressor Inlet Temperature Signal Out of Range Low
- 001180.00 Calculated Turbine Inlet Temperature Signal Extremely High
- 001180.16 Calculated Turbine Inlet Temperature Signal Moderately High
- 001347.03 Suction Control Valve Signal Out of Range High
- 001347.05 Suction Control Valve Circuit Has High Resistance
- 001347.07 Fuel Rail Pressure Actual to Desired Mismatch
- 001569.31 Engine in Power Derate Condition
- 001638.00 Hydraulic Oil Temperature Extremely High
- 001638.03 Hydraulic Oil Temperature Signal Out of Range High
- 001638.04 Hydraulic Oil Temperature Signal Out of Range Low
- 001638.16 Hydraulic Oil Temperature Signal Moderately High
- 001639.01 Fan Speed Signal Extremely Low
- 001639.16 Fan Speed Signal Moderately High
- 001639.18 Fan Speed Signal Moderately Low
- 002000.13 Incorrect ECU for Application
- 002003.09 No CAN Message From Source Address 3
- 002004.09 No CAN Message From Source Address 4
- 002005.09 No CAN Message From Source Address 5
- 002005.14 Incorrect CAN Message Received From Source Address 5
- 002030.09 No CAN Message From Source Address 23
- 002033.09 No CAN Message From Source Address 33
- 002033.14 Incorrect CAN Message Received From Source Address 33
- 002033.19 Synchronizing Problem With Source Address 33
- 002057.09 No CAN Message From Source Address 57
- 002071.09 No CAN Message From Source Address 71
- 002580.03 Brake Pressure Signal Out of Range High
- 002580.04 Brake Pressure Signal Out of Range Low
- 002630.00 Charge Air Cooler Outlet Temperature Signal Extremely High
- 002630.03 Charge Air Cooler Outlet Temperature Signal Out of Range High
- 002630.04 Charge Air Cooler Outlet Temperature Signal Out of Range Low
- 002630.15 Charge Air Cooler Outlet Temperature Signal Slightly High
- 002630.16 Charge Air Cooler Outlet Temperature Signal Moderately High
- 002659.02 Calculated EGR Flow Rate Invalid
- 002659.15 Calculated EGR Flow Rate Slightly High
- 002659.17 Calculated EGR Flow Rate Slightly Low
- 002790.16 Calculated Compressor Outlet Temperature Moderately High
- 002791.02 EGR Valve Position Signal Invalid
- 002791.03 EGR Valve Position Signal Out of Range High
- 002791.04 EGR Valve Position Signal Out of Range Low
- 002791.07 EGR Valve Not Reaching Expected Position
- 002791.13 EGR Valve Calibration Change Over a Short Period of Time
- 002791.31 EGR Valve Calibration Change over a Long Time
- 002795.07 VGT Actuator Not Reaching Expected Position
- 003509.03 Sensor Supply #1 Voltage Out of Range High
- 003509.04 Sensor Supply #1 Voltage Out of Range Low
- 003510.03 Sensor Supply #2 Voltage Out of Range High
- 003510.04 Sensor Supply #2 Voltage Out of Range Low
- 003511.03 Sensor Supply #3 Voltage Out of Range High
- 003511.04 Sensor Supply #3 Voltage Out of Range Low
- 003512.03 Sensor Supply #4 Voltage Out of Range High
- 003512.04 Sensor Supply #4 Voltage Out of Range Low
- 003513.03 Sensor Supply #5 Voltage Out of Range High
- 003513.04 Sensor Supply #5 Voltage Out of Range Low
- 523792.04 EPGDS LTC Pump Signal Out of Range Low
- 524099.11 EPGDS LTC Pump Blockage
EHC
- 003651.03 FNR Sensor Circuit Fault
- 003651.04 FNR Sensor Circuit Fault
- 003654.03 FNR Sensor Circuit Fault
- 003654.04 FNR Sensor Circuit Fault
- 516205.02 FNR Signal Data Erratic or Intermittent
FLC
- 000111.01 Engine Coolant Level Low
- 000746.05 Differential Lock Open Circuit
- 000746.06 Differential Lock Short to Ground
- 001550.05 Air Conditioner Clutch Open Circuit
- 001550.06 Air Conditioner Clutch Short to Ground
- 002000.09 CAN Communication Lost for ECU
- 002017.09 CAN Communication Lost for SDM
- 002141.09 CAN Communication Lost for SSM
- 522170.04 Tong Squeeze Switch Short to Ground
- 522171.04 Tong Close Switch Short to Ground
- 522172.04 Tong Open Switch Short to Ground
- 522174.04 Grapple Rotate CCW Switch Short to Ground
- 522175.04 Grapple Rotate CW Switch Short to Ground
- 522176.04 Secondary Steering Pressure Switch Short to Ground
- 522177.05 Tong Close Solenoid Open Circuit
- 522177.06 Tong Close Solenoid Short to Ground
- 522178.05 Tong Open Solenoid Open Circuit
- 522178.06 Tong Open Solenoid Short to Ground
- 522179.05 Grapple Rotate CCW Solenoid Open Circuit
- 522179.06 Grapple Rotate CCW Solenoid Short to Ground
- 522180.05 Grapple Rotate CW Solenoid Open Circuit
- 522180.06 Grapple Rotate CW Solenoid Short to Ground
- 522311.05 Rear Washer Pump Open Circuit
- 522311.06 Rear Washer Pump Short to Ground
- 522312.05 Front Washer Pump Open Circuit
- 522312.06 Front Washer Pump Short to Ground
- 522426.04 Rear Wiper Park Short to Ground
- 522427.04 Front Wiper Park Short to Ground
- 522433.05 Rear Wiper Open Circuit
- 522433.06 Rear Wiper Short to Ground
- 522434.05 Front Wiper Low Speed Open Circuit
- 522434.06 Front Wiper Low Speed Short to Ground
- 522435.05 Front Wiper High Speed Open Circuit
- 522435.06 Front Wiper High Speed Short to Ground
- 523577.05 Secondary Steering Open Circuit
- 523577.06 Secondary Steering Short to Ground
- 523795.05 Dual Mode Steering Open Circuit
- 523795.06 Dual Mode Steering Short to Ground
JDL Primary Controller (Modular Telematics Gateway)
- JDL - 000237.11 JDL Not Registered
- JDL - 000639.09 JDL Not Detecting CAN Bus Messages
- JDL - 000841.05 GPS Antenna Error - Open Circuit
- JDL - 000841.06 GPS Antenna Error - Grounded/Short Circuit
- JDL - 000964.13 Real Time Clock Failure
- JDL - 002850.02 Cellular Antenna Error - Abnormal Signal
- JDL - 002850.05 Cellular Antenna Error - Open Circuit
- JDL - 002850.06 Cellular Antenna Error - Grounded/Short Circuit
- JDL - 002852.11 Unable to Detect SIM Card
- JDL - 516672.14 Network Authorization Failed
- JDL - 522976.11 Unable to Load Custom Alerts
- JDL - 522976.13 Unable to Load Configuration
- JDL - 523310.00 Low Disk Space
- JDL - 600006.31 Vehicle Controls Not Operating Correctly
JL2 Secondary Controller (Modular Telematics Gateway)
- JL2 - 000237.11 JL2 Not Registered
- JL2 - 000639.09 JL2 Not Detecting CAN Bus Messages
- JL2 - 000841.05 GPS Antenna Error - Open Circuit
- JL2 - 000841.06 GPS Antenna Error - Grounded/Short Circuit
- JL2 - 000964.12 Real Time Clock Failure
- JL2 - 000964.13 Real Time Clock Failure
- JL2 - 002850.02 Cellular Antenna Error - Abnormal Signal
- JL2 - 002850.05 Cellular Antenna Error - Open Circuit
- JL2 - 002850.06 Cellular Antenna Error - Grounded/Short Circuit
- JL2 - 002852.11 Unable to Detect SIM Card
- JL2 - 522976.11 Unable to Load Custom Alerts
- JL2 - 522976.13 Unable to Load Configuration
- JL2 - 523310.00 Low Disk Space
SDM
- 000096.03 Fuel Level Sensor Out of Range High
- 000096.04 Fuel Level Sensor Out of Range Low
- 000107.00 Engine Air Filter Restriction Data Above Normal
- 000126.00 Transmission Oil Filter Restriction Data Above Normal
- 000158.00 System Voltage Data Above Normal
- 000158.01 System Voltage Data Below Normal
- 001508.00 Hydraulic Reservoir Oil Temperature Sensor Data Above Normal
- 001508.03 Hydraulic Reservoir Oil Temperature Sensor Out of Range High
- 001508.04 Hydraulic Reservoir Oil Temperature Sensor Out of Range Low
- 001508.16 Hydraulic Oil Temp Sensor Moderately High Value
- 001713.00 Hydraulic Oil Filter Restriction Data Above Normal
- 002000.09 ECU Communication Data Error
- 002000.13 ECU Communication Calibrate Error
- 002003.09 TCU Communication Data Error
SSM
- 002033.09 SSM Lost Communications
- 520752.04 SSM Button 17 Stuck
- 520752.09 SSM Button 17 No CAN Message
- 520753.04 SSM Button 18 Stuck
- 520753.09 SSM Button 18 No CAN Message
- 520754.04 SSM Button 19 Stuck
- 520754.09 SSM Button 19 No CAN Message
- 520755.04 SSM Button 20 Stuck
- 520755.09 SSM Button 20 No CAN Message
- 523335.04 SSM Button 25 Stuck
- 523335.09 SSM Button 25 No CAN Message
- 523336.04 SSM Button 24 Stuck
- 523336.09 SSM Button 24 No CAN Message
- 523338.04 SSM Button 23 Stuck
- 523338.09 SSM Button 23 No CAN Message
- 523339.04 SSM Button 22 Stuck
- 523339.09 SSM Button 22 No CAN Message
- 523340.04 SSM Button 21 Stuck
- 523340.09 SSM Button 21 No CAN Message
- 523849.04 SSM Button 16 Stuck
- 523849.09 SSM Button 16 No CAN Message
- 523850.04 SSM Button 15 Stuck
- 523850.09 SSM Button 15 No CAN Message
- 523852.04 SSM Button 14 Stuck
- 523852.09 SSM Button 14 No CAN Message
- 523854.04 SSM Button 13 Stuck
- 523854.09 SSM Button 13 No CAN Message
- 523855.04 SSM Button 12 Stuck
- 523855.09 SSM Button 12 No CAN Message
- 523856.04 SSM Button 11 Stuck
- 523856.09 SSM Button 11 No CAN Message
- 523857.04 SSM Button 10 Stuck
- 523857.09 SSM Button 10 No CAN Message
- 523858.04 SSM Button 9 Stuck
- 523858.09 SSM Button 9 No CAN Message
- 523860.04 SSM Button 8 Stuck
- 523860.09 SSM Button 8 No CAN Message
- 523861.04 SSM Button 7 Stuck
- 523861.09 SSM Button 7 No CAN Message
- 523862.04 SSM Button 6 Stuck
- 523862.09 SSM Button 6 No CAN Message
- 523863.04 SSM Button 5 Stuck
- 523863.09 SSM Button 5 No CAN Message
- 523864.04 SSM Button 4 Stuck
- 523864.09 SSM Button 4 No CAN Message
- 523865.04 SSM Button 3 Stuck
- 523865.09 SSM Button 3 No CAN Message
- 523867.04 SSM Button 2 Stuck
- 523867.09 SSM Button 2 No CAN Message
- 523868.04 SSM Button 1 Stuck
- 523868.09 SSM Button 1 No CAN Message
TCU
- 000158.03 Switched Power Out of Range High
- 000161.02 Transmission Input Speed Sensor Erratic or Bad Data
- 000177.00 Transmission Oil Temperature High
- 000177.03 Transmission Oil Temperature Sensor Out of Range High
- 000177.04 Transmission Oil Temperature Sensor Out of Range Low
- 000191.02 Transmission Output Speed Data Invalid
- 000525.02 Shift Parameter Erratic or Bad Data
- 000774.04 Bump Up Shift Switch Short to Ground
- 000775.04 Bump Down Shift Switch Short to Ground
- 000777.03 Lockup Clutch Out of Range High
- 000777.05 Lockup Clutch Out of Range Low
- 003509.04 Sensor Supply #1 Out of Range Low
- 003510.04 Sensor Supply #2 Out of Range Low
- 003511.04 Sensor Supply #3 Out of Range Low
- 003512.04 Sensor Supply #4 Out of Range Low
- 522002.31 Upshift and Downshift Inputs Active
- 522003.31 Neutral, Forward, and Reverse Inputs Passive
- 522004.04 Park and Not Park Active Out of Range Low
- 522005.03 Park and Not Park Active Out of Range High
- 522151.31 Shifter Neutral and Forward Inputs Active
- 522153.31 Shifter Neutral and Reverse Inputs Active
- 522169.04 Gear Enable/Differential Lock Switch Out of Range
- 522252.00 Clutch #1 Hold Value Out of Range High
- 522252.01 Clutch #1 Hold Value Out of Range Low
- 522253.00 Clutch #2 Hold Value Out of Range High
- 522253.01 Clutch #2 Hold Value Out of Range Low
- 522254.00 Clutch #3 Hold Value Out of Range High
- 522254.01 Clutch #3 Hold Value Out of Range Low
- 522255.00 Clutch #4 Hold Value Out of Range High
- 522255.01 Clutch #4 Hold Value Out of Range Low
- 522256.00 Clutch A Hold Value Out of Range High
- 522256.01 Clutch A Hold Value Out of Range Low
- 522257.00 Clutch B Hold Value Out of Range High
- 522257.01 Clutch B Hold Value Out of Range Low
- 522258.00 Clutch C Hold Value Out of Range High
- 522258.01 Clutch C Hold Value Out of Range Low
- 522259.00 Clutch D Hold Value Out of Range High
- 522259.01 Clutch D Hold Value Out of Range Low
- 522284.02 Transmission Cylinder Speed Data Invalid
- 522398.12 Not Park and Park Pressure Inputs Active
- 522414.03 Clutch D Out of Range High
- 522414.05 Clutch D Out of Range Low
- 522507.14 Calibrate While Inching
- 523655.03 Forward and Reverse Inputs Active
- 523697.04 Inching Pedal Top of Clutch Switch Short to Ground
- 523699.31 Speed Clutch Slippage
- 523700.16 Inching Pedal Limit Exceeded
- 523700.31 Directional Clutch Slippage
- 523708.02 Inching Pedal Switch Module Data Invalid
- 523708.04 Inching Pedal Bottom of Clutch Switch Short to Ground
- 523712.31 Park Brake Not Set During Calibration
- 523717.31 Holding Clutch Unexpected Response
- 523718.31 Cylinder Speed Invalid During Calibration
- 523720.00 Clutch D Fill Out of Range High
- 523720.01 Clutch D Fill Out of Range Low
- 523721.00 Clutch C Fill Out of Range High
- 523721.01 Clutch C Fill Out of Range Low
- 523722.00 Clutch B Fill Out of Range High
- 523722.01 Clutch B Fill Out of Range Low
- 523723.00 Clutch A Fill Out of Range High
- 523723.00 Clutch A Fill Out of Range Low
- 523724.00 Clutch 4 Fill Out of Range High
- 523724.01 Clutch 4 Fill Out of Range Low
- 523725.00 Clutch 3 Fill Out of Range High
- 523725.01 Clutch 3 Fill Out of Range Low
- 523726.00 Clutch 2 Fill Out of Range High
- 523726.01 Clutch 2 Fill Out of Range Low
- 523727.00 Clutch 1 Fill Out of Range High
- 523727.01 Clutch 1 Fill Out of Range Low
- 523728.31 Unexpected Cylinder Speed REV Calibration
- 523729.31 Unexpected Cylinder Speed FWD Calibration
- 523730.31 No Cylinder Speed Calibration
- 523731.31 Output Speed During Calibration
- 523732.31 Engine Speed Too Low During Calibration
- 523733.31 Engine Speed Too High During Calibration
- 523747.14 Not Park and Park Pressure Inputs Passive
- 523761.03 Clutch 4 Out of Range High
- 523761.05 Clutch 4 Out of Range Low
- 523762.03 Clutch 3 Out of Range High
- 523762.05 Clutch 3 Out of Range Low
- 523763.03 Clutch 2 Out of Range High
- 523763.05 Clutch 2 Out of Range Low
- 523764.03 Clutch 1 Out of Range High
- 523764.05 Clutch 1 Out of Range Low
- 523967.09 Top of Clutch Input Passive Abnormal Data Rate
- 524029.00 Inching Pedal Sensor Short to Power
- 524029.01 Inching Pedal Sensor Open or Short to Ground
- 524127.04 Declutch Pressure Switch Out of Range Low
- 524271.03 Clutch C Out of Range High
- 524271.05 Clutch C Out of Range Low
- 524272.03 Clutch B Out of Range High
- 524272.05 Clutch B Out of Range Low
- 524273.03 Clutch A Out of Range High
- 524273.05 Clutch A Out of Range Low


