ТР платформа телематики Mercedes Actros MP3
Электропитание ТР платформа телематики

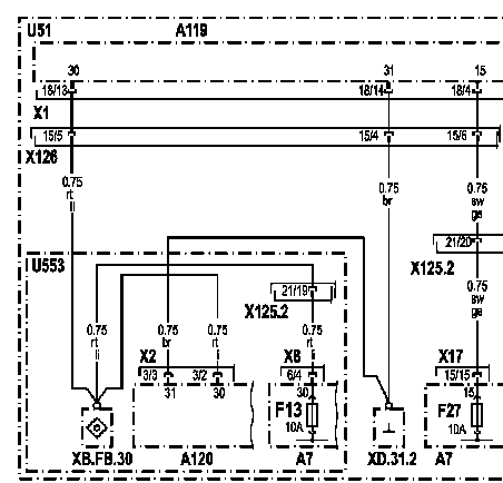
- U51 : Действительно для кабины водителя с высокой крышей
- А119 : ТР платформа телематики
- XI : 18-полюсное штекерное соединение блока управления ТР платформа телематики
- Х126: 15-полюсный штекерные соединения
- Х125.2: Штекерное соединение 'Крыша' со стороны переднего пассажира
- U553: Действительно для мобильного DispoPilot над ветровым стеклом
- А7 : Базовый модуль
- Х8 : 6-полюсное штекерное соединение блока управления Базовый модуль
- Х17 : 15-полюсное штекерное соединение блока управления Базовый модуль
- А120 : DispoPilot
- Х2 : 3-полюсное штекерное соединение блока управления DispoPilot
- XB.FB.30 : Сварная точка 'Клемма 30'
- XD.31.2 : Сварная точка 'Клемма KL.31'
Место установки блока управления ТР платформа телематики

- А119: ТР платформа телематики