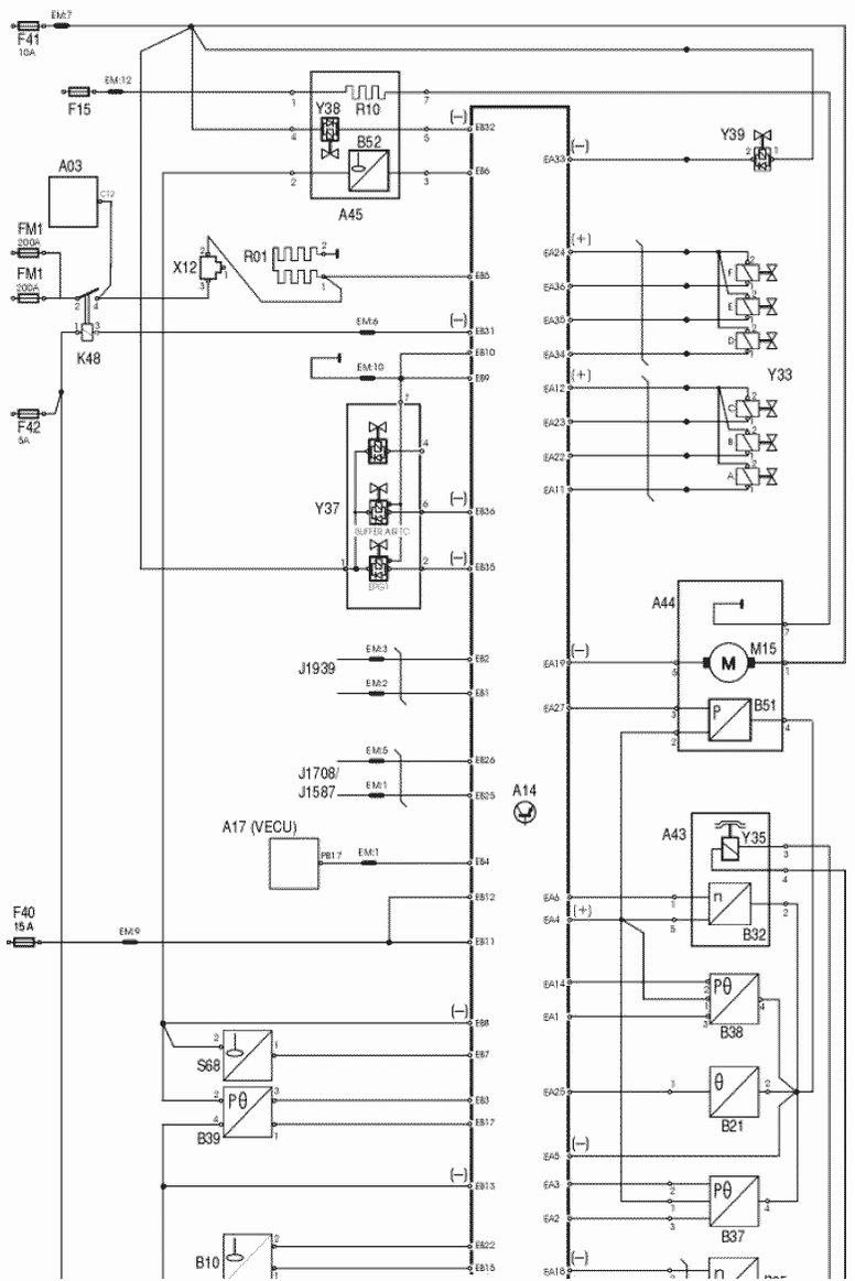
Модуль управления двигателем D12D VOLVO FH


Компонент Наименование
- A03 Центральный блок приборов
- A14 Модуль управления, система управления двигателем (EMS)
- A17 Модуль управления VECU (модуль управления автомобиля)
- A43 Группа компонентов двигателя. Включает B32 и Y35.
- A44 Группа компонентов двигателя. Включает B51 и M15.
- A45 Группа компонентов двигателя. Включает B52, R06 и Y38.
- B04 Датчик частоты вращения коленчатого вала
- B05 Датчик положения распределительного вала
- B10 Датчик уровня масла
- B21 Датчик температуры охлаждающей жидкости двигателя
- B32 Датчик скорости вентилятора охлаждения двигателя
- B37 Датчик давления и температуры нагнетаемого воздуха
- B38 Датчик давления и температуры масла
- B39 Датчик индикатора воздушного фильтра и температуры поступающего воздуха
- B51 Датчик давления топлива
- B52 Датчик уровня воды в водоотделителе
- B54 Датчик давления в картере
- F15 Предохранитель отопителя
- F40 Предохранитель модуля управления двигателем
- F41 Предохранитель, клапан ШИМ регулятора давления отработавших газов
- (EPG), электромагнитный клапан компрессионного тормоза Volvo, электрический сливной клапан водоотделителя.
- F42 Предохранитель, реле пускового подогрева двигателя, муфта вентилятора охлаждения
- FM1 Предохранитель, главный предохранитель пускового подогрева
- K48 Реле электропитания, пусковой подогрев двигателя
- M15 Электродвигатель топливного насоса
- R01 Пусковой нагревательный элемент
- R10 Нагревательный элемент топливного фильтра
- S68 Бесконтактный выключатель, уровень охлаждающей жидкости, NС.
- X12 Блок выводов, электропитание пускового подогрева двигателя
- Y33 Электромагнитный клапан UI (насос-форсунка)
- Y35 Электромагнитный клапан вентилятора охлаждения двигателя
- Y37 Электромагнитный клапан (клапан ШИМ), регулятор давления отработавших газов (EPG)
- Y38 Электромагнитный клапан слива воды из водоотделителя
- Y39 Электромагнитный клапан компрессионного тормоза Volvo