Пдготовка сжатого воздуха APM VOLVO

6 Информация о давлении в контуре стояночного тормоза
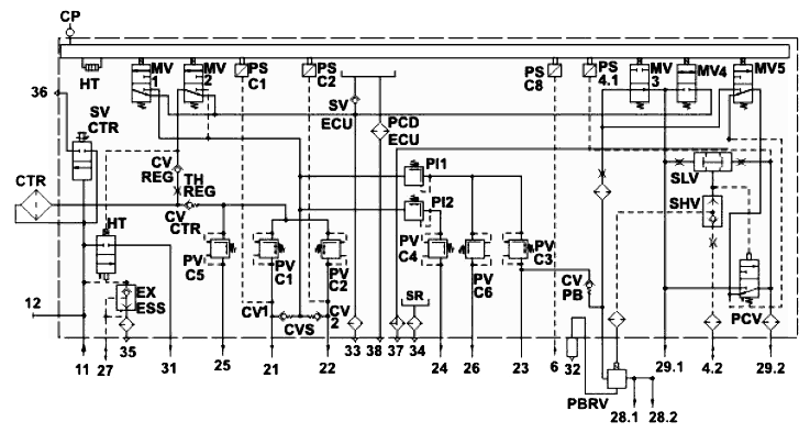
11 Впуск от компрессора
12 Вход наружной подачи воздуха
21 Выпуск контура рабочих тормозов передней оси
22 Выпуск контура рабочих тормозов задней оси
23 Выпуск тормозного контура прицепа
24 Выпуск сцепления и коробки передач
25 Выпуск пневматической подвески
26 Выпуск вспомогательных устройств
27 Управляющий сигнал для компрессора
28.1 Выпуск стояночного тормоза 1
28.2 Выпуск стояночного тормоза 2
29.1 Выпуск стояночного тормоза при незаторможенном прицепе
29.2 Выпуск стояночного тормоза при заторможенном прицепе
31 Главный выпуск, соединение глушителя
32 Ускорительный клапан выпуска стояночного тормоза
33-38 Вторичные выпуски
4.2 Управляющий впуск рабочих тормозов
C1, C2... Контур 1, контур 2
CP Центральная заглушка
CTR Патрон осушителя
CV Обратный клапан
CVS Последовательные обратные клапаны
EAC Электронное регулирование подачи воздуха
ECU Электронный блок управления
ESS Система энергосбережения
EX Выпуск
GOV Регулятор
HT Нагревательный элемент
MV Электромагнитный клапан (соленоид)
PB Стояночный тормоз
PBRV Ускорительный клапан стояночного тормоза
PCD Устройство компенсации давления
PCV Пневматический управляющий клапан
PL Ограничитель давления
PR Регулятор давления
PS Датчик давления
PV Защитный клапан контура
REG Регенерация
SHV Клапан выбора высокого уровня
SLV Клапан выбора низкого уровня
SR Пружинные гнезда
SV Предохранительный клапан
Throttle Н/П
Поступающий с компрессора воздух может содержать некоторое количество воды, масла и загрязнений. Когда сжатый воздух расширяется и охлаждается, вода в нем конденсируется.
Пневматическая система автомобиля должна быть защищена от внутренней коррозии, а ее трубопроводы от замерзания, поэтому воздух вначале должен быть отфильтрован и осушен.
Это осуществляется с помощью воздухоосушителя, который отделяет излишнюю влагу и остатки масла.
Назначение APM состоит в том, чтобы
● Управлять выработкой сжатого воздуха
● Обеспечивать сухой воздух
● Распределять сухой воздух на все пневматические системы автомобиля
● Предотвращать течь в контурах (с помощью предохранительных клапанов)
● Затягивать стояночный тормоз.
APM – это компактный узел, содержащий:
● Компоненты воздухоосушителя (включая патрон осушителя)
● Блок управления, соединенный каналом данных с подсетью шасси и шиной LIN (Локальная
коммутационная сеть) 12 с рычагом стояночного тормоза.
● 4-канальный клапан
● Два предохранительных клапана
● Ускорительный клапан стояночного тормоза с выпускным глушителем
● Ограничитель давления
● Электромагнитный привод
● Регулятор компрессора
● Датчики давления
● Резистор нагревателя.
Позволяя блоку управления контролировать фазу регенерации, можно оптимизировать осушение воздуха, благодаря чему продлевается срок службы патрона осушителя (молекулярного фильтра, отделяющего влагу под высоким давлением). Эта замкнутая система не подлежит ремонту, но поскольку сокращается количество клапанов, пневматических и электрических соединений, опасность возникновения утечки и электрической неисправности сводится к минимуму, и система становится более стабильной и надежной. Блок APM полностью интегрирован с коммуникационной системой автомобиля и таким образом может обмениваться данными с остальными блоками управления в электрической системе.
Воздухоосушитель
В воздухоосушителе вначале воздух проходит через масляный фильтр, который собирает водяные капли, масло и частицы грязи, которые сливаются через выпускной клапан в нижней части воздухоосушителя во время фазы регенерации. Затем воздух протекает через патрон осушителя, где оставшаяся влага отделяется путем абсорбции, что означает, что очень пористый гранулированный осушитель (молекулярный фильтр) собирает воду под высоким давлением. Затем сухой воздух распределяется по пневматической системе автомобиля.
Патрон осушителя
В патроне осушителя находятся пористые гранулы, поглощающие и удерживающие воду, а также масляный фильтр, который отделяет остатки масла из компрессора. Во избежание насыщения патрона осушителя во время фазы разгрузки выполняется регенерация, при которой сжатый воздух из баллонов протекает в противоположном направлении через воздухоосушитель и расширяется при атмосферном давлении. При падении давления из осушителя освобождается вода, подхватываемая и выносимая из патрона осушителя воздухом, а затем сливаемая. Этот процесс называется также десорбцией. В дополнение к этому вплывающее сообщение и желтая предупредительная лампа уведомляет водителя о необходимости остановки из-за возможного повреждения тормозного контура, когда патрон осушителя требует замены.
Четырехканальный клапан
Четырехканальный клапан, полностью интегрированный в замкнутую систему, распределяет сжатый воздух по разным пневматическим системам автомобиля. Распределение управляется в порядке приоритета, который обеспечивает, что сжатый воздух распределяется так, чтобы на автомобиле всегда было достаточно энергии для торможения. Рабочая тормозная система имеет наивысший приоритет, а стояночный тормоз – наинизший. Кроме того, сжатый воздух используется
● воздушным насосом, служащим для впрыска жидкости для доочистки выхлопных газов дизельного двигателя (AdBlue) в выхлопные газы для уменьшения выбросов (автомобили Евро 6);
● блоком AFI (Топливная форсунка системы доочистки выхлопных газов) для впрыска топлива в выхлопные газы для регенерации дизельного сажевого фильтра;
● пневматической подвеской;
● системой переключения передач.
Блок управления
Блок APM полностью интегрирован с коммуникационной системой автомобиля и таким образом может обмениваться данными с остальными блоками управления в электрической системе.
● Благодаря этой интеграции APM может управлять осушением воздуха и оптимизировать его подачу. Кроме того, подача и распределение сжатого воздуха может быть оптимизирована в соответствии с условиями эксплуатации автомобиля.
● Соединение посредством линии передачи данных позволяет также контролировать давление воздуха и передавать коды неисправности для отображения водителю. Затем APM может использовать эти коды для сообщения о всевозможных неисправностях, например, об утечке, снижении тормозных усилий или насыщении патрона осушителя.
● Блок управления управляет разными фазами работы воздухоосушителя и может таким образом оптимизировать срок службы патрона осушителя, выполняя регенерацию только при необходимости.
● В блоке управления имеются чувствительные датчики давления, из-за чего он очень чувствителен к внешним воздействиям и не подлежит ремонту.
● Кроме прочего, блок управления регулирует нагрев воздухоосушителя, чтобы не допустить замерзания жидкости внутри узла.
Разные уровни давления
С целью повышения эффективности использования дополнительной энергии и дальнейшей оптимизации повышения давления значения давления отсечки и сброса устанавливаются в соответствии с текущими условиями. APM работает в следующих режимах.

Встроенный нагреватель
Вокруг клапана сброса давления расположен термостатически управляемый нагревательный элемент, предотвращающий образование льда в холодную погоду. В условиях пониженной температуры и установке режима автомобиля "прогрев" или "работа" APMавтоматически включает встроенный нагреватель для подогрева предохранительного клапана.
Воздушные соединения
Воздушные соединения в основном сгруппированы на одной стороне APM. Шланги присоединены к APM посредством патрубков с простым механизмом фиксатора, обеспечивающим легкое присоединение. Патрубки легко отсоединяются с помощью специального инструмента. Для присоединения подающего воздушного шланга от компрессора к порту 11 используется только резьбовой фитинг. Выпускные порты расположены под APM. На выпускных портах имеются глушители, обеспечивающие снижение
уровня шума во время регенерации и разгрузки. Нагревательные контуры и регулярные выпуски предотвращают образование льда на выпускных портах.

Вход 11 Компрессор
Вход 12 Внешнее заполнение
Выход 21 Подача переднего тормозного контура
Выход 22 Подача заднего тормозного контура
Выход 23 Подача тормозного контура прицепа
Выход 24 Подача контура коробки передач
Выход 25 Подача контура пневматической подвески
Выход 26 Подача контура вспомогательного оборудования
Выход 27 Управляющий сигнал компрессора
Выход 28.1 Подача цилиндров стояночного тормоза 1
Выход 28.2 Подача цилиндров стояночного тормоза 2
Выход 29.1 Управляющий клапан тормоза прицепа
Выход 29.2 Не используется (управляющий клапан тормоза прицепа, прицеп заторможен стояночным тормозом)
Выпуск 4.2 Задний рабочий тормоз (выпуск EBS) / клапан ножного тормоза
Выпуск 31 Главный выпуск (на нижней стороне)
Выпуск 32 Выпуск стояночного тормоза (на нижней стороне)

Электрическое соединение расположено на противоположной стороне APM
Фазы работы воздухоосушителя
Работа воздухоосушителя разделяется на фазы повышения давления, поддержания, регенерации и восстановления давления. Фазы работы управляются блоком APM в соответствии с требованиями со стороны автомобиля, благодаря чему уменьшено количество компонентов и сводится к минимум износ.
Фаза зарядки

A. Влажный воздух от компрессора
B. Осушенный воздух
1 Разгрузочный клапан компрессора закрывается, когда от блока управления поступает команда повышения давления.
2 Необработанный воздух от компрессора поступает через порт 11 в предварительную камеру осушительного патрона, оснащенного фильтром, который отделяет от сжатого воздуха остатки масла.
3 Воздух проходит через боковые стороны патрона вверх, а затем вниз, через первичный фильтр и через осушитель. Осушитель абсорбирует и собирает воду из сжатого воздуха, чтобы осушить его.
4 После осушения воздух подается в корпус предохранительного клапана, в котором перепускные клапаны служат для приоритизации управляющего давления и поддержания независимости каждого контура сжатого воздуха. Давление в одном из контуров рабочих тормозов приоритизируется, и когда в нем достигается достаточное давление, клапаны открываются, чтобы повысить давление в остальных контурах.
Ограничители давления ограничивают максимальное давление в контурах прицепа и стояночного тормоза.
5 Значения давления в контурах подачи передних и задних тормозов измеряются датчиками давления PS C1 и PS C2 соответственно.
Фаза разгрузки
Когда давление в переднем тормозном контуре достигнет своего заданного уровня, блок управления начинает фазу разгрузки путем открытия электромагнитного клапана разгрузки (MV1), который пневматически открывает разгрузочный клапан. Обратный клапан поддерживает давление в системе.
UCLUAIRC: С порта 27 передается сигнал давления, который активизирует разгрузку компрессора. Поступающий с компрессора (порт 11) воздух теперь направляется непосредственно в выпускной порт (31).
CLU-AIRC: С порта 27 передается сигнал давления на сцепление, которое отключает компрессор и останавливает подачу воздуха.
Фаза регенерации

A. Влажный воздух от патрона осушителя
B. Осушенный воздух из воздушных баллонов
Фаза регенерации начинается автоматически каждый раз, когда разгружается компрессор, но длительность фазы регенерации варьируется в зависимости от количества воздуха, который прошел через патрон осушителя после предыдущей регенерации.
1 Количество воздуха рассчитывается в APM на основании информации от датчиков давления и ECM (Модуль управления двигателем), который выдает данные об оборотах двигателя. APM преобразует значение оборотов двигателя в величину расхода подаваемого воздуха на основании характеристик компрессора.
2 Управляющий регенерацией электромагнитный клапан (MV2) управляется блоком APM.
3 Обратный клапан, в нормальном состоянии предотвращающий протекание воздуха из воздушных баллонов в неправильном направлении, обходится путем открытия электромагнитного клапана регенерации, который направляет сухой воздух из баллонов (порты 21 и 22) в противоположном направлении через патрон осушителя и наружу через порт 31.
4 Обратный клапан не допускает протекания выпускаемого сжатого воздуха обратно в воздушные баллоны.
5 Атмосферное давление освобождает воду из патрона осушителя, что означает, что вода, грязь и масло увлекаются сжатым воздухом наружу через порт 31.
6 Глушитель снижает уровень шума от выпускного порта.
Система также выполняет короткую регенерацию при остановках автомобиля, чтобы в системе не оставалось сжатого воздуха, когда автомобиль не эксплуатируется. В отверстии выпускного порта могут присутствовать следы масла – это абсолютно нормальное явление, и принимать какие-либо меры не требуется.
Функции
APM управляет множеством функций, в том числе:
● Управление компрессором (подключение/отключение, регулирование уровней давления для разных контуров)
● Распределение воздуха под давлением по всем пневматическим контурам автомобиля
● Защита от утечки
● Обработка воздуха (отделение воды, задержание пыли/частиц и масла на выходе с компрессора)
● Информирование водителя (манометры, индикатор стояночного тормоза (P), сигнализация
стояночного тормоза, управление воздухом, обслуживание патрона осушителя)
● Прочая информация
● Управление стояночным тормозом
Распределение воздуха и защита контура
Функция распределения воздуха и защиты контура обеспечивает распределение осушенного,
очищенного воздуха под регулируемым давлением по всем потребляющим контурам. Каждый контур защищен от утечки, и если обнаруживается утечка в каком-либо контуре, он изолируется от остальных контуров. Давление в остальных контурах всегда поддерживается на уровне, который обусловлен законодательными требованиями.
Обнаружение утечки воздуха
APM контролирует работу потребляющих воздух устройств во время эксплуатации автомобиля. Расход воздуха не показывается по шине CAN (Контроллерная локальная сеть), APM контролирует колебания давления в воздушных баллонах и может обнаружить утечку воздуха.
● При возникновении утечки первого уровня сообщение не отображается на приборе, но внутри APM устанавливается код неисправности, который может быть считан диагностическим прибором (Volvo Tech Tool).
● При возникновении утечки второго уровня код неисправности устанавливается в APM и на прибор выводится всплывающее сообщение.
Обработка воздуха
Во время фазы зарядки (подключение компрессора), пыль, вода и масло отделяются посредством патрона осушителя. При каждой разгрузке компрессора на порту 27 APM повышается давление, что означает, что компрессор соединяется с атмосферным давлением, возникает шум выпуска (для CLU-AIRC компрессор отсоединен), и начинается фаза регенерации: чистый воздух из воздушных баллонов прокачивается в обратном направлении через патрон осушителя для его очистки. Количество подаваемого чистого воздуха пропорционально продолжительности предшествующей фазы подключения, что означает, что если предшествующая фаза подключения была длительной или очень длительной, то могут быть выполнены несколько последовательных фаз регенерации. При выключении двигателя выполняется выпуск через трубу компрессора и патрон осушителя. Кроме того, может быть
запущена завершающая регенерация, если это установлено параметрами.
Количество воздуха
На основе данных четырех датчиков давления APM регулирует давление воздуха в контуре переднего тормоза (один датчик), в контуре заднего тормоза (один датчик) и в контуре стояночного тормоза (два датчика). Он также определяет, затянут ли стояночный тормоз. Эта информация используется в трех направлениях:
● На приборной панели отображается давление в переднем и заднем тормозных контурах.
● Предупредительная лампа указывает на то, что давление воздуха слишком низкое.
● При затягивании стояночного тормоза загорается индикатор стояночного тормоза (P).
Защита от одновременного включения рабочего и стояночного тормозов
Эта система не допускает одновременного затягивания рабочих и пружинных тормозов.
Чтобы ограничить усилия на тормозах, APM ограничивает тормозное усилие на цилиндрах пружинных тормозов, как только затягиваются рабочие тормоза, посредством пневматического соединения между рабочими тормозами на задней оси и портом 4.2 на APM. Когда затягиваются рабочие тормоза, в результате этого повышается давление в порту 4.2, и сжатый воздух снова подается в цилиндры пружинных тормозов, чтобы частично отпустить стояночный тормоз. Эта функция является на 100% пневматической.
BSYS-EBS Кроме того, EBS (Тормозная система с электронным управлением) ограничивает давление в тормозных механизмах колес при затягивании стояночного тормоза.
Профилактическое техобслуживание патрона осушителя
В зависимости от расхода воздуха APM рассчитывает процентный износ патрона осушителя с момента его установки в систему. Эта процентная доля оценивается для проверки того, является ли большой расход воздуха временным условием или нет. Эта функция техобслуживания управляется блоком APM.
Когда заменяется патрон осушителя, необходимо сбросить счетчики (даты и % износа) или посредством меню на комбинации приборов, или с помощью диагностического прибора (Volvo Tech Tool). Когда выполняется сброс, передается сигнал на VMCU (Главный блок управления автомобиля), который сбрасывает данные в APM. Если патрон осушителя не заменен по запросу, желтая предупредительная лампа уведомляет водителя о необходимости немедленного обращения в сервисный центр во избежание повреждений в пневматической системе.
● Когда уровень износа достигает 92%, внутри APM устанавливается код неисправности, который можно считать с помощью диагностического прибора (Volvo Tech Tool).
● Когда уровень износа достигает 100%, на приборной панели отображается всплывающее сообщение о необходимости техобслуживания.
● Если патрон осушителя не заменяется и не выполняется сброс, при достижении износа 150% устанавливается код неисправности, и на приборной панели отображается всплывающее сообщение о неисправности пневматической системы вместе со значком SERVICE.