Ремонт подогревателей предпусковых дизельных серии 14ТС


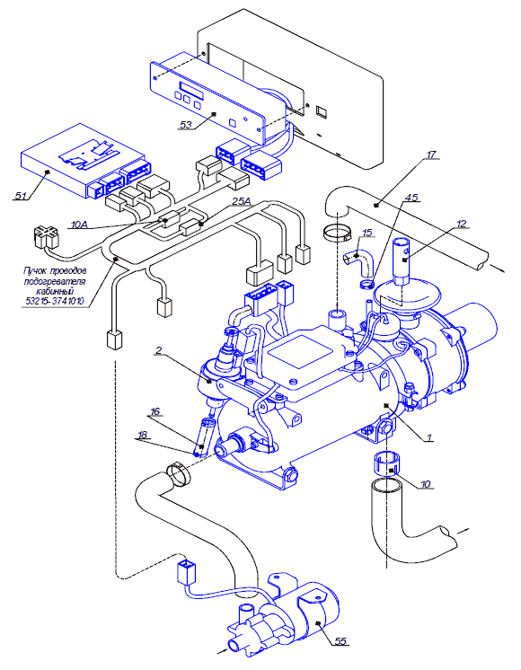
Рис.1- Комплектация подогревателя 14ТС-01

Рис. 2 - Основные узлы нагревателя

* На изделие 14ТС-10 вместо блока разъемов устанавливается блок управления 14ТС.451.01.04.00.000-01 или 14ТС.451.12.02.00.000 ( в зависимости от комплектации).
** Нагнетатель воздуха состоит из двух сборок 14ТС.451.01.01.03.000 (нагнетатель воздуха ) и 14ТС.451.01.01.02.000 (улитка) и поставляется комплектно на нагреватели 14ТС.451.01.00.00.000, 14ТС.451.01.00.00.000-10.
На нагреватели 14ТС.451.11.00.00.000, 14ТС.451.12.00.00.000 поставляется комплект 14ТС.451.11.01.01.000 (нагнетатель воздуха ) и 14ТС.451.01.01.02.000 (улитка).

1. Вид на разъемы жгута показан со стороны присоединительной части.
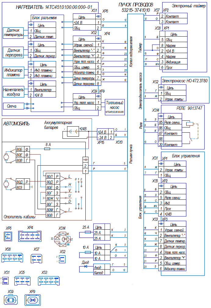
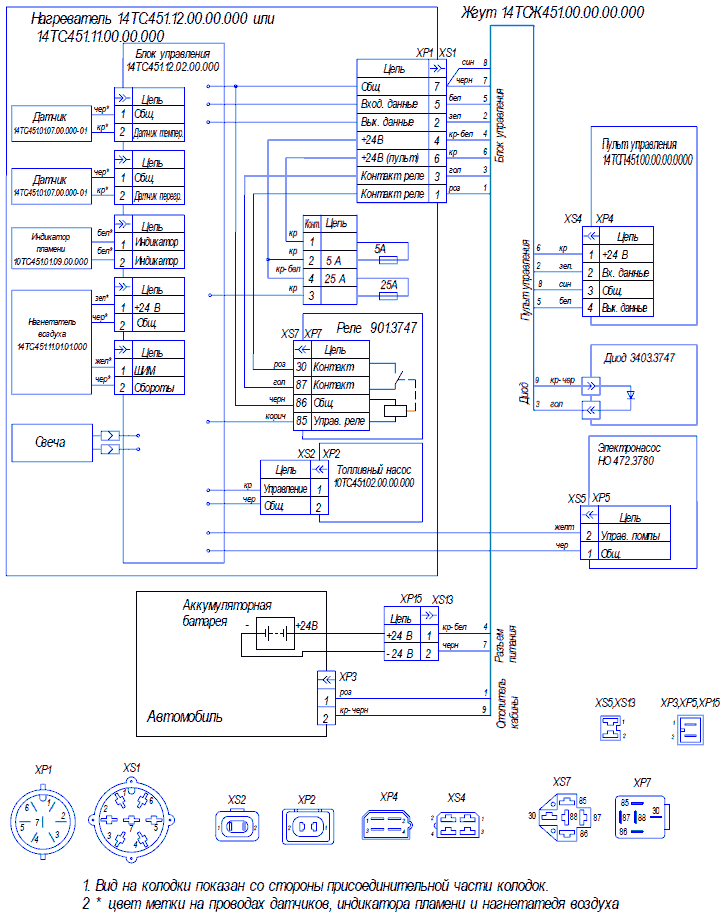
Рис. 3 – Cхема электрическая соединений 14ТС-01
(нагнетатель воздуха с электродвигателем 1.13.044. Buhler)

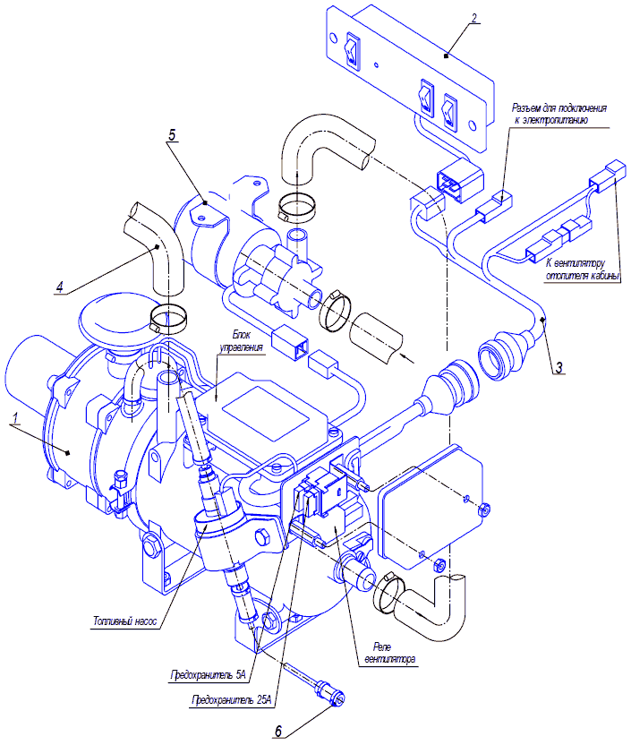
Рис. 4. Комплектация подогревателя 14ТС-10

* На корпус нагревателя установлены: топливный насос с топливопроводами, предохранительные колодки, реле вентилятора, блок управления.
Нагреватель 14ТС.451.11.00.00.000 и 14ТС.451.12.00.00.000 отличается от 14ТС.451.01.00.00.000-10 нагнетателем воздуха ( в который установлен электродвигатель АДВР.004.00.00.000 вместо электродвигателя 1.13.044. Buhler ) и блоком управления.
Нагреватель 14ТС.451.12.00.00.000 отличается от 14ТС.451.11.00.00.000 тем, что устанавливается свеча АДВР 008.00.00.000 вместо СН-06.

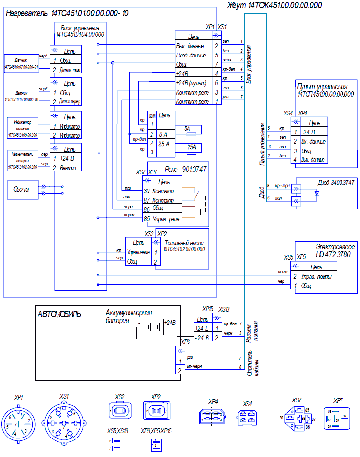
Рис.5 - Cхема электрическая соединений 14ТС-10 (нагнетатель воздуха с электродвигателем 1.13.044. Buhler)

Рис.6 - Cхема электрическая соединений 14ТС-10 (нагнетатель воздуха с электродвигателем АДВР.004.00.00.000)
Возможные неисправности подогревателей 14ТС-01 и 14ТС-10, их причины и методы устранения во время эксплуатации.
Во время эксплуатации подогревателя могут произойти отказы отдельных элементов подогревателя, замена которых может проводиться без снятия подогревателя с автомобиля (например: замена циркуляционного насоса (помпы); топливного насоса; блока управления; нагнетателя воздуха; свечи; датчиков температуры и перегрева; индикатора пламени).
Определение и устранение причин, приведших к возникновению неисправностей подогревателей, необходимо проводить в соответствии с методикой, указанной для подогревателя 14ТС-01 и 14ТС-10.
Устранение неисправностей, возникших при эксплуатации подогревателя 14ТС-01.
Причина неисправности подогревателя 14ТС-01, за исключением потери герметичности корпуса или потери теплообменником теплопроводности, определяется по коду высвечивающемуся на экране таймера электронного. Коды неисправностей, причины, приведшие к отказу, и методы устранения неисправности указаны в таблице ниже.




* Внимание!! Неисправности подогревателя часто возникают по причине, связанной с невнимательностью водителя, который не следит за подзарядкой аккумуляторной батареи, наличием и качеством топлива, наличием и качеством тосола, герметичностью топливопроводов, состоянием
воздухозаборника, выхлопной трубы и состоянием электропроводки.
Устранение неисправностей возникших при эксплуатации подогревателя 14ТС-10.
Причина неисправности подогревателя 14ТС-10, за исключением потери герметичности корпуса или потери теплообменником теплопроводности определяется количеством миганий (через паузу) светодиода на пульте управления. Количество миганий, причины, приведшие к отказу, и методы
устранения неисправности указаны в таблице ниже.




Назначение, ремонт и замена составных частей нагревателя.
Нагреватель, с установленными на нем узлами и деталями, для изделия 14ТС-01 показан на рис. ниже слева, а для изделия 14ТС-10 на рис. справа. Устройство нагревателя и его составные части одинаковы для предпусковых подогревателей 14ТС-01, 14ТС-10.

Рис. 7 – Нагреватель 14ТС-01
Рис. 8– Нагреватель 14ТС-10
Проверка и замена свечи накаливания.
Свеча накаливания обеспечивает воспламенение топливной смеси во время запуска подогревателя. Проверку работоспособности и замену свечи СН-06 проводить следующим образом:
- снять воздухозаборник поз 1, резиновую заглушку поз 2, закрывающий свечу, и отсоединить подходящие провода поз.3, идущие к свече поз. 4 ( см. рис.9).
- вывернуть свечу и снять с нее нагар.
- подключить свечу к источнику постоянного тока с напряжением 12-0,3 В и через 25 сек замерить потребляемый ток.
Потребляемый ток должен быть не более 10 А, при этом тэн свечи разогревается до ярко-красного цвета, начиная калиться с кончика свечи. Время испытания не более 120 сек. Время между включениями не менее 180 сек.
При потребляемом токе свечой более 10 А или если свеча калится не с кончика и не разогревается до ярко красного цвета, то свечу необходимо заменить.
- при замене свечи СН-06 монтаж производится в обратной последовательности.
Усилие затяжки :
- свечи поз. 4 не более 6 Нм;
- гайки М4 на стержне свечи не более 2 Нм.
Проверку работоспособности и замену свечи АДВР 008.00.00.000 проводить в соответствие с указаниями по свече СН-06. При демонтаже свечи АДВР 008.00.00.000 необходимо разъединить разъем поз.6 (см. рис. 10).
Усилие затяжки свечи поз. 4 не более (6±0,5) Нм.

Рис. 9- Демонтаж свечи СН-06

Рис. 10- Демонтаж свечи АДВР 008.00.00.000
Демонтаж и замена свечной сетки
Сетка предназначена для равномерной подачи топлива в камеру сгорания.
При замене или проверке свечи необходимо проверять и сетку на наличие нагара или засорения. При обнаружении нагара сетку необходимо заменить и установить согласно рисунку 9 в штуцер камеры сгорания до упора в корпус камеры сгорания, при этом предварительно прочистив отверстие φ 1,5 мм (от возможного засорения ).
После установки сетки проверить размер А (должен быть не менее 10 +0,5 мм) (см. рис. 11).

Рис 11- Схема установки свечки и сетки в камеру сгорания
Внимание !! Сетка должна устанавливаться с натягом до упора в корпус камеры сгорания.
При установке сетки не до упора в торец возможны сбои при запуске подогревателя.
Проверка, демонтаж и замена датчика температуры и датчика перегрева.
Датчик температуры служит для контроля температуры нагреваемой жидкости, а датчик перегрева для контроля температуры нагрева теплообменника.
Датчик температуры рабочей жидкости и датчик перегрева идентичны друг другу и представляют собой микросхему, вмонтированную в металлический корпус. Конструктивно датчик температуры (перегрева) изображен на рис. 12.

Рис. 12- Схема датчика перегрева и температуры
Технические характеристики датчика температуры (перегрева):
- выходной сигнал – напряжение;
- закон изменения выходного сигнала – линейный, величина сигнала увеличивается с ростом температуры;
- чувствительность – 10 мВ/град;
- величина выходного напряжения при температуре 0°С - 2,73 В;
- температурный диапазон -50°С … +155°С ;
- нелинейность не более 2°С.
Проверку работоспособности датчика температуры и датчика перегрева проводить по схеме, указанной на рис. 13 .
При коротком замыкании или при выходном напряжении, которое не соответствует измеряемой температуре, датчик заменить.

Рис. 13- Схема проверки датчика температуры (перегрева)
Демонтаж и замена датчика перегрева.
Демонтаж датчика перегрева проводить следующим образом (см рис.14):
- слить охлаждающую жидкость из системы автомобиля;
- отвернуть винты и снять крышку с блока разъемов или блока управления;
- отсоединить контакты проводов датчика перегрева от разъема, предварительно ослабив винты в разъеме;
- вынуть уплотнение кабеля датчика из корпуса блока разъемов или блока управления;
- отвернуть винт, снять прижим с датчика и извлечь датчик из корпуса нагревателя;
- при замене датчика перегрева монтаж производится в обратной последовательности, при этом присоединение контакта с проводом, имеющим черную метку (или черный провод), устанавливать в гнездо разъема с меткой в виде черной точки над гнездом разъема. После установки датчика необходимо залить тосол и удалить воздух из жидкостного контура, руководствуясь предписаниями
завода-изготовителя автомобиля.

Рис.14- Установка и демонтаж датчика перегрева
Демонтаж и замена датчика температуры.
Демонтаж датчика температуры проводить следующим образом (см. поз.5 рис.8):
- слить охлаждающую жидкость из системы автомобиля;
- отвернуть винты и снять крышку с блока разъемов или блока управления;
- отсоединить контакты проводов датчика температуры от разъема;
- вынуть уплотнение кабеля датчика из корпуса блока разъемов или блока управления;
- снять шплинт или отвернуть винт прижима и извлечь датчик из корпуса нагревателя;
- при замене датчика температуры монтаж производится в обратной последовательности, при этом присоединение контакта с проводом, имеющим черную метку (или черный провод), устанавливать в гнездо разъема с меткой в виде черной точки над гнездом. После установки датчика необходимо залить тосол и удалить воздух из жидкостного контура, руководствуясь предписаниями завода-изготовителя автомобиля.
Проверка, демонтаж и замена индикатора пламени.
Индикатор пламени служит для определения наличия пламени в камере сгорания. Он представляет собой трубку с вмонтированной лампочкой с вольфрамовой нитью. Индикатор размещается в районе выхода отработанных газов. Конструктивно индикатор пламени изображен на рис.15.

Рис. 15- Схема устройства индикатора пламени
Проверку индикатора пламени проводить следующим образом:
- отвернуть винты и снять крышку с блока разъемов или блока управления (см. рис.14);
- отсоединить контакты проводов индикатора пламени от разъема и провести проверку работоспособности индикатора пламени.
Проверку работоспособности индикатора пламени проводить замером сопротивления между контактами проводов. При температуре +25°С R ном должно быть 26 … 32,5 Ом , при коротком замыкании или обрыве цепи сопротивление, соответственно, должно быть R к.з ≤ 10 Ом и R обр ≥ 90 Ом.
Проверить К.З. индикатора пламени, на его корпус R к.з =10 МОм.
При неисправности индикатор пламени заменить.
Демонтаж индикатора пламени проводить следующим образом:
- отвернуть винты и снять крышку с блока разъемов или блока управления ( см. рис.14);
- отсоединить контакты проводов индикатора пламени от разъема;
- вынуть уплотнение кабеля индикатора пламени из корпуса блока разъемов или блока управления;
- отвернуть винты крепления переходника и нагнетателя воздуха и отсоединить нагнетатель воздуха;
- отвернуть гайку (винт) прижима индикатора (рис 16) и извлечь индикатор пламени из переходника вместе с уплотнителем;
- при замене индикатора пламени монтаж производится в обратной последовательности.

Рис 16- Нагреватель со снятым нагнетателем воздуха для замены индикатора пламени
Назначение, демонтаж и замена нагнетателя воздуха
Нагнетатель воздуха см. рис.17 подает воздух в камеру сгорания для обеспечения горения на режимах «полный», «средний» и «малый». Изменения расхода воздуха, подаваемого в камеру сгорания, происходит засчет изменения напряжения подаваемого на электродвигатель нагнетателя воздуха.
Нагнетатель воздуха производит продувку камеры сгорания перед началом и окончанием процесса горения с целью охлаждения камеры сгорания , удаления влаги и удаления оставшегося топлива.
На всасывающее отверстие для защиты от грязи устанавливается воздухозаборник с встроенным сетчатым фильтром.
При выходе из строя электродвигателя или крыльчатки (определяется по шуму и малому напору воздушного потока) нагнетатель воздуха ремонту не подлежит и заменяется на новый
Демонтаж нагнетателя воздуха проводить следующим образом :
- отвернуть винты и снять крышку с блока разъемов или блока управления;
- отсоединить контакты проводов нагнетателя воздуха от разъемов;
- вынуть уплотнение кабеля нагнетателя воздуха из корпуса блока разъемов или блока управления.;
- отвернуть винты и отсоединить нагнетатель воздуха от переходника;
- при замене нагнетателя воздуха монтаж производится в обратной последовательности, при этом присоединение контакта с проводом, имеющим черную метку (или черный провод), устанавливать в гнездо разъема с черной меткой в виде черной точки над гнездом..

Рис 17- Нагнетатель воздуха
Назначение, демонтаж и замена камеры сгорания.
Камера сгорания испарительного типа предназначена для создания и сжигания топливовоздушной смеси.
Признаками выхода из строя камеры сгорания считается увеличение дымности на выходе из нагревателя.
Демонтаж камеры сгорания проводить следующим образом см рис.21:
- слить охлаждающую жидкость из системы автомобиля;
- отвернуть винты и снять крышку с блока разъемов или блока управления;
- провести демонтаж свечи накаливания согласно п. 5.1;
- провести демонтаж нагнетателя воздуха согласно п. 5.5;
- провести демонтаж индикатора пламени согласно п.5.4;
- отвернуть болт стягивающий хомут и разъединить переходник с корпусом подогревателя;
- снять завихритель отвернув при этом две гайки;
- отвернуть винты, крепящие камеру сгорание с переходником, и снять камеру сгорания;
- после демонтажа камеру сгорания необходимо очистить от нагара, провести чистку отверстия ∅ 1.5 мм, предназначенного для подачи воздуха на свечу (см. рис. 11), очистить пазы, предназначенные для прохода воздуха внутрь камеры сгорания , показанного на рис. 19 стрелкой, и продуть сжатым воздухом.
Если в процессе чистки и промывки камеры сгорания обнаружатся сгоревшие детали, то камеру сгорания необходимо заменить.
- при замене камеры сгорания монтаж производится в обратной последовательности, при этом заменить прокладку, устанавливаемую между камерой сгорания и переходником ( поз.7 рис.2 ).

Рис.18- Камера сгорания с переходником и индикатором пламени.

Рис 19-Камера сгорания без завихрителя
Назначение, демонтаж и замена теплообменника
Теплообменник (рис 20) предназначен для передачи тепла от раскаленного газового потока, образовавшегося от сгорания топливовоздушной смеси, к охлаждающей жидкости, циркулирующей в жидкостной рубашке нагревателя.
Неисправности, которые могут возникнуть в процессе эксплуатации теплообменника - это потеря теплопроводности по причине отложения на внутренних стенках и ребрах продуктов сгорания дизельного топлива нагара и сажи, а также потери герметичности. Признаками потери теплообменником теплопроводности считается увеличение температуры выхлопных газов из
нагревателя свыше 550 °С (нормальная от 420 до 500°С).
Демонтаж теплообменника проводить следующим образом (рис.21):
- слить охлаждающую жидкость из системы автомобиля ;
- отвернуть винты и снять крышку поз.1 с блока разъемов или блока управления;
- отсоединить контакты проводов от разъемов поз.2.;
- вынуть уплотнение кабеля нагнетателя воздуха, индикатора пламени из корпуса блока разъемов или блока управления;
- снять воздухозаборник, резиновый колпачок поз. 4, закрывающий свечу, и отсоединить провода свечи;
- отвернуть болт стягивающего хомута поз. 3 и отсоединить корпус нагревателя с теплообменником от сборки переходника с нагнетателем воздуха и камерой сгорания поз.5;
- извлечь из корпуса нагревателя теплообменник;
- после демонтажа очистить внутреннюю часть теплообменника от нагара и сажи и внешнюю от возможных отложений;
- при замене теплообменника монтаж производится в обратной последовательности, при необходимости заменить уплотнительное кольцо поз. 6, устанавливаемое между теплообменником и корпусом нагревателя. При установке теплообменника в корпус его необходимо устанавливать, как показано на рис.21 совмещая линию углублений на винтовом ребре с верхним литьевым разъемом на
корпусе.

Рис.20- Теплообменник

Рис.21- Демонтаж нагревателя.
Ремонт и замена составных частей подогревателя.
Назначение, демонтаж и замена электродвигателя с насосом (помпы).
Помпа обеспечивает циркуляцию теплоносителя в охлаждающем контуре автомобиля и нагревателе (см. рис 22).
Основные параметры помпы:
- производительность до 1800 л/ч ;
- номинальное напряжение питания 24±0,5 В;
- потребляемый ток не более 1,9А.
При течи рабочей жидкости (тосола) по уплотнениям из насоса или при неисправности электромотора (короткое замыкание в электродвигателе) помпу демонтировать и заменить.
Демонтаж помпы:
-слить охлаждающую жидкость из системы автомобиля;
- разъединить разъем между помпой и нагревателем;
-отсоединить помпу от жидкостной системы автомобиля, для этого ослабить стяжные хомуты и снять резиновые рукава с входного и выходного патрубка помпы, при этом отверстие в резиновых рукавах закрыть заглушкой;
-отвернуть два болта крепления помпы и отсоединить ее от места крепления;
- при замене помпы монтаж производится в обратной последовательности.
После установки помпы необходимо удалить воздух из жидкостного контура автомобиля, руководствуясь предписаниями завода-изготовителя автомобиля.

Рис.22- Электродвигатель с насосом (помпа)
Реле вентилятора отопителя салона.
Реле служит для включения/отключения вентилятора отопителя салона автомобиля.
Номинальное напряжение питания 24 В.
Номинальный ток 0.3 А.
Если вентилятор автомобиля автоматически не включается при нагреве охлаждающей жидкости предпусковым подогревателем при температуре 55°C, то необходимо заменить или проверить на работоспособность реле вентилятора следующим образом:
-замерить сопротивление катушки на штыревых контактах 85 и 86 ( см.рис. 23 )
Сопротивление должно быть (280±20) Ом;
-замерить сопротивление на штыревых контактах 30 и 88.
Сопротивление должно быть равно нулю;
- подать напряжение 24В на штыревые контакты 85 и 86 и одновременно замерить сопротивление на штыревых контактах 30 и 87.
Сопротивление на штыревых контактах 30 и 87 должно быть равно нулю, а на штыревых контактах 30 и 88 равно mах (разрыв цепи).

Рис.23- Реле вентилятора 901.3747
Назначение, определение неисправности, демонтаж и замена топливного насоса.
Топливный насос ( рис24) служит для дозированной подачи топлива в камеру сгорания.
Основные параметры топливного насоса :
- номинальное напряжение питания - 24 В;
- сопротивление катушки –18.6- 20.5 Ом.
Возможные виды неисправностей топливного насоса в составе подогревателя:
а) во время запуска подогревателя топливо не поступает к топливной трубке камеры сгорания и не прослушивается характерный стук в топливном насосе;
б) топливо поступает к топливной трубке нагревателя с запозданием (исчерпаны 2 попытки запуска).
Устранения возникших неисправностей и определения производительности топливного насоса проводить следующим образом:
- перед устранением возможных неисправностей необходимо проверить наличие топлива в баке и в фильтре, который установлен в линии подачи топлива;
- убедиться, что электропроводка и разъемы находятся в исправном состоянии;
- убедиться в герметичности топливопровода на всем протяжении до топливного насоса и от топливного насоса до нагревателя;
-проверить топливный насос на перемещение поршня по стуку, для чего присоединить к топливному насосу автоматическое устройство подкачки топлива (схема устройства и работа с ним показана ниже). Допускается снять топливный насос и встряхнуть, если не прослушивается характерный стук (возможно
залипание поршня внутри насоса по причине длительного хранения или по причине невыполнения профилактических мероприятий;
- проверить герметичность соединения между корпусом топливного насоса и штуцером см. рис 24 воздухом давлением Рисп= 1кгс/см 2 (давления подводить со стороны входа и выхода одновременно), если соединение негерметично, то допускается установка штуцера на герметик;
- если все вышеперечисленные неисправности устранены, то необходимо установить топливный насос на автомобиль и устройством подкачки топлива заполнить топливом топливопровод до нагревателя. Снять конец топливопровода с топливной трубки нагревателя и поместить его в мензурку объемом 50-100 мл с ценой деления не более 1 мл для замера производительности топливного насоса.
Запустить подогреватель и проверить какое количество топлива топливный насос закачает в мензурку за две автоматические попытки запуска подогревателя.
Количество топлива в мензурке должно быть 35 мл ±5%. Если количество топлива будет меньше или больше 35 мл, то топливный насос заменить.

Рис. 24 Топливный насос
Демонтаж и монтаж топливного насоса:
- ослабить стяжные хомуты и снять топливопроводы со штуцеров топливного насоса;
- отсоединить электропроводку от топливного насоса;
- ослабить винт на стяжном хомуте и снять топливный насос;
- при замене топливного насоса монтаж производится в обратной последовательности.
Автоматическое устройство подкачки топлива (в комплект подогревателя не входит)
Автоматическое устройство подкачки топлива (далее АУПТ см. схему на рис.25) предназначено для заполнения топливопровода предпускового подогревателя 14ТС-01 или 14ТС-10 топливом после установки последнего на автомобиль, либо после проведения ремонтных или профилактических работ на подогревателе с целью исключения «холостой» работы подогревателя.
Порядок работы:
- отключить жгут питания от топливного насоса;
- снять топливопровод с топливной трубки нагревателя. При прокачке топлива через топливопровод предусмотреть слив излишек топлива в отдельную емкость;
- подключить к топливному насосу жгут АУПТ;
- подключить, соблюдая полярность, питающий жгут АУПТ к аккумуляторной батарее или к другому источнику постоянного тока с напряжением питания Uп = 24В;
- включить АУПТ и заполнить топливопровод топливом;
- отключить АУПТ от источника питания;
- установить и закрепить хомутом топливопровод к топливной трубке нагревателя;
- отключить жгут АУПТ от топливного насоса;
- подключить к топливному насосу жгут питания от подогревателя

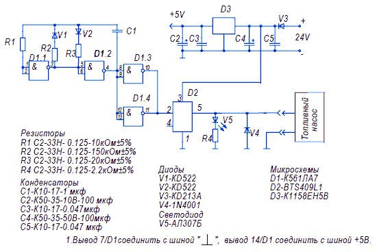
Рис25- Схема электрическая принципиальная АУПТ
Демонтаж и замена блока управления.
Блок управления изготавливается двух видов и различается по способу подсоединения к подогревателю. Блок управления на 14ТС-01 присоединяется к разъему жгута автомобиля и имеет вид (см. Рис 26). Блок управления на 14ТС-10 устанавливается на нагреватель и своим разъемом присоединяется к электрожгуту подогревателя.
Блок управления служит для автоматического управления работой подогревателя. Он обеспечивает следующие операции:
- начальную диагностику узлов подогревателя в начале запуска;
- режим розжига;
- переход с режима на режим (полный , средний, малый ,остывание);
- при достижении охлаждающей жидкости определенной температуры включение вентилятора отопителя кабины;
- режим выключения (по истечению заданного времени работы и при появлении неисправности);
Ведет постоянный контроль за:
- исправностью датчика температуры;
- исправностью датчика перегрева;
- исправностью индикатора пламени;
- исправностью топливного насоса;
- исправностью помпы;
- исправностью нагнетателя воздуха;
- срывом пламени в камере сгорания.
При определении неисправности блока управления необходимо убедиться, что все составные части предпускового подогревателя исправны, после чего провести замену блока управления, и если предпусковой подогреватель с новым блоком управления будет работоспособен, то снятый считается неработоспособным и подлежит замене.
Демонтаж блока управления подогревателя 14ТС-01 производится следующим образом:
- отжать фиксатор и снять блок управления со скобы крепления в кабине автомобиля;
- отсоединить от кабинного жгута.
Монтаж производится в обратной последовательности.
Вышедший из строя блок управления ремонту не подлежит.
Демонтаж блока управления подогревателя 14ТС-10 проводится следующим образом:
- отвернуть винты и снять крышку с блока управления;
- отсоединить от разъемов провода датчика температуры, перегрева, нагнетателя воздуха, индикатора пламени;
- отсоединить разъем от топливного насоса, помпы и от жгута;
- отсоединить провода от свечи;
- отвернуть винты крепления корпуса блока управления.
Монтаж блока управления проводить в обратной последовательности.

Рис 26- Блок управления 14ТС-01
Демонтаж и замена таймера электронного или пульта управления.
Таймер электронный и пульт управлений предназначены для применения в составе подогревателя в качестве устройства обеспечивающее ручное управление подогревателем.
Для избежания ошибки при оценке работоспособности таймера электронного или пульта управления необходимо провести замену на исправный таймер электронный или пульт управления. Если с новым таймером или пультом причина неисправности предпускового подогревателя будет устранена, то снятый таймер или пульт считается неработоспособным и подлежит демонтажу.
Демонтаж таймера электронного или пульта управления проводится следующим образом:
- отсоединить разъемы таймера или пульта от разъемов жгута;
- отвернуть винты крепления и извлечь таймер или пульт из приборной панели автомобиля;
- при замене таймера или пульта монтаж производится в обратной последовательности.

Рис. 27- Таймер электронный 4202.3777010

Рис.28-Пульт управления 14ТСП.451.00.00.00.000
Описание работы подогревателя.
Подогреватель предназначен для разогрева жидкости системы охлаждения двигателя автомобиля, принудительно прокачиваемой через теплообменную систему подогревателя. В качестве источника тепла используются газы от сгорания топливовоздушной смеси в камере сгорания. Через стенки теплообменника нагревателя тепло передается охлаждающей жидкости системы охлаждения
двигателя автомобиля.
При включении подогревателя осуществляется тестирование и контроль работоспособности элементов подогревателя: индикатора пламени, датчиков температуры и перегрева, помпы, электромотора нагнетателя воздуха, свечи, топливного насоса и их электроцепей. При исправном состоянии начинается процесс розжига. Одновременно включается циркуляционный насос (помпа).
Подогреватель может работать по одной из двух программ: «экономичная» или «нормальная» с установленным пультом управления. Если установлен таймер электронный или кнопка подогреватель будет работать только по программе «нормальная». Экономичная программа отличается меньшей потребляемой мощностью на режимах «средний» и «малый».
По заданной программе происходит предварительная продувка камеры сгорания и разогрев до необходимой температуры свечи накаливания. Затем по той же программе начинает подаваться топливо и воздух. В камере сгорания начинается процесс горения. После образования стабильного горения происходит отключение свечи накаливания. Контроль пламени осуществляется индикатором пламени.
Всеми процессами при работе подогревателя управляет блок управления.
Блок управления осуществляет контроль температуры охлаждающей жидкости и в зависимости от величины температуры охлаждающей жидкости устанавливает режимы работы подогревателя: «полный», «средний», «малый» или режим остывания.
На режиме «полный» по программе «нормальная» охлаждающая жидкость нагревается до 70°C, по программе «экономичная» до 55°C , а при нагреве свыше 70°C или 55°C, соответственно, переходит на режим «средний».
На режиме «средний» по программам «нормальная» или «экономичная» охлаждающая жидкость нагревается до температуры 75°C, а при нагреве свыше 75°C подогреватель переходит на режим «малый». На режиме «малый» охлаждающая жидкости нагревается до 80°C (по обеим программам), а при нагреве свыше 80°C переходит на режим «остывания», при этом прекращается процесс горения, продолжается работа помпы и обогрев салона автомобиля. При охлаждении жидкости ниже 55°С по программе «нормальная» подогреватель автоматически включается вновь на режим «полный», а по программе «экономичная» на режим «средний». Продолжительность полного цикла в зависимости от системы управления (пульт или таймер). Кроме того, имеется возможность выключить подогреватель в любой момент цикла.
При подаче команды на выключение подогревателя вручную или автоматически по программе прекращается подача топлива и производится продувка камеры сгорания воздухом.
Особенности автоматического управления работой подогревателя в аварийных и нештатных ситуациях:
1) если по каким-либо причинам не произошёл запуск подогревателя, то процесс запуска автоматически повторится. После 2-х неудачных попыток происходит выключение подогревателя;
2) если во время работы подогревателя горение прекратится, то подогреватель выключится;
3) при перегреве подогревателя (например, нарушена циркуляция охлаждающей жидкости, воздушная пробка и др.) происходит автоматическое выключение подогревателя;
4) при падении напряжения ниже 20В или его повышении свыше 30В происходит выключение подогревателя;
5) при аварийном выключении подогревателя при установленном таймере электронном на таймере появляется цифровой код неисправностей. Расшифровку и устранения неисправности см. в таблице 4;
6) при аварийном выключении подогревателя при установленном пульте управления на пульте начнет мигать светодиод «КОНТРОЛЬ». Количество миганий через паузу показывает вид неисправности. ВНИМАНИЕ.
Обогрев кабины автомобиля возможен только при открытом положении крана отопителя салона.