Обзор нейтрализации ОГ MAN
(тренинг персонала сервиса)

Пути соблюдения евростандартов
Существует два способа соблюдения евростандарта:
Внутри двигателя с задержанием или обратной подачей ОГ (AGR - рециркуляция ОГ).
Содержащиеся в выхлопах двигателя окислы азота обрабатываются внутри двигателя до соответствия евростандартам.
Для двигателей MAN существуют разные варианты:
- Euro 3 внутреннее задержание ОГ путем изменения времени управления клапанами
- Euro 3 и Euro 4 с внешней рециркуляцией ОГ
- Euro 5 (D08 и автобусные двигатели D20,D26) с внешней рециркуляцией ОГ
- EEV (особо экологичное транспортное средство) для грузовиков с PM-Kat® (фильтр частиц) и в автобусах с CRT (избирательное каталитическое восстановление).
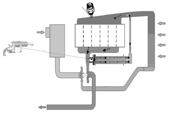
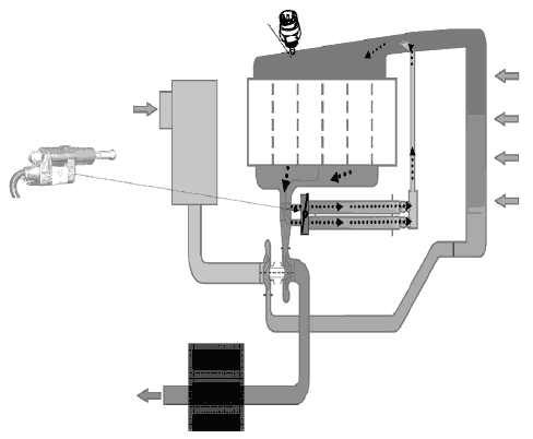
Сокращение содержания вредных веществ (NOx) с помощью технологии MAN AdBlue® (Selective Catalytic Reduction)
Содержащиеся в выхлопах двигателя окислы азота обрабатываются в катализаторе до соответствия евростандартам.
- Двигатели Euro 5 для тяжелой серии TGA, TGS, TGX (двигатели D20, D26, D2868-V8)
Примеры евростандартов в виде схем Euro3
Двигатели Euro3 с обратной подачей ОГ и цилиндром рециркуляции ОГ с регулятором "черный/белый".
Отличительный признак:
• Степень рециркуляции ОГ (AGR) около 10%

- Моторное масло Euro3 по нормативу M-3277
- Максимальный интервал замены масла 120000 км (двигатели D20)
- Максимальный интервал замены масла 100000 км (двигатели D28)
- Максимальный интервал замены масла 80000 км (двигатели D08)
Euro4
Двигатели Euro4, выпущенные до октября 2006 (предпочтительно Euro4)
Отличительные признаки:
• Степень рециркуляции ОГ около 20% (регулятор "черный/белый ")
• С сажевым фильтром

- Моторное масло Euro4 по нормативу M-3477
- Максимальный интервал замены масла 90000 км (двигатели D20, D26)
- Максимальный интервал замены масла 80000 км (двигатели D08)
Euro4 с OBD1
С момента первого допуска к эксплуатации 10.2006
Отличительные признаки:
• Символ OBD (устройство бортовой диагностики) (MIL=лампа индикатора неисправности) на приборной панели.
• Датчик давления наддува с встроенным температурным датчиком
• Цилиндр рециркуляции ОГ с пропорциональным клапаном с позиционным управлением
• С сажевым фильтром
• Датчик относительного давления ОГ
• Датчик температуры отработанных газов перед катализатором

- Моторное масло Euro4 по нормативу M-3477
- Максимальный интервал замены масла 120000 км (двигатели D20, D26)
- Максимальный интервал замены масла 80000 км (двигатели D08)
Euro4 с OBD1 и контролем NOx
С момента первого допуска к эксплуатации 10.2007
Отличительные признаки:
• Символ OBD (устройство бортовой диагностики) (MIL=лампа индикатора неисправности) на приборной панели.
• Датчик давления наддува с встроенным температурным датчиком
• Цилиндр рециркуляции ОГ с пропорциональным клапаном с позиционным управлением
• С сажевым фильтром
• Датчик относительного давления ОГ
• Датчик температуры выхлопных газов перед катализатором
• Лямбда-зонд

- Моторное масло Euro4 по нормативу M-3477
- Максимальный интервал замены масла 120000 км (двигатели D20, D26)
- Максимальный интервал замены масла 80000 км (двигатели D08)
Euro5 с рециркуляцией ОГ, OBD1 и контролем окислов азота, OBD2 (с 10.2009)
Отличительные признаки:
• Символ OBD (MIL) на приборной панели
• Степень рециркуляции ОГ около 30%
• До двух датчиков давления наддува с встроенными датчиками температуры
• Цилиндр рециркуляции ОГ с пропорциональным и магнитным клапаном с позиционным управлением
• Регулируемый двухступенчатый наддув, до двух пропорциональных клапанов
• Датчик температуры ОГ - датчик относительного давления ОГ - лямбда-зонд
• Euro5 с оксидационным катализатором (двигатель D08)
• EEV с PM-Kat®, городские автобусы с фильтром CRTec® (D08, двигатель D20)

- Моторное масло Euro5 по нормативу M-3477
- Максимальный интервал замены масла 120000 км (двигатели D20, D26)
- Максимальный интервал замены масла 80000 км (двигатели D08)
Euro5 с AdBlue с/без OBD1 и OBD1 контроль окислов азота, OBD2 (с 10.2009)
Без OBD до 10.2006 (без контроля установки при D2066 LF21/22)
OBD1 без контроля окислов азота, датчик окислов азота отсутствует (до 10.2007)
OBD1 с контролем окислов азота с помощью датчика окислов азота (с 10.2007)
Отличительные признаки:
• Датчик давления наддува с датчиком температуры воздуха наддува
• Датчик температуры ОГ перед катализатором и после него
• Модуль подачи с устройством для управления дозировкой AdBlue®
• Дозирующий модуль
• Датчик уровня AdBlue® /датчик температуры
• Датчик влажности воздуха с датчиком температуры
• Катализатор SCR
• Датчик окислов азота

- Моторное масло Euro5 по нормативу M-3477
- Максимальный интервал замены масла 120000 км (двигатели D20, D26, D28 с V-образным расположением цилиндров)
HD-OBD Heavy Duty – On Board Diagnose
• Постоянный контроль влияющих на выбросы функций и узлов автомашины, включая систему впрыска, рециркуляцию ОГ и нейтрализацию ОГ с целью снижения токсичности.
• Регистрация существенного повышения выбросов и оповещение о них на протяжении всего времени работы автомобиля.
• Ошибки сигнализируются с помощью желтой лампочки на приборной панели, Malfunction Indicator Lamp (MIL).
• Сохранение данных при возникновении ошибок, P- код (Powertrain-Codes).
Этот код не зависит от изготовителя.
• Через стандартный интерфейс X200 (розетка OBD) ошибки можно считать с помощью MAN- Cats II.
Реакция в случае сбоя в двигателях MAN
• Если измеренное значение окислов азота на 1,5 г/кВтч выше, чем предельное значение, мигание MIL оповестит об этом водителя, кроме того, запись об ошибке будет храниться в памяти 400 дней или 9600 часов работы, и ее нельзя будет удалить!
• При превышении предельных значений окислов азота (>7,0 г/кВтч) в дополнение к миганию лампы MIL подключается еще одно поле характеристик двигателя, чтобы не превышалось предельное значение 7,0 г/кВтч (например, заливается вода вместо AdBlue®).
• При сбоях в электрике (например, выход из строя лямбда-зонда в двигателях с рециркуляцией ОГ или датчиков окислов азота или мочевины в двигателях с системой MAN AdBlue® и разрыв в шине CAN ОГ) также активизируется мигающая MIL и крутящий момент снижается до 60% или 75% (в зависимости от
класса автомобиля), если ошибка не была устранена в течение 50 часов работы с момента оповещения.
• Если бак для мочевины пуст, выдается сообщение об ошибке, и крутящий момент сразу же уменьшается до 60% крутящего момента двигателя при достижении частоты холостого хода. (пустой бак AdBlue® и невозможно повысить давление в модуле подачи)
OBD 2
Контроль с помощью датчика окислов азота при AdBlue®, при рециркуляции ОГ с лямбда-зондом,
Ошибки как при проверке OBD1 + окислы азота.
Контроль степени эффективности катализаторов. (При приемке необходимо проверить функцию системы бортовой диагностики со старыми катализаторами). Анализ информации на интерфейсе, подключенном к приборам автомобиля, влияние на правильность работы системы контроля выбросов ОГ.
При превышении предельных значений окислов азота (выше 7,0 г/кВтч) дополнительно к миганию MIL крутящий момент уменьшается до 60% или 75% (в зависимости от класса автомобиля), если ошибка не была устранена в течение 35 рабочих часов с момента оповещения.
Если бак для мочевины пуст, выдается сообщение об ошибке, и крутящий момент сразу же уменьшается до 60% момента кручения двигателя при достижении частоты холостого хода. (Пустой бак AdBlue® и невозможно повысить давление в модуле подачи).
Лампа MIL (Malfunction Indikator Lamp, Motor Informations Lampe)

Лампа MIL TGA/TGX/TGS
1 - Индикатор запасов AdBlue (Euro5)
2 - Индикатор запасов топлива
Длительное свечение MIL при OBD 1 и OBD 1+контроль окислов азота.
Euro / PM-Kat
>после "зажигание вкл." по прошествии не более 10 сек. после "запуск двигателя"
>при сбоях во влияющих на эмиссию компонентах двигателя и системе нейтрализации ОГ, подключенных к EDC. (Рециркуляция ОГ, регулировка давления наддува, датчики, исполнительные элементы и т.п.)
>если PM-Kat отсутствует, сломан или засорен (Major Functional Failure)
Euro 5 / система MAN AdBlue®
>после "зажигание вкл." по прошествии не более 10 сек. после "запуск двигателя"
>при ошибке в цепи форсунок системы Commonrail
>при сбоях во влияющих на выброс компонентах двигателя и системы нейтрализации ОГ, подключенных к EDC и блоку управления AdBlue®. (Датчики, исполнительные элементы и т.п.)
>если катализатор отсутствует / имеется.
Мигание MIL при OBD 1 и OBD 1+контроль окислов азота
Euro 4 / PM-Kat
OBD 1
- никогда
OBD 1 + контроль окислов азота
>при слишком высоком выбросе окислов азота (>5,0 г/кВтч)
>при слишком низкой степени рециркуляции ОГ
>при деактивации рециркуляции ОГ (электр. сбой)
>при неисправности электрики лямбда-датчика
>если лямбда-зонд не установлен
>если лямбда-зонд не активен
Euro 5 / система MAN AdBlue®
OBD 1
>при пустом баке AdBlue®
OBD 1 + контроль окислов азота
>при слишком высоком выбросе окислов азота (>3,5 г/кВтч)
>при прерывании подачи AdBlue более чем на 30 мин.
>при сбое в электрике датчика уровня окислов азота или AdBlue
>при пустом баке AdBlue®
>если датчик окислов азота не установлен
Память ошибок OBD
В памяти ошибок OBD сохраняется информация только об относящихся к ОГ ошибках.
Блок управления двигателем (EDC) расширяется для выполнения требований OBD функциональным блоком диагностики OBD. Возникшие ошибки сохраняются в собственной памяти OBD в блоке управления EDC7.
При наличии AdBlue® в блоке управления дозировкой (DCU15) имеется дополнительная память ошибок OBD. В этих диагностических компьютерах также создается тест готовности к проверке Readiness Code. Возникшие ошибки контролируемых систем сохраняются как предполагаемые ошибки (не устранен
дребезг). При сохранении ошибки сохраняются соответствующие данные окружающей среды (Freeze Frame).
Память ошибок имеет следующие состояния
Состояние 0 Не записана ни одна ошибка.
Состояние 1 Неисправность внесена в память ошибок как временный дефект, устранение дребезга MI (многократное возникновение) еще не закончилось
Состояние 2 Ошибка внесена в память ошибок как окончательный дефект, т.е. если эта ошибка MI серьезна, она будет запрошена
Состояние 3 В настоящее время неисправностей нет, но они еще не удалены из памяти ошибок. Требование MI (Malfunction Indikator) отозвано
Если нет требования отключения, контроль активизируется после начала цикла движения и сохраняет ошибки.
Запись в состоянии 1(см. таблицу) еще не означает требование MI. (Malfunction Indikator) только после 3 последовательно выполненных циклов движения запись получает состояние 2.
При этом можно выдать требование MI. Если при переходе в состояние 2 ошибка снова будет классифицирована как исправность, произойдет самовосстановление.
После определенного числа следующих друг за другом 3 циклов движения запись переходит в состояние 3 требование MI (если имеется) отзывается.
Если сохраняется состояние "OK", то через некоторое время запись переходит в состояние 0 и автоматически удаляется из памяти ошибок. (Это означает: через 40 циклов разогрева или 100 часов эксплуатации)
Это не затрагивает долговременную память ошибок. (Архив)
Стандартный цикл движения длится в общей сложности 1180 секунд (почти 20 минут).
Он состоит из городского цикла длительностью 780 секунд (городские условия) и загородного цикла длительностью 400 секунд (условия при движении вне города).