Электрические и гидравлические схемы DOOSAN
Dozer Series
Electrical Circuits
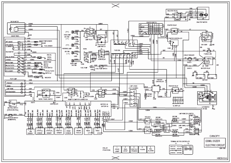
- DD80, DD80L - Canopy Model
- DD80, DD80L - Cabin Model
Hydraulic Circuits
- DD80, DD80L
Excavator - DH Series
Electrical Circuits
- DH 030
- DH 050
- DH 050
- DH 130
- DH 130 (S/N 0483 and Up)
- DH 130W
- DH 130-2
- DH 170
- DH 180 / DH 220
- DH 200W
- DH 220LC
- DH 280LC
- DH 320LC
- DH 450
Hydraulic Circuits
- DH 030
- DH 050 (S/N 0001 thru 5600)
- DH 050 (S/N 5601 thru 5999)
- DH 050 (S/N 6001 and Up)
- DH 130
- DH 130W
- DH 130W
- DH 130-2
- DH 170
- DH 180 / DH 200
- DH 200W
- DH 200W
- DH 220 (S/N 0001 thru 1779)
- DH 220 (S/N 1780 and Up)
- DH 280
- DH 320
- DH 450
Excavator - III Series
Electrical Circuits
- Solar 070-III
- Solar 130LC-III
- Solar 130W-III
- Solar 170LC-III
- Solar 170W-III
- Solar 170W-III
- Solar 200W-III
- Solar 220LC-III
- Solar 280LC-III
- Solar 330LC-III
- Solar 400LC-III
- Solar 450-III
Hydraulic Circuits
- Solar 070-III
- Solar 070-III (with Dozer)
- Solar 130LC-III
- Solar 130LC-III
- Solar 130LC-III
- Solar 130W-III (S/N 0001 thru 1720) with DX22 Control Valve
- Solar 130W-III (S/N 0001 thru 0097)
- Solar 130W-III (0098 and Up)
- Solar 170LC-III
- Solar 170W-III (Standard)
- Solar 170W-III (Standard)
- Solar 170W-III (Optional)
- Solar 200W-III (with Standard Boom) (S/N 0001 thru 0448)
- Solar 200W-III (with Standard Boom) (S/N 0449 and Up)
- Solar 200W-III (with Articulated Boom) (S/N 0001 thru 0448)
- Solar 200W-III (with Articulated Boom) (S/N 0449 and Up)
- Solar 220LC-III (S/N 0216 thru 0360)
- Solar 220LC-III (S/N 0361 thru 1420)
- Solar 220LC-III (S/N 1421 thru 1880)
- Solar 220LC-III (S/N 1881 and Up)
- Solar 280LC-III (S/N 5001 thru 5070)
- Solar 280LC-III (S/N 5071 thru 5274)
- Solar 280LC-III (S/N 5275 thru 5674)
- Solar 280LC-III (S/N 5675 and Up)
- Solar 330LC-III
- Solar 400LC-III
- Solar 450-III (S/N 0001 thru 0003)
- Solar 450-III (S/N 0004 thru 0035)
- Solar 450-III (S/N 0036 and Up)
Excavator - V Series
Electrical Circuits
- Solar 010
- Solar 015
- Solar 015 PLUS (S/N 1001 thru 1157, 20001 thru 20065)
- Solar 015 PLUS (S/N 20066 thru 30000)
- Solar 015 PLUS / Solar 018-VT (S/N 30001 and Up)
- Solar 030 / 035
- Solar 030Plus / 035
- Solar 055
- Solar 055-V PLUS (S/N 1001 thru 1200, 31201 thru 32135)
- Solar 055-V PLUS (S/N 32136 and Up)
- Solar 055W-V PLUS
- Solar 075-V (S/N 1001 thru 1153)
- Solar 075-V (S/N 1154 thru 1645)
- Solar 75-V (S/N 1646 and Up)
- Solar 130LC-V
- Solar 130W-V
- Solar 140LC-V (S/N 1001 thru 1094)
- Solar 140LC-V (S/N 1095 and Up)
- Solar 140W-V / 160W-V
- Solar 170LC-V
- Solar 170W-V
- Solar 175LC-V
- Solar 180W-V (S/N 1001 thru 1099)
- Solar 180W-V (S/N 1100 and Up)
- Solar 200W-V
- Solar 210W-V (S/N 1001 thru 1409)
- Solar 210W-V (S/N 1410 and Up)
- Solar 220LC-V (S/N 1001 thru 2441)
- Solar 220LC-V (S/N 2442 and Up)
- Solar 220LL
- Solar 225LC-V (S/N 1001 thru 1299)
- Solar 225LC-V (S/N 1300 and Up)
- Solar 225LL
- Solar 225NLC-V (S/N 1001 thru 1103)
- Solar 225NLC-V (S/N 1104 and Up)
- Solar 250LC-V
- Solar 255LC-V (S/N 1001 thru 1204)
- Solar 255LC-V (S/N 1205 and Up)
- Solar 290LC-V (S/N 1001 thru 2153)
- Solar 290LC-V (S/N 2154 and Up)
- Solar 290LL
- Solar 300LC-V (S/N 1001 thru 2429)
- Solar 300LC-V (S/N 2430 and Up)
- Solar 300LL (S/N 1001 thru 1003)
- Solar 300LL (S/N 1004 and Up)
- Solar 330LC-V
- Solar 340LC-V (S/N 1001 thru 1339)
- Solar 340LC-V (S/N 1340 and Up)
- Solar 400LC-V
- Solar 420LC-V (S/N 1001 thru 1162)
- Solar 420LC-V (S/N 1163 and Up)
- Solar 450LC-V
- Solar 470LC-V / 500 LC-V (S/N 1001 thru 1304)
- Solar 470LC-V / 500 LC-V (S/N 1305 and Up)
Hydraulic Circuits
- Solar 010
- Solar 015
- Solar 015 PLUS (S/N 1001 thru 1157, 20001 thru 20065)
- Solar 015 PLUS (S/N 20066 thru 30000)
- Solar 015 PLUS (S/N 30001 and Up)
- Solar 018-VT (S/N 30001 and Up)
- Solar 030 PLUS
- Solar 035
- Solar 055 (S/N 0001 thru 0525, 10001 thru 11340)
- Solar 055 (S/N 0526 and Up, 11341 and Up)
- Solar 055-V PLUS (S/N 1001 thru 1200, 31201 thru 32135)
- Solar 055-V PLUS (S/N 32136 and Up)
- Solar 055W-V PLUS
- Solar 075-V (Standard) (S/N 1001 thru 1645)
- Solar 075-V (Option) (S/N 1001 thru 1645)
- Solar 75-V (Standard) (S/N 1646 and Up)
- Solar 75-V (Optional) (S/N 1646 and Up)
- Solar 130LC-V
- Solar 130W-V
- Solar 140LC-V
- Solar 140W-V / 160W-V
- Solar 170LC-V (Old Style Center Joint)
- Solar 170LC-V (New Style Center Joint)
- Solar 170W-V (with Standard Boom)
- Solar 170W-V (with Articulated Boom)
- Solar 175LC-V
- Solar 180W-V (with Standard Boom)
- Solar 180W-V (with Articulated Boom)
- Solar 200W-V
- Solar 210W-V
- Solar 220LC-V
- Solar 220LL
- Solar 225LC-V
- Solar 225LL
- Solar 225NLC-V
- Solar 250LC-V
- Solar 255LC-V
- Solar 290LC-V
- Solar 290LL
- Solar 300LC-V
- Solar 300LL (S/N 1001 thru 1003)
- Solar 300LL (S/N 1004 and Up)
- Solar 330LC-V
- Solar 340LC-V
- Solar 400LC-V
- Solar 420LC-V
- Solar 450LC-V (Pedal Valve with Damper)
- Solar 450LC-V (with Simplified Swing Brake)
- Solar 470LC-V / 500LC-V
Excavator - DX Series
Electrical Circuits
- DX015 / DX018
- DX027Z / DX030Z
- DX035Z
- DX055
- DX055W
- DX055W (Yanmar TNV Engine)
- DX060R
- DX060R (Yanmar TNV Engine)
- DX080R
- DX080R (Yanmar TNV Engine)
- DX140LC
- DX140W / DX160W
- DX180LC
- DX190W
- DX210W
- DX225LC (S/N 5001 thru 5433)
- DX225LC (S/N 5434 and Up)
- DX225NLC
- DX255LC
- DX300LL
- DX300LC / DX340LC
- DX420LC
- DX480LC / DX520LC
Hydraulic Circuits
- DX015
- DX018
- DX027Z
- DX030Z
- DX035Z
- DX055
- DX055W
- DX060R
- DX080R
- DX140LC
- DX140W / DX160W
- DX180LC
- DX190W
- DX210W (4-INDI)
- DX210W (Mono and Articulated)
- DX225LC (S/N 5001 thru 5433)
- DX225LC (S/N 5434 and Up)
- DX225NLC
- DX255LC
- DX300LC
- DX300LL
- DX340LC
- DX420LC
- DX480LC / DX520LC
Wheeled Loader - MEGA Series
Electrical Circuits
- Mega 130
- Mega 160 (S/N 0001 thru 1020)
- Mega 160 (w/Aux. Steering) (S/N 0001 thru 1020)
- Mega 160 (S/N 1021 and Up)
- Mega 200-III
- Mega 200-V (Tier I) (S/N 1001 thru 2000)
- Mega 200-V (Tier II) (S/N 2001 thru 3000)
- Mega 200-V (S/N 3001 and Up)
- Mega 250-III
- Mega 250-V (Tier I)
- Mega 250-V (Tier II)
- Mega 300-III
- Mega 300-V
- Mega 400-III
- Mega 400-III PLUS
- Mega 400-V
- Mega 500-V (Tier II)
Hydraulic Circuits
- Mega 130
- Mega 160 (Main) (S/N 0001 thru 1020)
- Mega 160 (Option) (S/N 0001 thru 1020)
- Mega 160 (Main) (S/N 1021 and Up)
- Mega 160 (with Aux. Steering) (S/N 1021 and Up)
- Mega 200-III
- Mega 200-V (Standard) (S/N 1001 thru 3000)
- Mega 200-V (Option) (S/N 1001 thru 3000)
- Mega 200-V (Option) (S/N 3001 and Up)
- Mega 250-III
- Mega 250-V (Tier I) S/N 1001 thru 2000
- Mega 250-V (Tier II) S/N 2001 thru 3000
- Mega 250-V (Tier I) S/N 3001 thru 4000
- Mega 250-V (Tier II) S/N 4001 and Up
- Mega 250-V (w/EHPS Valve)
- Mega 300-III
- Mega 300-V (Tier I) (S/N 1001 thru 2000)
- Mega 300-V (Tier II) (S/N 2001 and Up)
- Mega 300-V (Tier II) (S/N 2001 and Up w/EHPS Valve)
- Mega 400-III
- Mega 400-III PLUS
- Mega 400-V (S/N 1001 thru 3000)
- Mega 400-V (S/N 3001 and Up)
- Mega 500-V
- Mega 500-V (Tier II)
Wheeled Loader - DL Series
Electrical Circuits
- DL160
- DL200 (S/N 5001 and Up)
- DL200 TONY (S/N 5001 and Up)
- DL250 (S/N 5001 and Up)
- DL300 (S/N 5001 and Up)
- DL400 (S/N 5001 and Up)
- DL450
- DL500 (S/N 5001 and Up)
Hydraulic Circuits
- DL160
- DL200 (S/N 5001 and Up)
- DL200 TONY (S/N 5001 and Up)
- DL250 (S/N 5001 and Up)
- DL250 (S/N 5001 and Up)
- DL300 (S/N 5001 and Up)
- DL400 (S/N 5001 and Up)
- DL450
- DL500 (S/N 5001 and Up)
Все перечисленные схемы в высоком качестве - в 66 обновлении
