Электросхемы автобуса Alexander Dennis Enviro E400 MMC
СОДЕРЖАНИЕ
1 HARNESSES REPRESENTED HEREIN
2 SCHEMATIC LEGEND
3 SCHEMATIC KEY
4 CONNECTOR NUMBERING KEY
5 CAN NETWORK OVERVIEW
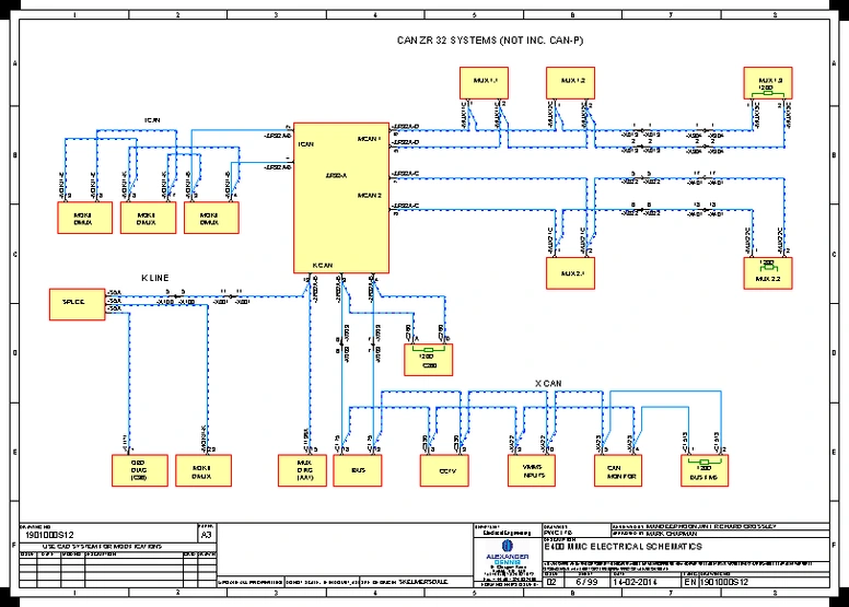
6 CAN ZR 32 SYSTEMS (NOT INC. CAN-P)
7 CAN-M NETWORK
8 CAN-I NETWORK AND K-LINE
9 CAN-I OBD2 & MUX DIAGNOSTICS
10 CAN-P (J1939) NETWORK OVER VIEW
11 CAN-P (J1939) OBD2 DIAGNOSTICS
12 CAN-P (J1939) ZR32 SPLIT AND FEDC
13 CAN-P (J1939) TRANSMISSION
14 POWER DIST CHASSIS - BATTERIES, STARTING, CHARGING
15 POWER DIST CHASSIS - PCB FRONT M/SW, IGN & BATT
16 POWER DIST CHASSIS - PCB FRONT M/SW, BATT & GND
17 POWER DIST BODY - FRONT PERM & RELAYS
18 POWER DIST BODY - FRONT M/SW +30
19 POWER DIST BODY - FRONT M/SW +30 & IGN +15
20 POWER DIST CHASSIS - PCB AFTER TREATMENT
21 MULTIPLEX - CONTROLLER ZR32A
22 MULTIPLEX - MUX NODE 1.1
23 MULTIPLEX - MUX NODE 1.2
24 MULTIPLEX - MUX NODE 1.3
25 MULTIPLEX - MUX NODE 2.1
26 MULTIPLEX - MUX NODE 2.2
27 DASH - MOKI
28 DASH CHASSIS - TRAFFI LOG (TO BE ADDED)
29 DASH CHASSIS - SWITCHES - 1
30 DASH CHASSIS - SWITCHES - 2
31 DASH CHASSIS - SWITCHES - STALK
32 DASH CHASSIS - SUPPLY PERMANENT
33 DASH CHASSIS - GROUNDS
34 DASH BODY SWITCHES - BINNACLE LH
35 DASH BODY SWITCHES - BINNACLE RH
36 DASH BODY SWITCHES - BINNACLE RH
37 DASH BODY SWITCHES - ILLUMINATION GROUND
38 AUXILIARY SYS - FIRE SUPPRESSION & MISC.
39 AUXILIARY SYS - AUXILIARIES AND SPARES
40 AUXILIARY SYS - AUXILIARIES
41 AUXILIARY SYS - WINDSCREEN WIPERS AND WASHERS
42 ENGINE SYSTEMS - DPF & THROTTLE PEDAL
43 ENGINE SYSTEMS - ECU
44 ENGINE SYSTEMS - ECU & REGEN SWITCHES
45 ENGINE SYSTEMS - ECU, E/STOP, WTR LVL & GRID HEAT
46 ENGINE SYSTEMS - BAY HI TEMPERATURE
47 ENGINE SYSTEMS - BAY EQUIPMENT
48 BRAKES - ECU & EBS FRONT
49 BRAKES - EBS REAR & PARK AIR TANK
50 SUSPENSION LVL - ELC FRONT
51 SUSPENSION LVL - ELC REAR
52 GEAR BOX - SELECTORS VOITH & ZF
53 GEAR BOX - INTERFACE ZF & VOITH
54 GEAR BOX - INTERFACE VOITH
55 GEAR BOX - ADAPTER VOITH TO ZF
56 LIGHTING EXTERIOR - REAR
57 LIGHTING EXTERIOR - MONITORING VLMS 10 REDC
58 LIGHTING EXTERIOR - MONITORING VLMS 6 REDC
59 LIGHTING EXTERIOR - MONITORING VLMS 10 FEDC
60 LIGHTING EXTERIOR - FRONT AND SIDE
61 LIGHTING EXTERIOR - REDC
62 LIGHTING EXTERIOR - RESISITOR BOARD
63 LIGHTING EXTERIOR - DRIVING & FRONT FOG
64 LIGHTING EXTERIOR - AUTO LIGHT CONTROL
65 LIGHTING EXTERIOR - LED LIGHT MONITOR
66 LIGHTING INTERIOR - SALOON, DRIVER & CLEANER
67 LIGHTING INTERIOR - UNDERSEAT LH
68 LIGHTING INTERIOR - UNDERSEAT RH
69 LIGHTING INTERIOR - STAIRCASE
70 LIGHTING INTERIOR - RGB LOWER SALOON
71 LIGHTING INTERIOR - RGB UPPER SALOON
72 PASSENGER SYSTEMS - DESTINATION EQUIPMENT
73 PASSENGER SYSTEMS - REQUESTS
74 PASSENGER SYSTEMS - INDICATORS
75 PASSENGER SYSTEMS - INDUCT LOOP & WIRELESS B/PUSH
76 PASSENGER SYSTEMS - TICKETING, RADIO AND SPARES
77 PASSENGER SYSTEMS - IBUS, SPEAKERS, RADIO...
78 PASSENGER SYSTEMS - CCTV, EQUIPMENT CONNECTIONS
79 ENTRANCE DOOR AND MANUAL RAMP
80 EXIT DOOR - SHELF PLATE GENERIC WIRING
81 EXIT DOOR - SHELF PLATE VENTURA MMC
82 EXIT DOOR - COMPAK ELECTRONIC RAMP
83 EXIT DOOR - INTERDECK LH EXTENSION
84 HVAC - AC
85 HVAC - DRIVER
86 HVAC - HEATING AND VENTILATION
87 EMERGENCY AND SECURITY SYSTEMS
88 EMERGENCY HAMMERS
89 GROUND BODY - UPPER SALOON & STAIRCASE LINK
90 GROUND BODY - FEDC AND AUX EDC
91 GROUND BODY - LH SIDE FRAME & RH INTERDECK
92 GROUND BODY - CONNECTIONS & EXTERIOR LIGHTING REAR
93 GROUND BODY - CONNECTIONS & FRONT LIGHTS
94 GROUND BODY - CONNECTIONS DRIVER
95 GROUND BODY - CONNECTIONS INTERDECK LH
96 GROUND CHASSIS - CONNECTIONS FRONT & REAR EDC
97 GROUND CHASSIS - ENGINE & AFTER TREATMENT
98 GROUND CHASSIS - MODULE BRAIDS
99 TEMPORARY - TRANSPORT HARNESS










и еще 152 страницы в высоком качестве в