PETERBILT 379 Model - Family Electrical
(схемы)
1) INDEX SYMBOL KEY
2) HARNESS ARCHITECTURE
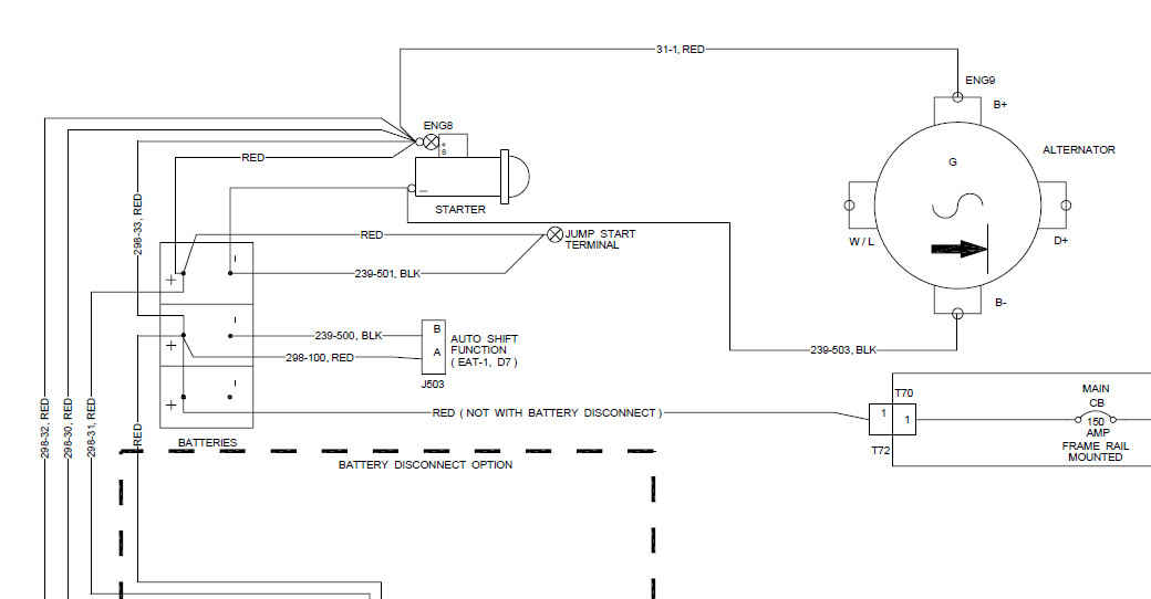
3) CHARGE START SYSTEM ( CS )
4) MAIN CAB HARNESS ( MC-1 )
5) MAIN CAB HARNESS ( MC-2 )
6) MAIN CAB HARNESS ( MC-3 )
7) MAIN CAB HARNESS ( MC-4 )
8) MAIN CAB HARNESS ( MC-5 )
9) MAIN CAB HARNESS ( MC-6 )
10) CAT C15 / C16 ENGINE HARNESS ( CAT-1 )
11) CAT C15 / C16 ENGINE HARNESS ( CAT-2 )
12) CUMMINS ENGINE HARNESS ( CUM )
13) CAB ELECTRONIC ENGINE ( EE )
14) HOOD HARNESS ( HOOD )
15) TRAILER HARNESS ( TRLR )
16) CHASSIS HARNESS ( CHS )
17) 63" ROOF HARNESS ( R63D-1 )
18) 63" ROOF HARNESS ( R63D-1 )
19) 63" ROOF HARNESS ( DELCO ) ( R63-1 )
20) 63" ROOF HARNESS ( DELCO ) ( R63-2 )
21) 70" ROOF HARNESS ( R70-1 )
22) 70" ROOF HARNESS ( R70-2 )
23) SLEEPER INTERFACE ( SI )
24) 36" SLEEPER HARNESS ( S36 )
25) 48" SLEEPER HARNESS ( S48 )
26) 48" / 63" SLEEPER HARNESS ( S60 )
27) 70" SLEEPER HARNESS ( S70 )
28) WABCO ABS SYSTEM ( WABS-1 )
29) WABCO ABS SYSTEM ( WABS-2 )
30) B-PANEL CONTROL HARNESS ( BP )
31) A-PANEL CONTROL HARNESS ( AP )
32) CAB HVAC MODULE ( CHVAC )
33) SLEEPER HVAC MODULE ( SHVAC )
34) DELCO RADIO HARNESS ( DELCO )
35) PASS SIGNAL HARNESS ( PS )
36) PANEL LIGHT HARNESS ( PL )
37) VORAD ( CWS ) SYSTEM ( VRD )
38) ELECTIC WINDOWS ( EW )
39) EATON AUTOMATIC XMSN ( EAT-1 )
40) EATON AUTOMATIC XMSN ( EAT-2 )
41) MERITOR FREEDOMLINE XMSN ( MFT )








Все схемы в высоком качестве в
