Шина данных CAN / LIN MAN
(тренинг персонала)

Сокращения
A
- a Ускорение
- ABE Общий допуск к эксплуатации
- ABS Антиблокировочная система
- ABV Автоматическое противоблокировочное устройство
- AC Air Condition (кондиционер)
- ACC Adaptive Cruise Control (система регулирования скорости с автоматическим поддержанием
- безопасной дистанции)
- ACK Acknowledge (подтверждение)
- ADC Аналогово-цифровой преобразователь (преобразование аналоговых сигналов в цифровые)
- ADR Международное соглашение по автомобильной транспортировке опасных грузов (GGVS)
- AGB Автоматический ограничитель скорости
- AGND Analog Ground (аналоговая масса)
- AGR Рециркуляция отработанных газов
- AHK Тягово-сцепное устройство
- AHV Тормозной клапан прицепа
- ALB Автоматическое регулирование тормозного усилия в зависимости от нагрузки
- ALM Индикация нагрузки на мост (Axle load monitoring)
- AMA Антенная мачта
- AMR Анизотропное магнитосопротивление
- ANH Прицеп/полуприцеп
- ANS Автоматическое переключение в нейтральное положение
- AS Автоматическая коробка передач
- ASD Розетка прицепа
- ASM Модуль управления прицепа
- ASR Антипробуксовочная система
- ASV Клапан управления прицепа
- ATC Automatic Temperature Control (автоматическое регулирование температуры)
- ATF Automatic Transmission Fluid (трансмиссионное масло автоматической коробки передач)
- AU Контроль токсичности отработанных газов
- AV Выпускной клапан
- AVS Автоматическая преселективная система
B
- BA Руководство по эксплуатации
- BBA Рабочая тормозная система
- BBV Рабочий тормозной клапан
- BG Устройство управления
- BHTC Behr Hella Thermo Contol
- BITE Встроенный тест
- BKR Регулятор тормозного усилия
- BUGH Система обогрева спереди
- BV Резервный клапан (запасной клапан)
- BVA Сигнальная лампа износа тормозных накладок
- BVS Датчик износа тормозных накладок
- BVV Питание датчика износа тормозных накладок
- BW Бундесвер
- BWG Тормозной датчик
- BZ Тормозной цилиндр
C
- CAN Controller Area Network (шина данных с бит-последовательной передачей)
- CAN-H Линия передачи данных CAN-high
- CAN-L Линия передачи данных CAN-low
- CATS Computer- Assisted Testing and diagnosting System (компьютерная система контроля и диагностики)
- CBU Central Brake Unit (центральный тормозной блок)
- CDC Continuous Damping Control (непрерывная регулировка амортизации)
- CCVS Cruise Control Vehicle Speed (режим поддержания постоянной скорости (Tempomat))
- CKD Complete Knocked Down (полностью разобранный автомобиль)
- CNG Compressed Natural Gas (сжатый природный газ)
- CPU Central Processing Unit (центральный процессор)
- CRT Continously Regenerating Trap (глушитель, катализатор окисления, фильтр дизельных частиц)
- CRC Cyclic Redundancy Check (контроль циклическим избыточным кодом)
- CS Джойстик управления сцеплением Comfort-Shift
D
- DAHL Потолочный вентилятор
- DBR Реле тормоза-замедлителя
- DCU Dosing Control Unit (блок управления дозированием AdBlue)
- DF Датчик частоты вращения
- DFÜ Дистанционная передача данных
- DIA Диагностический и информационный дисплей
- DIAG Диагностика автомобиля в целом
- DIAG - MUX Диагностика автомобиля в целом – мультиплексный центральный процессор (только автобусы)
- DIAK Диагностика, К-провод (линия передачи данных)
- DIAL Диагностика, L-провод (линия возбуждения)
- DIAR Диагностика, последующее возбуждение
- DIN Немецкий промышленный стандарт
- DKE Открытие дроссельной заслонки (регулирование ASR)
- DKH Обогрев потолочного канала
- DKL Крышки люков
- DKR Закрытие дроссельной заслонки (запросы закрытия от ASR к EDC/EMS)
- DKV Уставка дроссельной заслонки (сигнал датчика нагрузки от педального датчика EDC/EMS)
- DLB Пневматическая тормозная система
- DM Diagnostic message (сообщение диагностики)
- DNR Нейтраль заднего хода (рычажной выключатель автоматической коробки)
- DPF Фильтр дизельных частиц
- DRM Модуль регулировки давления
- DRS Датчик скорости вращения
- DS Датчик давления
- DSV Клапан ограничения давления
- DTC Diagnostic trouble code (код неисправности OBD)
- DTCO Цифровой тахограф
- DV Дроссельный клапан
- DWA Противоугонная сигнализация
- DZG Датчик частоты вращения
- DZM Тахометр
E
- E-AGR Система рециркуляции отработанных газов с регулировкой положения
- EBS Электронная тормозная система
- ECAM Electronically Controlled Air Management (электронная пневматическая система)
- ECAS Electronically Controlled Air Suspension (электронная пневматическая подвеска)
- ECE Аварийное отключение по ECE 36
- ECU Electronic Control Unit (электронный блок управления)
- EDC Electronic Diesel Control (электронная система управления впрыском дизельного топлива)
- EDC S Electronic Diesel Control (электронная система впрыска дизельного топлива Slave)
- EDM Электронная система контроля расхода дизельного топлива
- EDR Ограничитель максимальной частоты вращения
- EEC Электронный контроллер двигателя (Electronic engine controller)
- EEPROM ЭСППЗУ – стираемая и перезаписываемая (программируемая) энергонезависимая память
- EFR Электронная система регулирования ходовой части
- EFS Электрическое сиденье водителя
- EHAB Электрогидравлический блокиратор
- EHLA Электрогидравлическая система рулевого управления
- ELAB Электрический блокиратор
- ELF Электронная пневматическая подвеска
- EMS Электронная система управления мощностью двигателя
- EMV Электромагнитная совместимость
- EOBD European On Board Diagnosis
- EOL End Of Line (программирование на выходе с конвейера)
- EP ТНВД (топливный насос высокого давления)
- ER Ретардер двигателя (моторный тормоз)
- ESAC Electronic Shock Absorber Control (электронная система регулирования ходовой части)
- ESP Electronic Stability Program (электронная программа обеспечения устойчивости)
- ESR Электрическая солнцезащитная шторка
- EST Электронный блок управления
- EV Впускной клапан
- EVB Exhaust Valve Brake (моторный тормоз-замедлитель)
F
- FAP Рабочее место водителя
- FAQ Frequently Asked Questions (часто задаваемые вопросы)
- FBA Стояночная тормозная система
- FBM Модуль ножного тормоза
- FDR Регулирование динамики движения
- FDF Файл данных автомобиля
- FFR Автомобильный компьютер
- FGB Ограничение скорости движения
- FGR Система регулирования скорости
- FHS Кабина
- FIN Идентификационный номер автомобиля (17-значный)
- FM Система управления автомобилем
- FMI Failure Mode Identikation (вид неисправности)
- FMS Fleet Management Standard (стандарт управления парком транспортных средств, независимый от изготовителя стандарт интегрированной системы коммуникаций Телематик)
- FMR Регулирование двигателя автомобиля
- FOC Front Omnibus Chassis (автобусное шасси с двигателем в передней части)
- FSCH Обогрев лобового стекла
- FSG Понтоноукладчик
- FSH Обогрев стекол/зеркал
- FTW Перегородка места водителя
- FUNK Рация
- FZA Система маршрутной индикации
- FZNR Номер автомобиля (7-значный)
G
- GDK Регулируемый дизельный катализатор
- GEN Генератор
- GET Коробка передач
- GGVS Европейское соглашение о международных автодорожных перевозках опасных грузов (ADR)
- GND Ground (масса)
- GP Планетарная группа коробки передач (задний делитель)
- GS Блок управления коробкой передач
- GV Передний делитель коробки передач (группа передач делителя)
H
- HA Задний мост
- HBA Вспомогательная тормозная система
- HD-OBD Heavy Duty-Onboard Diagnose (Бортовая диагностика для тяжелых условий работы)
- HDS Система дозирования мочевины
- HGB Ограничение максимальной скорости
- HGS Гидравлическая система переключения передач
- HLUE Гидростатический вентилятор
- HOC Heck Omnibus Chassis (автобусное шасси с двигателем в задней части)
- HSS Выключатель Highside
- HST Основная приборная панель
- HU Основной техосмотр
- HYD Дополнительный обогрев Hydronic
- HYDRIVE Гидростатический привод переднего моста
- HYDRO MAN Hydro Drive (Гидропривод MAN)
- HVA Гидростатический привод переднего моста
- Hz Герц (изменений/периодов в секунду)
- HZA Система сигнализации остановки по требованию
- HZG Вспомогательный датчик скорости вращения
I
- IBEL Освещение кабины
- IBIS Интегрированная бортовая информационная система
- IC Integrated Circuit (интегральная схема)
- ICOM Специальная шина данных VDO
- ID Идентификация
- IMR Встроенное механическое реле (включение стартера)
- INA Информационный дисплей (например, контрольная лампа)
- INST Приборная панель
- IR Индивидуальное регулирование (ABS)
- IRM Модифицированное индивидуальное регулирование (ABS)
- ISO Международная организация по стандартизации
- IWZ Инкрементная система измерения угла/времени
K
- KBZ Комбинированная тормозная камера
- KFH Нагрев топливного фильтра
- KITAS Интеллектуальный сенсор спидографа Kienzle
- KLI Кондиционер
- KNEEL Система наклона пола
- KSM Заказной модуль управления (устройство управления для внешнего обмена данными)
- KSW Особое требование заказчика
- KWP Key Word Protocol (протокол по диагностике с помощью MAN-cats KWP 2000)
L
- LBH Ресивер
- LCD Liquid Crystal Display (жидкокристаллический дисплей)
- LDA Зависимый от давления наддува ограничитель хода рейки ТНВД
- LDF Датчик давления наддува
- LDS Система амортизации пневматических рессор
- LED Light Emitting Diode (светодиод)
- LF Пневматическая подвеска
- LGS Lane Guard System (система курсового контроля)
- LIN Local Interconnect Network (система шины данных)
- LL Частота вращения двигателя на холостом ходу
- LLA Увеличение частоты вращения двигателя на холостом ходу
- LLR Регулирование частоты вращения на холостом ходу
- LNA Управляемый поддерживающий мост
- LNG Liquied Natural Gas (сжиженный природный газ)
- LOE Контроль масла рулевого привода
- LPG Liquied Petroleum Gas (сжиженный газ)
- LSVA Зависимый от мощности отбор
- LWR Коррекция угла наклона фар
- LWS Датчик угла поворота рулевого колеса
M
- M-TCO Модульный спидограф ЕС
- MAB Останов магнитным клапаном (останов двигателя с помощью магнитного клапана высокого давления в ТНВД)
- MAN- cats MAN- computer- assisted testing and diagnosting system (компьютерная система контроля и диагностики MAN)
- MAR Реле останова магнитным клапаном (реле резервного останова двигателя)
- MDB Диапазон частоты вращения двигателя
- MES Регулятор подачи топлива
- MFL Мультифункциональное рулевое колесо
- MIL Malfunction Indicator Lamp (сигнальная лампа OBD)
- ML Midline (средняя линия)
- MMI Интерфейс человек-машина
- MOTB Моторный тормоз
- MP Кабельный туннель двигателя (проводный туннель на моторном блоке)
- MR Регулятор двигателя – ASR
- MSG Блок управления двигателем (EDC)
- MUX Мультиплексный центральный процессор (только автобус)
- MV Магнитный клапан
- MZ Тормозная пневматическая камера
- n Частота вращения
- NA Коробка отбора мощности
- NBF Датчик хода иглы
- NES Новая структура электроники
- NFZ Транспортные средства для перевозки грузов и пассажиров
- NLA Поддерживающий мост
- NOx Оксид азота
- NSL Задний противотуманный фонарь
- NSW Противотуманная фара
O
- OBD Бортовая диагностика
- OBDU Onboard Diagnostic Unit (бортовой диагностический прибор)
- OC Occurrence Count (счетчик повторяемости… неисправности)
- OEAB Маслоотделитель
- OENF Дозаправка масла
P
- p Давление
- P Powertrain (Трансмиссия, передаточный механизм)
- PBM Pulse Breadth Modulation (сигнал широтно-импульсной модуляции, см. также PWM)
- P-Code Powertrain-Code (код неисправности передаточного механизма/трансмиссии)
- PDF Фильтр дизельных частиц
- PLM Программируемый логический модуль
- PM-Kat Particulate Matter-Katalysator (катализатор твердых частиц)
- PSC Pneumatic Supply Controller (пневматический контроллер подачи) – заменен ECAM
- PSG Блок управления насосом (EDC)
- PTM Powertrain Manager (замена для FFR)
- PTO Power Take Off (механизм отбора мощности)
- PWG Педаль акселератора
- PWM Pulse Width Modulation (сигнал широтно-импульсной модуляции, смотри также PBM)
R
- RA Руководство по ремонту
- RAH Обогрев салона
- RAM Random Access Memory (ОЗУ – энергозависимая записываемая/считываемая память)
- RAS Rear Axle Steering (управляемый задний мост)
- RAS-EC Rear Axle Steering- Electronic Controlled (электронный управляемый задний мост)
- RDRA Система регулирования давления воздуха в шинах
- RDS Информационная радиосистема
- RET Ретардер
- RET P Первичный ретардер
- RET S Вторичный ретардер
- RKL Проблесковый маячок
- RKS Система контроля шин – заменена TPM
- RLV Ускорительный клапан
- RME Raps Methyl Ester (биодизель)
- ROM Read Only Memory (ПЗУ – постоянное запоминающее устройство)
S
- SA Специальное оборудование
- SAE Society of Automotive Engineers (Ассоциация инженеров автомобилестроения)
- SAMT Semi Automatic Mechanic Transmission (полуавтоматическая механическая коробка передач)
- SB Сервисный центр
- SBW-RA Steer By Wire Rear Axle (управляемый задний поддерживающий мост с электронным управлением)
- SCR Selective Catalytic Reduction (селективное каталитическое восстановление)
- sec Секунда
- SER Серия
- SG Блок управления
- SH Регулирование select-high (ABS)
- SKD Semi Knocked Down (частично разобранный автомобиль)
- SL Регулирование select-low (ABS)
- SML Боковые габаритные фонари
- SPI Serial Peripheral Interface (последовательный интерфейс периферийных устройств)
- SPN Suspect Parameter Number (номер места сбоя)
- SRE Stoneridge Electronics
- SSG Стандартный блок управления (отопитель, кондиционер)
- STA ПУСК/ОСТАНОВ двигателя
- SWR Очиститель фар
T
- t Время
- TBM Бортовой модуль Telematic
- TC Traction Control (антипробуксовочная система)
- TCM Trailer Control Modul (модуль управления прицепом)
- TCO Тахограф (MTCO, DTCO, TSU и т. п.)
- TCU Transmission Control Unit (блок управления автоматической коробкой передач)
- TEPS Twin Electronic Platform Systems (системы на сдвоенной электронной платформе) (только автобус)
- TGA Серия Trucknology Generation A
- TGL Серия Trucknology Generation Light
- TGM Серия Trucknology Generation Mid
- TGS Trucknology Generation S
- TGX Trucknology Generation X
- TKU Техническая документация заказчика
- TMC Trafc Message Channel (информационный канал о ситуации на дорогах)
- TPM Tyre Pressure Module (система контроля давления воздуха в шине)
- TRS Транспортные технические нормативы
- TSC Torque Speed Control (тормозной момент)
- TSU Устройство моделирования спидографа (для транспортных средств без MTCO/DTCO)
- TUER Система управления дверями
U
- U Bat Напряжение аккумуляторной батареи
- UDF Файл данных переналадки (conversion le)
- UDS Регистратор аварийных данных
V
- v Скорость
- VA Передний мост
- VDF Vehicle data le (файл данных автомобиля)
- VG Раздаточная коробка или по нормам защитных устройств
- VIN Vehicle Identication Number (идентификационный номер автомобиля)
- VLA Передний поддерживающий мост
- VSM Управление блокированием раздаточной коробки
- WA Руководство по техническому обслуживанию
- WAB Влагоотделитель
- WaPu Трансмиссионный тормоз от водяного насоса
- WLE Сменный бортовой модуль
- WR Сигнальное реле
- WS Сенсор перемещения
- WSK Гидротрансформаторное сцепление
Z
- z Коэффициент торможения
- ZBR Центральный бортовой компьютер
- ZBRO Центральный бортовой компьютер автобуса (ЦБКА)
- ZDR Регулирование промежуточной частоты вращения
- ZE Центральная электрическая сеть
- ZFR Дополнительный автомобильный компьютер
- ZR Центральный процессор
- ZS Централизованная смазочная система
- ZUSH Дополнительный обогрев
- ZWS Интервальная система технического обслуживания
- λ Пробуксовка
- μ Коэффициент трения
- μC Микроконтроллер (микропроцессор)
РУКОВОДСТВО ПО ИСПОЛЬЗОВАНИЮ ЭЛЕКТРИЧЕСКИХ СХЕМ

(1) Обозначение электродетали (пример: диод V100 на блоке предохранителей и реле, место 53)
(2) Место установки на передней стороне блока предохранителей и реле (здесь: выбитый номер места 53)
(3) Штекерное соединение с задней стороны центральной электрической сети (здесь: штекер 78, разъем 8)
(4) Номер провода, для цветных проводов сокращение обозначения цвета, поперечное сечение указывается, только если оно больше 1²
(5) Название, номер провода в скобках представляют собой токопроводящие соединения на плате
(6) Разрыв и продолжение проводников с номером листа (Лист 2) и номером цепи (Цепь 4)
(7) Штекерное соединение (пример: одноконтактное штекерное соединение X104)
(8) Монтажная позиция компонента (см. обозначение мест установки)
(9) Электрическая цепь (нумерация от 1 до 55/60 на схему)
Обозначения монтажных позиций
Место установки для автомобиля с левосторонним расположением рулевого управления (TG)

(A) Задняя часть
(B1) Двигатель
(B2) Коробка передач
(C) Передняя часть
(C1) Бампер
(C2) Подножка справа
(C3) Подножка слева
(E6) Отсек электрической бортовой сети
(E7) Салазки блоков управления
(E8) Задняя стенка кабины
(F) Приборная панель
(F1) Средняя часть
(F2) Колонка рулевого управления/руль
(F3) Педальный механизм
(F4) Передняя часть внутри слева
(F5) Передняя часть внутри справа
(F6) Сиденье водителя
(F7) Сиденье пассажира
(F8) Консоль коробки передач
(G) Аккумуляторный отсек
(H1) Средняя стойка со стороны водителя
(H2) Передняя стойка со стороны водителя
(J1) Средняя стойка со стороны пассажира
(J2) Передняя стойка со стороны пассажира
(L) Потолок/крыша
(N) Передний мост
(P) Задний мост
(R1) Передние части рамы
(R2) Задняя часть рамы
(S1) Левая дверь
(S2) Правая дверь
Место установки для автомобиля с правосторонним расположением рулевого управления (TG)

(A) Задняя часть
(B1) Двигатель
(B2) Коробка передач
(C) Передняя часть
(C1) Бампер
(C2) Подножка справа
(C3) Подножка слева
(E6) Отсек электрической бортовой сети
(E7) Салазки блоков управления
(E8) Задняя стенка кабины
(F) Приборная панель
(F1) Средняя часть
(F2) Колонка рулевого управления/руль
(F3) Педальный механизм
(F4) Передняя часть внутри слева
(F5) Передняя часть внутри справа
(F6) Сиденье пассажира
(F7) Сиденье водителя
(F8) Консоль коробки передач
(G) Аккумуляторный отсек
(H1) Средняя стойка со стороны пассажира
(H2) Передняя стойка со стороны пассажира
(J1) Средняя стойка со стороны водителя
(J2) Передняя стойка со стороны водителя
(L) Потолок/крыша
(N) Передний мост
(P) Задний мост
(R1) Передние части рамы
(R2) Задняя часть рамы
(S1) Левая дверь
(S2) Правая дверь
Места установки для грузовых автомобилей высокой проходимости (типы Х)
Монтажные позиции кабины

(C) Передок
(E4) Реле, диоды и так далее
(E5) Блоки управления 2
(E6) Электрическая бортовая сеть
(E7) Блоки управления 1
(E8) Задняя стенка кабины
(F) Приборный щиток
(F1) Средняя часть
(F2) Колонка рулевого управления/руль
(F3) Педальный механизм
(F4) Передок внутри слева
(F5) Передок внутри справа
(F6) Сиденье водителя
(F7) Сиденье пассажира
(F8) Консоль коробки передач
(F9) Приборная панель
(H1) Средняя стойка со стороны водителя
(H2) Передняя стойка со стороны водителя
(J1) Средняя стойка со стороны пассажира
(J2) Передняя стойка со стороны пассажира
(L) Потолок/крыша
(S1) Левая дверь
(S2) Правая дверь
(1) Места разъединения (F1)
(2) Места разъединения (F3)
(3) Cреднее сиденье
(4) Предохранители (E6)
(5) Диагностическая розетка (E6)
Монтажные позиции рамы

(A) Задняя часть кузова
(B1) Двигатель
(B2) Коробка передач
(C1) Бампер
(C2) Подножка справа
(C3) Подножка слева
(G) Аккумуляторный ящик
(N) Передний мост
(P) Задний мост
(R1) Передняя часть рамы
(R2) Задняя часть рамы
(T) Несущий каркас позади кабины
(6) Кабина
Места установки R02, R03, R07, R08, R12, R13

(A) Задняя часть
(B) Двигатель, коробка передач
(C) Передняя часть кузова
(D) Основная приборная панель
(E) Приборный отсек (акумуляторный ящик)
(E1) Приборная плата 1 (вспомогательная коммутационная панель)
(E6) Сектор блока предохранителей и реле (БПР)
(E7) Салазки блоков управления
(E8) Приборный отсек/(бачок радиатора)
(F) Приборный щиток
(G) Аккумуляторный отсек
(H) Левая сторона транспортного средства
(J) Правая сторона транспортного средства
(K) Середина транспортного средства
(L) Потолок
(N) Передний мост
(P) Задний мост


Места установки A37, A38, A51, A69

(A) Задняя часть
(B) Двигатель, коробка передач
(управление двигателем EDC7)
(C) Передняя часть
(D) Основная коммутационная панель
(E) Приборный отсек (аккумуляторный ящик)
(E1) Приборная плата 1 (вспомогательная коммутационная панель)
(F) Приборный щиток
(G) Аккумуляторный отсек
(H) Левая сторона автомобиля
(J) Правая сторона автомобиля
(K) Середина автомобиля
(L) Потолок
(N) Передний мост
(P) Задний мост
Места установки A20, A21, 466, 486

(A) Задняя часть
(C) Передняя часть
(D) Основная коммутационная панель
(E5) Блок Euro
(F) Приборный щиток
(FH) Панель управления
(G) Аккумуляторный отсек
(H) Левая сторона автомобиля
(H2) Нейтраль IBIS
(J) Правая сторона автомобиля
(J1) Приборная плата 1
(J2) Приборная плата 2
(J3) Приборная плата задней части
(K) Основание
(L) Потолок

Места установки A23, A24

(A) Задняя часть
(B) Двигатель, коробка передач
(C) Передняя часть
(D) Главная приборная панель
(E) Приборный отсек (аккумуляторный ящик)
(E2) Приборная плата 2 (поперечный канал)
(E3) Приборная плата 3 (центральный бортовой компьютер, коробка передач)
(E4) Приборная плата 4 (EDC/CNG)
(F) Приборная панель
(FH) Панель управления
(G) Аккумуляторный отсек
(H) Левая сторона автомобиля
(H1) Левая сторона транспортного средства (автомобиль)
(J) Правая сторона автомобиля
(J1) Правая сторона транспортного средства (автомобиль)
(K) Середина автомобиля
(K1) Середина транспортного средства (автомобиль)
(L) Потолок
(L1) Потолок (автомобиль)
(N) Передний мост (1-я ось)
(O) Средний мост (2-я ось)
(P) Задний мост (3-я ось)
ОПИСАНИЕ ОБОРУДОВАНИЯ
Общая информация
Для соответствия сегодняшним требованиям к грузовым автомобилям, таким как надежность,
безотказность, длительный срок службы, максимальная безопасность движения, экологичность и
экономичность требуется использование шин данных CAN (Controller Area Network) и LIN (Local
Interconnect Network). Блоки управления связаны с исполнительными элементами и датчиками.

(1) Сенсорная техника
(2) Приводная техника
(3) Блок управления EDC
(4) Блок управления EBS
(5) Управляющий процессор автомобиля
Блок управления образует с периферийными элементами (напр., датчиками педального механизма,
датчиками частоты вращения, температурными щупами и т. д.) подсистему, которая независимо от
задачи регулирования всегда отличается той же структурной схемой.
Ряд датчиков (сенсорная техника), физические значения которых сначала преобразуются в читаемые
компьютером сигналы благодаря аналого-цифровому преобразованию (A/D-преобразование), дают блоку управления информацию о фактическом состоянии подсистемы. На основе этого микропроцессоры вычисляют отклонения от заданного состояния и необходимые управляющие
действия исполнительных элементов (сервоэлементов), чтобы получить это заданное состояние.
Сначала подсистемы автомобиля были размещены раздельно друг от друга, при этом датчики и исполнительные элементы были привязаны к соответствующим блокам управления, так что
подсистемы были по своему исполнению зависимы от системы. Каждая из этих систем имеет большое количество собственных линий сигнализации и управления.
Связи выполняются принудительно там, где должны обрабатываться определенные состояния
нескольких блоков управления, напр., «объем впрыскиваемого топлива» (EDC, противобуксовочная
система и автоматическая коробка передач) или для противобуксовочной системы с EDC (в блоке
управления ABS/EBS находится модуль распознавания проскальзывания, регулировать должен все
же EDC). Обмен данными осуществляется здесь при помощи отдельных соединений, единственной
задачей которых является дальнейшее направление соответствующего сигнала (напр., частота
вращения). Для этого используют интерфейс PWM (широтно-импульсной модуляции), т.е., выдается
импульс напряжения с переменной широтой, временная длительность которого дает величину
передаваемого измеренного значения.
Чем интенсивней управляется автомобиль регулировочными техническими средствами, тем больше
количество подсистем. Так как отдельные подсистемы неоднозначно отделены друг от друга и
выполняют взаимодействие, возникает требование к полной сетевой систематизации транспортного
средства.
Все более обширный обмен информацией между отдельными блоками управления все же ограничен
через отдельные соединения, так как количество кабельных жгутов и разъемных соединений может
привести к увеличению уязвимости помехам и также к отсутствию возможности размещения из-за
нехватки места.
Большое количество линий сигнализации и управления, которые сегодня уже установлены в
транспортном средстве, дополнительные расходы на кабельную разводку сети, а также связанная
с этим электромагнитная совместимость и облучение (EMV) или дополнительные возможные
источники сбоев требуют применения принципиально новой структуры соединений блока управления.
Нормы по дополнительному оборудованию
Монтаж дополнительного оборудования, а также переоборудование проводятся в соответствии с
действующими нормами по дополнительному оборудованию MAN. Нормы по дополнительному
оборудованию не входят в объем поставки автомобиля.
Структура шины данных CAN

(1) M-CAN
(2) H-CAN
(3) I-CAN
(4) T-CAN
(5) HD-OBD-CAN
(6) CAN отработанных газов
Структура шины данных CAN создана по многоабонентской концепции. Это означает, что многие
равноправные модули управления связаны друг с другом через линейную структуру шины.
Отсутствует центральное место, которое решает, какой блок управления должен иметь доступ к шине
данных. Информация не должна управляться через параметры сети. Отсюда получают разгрузку
модулей управления и тем самым экономию времени при передаче данных.
Преимущество линейной структуры шины данных лежит в том, что при выходе из строя блока
управления все же возможен бесперебойный поток данных для остальных блоков управления. Кроме
того, при этой структуре CAN имеется возможность дополнять их по необходимости другими блоками
управления. Каждый блок управления получает все назначенные датчики, которые для них важны.
Много раз используемые датчики находятся только на одном блоке управления. Величины датчиков,
которые имеют значение для нескольких блоков управления, а также дополнительные важные
состояния автомобиля передаются в цифровой форме через шину данных CAN. Все объединяемые
в сеть блоки управления соединены друг с другом через две линии данных CAN (CAN high и CAN
low). Кроме того, необходимо обратить внимание на недопущение двойной установки датчиков, если это не требуется в целях безопасности. Преобразованный с помощью блока управления показатель измерения отправляется в качестве кодированного сообщения на шину данных CAN и становится, таким образом, доступным для других блоков управления. Тем самым линия шины имеет центральное значение. Имеется рецессивное (вспомогательное, подчиненное) и доминирующее (ведущее) состояние напряжения. Скорость передачи применяемых сейчас в MAN высокоскоростных шин CAN (по стандарту SAE J1939) составляет 250 кбит/с, тем самым передача данных длится 1 бит в 4 мкс.
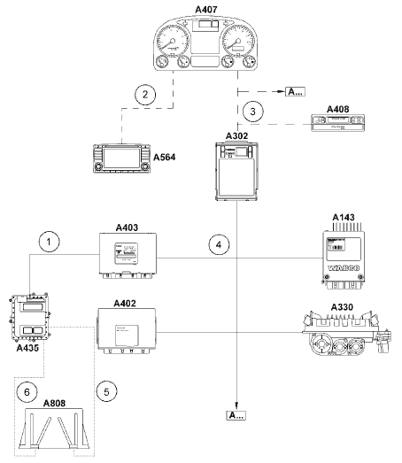
Структура системы шин данных для грузовых автомобилей высокой проходимости (типы Х)

(A146) Блок управления коробки передач
(A302) Центральный бортовой компьютер 2
(ZBR2) с сопротивлением нагрузки I-CAN и T-CAN
(A312) Заказной модуль управления с нагрузочным резистором A-CAN
(A402) Блок управления EBS KNORR
(A403) Управляющий процессор автомобиля с нагрузочными резисторами М-CAN и T-CAN
(A407) Приборная панель с сопротивлением нагрузки H-CAN
(A408) Тахоспидограф с нагрузочным резистором I-CAN
(A435) Блок управления/EDC с нагрузочным резистором M-CAN
(A574) Устройство управления MMI с сопротивлением нагрузки H-CAN
(A808) Модуль подачи Denoxtronic
(A...) Другие системы, объединенные в сеть
(AB) Электроника кузова на разъеме CAN, например системы FMS
(X200) Штекер диагностики
(A-CAN) Шина данных CAN построителя (одновременно соединение для интерфейса FMS)
(H-CAN) Шина данных CAN Highline
(HDOBD)Шина данных CAN бортовой диагностики для тяжелых условий работы
(I-CAN) Шина данных CAN приборной панели
(M-CAN) Шина данных CAN управления двигателем
(T-CAN) Шина данных CAN трансмиссии
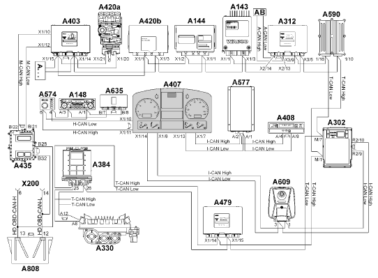
Структура системы шины данных CAN TGL / TGM / TGA

(A143) Устройство управления ECAS
(A144) Система управления тормозом-замедлителем /трансмиссионным тормозом
(A148) Радиоприемник/кассетный проигрыватель
(A302) Центральный бортовой компьютер
2 (ZBR2) с нагрузочным резистором I-CAN
(A312) Пользовательский модуль управления с сопротивлением нагрузки A-CAN
(A330) Блок управления AS-TRONIC (на коробке передач) (только TGA) с сопротивлением нагрузки T-CAN
(A384) Блок управления колесами заднего моста (RAS-EC)
(A402a) Блок управления EBS WABCO (только TGL/TGM)
(A402b) Блок управления EBS KNORR (только TGA)
(A403) Автомобильный компьютер с нагрузочными резисторами М-CAN и T-CAN
(A407) Приборная панель с сопротивлением нагрузки H-CAN
(A408) Тахоспидограф с сопротивлением нагрузки I-CAN
(A435) Устройство управления EDC с сопротивлением нагрузки M-CAN
(A479) Блок управления ACC (TGA)
(A574) Устройство управления MMI
(A577) Бортовой модуль Telematik
(A590) Блок управления AS-TRONIC lite (на коробке передач) (TGL/TGM)
(A609) Блок управления LGS (TGA)
(A635) Truck-Gate с нагрузочным резистором H-CAN
(A808) Модуль подачи Denoxtronic
(A . . . ) Другие системы, объединенные в сеть
(AB) Электроника кузова на разъеме CAN, например системы FMS
(X200) Штекер диагностики
(A-CAN) Шина данных CAN кузова (одновременное подключение для интерфейса FMS)
(H-CAN) Шина данных CAN Highline
(HDOBD)Шина данных CAN бортовой диагностики для тяжелых условий работы
(I-CAN) Шина данных приборной панели «Instrumentierung» сети CAN
(M-CAN) Шина данных CAN для управления двигателем
(T-CAN) Шина данных трансмиссии «Triebstrang» сети CAN
Структура системы шины данных CAN TGA (большегрузные тягачи)

(A143) Блок управления ECAS
(A266) Блок управления гидротрансформаторного тормоза-замедлителя WSK
(A302) Центральный бортовой компьютер 2
(ZBR2) с сопротивлением нагрузки I-CAN
(A312) Пользовательский модуль управления с сопротивлением нагрузки A-CAN
(A330) Блок управления AS-TRONIC
(A384) Блок управления подруливанием заднего моста (RAS-EC)
(A402) Устройство управления EBS KNORR
(A403) Автомобильный компьютер с нагрузочными резисторами М-CAN и T-CAN
(A407) Приборная панель с сопротивлением нагрузки H-CAN
(A408) Тахоспидограф с сопротивлением нагрузки I-CAN
(A409) Блок управления/ECAM с нагрузочным резистором T-CAN
(A435) Блок управления EDC с (Common Rail, Master)
(A479) Блок управления ACC
(A570) Блок управления/EDC (Common Rail, Slave (подчиненный)) с нагрузочным резистором M-CAN
(A574) Устройство управления MMI с сопротивлением нагрузки H-CAN
(A577) Бортовой модуль Telematik
(A609) Блок управления LGS
(A688) Дополнительный автомобильный компьютер
(A808) Модуль подачи Denoxtronic
(A . . . ) Другие системы, объединенные в сеть
(AB) Электроника кузова на разъеме CAN, например системы FMS
(X200) Штекер диагностики
(A-CAN) Шина данных CAN кузова (одновременное подключение для интерфейса FMS)
(H-CAN) Шина данных CAN Highline
(HDOBD)Шина данных CAN бортовой диагностики для тяжелых условий работы
(I-CAN) Шина данных приборной панели «Instrumentierung» сети CAN
(M-CAN) Шина данных CAN для управления двигателем
(T-CAN) Шина данных трансмиссии «Triebstrang» сети CAN
Структура системы шины данных CAN TGS / TGX

(A143) Блок управления ECAS
(A250) Блок управления кондиционера /автономного кондиционера
(A266) Блок управления гидротрансформаторного ретардера WSK
(A302) Центральный бортовой компьютер 2
(ZBR2) с сопротивлением нагрузки I-CAN
(A312) Пользовательский модуль управления с сопротивлением нагрузки A-CAN
(A330) Блок управления AS-TRONIC (на коробке передач) с сопротивлением нагрузки T-CAN
(A384) Блок управления подруливанием заднего моста (RAS-EC)
(A402) Блок управления EBS/ESP
(A403) Автомобильный компьютер с нагрузочными резисторами М-CAN и T-CAN
(A407) Приборное оборудование
(A408) Тахоспидограф с сопротивлением нагрузки I-CAN
(A435) Устройство управления EDC с сопротивлением нагрузки M-CAN
(A479) Блок управления ACC
(A564) Радиоприемник/CD-плеер
(A577) Бортовой модуль Telematik
(A609) Устройство управления LGS
(A626) Блок управления гидростатическим приводом переднего моста
(A808) Модуль подачи Denoxtronic
(A . . . ) Другие системы, объединенные в сеть
(AB) Электроника кузова на разъеме CAN, например системы FMS
(A-CAN) Шина данных CAN кузова (одновременное подключение для интерфейса FMS)
(X200) Штекер диагностики
(H-CAN) Шина данных CAN Highline
(HDOBD)Шина данных CAN бортовой диагностики для тяжелых условий работы
(I-CAN) Шина данных приборной панели «Instrumentierung» сети CAN
(M-CAN) Шина данных CAN для управления двигателем
(T-CAN) Шина данных трансмиссии «Triebstrang» сети CAN
Структура системы шины данных CAN для автобусов с NES
(NES – Neue Elektronik Struktur (новая электронная структура), отдельный обмен данными)

(A143) Блок управления ECAS
(A144) Блок управления тормоза-замедлителя
(A302) Центральный бортовой компьютер 2
(ZBR2) с сопротивлением нагрузки I-CAN
(A330) Блок управления AS-TRONIC (на коробке передач)
(A360) Мультиплексный центральный компьютер (ZBRO)
(A402) Устройство управления EBS KNORR
(A403) Автомобильный компьютер с нагрузочными резисторами М-CAN и T-CAN
(A407) Приборная панель с сопротивлением нагрузки H-CAN
(A408) Тахоспидограф с сопротивлением нагрузки I-CAN
(A409) Устройство управления ECAM с сопротивлением нагрузки T-CAN
(A435) Устройство управления EDC с сопротивлением нагрузки M-CAN
(A574) Устройство управления MMI с сопротивлением нагрузки H-CAN
(A808) Модуль подачи Denoxtronic
(A . . . ) Другие системы, объединенные в сеть
(A411) Мультиплексный узел передней части кузова слева 2-М 1.1
(A412) Мультиплексный узел (cпециальный заказ клиента) 2-M 1.2
(A413) Мультиплексный узел блоков управления 2-М 1.3
(A414) Мультиплексный узел (cпециальный заказ клиента) 2-M 1.4
(A415) Мультиплексный узел потолка 2-М 1.5
(A416) Мультиплексный узел (cпециальный заказ клиента) 2-M 1.6
(A417) Мультиплексный узел (cпециальный заказ клиента) 2-M 1.7
(A418) Мультиплексный узел задней части кузова справа 2-М 1.8
(A421) Мультиплексный узел передней части кузова справа 2-М 2.1
(A422) Мультиплексный узел (cпециальный заказ клиента) 2-M 2.2
(A423) Мультиплексный узел середины транспортного средства 2-М 2.3
(A424) Мультиплексный узел IBIS 2-М 2.4
(A425) Мультиплексный узел задней части кузова 3 2-М 2.5
(A426) Мультиплексный узел (cпециальный заказ клиента) 2-M 2.6
(A427) Мультиплексный узел прицепа 2-М 2.7
(A428) Мультиплексный узел задней части кузова слева 2-М 2.8
(R195) Сопротивление нагрузки перед основной CAN 1
(R196) Нагрузочный резистор сзади Basis-CAN 1
(R197) Сопротивление нагрузки перед основной CAN 2
(R198) Нагрузочный резистор сзади Basis-CAN 2
(X200) Штекер диагностики
(H-CAN) Шина данных CAN Highline
(HDOBD)Шина данных CAN бортовой диагностики для тяжелых условий работы
(I-CAN) Шина данных приборной панели «Instrumentierung» сети CAN
(M-CAN) Шина данных CAN для управления двигателем
(T-CAN) Шина данных трансмиссии «Triebstrang» сети CAN
Структура системы шины данных CAN для автобусов с TEPS
(TEPS – Twin-Electronic-Platform-System (двойная система электронной платформы), общий обмен
данными)

(A143) Блок управления ECAS
(A144) Блок управления ретардера
(A302) Центральный бортовой компьютер 2
(ZBR2) с сопротивлением нагрузки I-CAN
(A330) Устройство управления AS-TRONIC (на коробке передач)
(A360) Мультиплексный центральный компьютер (ZBRO)
(A402) Устройство управления EBS KNORR
(A403) Автомобильный компьютер с нагрузочными резисторами М-CAN и T-CAN
(A407) Приборная панель с сопротивлением нагрузки H-CAN
(A408) Тахоспидограф с сопротивлением нагрузки I-CAN
(A409) Устройство управления ECAM с сопротивлением нагрузки T-CAN
(A435) Устройство управления EDC с сопротивлением нагрузки M-CAN
(A574) Устройство управления MMI с сопротивлением нагрузки H-CAN
(A808) Модуль подачи Denoxtronic
(A. . .) Другие системы, объединенные в сеть
(A411) Мультиплексные узлы, передняя левая часть 2-M 1.1
(A412) Мультиплексный узел (специальный заказ клиента) 2-M 1.2
(A413) Мультиплексный узел блоков управления 2-М 1.3
(A414) Мультиплексный узел (специальный заказ клиента) 2-M 1.4
(A415) Мультиплексные узлы, крышки 2-M 1.5
(A416) Мультиплексный узел (специальный заказ клиента) 2-M 1.6
(A417) Мультиплексный узел (специальный заказ клиента) 2-M 1.7
(A418) Мультиплексные узлы, задняя правая часть 2-M 1.8
(A421) Мультиплексный узел передней части кузова справа 2-М 2.1
(A422) Мультиплексные узлы (по заказу клиента на специальное исполнение) 2-M 2.2
(A423) Мультиплексные узлы, крышки 2-M 2.3
(A424) Мультиплексные узлы, крышки 2-M 2.4
(A425) Мультиплексные узлы, задняя часть 3 2-M 2.5
(A426) Мультиплексный узел (специальный заказ клиента) 2-M 2.6
(A427) Мультиплексный узел прицепа 2-М 2.7
(A428) Мультиплексные узлы, задняя левая часть 2-M 2.8
(R195) Сопротивление нагрузки перед основной CAN 1
(R196) Нагрузочный резистор сзади Basis-CAN 1
(R197) Сопротивление нагрузки перед основной CAN 2
(R198) Сопротивление нагрузки за основной CAN 2
(X200) Штекер диагностики
(H-CAN) Шина данных CAN Highline
(HDOBD)Шина данных CAN бортовой диагностики для тяжелых условий работы
(I-CAN) Шина данных приборной панели «Instrumentierung» сети CAN
(M-CAN) Шина данных CAN для управления двигателем
(T-CAN) Шина данных трансмиссии «Triebstrang» сети CAN
Структура шины данных LIN
Шина данных LIN (Local Interconnect Network — локальная соединительная сеть) используется в
сетях грузовых автомобилей в качестве дополнения и является однопроводной шиной с уровнем
бортовой сети 24 В. Шина данных LIN применяется в тех случаях, в которых не требуется
пропускная способность и универсальность шины данных CAN. Благодаря простому протоколу,
низким требованиям к вычислительной способности и ввиду однопроводной технологии шина
данных LIN пригодна для локальной передачи данных. В сети существуют один главный блок
и один или несколько исполнительных блоков. Обмен данными между ведущим и ведомым
устройством поддерживается точно так же как и между двумя ведомыми устройствами. Ведущее
устройство определяет на основании идентификатора, кто отправляет сообщение, а кто его
принимает. Несколько подчиненных устройств могут принимать одно и то же сообщение. В качестве
подчиненных устройств могут выступать мехатронные компоненты или интеллектуальные датчики
и исполнительные элементы управления. Обмен информацией выполняется в последовательном
формате данных (скорость передачи данных 9,6 кбит/сек).
Протокол LIN является последовательным протоколом обмена информации. Он позволяет
осуществлять ввод с помощью последовательного интерфейса, имеющегося в наличии на большинстве микроконтроллеров.
Датчики и исполнительные элементы связаны с блоком управления посредством шины данных LIN.
Шина данных LIN обеспечивает многократное использование сигналов датчиков. Это позволяет более гибко согласовать электронику транспортного средства к соответствующему варианту оснащения. Шина данных CAN — это основа, к которой через межсетевые интерфейсы подключены подчиненные сети LIN.

(1) Шина CAN
(2) Автомобильный компьютер (FFR)
(3) Переключатель на рулевой колонке
(4) Приборное оборудование
(5) Мультифункциональное рулевое колесо (MFL)
LIN Local Interconnect Network (локальная соединительная сеть)
Сообщения LIN, переданные с ошибкой, распознаются с помощью бита четности и контрольной
суммы и отклоняются. Бит четности — это добавленный бит, с помощью которого устанавливается
четность и нечетность контрольной суммы. Когда установлена четная сумма, то он распознает ошибку, если сумма нечетная. Тем не менее, если потеряно 2 бита, то ошибка не распознается.
Кроме того, спецификация LIN предусматривает два состояния сетевого узла: режим ожидания и нормальный режим. Переход из одного состояния в другое инициируется либо с помощью
однозначной команды от ведущего устройства LIN, либо с помощью фрейма сигнала к пробуждению
от ведомого устройства LIN.
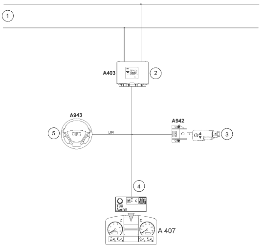
Структура системы шины данных LIN мультифункционального рулевого колеса (MFL)

(A403) Автомобильный компьютер (ведущее устройство)
(A407) Приборная панель (ведомое устройство)
(A942) Переключатель на рулевой колонке (ведомое устройство)
(A943) Мультифункциональное рулевое колесо (ведомое устройство)
Структура системы шины данных LIN зеркала TGS / TGX

(A156) Основное зеркало пассажира (ведомое устройство)
(A157) Основное зеркало водителя (ведомое устройство)
(A251) Широкоугольное зеркало водителя (ведомое устройство)
(A252) Широкоугольное зеркало пассажира (ведомое устройство)
(A253) Бордюрное зеркало со стороны водителя (ведомое устройство)
(A254) Бордюрное зеркало со стороны пассажира (ведомое устройство)
(A452) Дверной модуль со стороны пассажира (ведомое устройство)
(A451) Дверной модуль со стороны водителя (ведущее устройство)
Структура системы шины данных LIN кондиционера TGS / TGX

(A250) Блок управления отопителя /кондиционера (ведущее устройство)
(A474) Устройство управления кондиционера (ведомое устройство)
(A483) Дополнительный воздушный отопитель (ведомое устройство)
ФУНКЦИОНАЛЬНОЕ ОПИСАНИЕ
Содержание
Каждый блок управления может передавать и принимать сообщения. Сообщение состоит из семи
битовых полей (1 - 7) и объединено в один формат данных (Data Frame).

За конечным полем следует пауза (минимальное количество бит, разделяющих идущие друг за другом сообщения) и если последующие сообщения отсутствуют, отправляется сигнал ожидания (команда пропуска).
Состояние напряжения
Физическая передача данных осуществляется при помощи рецессивных и доминирующих состояний
напряжения в области мкс. Во время пауз передачи преобладает рецессивное состояние (ок. 2,5В).

(1) CAN high
(2) CAN low
(3) доминирующее
(4) рецессивное
(5) t (время)
(6) U (напряжение)
Уровень напряжения при передаче данных через CAN согласно стандарту SAE J1939 CAN — типы ошибок
В системе данных CAN могут появляться ошибки, ведущие к сбоям или отказу передачи информации.
В протоколе CAN различают ошибки компонентов и сообщений.
Ошибки компонентов
– Помехи, которые по сравнению с сообщением имеют долгую длительность или препятствуют
передаче данных.
Пояснение: Контроль формата данных проверяет структуру переданного формата, проверяя битовые поля с заданным фиксированным форматом, а также длину формата. Обнаруженные контролем формата данных ошибки обозначаются как ошибки формата.
Такие ошибки могут в одной системе коммуникации привести к временному или продолжительному
прерыванию передачи сообщений. Каждое подсоединенное устройство имеет способность сохранять
свойства при сбое и при этих условиях, как минимум, продолжать еще частично работать. В системе
данных CAN эти ошибки можно распределить на 3 категории:
– линейные ошибки (линий передач данных и контактов), объяснение смотри на следующей странице
– внутренние ошибки блока управления
– прекращение электропитания блоков управления
Ошибки блока управления и прекращение электропитания распознаются и проверяются программным обеспечением и внутренней проверкой (смотри выше) и регистрируются как ошибка передачи.
Линейные ошибки
Могут появляться следующие линейные ошибки:

Ошибки отключения шины регистрируются электронным блоком управления, если больше невозможен обмен данными.
Передача данных при ошибках шины согласно стандарту SAE J1939


Необходимо считать диагностическую память всего автомобиля «Gesamtfahrzeug» с помощью MAN-cats® II и устранить ошибки в соответствующей системе.
Определить наличие минимум одной ошибки компонентов можно по наличию большого количества
сообщений об ошибках, при том, что блоки управления находятся не на CAN или многие сообщения
не принимаются. В зависимости от автомобиля, типа и места ошибки могут указываться различные
блоки управления.
Необходимо пройтись по списку этапов проверки шины данных CAN и сравнить значения. Причиной
ошибки в таком случае является шина данных CAN (короткое замыкание, прерывание).
Пример ошибки компонента: В диагностической памяти транспортного средства находится код
ошибки SPN «2039 FFR не на CAN».
Ошибка сообщения
– Помехи, которые при цифровой передаче данных располагаются в порядке величины одного бита
или искажают сообщение.
Пояснение: Способность передатчика распознавать ошибки основана на мониторинге шины (контроль). Каждый блок управления, который отправляет сообщение, наблюдает между тем за уровнем шины и распознает при этом различия между отправленным и принятым битом. Тем самым могут надежно распознаваться все глобальные ошибки и битовые ошибки, возникающие в локальном режиме на передатчике.
При обнаружении одной или нескольких ошибок, как минимум, одним любым блоком управления
в системе данных CAN выполняется прерывание во время текущей передачи данных отправкой
сообщения об ошибке, признаке ошибки. Тем самым предотвращается прием переданного сообщения другими блоками управления и обеспечивается сетевая целостность данных. После прекращения передачи данных блок управления снова начинает передавать данные. Блоки управления имеют функцию самоконтроля и в случае сбоя тем самым предотвращают прекращение передачи всех (также правильных) сообщений и вместе с тем блокирование шины.
Ошибкой сообщения обозначаются такие ошибки, при которых запрашиваемые сообщения приходят
поврежденными или не приходят вообще. Каждый блок управления получает разнообразную
информацию через шину данных CAN. Помимо этого, блоки управления передают адреса отправляемых сообщений. Данные адреса можно сопоставить с блоками управления. Таким образом можно локализовать источник ошибки. Если, например, много ошибок сообщения возникает в автомобильном компьютере, то необходимо проверить автомобильный компьютер. Очистите диагностическую память. После повторного включения зажигания удалите из регистратора неисправностей сообщения о неполадках, в противном случае необходимо найти и устранить неисправность. В таком случае причину ошибки следует искать не в шине данных CAN, а, в нашем примере, в системе автомобильного компьютера.
Пример ошибки сообщения: В диагностической памяти панели «Instrumentierung Stoneridge Electronics» находится код ошибки SPN 8113 «Сбой сообщения «Ambient Conditions» от FFR (Наружная температура)». В большинстве случаем возникает не одна, а несколько ошибок сообщения на одном блоке управления.
Подверженность помехам
Необходимо следить за тем, чтобы шина данных CAN была завита почти до самого штекера.
Раскручивание шины данных CAN может привести с возникновению электромагнитных помех в шине данных CAN.

(1) T-CAN плохо завита

(1) T-CAN завита правильно
Системные компоненты
Сеть состоит из блоков управления, линии шины, а также двух нагрузочных резисторов по 120 Ом
каждый. Они могут устанавливаться в блоках управления или отдельно (смотри также «Структура
системы шины данных CAN»). Нагрузочные резисторы препятствуют возникновению "эха" на концах
линий и предотвращают таким образом искажение сигнала. Шина данных состоит из двух или четырех витых и неэкранированных проводов.
Чтобы предотвратить помехи от электромагнитных воздействий или отражений, длина шлейфов между точками соединения шины к соответствующим блокам управления составляет < 100 см и расстояние между двумя точками соединения > 30 см (максимально до 40 м). Раскручивание провода является основной причиной возникновения электромагнитных воздействий извне, которые приводят к неисправностям шин CAN.

(1) Встроенный нагрузочный резистор
(2) Шлейф
(3) Внешний нагрузочный резистор
(4) Точки соединения
(5) Обозначение скрутки на схеме соединения
(6) Шина данных CAN
(7) Расстояние между точками подключения

Старое название I-CAN — FS-CAN, а H-CAN заменено на K-CAN. Кроме того, в отдельных системах
присутствуют дополнительные шины данных CAN, например, в системе EBS шина B-CAN или в системе EDC7 шина CAN отработанных газов.
Шина данных LIN
Содержание

Системные компоненты
Сеть состоит из ведущего устройства, ведомых устройств и линий шин.

ДИАГНОСТИКА
Общая информация
Большинство блоков управления, которые могут проверяться с помощью MAN-cats® II, соединяются
с диагностической розеткой X200 Pin 3 с помощью К-провода. Через коммуникационный кабель
диагностической системой возбуждается определенный блок управления. Этот блок управления
реагирует на сохраненные в диагностической памяти сбои и переносит их через K-кабель в цифровом формате.
Для блоков управления «KWP-on-CAN», как, например, ECAS2, EBS5, К-провод не используется.
Блоки управления с диагностикой KWP-on-CAN возбуждаются через K-кабель FFR. FFR открывает через CAN межсетевой шлюз к соответствующему блоку управления.
Системная структура К-проводов
TGL/TGM

(A302) Центральный бортовой компьютер 2 (ZBR2)
(A312) Заказной модуль управления
(A330) Система управления коробкой передач Tipmatic AS-TRONIC
(A403) Автомобильный компьютер
(A407) Приборная панель
(A435) Электронная система впрыска дизельного топлива
(A451) Дверной модуль со стороны водителя
(A452) Дверной модуль со стороны пассажира
(A474) Кондиционер
(A483) Дополнительный воздушный отопитель
(A494) Водяной дополнительный отопитель
(A590) Блок управления EMOS (на коробке передач)
(A . . . ) Другие системы с возможностью объединения в сеть
(X200) Диагностическая розетка
(X2544) Распределитель потенциала 21-контактного К-провода
TGA

(A143) Пневматическая подвеска с электронным управлением (ECAS);
- примечание – ECAS2 имеет диагностику KWP-on-CAN
(A144) Система управления ретардером /интардером
(A266) Блок управления гидротрансформаторного тормоза-замедлителя WSK
(A302) Центральный бортовой компьютер 2 (ZBR2)
(A312) Заказной модуль управления
(A330) Система управления коробкой передач Tipmatic AS-TRONIC
(A402) Электронная тормозная система
(A403) Автомобильный компьютер
(A407) Приборная панель
(A409) Электронная пневматическая система
(A435) Электронная система впрыска дизельного топлива
(A451) Дверной модуль со стороны водителя
(A452) Дверной модуль со стороны пассажира
(A474) Кондиционер
(A479) Блок управления ACC
(A483) Дополнительный воздушный отопитель
(A486) Блок управления подушки безопасности
(A494) Водяной дополнительный отопитель
(A688) Дополнительный автомобильный компьютер (только для автомобиля-тягача для прицепов-тяжеловозов)
(A713) Блок управления в распределительном блоке
(A . . . ) Другие системы с возможностью объединения в сеть
(X200) Диагностическая розетка
(X2544) Распределитель потенциала 21-контактного К-провода
Грузовые автомобили высокой проходимости (тип Х)

(A146) Устройство управления коробки передач
(A302) Центральный бортовой компьютер 2
(A312) Заказной модуль управления
(A402) Электронная тормозная система
(A403) Компьютер управления автомобилем
(A407) Приборное оборудование
(A435) Электронная система впрыска дизельного топлива
(A483) Дополнительное воздушное отопление
(A494) Дополнительное водяное отопление
(A . . .) Другие системы, объединенные в сеть
(X200) Диагностическая розетка
TGS/TGX

(A144) Система управления ретардером /интардером
(A250) Блок управления кондиционера /автономного кондиционера
(A266) Блок управления гидротрансформаторного тормоза-замедлителя WSK
(A302) Центральный компьютер 2
(A312) Заказной модуль управления
(A330) Система управления коробкой передач Tipmatic AS-TRONIC
(A384) Блок управления RAS-EC
(A402) Тормозная система с электронным управлением (EBS);
- примечание – EBS5 имеет диагностику KWP-on-CAN
(A403) Автомобильный компьютер
(A407) Приборная панель
(A435) Электронная система впрыска дизельного топлива
(A451) Дверной модуль со стороны водителя
(A452) Дверной модуль со стороны пассажира
(A479) Блок управления ACC
(A483) Дополнительный воздушный отопитель
(A494) Водяной дополнительный отопитель
(A626) Блок управления гидростатического привода переднего моста
(A688) Дополнительный автомобильный компьютер (только для автомобиля-тягача для прицепов-тяжеловозов)
(A . . . ) Другие системы с возможностью объединения в сеть
(X200) 16-контактная диагностическая розетка
(X2544) Распределитель потенциалов 21-контактного К-провода
(16202) Диагностический К-провод
Автобус с NES
Мультиплексный центральный процессор ZBRO (A360) также связан через K-кабель с диагностической розеткой X3090 контакт S.

(A143) Электронная пневматическая подвеска
(ECAS). Примечание: ECAS2 имеет блок диагностики KWP-on-CAN
(A144) Система управления тормозом-замедлителем /трансмиссионным тормозом
(A302) Центральный бортовой компьютер 2
(A330) Система управления коробкой передач Tipmatic AS-Tronic
(A360) Мультиплексный центральный процессор
(A402) Электронная тормозная система
(A403) Компьютер управления автомобилем
(A407) Приборное оборудование
(A409) Электронная пневматическая система
(A435) Электронная система впрыска дизельного топлива
(A451) Дверной модуль со стороны водителя
(A452) Дверной модуль со стороны пассажира
(A . . .) Другие системы, объединенные в сеть
(X200) Разъем диагностики
(X3090) Мультиплексная диагностическая розетка
Автобус с TEPS

(A143) Электронная пневматическая подвеска
(ECAS). Примечание. ECAS2 имеет блок диагностики KWP-on-CAN
(A144) Система управления ретардером /интардером
(A302) Центральный бортовой компьютер 2
(A312) Заказной модуль управления
(A330) Система управления коробкой передач Tipmatic AS-TRONIC
(A354) Блок управления модулем ретардера
(A402) Электронная тормозная система
(A403) Автомобильный компьютер
(A407) Приборная панель
(A435) Электронная система впрыска дизельного топлива
(A736) Блок управления коробки передач ZF
(A . . .) Другие системы с возможностью объединения в сеть
(X200) Диагностическая розетка
(X2544) Распределитель потенциала 21-контактного К-провода
12-контактная диагностическая розетка (X200 / X3090)
Коды сбоев SPN могут быть считаны с помощью системы MAN-cats® II из диагностической памяти
различных блоков управления (подключение к диагностической розетке X200), а индикация
осуществляется на дисплее MAN-cats®.
Вид розетки со стороны кабеля X200

(A) Стрелка в центре указывает на Pin 1
Электрические соединители TGL/TGM/TGA

Электрические соединители в автобусе


Вид розетки со стороны кабеля Х3090
В автобусах с мультиплексной передачей имеется еще вторая диагностическая розетка. С 37-полюсной диагностической розеткой (X3090) имеется возможность считывания кодов ошибки SPN мультиплексной системы (смотри описание системы Т 64-A1) при помощи MAN-cats® II диагностической памяти мультиплексного центрального процессора ZBRO (A360). Индикация осуществляется на экране MAN-cats®.

Электрические соединители в автобусе

Диагностическая розетка HD-OBD (X200)
C 01.01.2005 г./законодатель для всех автомобилей с двигателями Euro 4 предписывает использовать
единый диагностический интерфейс согласно ISO 15031-3.
Для автомобилей MAN необходимая для этого диагностическая розетка HD-OBD вставляется с 01.10.2004 в первых серийных автомобилях (не для всех автомобилей одновременно). HD-OBD - это
сокращение для бортовой диагностики в тяжелых условиях работы. Heavy Duty здесь выступает в
качестве синонима для тяжелых грузовых автомобилей.
Место установки и обозначение позиции (X200) остаются неизменными, так как эта диагностическая
розетка заменяет предыдущую.

Таблица штекерной разводки контактов

Монтажные позиции диагностической розетки
TGL / TGM

Диагностическая розетка X200 (1) находится за облицовкой под подстаканником со стороны пассажира.
TGA
Прежнее исполнение:

Прежнее место установки диагностической розетки (1) находится с обратной стороны центральной электрической сети.
Новое исполнение:

Новое место установки диагностической розетки (1) находится за облицовкой под подстаканником со стороны пассажира.
Грузовые автомобили высокой проходимости (Х-типы)

Диагностическая розетка (1) находится со стороны пассажира в области электрической бортовой сети.
Автобус с мультиплексным методом

Диагностическая розетка X200 (1) находится на перегородке места водителя перед 1-м рядом сидений с левой стороны.
Автобус с NES
(раздельный обмен данными)
Прежнее исполнение:

Прежняя монтажная позиция диагностических розеток X3090 (1) и X200 (2) находятся слева под сиденьем водителя.
Новое исполнение:

Новая монтажная позиция диагностических розеток X200 (1) и X3090 (2) находится на основной приборной панели, в области электрической бортовой сети и центрального бортового компьютера.
Омнибус c TEPS
(общий обмен данными)

Диагностические розетки X200 (1) и Х3090 (2) находятся на перегородке места водителя перед 1-м рядом сидений с левой стороны.
Диагностическая розетка HD-OBD (X200) при TGA и TGL/TGM

Место установки и обозначение позиции (X200) остаются неизменными, так как эта диагностическая розетка (1) заменяет предыдущую.
Диагностическая розетка HD-OBD (X200) для TGS/TGX

Диагностическая розетка (1) находится со стороны пассажира под защитным покрытием, которое необходимо опустить. Над розеткой находится центральная электрическая сеть.
Основные функции диагностики
– Обнаружение неисправностей
– Анализ неисправностей
Возникновение
Значение
Идентификация
Тип неисправности (статический, спорадический,...)
– Сохранение информации о неисправности в памяти
– Имитация для поиска неисправностей
Индикация неисправностей
В электронном блоке управления предусмотрены функции самодиагностики для всех выходов и различных входов. Неполадки на входах и выходах и внутренние неполадки распознаются,
анализируются и записываются в диагностической памяти блока управления.
Информация о неполадках выдается дополнительно на дисплее в приборной панели и/или через
центральную сигнальную лампу (H111) в сочетании с контрольной лампой соответствующей системы.
При индикации СТОП на дисплее дополнительно появляется текстовое сообщение СТОП, при этом
центральная сигнальная лампа (H111) мигает КРАСНЫМ цветом с интервалом в 1 Гц.
Центральная сигнальная лампа (H111) горит разным цветом:
– ЖЕЛТЫЙ означает функциональную индикацию или предупреждение
– КРАСНЫЙ означает неисправность
Красный сигнал включения всегда имеет преимущество перед сигналом включения желтого цвета.
Функциональная индикация или предупреждение (ЖЕЛТЫЙ) всегда перекрываются индикацией
неисправностей (КРАСНЫЙ).
В случае отказа шины CAN (приборная панель — центральный бортовой компьютер) инициируется
КРАСНЫЙ цвет центральной сигнальной лампы (H111).
Все текущие индикации неисправностей становятся доступными при включенном зажигании (клемма 15) независимо от состояния автомобиля.
Диагностированные в блоке управления и сохраненные в памяти регистратора сбоев несиправности
имеют различный уровень риска, поэтому каждой отдельной неисправности система присваивает
степень приоритетности.
Приоритет индикации
Отдельные сообщения на дисплее не могут показываться все одновременно, поэтому индикация на
дисплее происходит в порядке приоритета. Индикация низкого приоритета может быть замещена
индикацией более высокого приоритета.
Если дисплея не хватает для одновременного показа сообщений одинакового приоритета, то они
выводятся на дисплей попеременно.
При диагностике используются степени приоритета 1-5.
Существуют функциональные индикации, которые имеют одинаковую или даже более высокую
степень приоритета, чем индикации неисправностей. Это означает, что функциональная индикация
(ЖЕЛТЫЙ) может иметь приоритет, аналогичный КРАСНОМУ сообщению о неисправности или даже неисправности уровня STOP.
При полной занятости дисплея и дополнительном возникновении функциональных индикаций или
индикаций неисправностей равнозначного приоритета такая функциональная индикация имеет
преимущество.

На дисплей всегда выводится только одно сообщение о неисправности.
Структура текстовых сообщений в диагностике
Для текстовых сообщений о неисправностях в диагностической системе предусмотрены 2 строчки по
16 знаков.
Текстовое сообщение о неисправности всегда имеет следующую структуру:
– Место неисправности/обозначение неисправности
– Указание по неисправности/указание по действиям
Существуют 2 типа текстовых сообщений о неисправностях:
– глобальные текстовые сообщения о неисправностях
– конкретные текстовые сообщения о неисправностях
Глобальное описание неисправности
В глобальном описании неисправности приводятся только приоритет и адрес источника из сообщения DM1 (сообщение диагностики 1). В сообщении приводится общее указание со ссылкой на неисправную систему и переданный номер неисправности.

– "Система (sysname)": данные о неисправной системе из адреса источника от DM1 (например: ACC)
– "xxxxx": данные номера неисправности из номера места неисправности (SPN) в сообщении DM1
(например: ACC № 04536)
– "yy": данные через номер вида неисправности (FMI) (например: ACC № 04536-03)
SPN –> Suspect Parameter Number (место неисправности)
FMI –> Failure Mode Identication (тип неисправности)
Индикация состояния FMI (идентификации состояния отказа)

Конкретное описание неисправности
В конкретном описании неисправности дополнительно анализируются переданный в сообщении DM1
приоритет, номер неисправности SPN и вид неисправности (FMI). Выдается конкретное указание по
действиям и приводится конкретное название причины неисправности.
При конкретном указании на неполадку номер неисправности SPN не показывается.
Примечание. Несколько неполадок могут инициировать одинаковое конкретное описание неисправности.
Приоритетность индикации / диагностика версия программного обеспечения R22 и R24

Перечень текстов ошибок см. в описании системы панели T 62.
Структура текстовых сообщений в диагностике
Описание неисправностей всегда имеет следующую структуру:
– Симв.
– Текстовое сообщение
– Сигнальная лампа
– Звук. сигн.
Существуют 3 вида текстовых сообщений:
– Одно сообщение
– Несколько сообщений
– Сообщение с индикацией данных
Одно сообщение

При обычном сообщении указывается только неисправность с данными системы и приоритетность.
Несколько сообщений с мультифункциональным рулевым колесом A943

(1) Индикация для нескольких неисправностей
(2) Символ для подтверждения
(3) Символ для прокрутки страниц
(4) Знаки по меньшей мере для 10 неисправностей
На наличие нескольких неисправностей указывает двойная левая рамка (1). При возникновении более 9 неисправностей в строке состояния отображается плюс (4).
Несколько сообщений без мультифункционального рулевого колеса A943

Двойная левая рамка указывает на наличие нескольких сообщений, а два нижних прямоугольных поля показывают возможные функции кнопок, показанных на следующем рисунке.

Сообщение с индикацией данных

При комбинированном сообщении точно отображается, на каком заднем мосту и с какой стороны
находится шина с недостаточным давлением. На основании значений возможно сравнение, и
неправильное значение выделяется черным.
SPN — Индикация кода ошибки на дисплее, версия программного обеспечения R22 и R24
Дисплей встроен в приборную панель (A407). На дисплей выводится вся информация для водителя
и сервисных центров.
Экран дисплея

На показанном выше рисунке представлено сообщение неисправности от системы ACC. Если теперь
вызвать в меню диагностику, отобразится код неисправности SPN, как показано на следующем
рисунке.

Неисправность активна, имеет приоритет 5, число SPN равно 02201 и FMI (Failure Mode Identication)
равно 3 (конкретное описание неисправности).
Бортовая диагностика
Устройство бортовой диагностики (OBDU) в качестве подсистемы ZBR (A302) принимает на себя
хранение и визуальное управление возникающими неисправными состояними (кратковременность,
продолжительность). Оно анализирует все возникающие в шине данных CAN сообщения об ошибках,
которые проходят через шины T-CAN и I-CAN, передает их дальше на приборную панель (A407) и при определенных условиях запоминает их.
Ошибки, отображаемые на дисплее, квитируются с помощью приборной панели и больше не
отображаются.
Для бортовой диагностики неисправности блоков управления и системы показываются по их
приоритету при помощи кода ошибки через шину данных приборной панели на дисплее на приборной
панели. Показываются только текущие неисправности при проведении бортовой диагностики.
Экологические данные и информации о частоте неисправностей появляются только по запросу на
приборной панели на дисплее. Центральный бортовой компьютер запрашивает экологические данные при остановке автомобиля и имеющихся неисправностях блока управления.
Внешняя диагностика
Центральный бортовой компьютер (A302) имеет последовательный диагностический интерфейс
(K-кабель), который применяется для внешней диагностики. Через этот интерфейс также выполняется
программирование EOL или параметризация автомобиля и мгновенное программирование. При помощи MAN-cats® II при проведении внешней диагностики считывается диагностическая память всех электронных блоков управления, включая диагностическую память блоков центрального бортового компьютера и диагностическую память всего автомобиля.
Если через этот интерфейс получают доступ к недоступному электронному блоку управления,
бортовой компьютер (A403) предоставляет функции межсетевого шлюза согласно ниже указанному
интерфейсу. Функции межсетевого шлюза отправляют внешнее требование на соответствующий
электронный блок управления через протокол KWP-on-CAN.
Примечание:
Различные системы, как, напр., системы отопления, не имеют подсоединения к CAN, поэтому
появляющиеся сообщения об ошибке не могут передаваться на приборную панель. Эти
неисправности могут считываться или показываться только MAN-cats® II, диагностической памятью
соответствующего устройства управления.
Список этапов проверки
Шина данных CAN

С помощью MAN-cats® II следует составить выдержку из диагностической памяти транспортного средства, которая выполняется вместе с заполненным списком этапов проверки.
– При поиске неисправностей следует использовать принципиальные схемы конкретного автомобиля.
– При измерении напряжения зажигание включается.
– При замере сопротивления следует выключить зажигание и вынуть штекер блока управления,
на котором определяются величины сопротивления. Для шины данных CAN при определении
сопротивления штекер блока управления также вставляется. Тем самым измеряется внутреннее
сопротивление нагрузки шины данных CAN.
– Напряжения и сопротивления замеряются между Pin с помощью мультиметра (например, FLUKE 123).
– Категорически запрещается проводить замеры на штекерных контактах без соответствующих
пробников! Опасность увеличения контактного соединения!
Измерение сопротивления при ошибках CAN

Значение сопротивления измеряется с помощью мультиметра между линией CAN-High и линией CAN-Low и сравнивается с указанным номинальным значением. Зажигание остается выключенным, а все блоки управления CAN подключенными.
Измерение напряжения при ошибках CAN
CAN-High

Значение напряжения измеряется с помощью мультиметра между линией CAN-High и массой и
сравнивается с указанным номинальным значением. Зажигание остается включенным, а все блоки
управления CAN подключенными.
CAN-Low

Значение напряжения измеряется с помощью мультиметра между линией CAN-Low и массой и
сравнивается с указанным номинальным значением. Зажигание остается включенным, а все блоки
управления CAN подключенными.
Примечание. Под заданными (номинальными) значениями имеется в виду переменное напряжение,
передаваемое потенциалу постоянного напряжения 2,5 В, ведущее в зависимости от инерционности
измерительного прибора к указанным выше значениям.

На рисунке представлены характеристики сигнала High (канал А) шины данных CAN и сигнала Low
(канал В) шины данных CAN.
Продолжение и полное описание - смотрите в