SHACMAN X600 - TPMS (вспомогательная система вождения)

Описание вспомогательной системы вождения
Вспомогательные системы вождения включают в себя: систему мониторинга давления в шинах, систему предупреждения о выезде с полосы движения, систему мониторинга окружающей среды, систему мониторинга усталости и адаптивную систему круиз-контроля.
Описание системы мониторинга давления в шинах
Система мониторинга давления в шинах представляет собой устройство прямого беспроводного мониторинга, которое отслеживает внутреннее давление в шинах, температуру, напряжение датчика, положение шин и другую информацию в режиме реального времени. Когда давление в шинах является ненормальными, напряжение аккумулятора датчика ниже рекомендуемого стандартного значения давления, он подает сигнал тревоги, контролирует и предупреждает о ненормальном состоянии в шинах, таких как медленная утечка воздуха, быстрая утечка воздуха, прокол и др., неисправная шина системы потеряна и указывает местонахождение неисправной шины.

Описание системы предупреждения о выезде с полосы движения
Система предупреждения о выезде с полосы движения установлена в кронштейне кожуха лобового стекла и является вспомогательной системой для вождения. Она использует визуальный датчик для получения изображения передней полосы движения и передачи его во внутренний процессор, а затем анализирует положение полосы движения с помощью визуального алгоритма. Согласно установленному положению кузова и состоянию движения транспортного средства, она прогнозирует возможный выезд с полосы движения, а также напоминает водителю о необходимости соблюдать безопасность вождения, используя такие инструменты, как звук и свет.
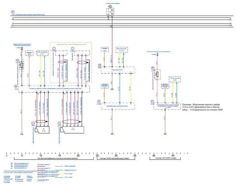
Когда ключ находится в положении ON, система LDWS включена по умолчанию, система будет собирать сигнал шины CAN, передаваемый шлюзом, и определять на основе текущей скорости автомобиля. Когда скорость автомобиля ниже 60 км/ч, система находится в режиме ожидания; а когда скорость автомобиля выше или ровна 60 км/ч, система начинает обнаруживать линии полосы движения путём видеокамеры; когда переднее колесо транспортного средства отклоняется от зоны предварительного оповещения и распознает отсутствие сигнала переключателя левого указателя поворота, сигнала переключателя правого указателя поворота и сигнала торможения, то система запускает предупреждение; когда колесо рилевает линии, система срабатывает тревогу, сигнал тревоги изображения LDWS отправляется на прибор через шину CAN, и прибор издает соответствующий звук и свет, чтобы напомнить водителю о необходимости скорректировать полосу движения; когда положение кузова возвращается в пределы зоны тревоги, система отменяет сигнал тревогу. Функциональное экранирование также осуществляется с помощью выключателя для отключения на приборе.
Описание системы мониторинга окружающей среды
Система мониторинга окружающей среды состоит из передней, левой, правой видеокамер автомобиля, левой, правой, задней видеокамер прицепа, задней видеокамеры заднего хода транспортного средства, комбинированной видеокамеры прицепа, камеры видео наблюдения в контейнере, а также левого и правого бортовых Радаров. Видеокамера следит за положением всех ключевых частей и осуществляет переключение между различными функциями через кнопки на экране мультимедийного дисплея, а контроллер мониторинга окружающей среды обрабатывает соответствующее видео и отправляет его на экран мультимедийного дисплея для отображения.
Описание системы мониторинга усталости
Когда ключ находится в положении ON и хост получает сигнал скорости автомобиля SPN1624 от шины CAN (скорость автомобиля более10 км/ч), хост активирует видеокамеру для сбора и обнаруживания информации о лице водителя. Когда обнаруживается, что водитель устал за рулем или отвлечен (когда глаза нормально открыты более 5 с, глаза закрыты более 1 с или возникает состояние зевоты более 2 с). , выводит сигнал тревоги SPN 524078 и загружает информацию в реальном времени, полученную от шины CAN, включая скорость автомобиля, пробег, направление движения автомобиля, высоту, широту, долготу, время и другую информацию на выходной видеосигнал.
Система адаптивного круиз-контроля
Для адаптивного круиз-контроля (ACC) и предварительно экстренного торможения (AEBS) используется технология Радар на миллиметровых волнах, а контроллер и Радар интегрированы, совместно именуемые контроллер Радар.
Адаптивный круиз-контроль ACC обеспечивает комфортность, что снимает ежедневную нагрузку с водителя и регулирует скорость автомобиля в зависимости от транспортного потока. Функция активируется водителем для контроля скорости в отсутствие движущегося автомобиля впереди; При обнаружении движущегося транспортного средства впереди выполняется контроль следования.
AEBS - это система активной безопасности, которая обеспечивает полностью автоматическое торможение для движущихся и останавливающихся объектов, предупреждения и дополнительную помощь при торможении для неподвижных объектов. Он автоматически активирует экстренное торможение, обеспечивает максимальное возможное замедление и доводит автомобиль до полной остановки.
Состав системы ACC/AEBS показан на схеме ниже, где ACC/AEBS взаимодействует с системами, связанными с электропитанием. Вся информация о взаимодействиях передается сообщением J1939 CAN. Контроллеры ACC/AEBS должны быть взаимодействуют с двигателем, тормозом и прибором, и замедлитель вала трансмиссии, АКПП и автомобильный видеорегистратор являются опционными. ACC/AEBS необходимо повторно калибровать, если автомобиль оснащен вышеуказанными системами. В зависимости от конфигурации автомобиля контроллер кузова предоставляет системе дополнительные информации о состоянии, чтобы помочь работе контроллера ACC/AEBS.
Принципиальная схема вспомогательной системы вождения

Описание контактных выводов системы контроля давления в шинах

Схема контактного вывода приемника


Pетранслятор

Схема контактного вывода ретранслятора


Описание контактного вывода системы предупреждение о выезде с полосы движения



Определение контактного вывода системы мониторинга окружающей среды





Видеокамера
Полный мануал в