Погрузчик вилочный ВП-05
(электрические, гидравлические схемы и инструкции по ремонту)

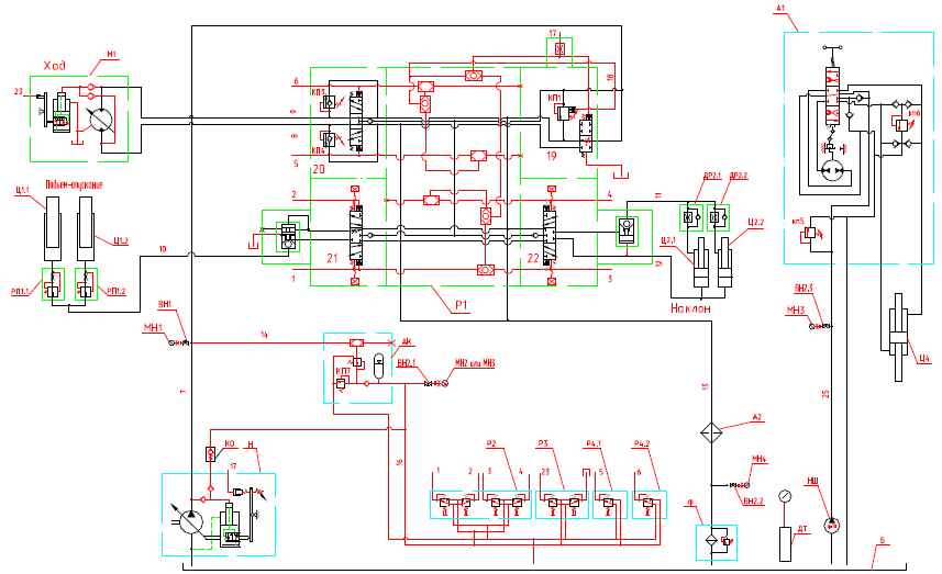
Принципиальная гидравлическая схема погрузчика ВП-05, оборудованного грузоподъемником с вилами

Принципиальная гидравлическая схема погрузчика, оборудованного погрузочным ковшом
А1 Механизм рулевой, насос-дозатор НДМ80-У250-8-УТУ23.5785851.1-91
А2 Калорифер 005-04-80.06.000
АК Пневмогидроаккумулятор 64002.20.000
Б Гидробак 005-04-70.20.200
ВН1 Включатель манометра ЭО-3323.01.82.680
ВН2.1-ВН2.3 Включатель манометра ЭО-3322А.23.02.260
ДТ Датчик температуры ТМ111-10 с контрольной лампой
М1 Гидромотор аксиально-поршневой 303.3.112.501
МН1 Манометр МП3-60 МПа х1.5 черт.1 ТУ25.02.943-74
МН2 Манометр масляный с демпфером Ø60 МТП-3-10 МПа-1,5 ТУ 25-7310.0045-87
МН3 Манометр масляный с демпфером Ø60 МТП-3-16 МПа-1,5 ТУ 25-7310.0045-87
МН4 Манометр масляный с демпфером Ø60 МТП-3-1 МПа-1,5 ТУ 25-7310.0045-87
Н Насос 313.3.55.557.303
НШ Насос шестеренчатый НШ-10 ГОСТ 8753-80
Р1 Гидрораспределитель 005-520.06
Р2 Блок управления 13.80.04.500-10
Р3 Блок управления 13.80.04.940-10
Р4 Блок управления 13.80.04.920-10
Р5 Гидрораспределитель 505.20.53.100-10 (для погрузчика, оборудованного погрузочным ковшом)
Р7 Гидрораспределитель ГДФК.306532.100-01 (12 В) (для погрузчика, оборудованного погрузочным ковшом)
РП1.1-РП1.2 Регулятор расхода 005-00-80.01.700
КИ1.1-КИ1.2 Клапан «ИЛИ» ЭО-3323А07.15.020 (для погрузчика, оборудованного погрузочным ковшом)
КО Клапан обратный СП-71.0.30.100-10
Ф1 Фильтр 005-04-80.01.020 с фильтроэлементами 55P-661А-1-06
ТУ55.11224.00 или ПЗМИ-ГС-661 (Реготмас 661-1-05)
Ц1.1-Ц1.2 Гидроцилиндр подъема 070-70-16.00.000 (70-1620)
Ц2.1-Ц2.2 Гидроцилиндр наклона 005-00-33.91/92.000-20 (100х63-170)
Ц4 Гидроцилиндр поворота колес 005-01-80.09.000 (100х63-300)
Ц7.1-Ц7.2 Гидроцилиндр ковша 005-01-33.93.000 (80х30-200)
ДР2.1-ДР2.2 Дроссель с обратным клапаном

Электрическая схема погрузчика ВП-05
1 - указатели поворотов;
2 - габаритные огни;
3 - фары передние;
4 - стеклоочиститель переднего стекла;
5* - включатель сигнализатора заднего хода;
6 - включатель стоп-сигнала;
7 - датчик аварийного давления воздуха;
8 - датчик стояночного тормоза;
9 - звуковой сигнал;
10* - включатель маяка;
11* - включатель обогрева заднего стекла;
12 - переключатель накрышного вентилятора;
13* - реле сигнализатора заднего хода;
14* - реле обогрева заднего стекла;
15* - предохранители;
16 - реле включения передних фар;
17 - реле включения задних фар;
18 - реле включения стоп-сигнала;
19 - прерыватель поворотов;
20* - обогреватель заднего стекла;
21* - маяк;
22 - вентилятор;
23 - прикуриватель;
24* - включатель подогревателя HYDRONIC;
25 - блок предохранителей;
26 - стеклоомыватель;
27 - розетка;
28* - предохранитель подогревателя HYDRONIC;
29 - аккумуляторная батарея;
30* - сигнализатор заднего хода;
31 - дистанционный включатель «массы»;
32 - реле стартера;
33* - жидкостный подогреватель HYDRONIC;
34 - датчик уровня топлива;
35 - фонари задние;
36 - стартер;
37 - электрофакельный подогреватель двигателя;
38 - фары задние;
39 - плафон;
40 - стеклоочиститель заднего стекла;
41 - генератор;
42 - датчик давления масла в двигателе;
43 - датчик температуры рабочей жидкости;
44 - датчик аварийного давления масла;
45** - электрозолотник сервоуправления включения добавки хода;
46 - датчик температуры охлаждающей жидкости;
47 - отопитель;
48** - включатель добавки хода;
49 - включатель фар;
50 - включатель габаритных огней;
51 - лампа указателя поворота;
52 - включатель отопителя;
53 - включатель «массы»;
54 - включатель электрофакельного подогревателя;
55 - накрышный вентилятор;
56 - включатель стартера;
57 - подрулевые переключатели поворота, передних фар, стеклоочистителей и стеклоомывателя;
58 - щиток приборов;
59 - электромагнитный клапан;
60 - включатель стояночного тормоза.
Вся информация в