Подогреватель жидкостный ПРАМОТРОНИК 141.8106.000
и его модификации

ПЕРЕЧЕНЬ НАИБОЛЕЕ ЧАСТО ВСТРЕЧАЮЩИХСЯ ИЛИ ВОЗМОЖНЫХ НЕИСПРАВНОСТЕЙ
Наиболее часто встречающиеся или возможные неисправности в работе подогревателя и методы устранения неисправностей водителем (оператором) приведены в таблице ниже.

- если при работающем подогревателе произойдет снижение напряжения бортовой сети АТС от 19 В и ниже, подогреватель остановиться с выполнением режима окончательной продувки;
- если при работающем подогревателе произойдет повышение напряжения бортовой сети АТС свыше 30 В, подогреватель остановиться с выполнением режима окончательной продувки;
- возникновение неисправности какого либо из электрокомпонентов в процессе запуска и/или работе подогревателя, подогреватель остановиться с выполнением режима окончательной продувки.
При наличии неисправности электромагнитного клапана Y1 следует проверить замкнутое состояние контактов термопредохранителя F1;
В подогревателях 141.8106.000-30 и 141.8106.000-40 возможно принудительное включение электронасоса М1 для прокачки ОЖ без запуска подогревателя.
При замыкании выключателя SА1 включается электронасос М1, загорается лампа НL1.

ОПИСАНИЕ УСТРОЙСТВА ПОДОГРЕВАТЕЛЯ
Подогреватель жидкостный дизельный – автономное устройство форсуночного типа, работающее независимо от работы двигателя АТС.
Подогреватель одинаково функционирует как при движении АТС, так и при стоянке с отключенным двигателем.
Подогреватель подключается к системе отопления салона АТС и/или непосредственно к системе охлаждения ДВС.
Питание подогревателя осуществляется непосредственно от аккумуляторной батареи (АКБ) АТС.
Питание подогревателя топливом может осуществляться: с основного топливного бака АТС, с промежуточного или с автономного топливного бака.
Подогреватели типа 141.8106.000-01, 141.8106.000-10, 141.8106.000-40 комплектуются гибкими шлангами топливопроводов.
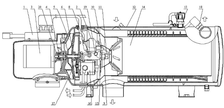
Подогреватель состоит из следующих основных частей:
Теплообменник 12, предназначен для передачи тепла от продуктов горения к охлаждающей жидкости АТС.
Теплообменник представляет собой два сваренных стакана, установленные один в другой, образуя между собой герметичную полость для циркуляции жидкости.
На внешней стороне теплообменника устанавливаются датчик температуры 18 и термопредохранитель 13, а также установлены кронштейны для крепления горелки и кронштейны крепления подогревателя
на АТС.
Горелка, предназначена для подготовки и розжига топливовоздушной смеси, а так же для создания и поддержания факела (источника тепловой энергии).
Горелка состоит из следующих компонентов:
- электродвигатель постоянного тока 3, обеспечивает вращение вала с крыльчаткой 5. Передает крутящий момент через упругое соединение муфты 4 и двух полумуфт 20, на вал топливного насоса высокого давления 16 через зубчатую передачу 17;
- крыльчатка , при вращении нагнетает постоянный объем воздуха необходимый для образования топливовоздушной смеси, поддержания факела, и вывода отработавших газов из подогревателя.
При незаполненном или частично заполненном теплообменнике ОЖ, термопредохранитель не выполняет аварийное отключение подогревателя. Последствия отсутствия ОЖ в теплообменнике: потемнение лакокрасочного покрытия теплообменника, выход из строя термопредохранителя. Завод-изготовитель снимает с себя гарантийные обязательства при данных признаках.
Работа подогревателя при отсутствии воспламенении топлива (аварийный режим):
Если при запуске подогревателя, топливо не воспламенилось, то блок управления производит повторную попытку розжига топлива.
Если со второй попытки подогреватель не запустился, то блок управления переходит к выполнению режима окончательной продувки.
Работа подогревателя при срыве пламени (аварийный режим).
Если при работе подогревателя произошел срыв пламени, то блок управления подает напряжение на контакты высоковольтного источника напряжения GB2 в течении 10с, между электродами Е1 и Е2 образуется искра, топливо, распыленное форсункой, воспламеняется.
При появлении пламени, по сигналу с индикатора пламени BL1, блок управления снимает напряжение с контактов высоковольтного источника напряжения GB2, процесс работы подогревателя продолжается
без остановки.
Если при повторном розжиге, пламя не появилось, блок управления выполняет режим окончательной продувки.
Информация о неисправности выводится на контрольную лампу HL2 количеством длинных вспышек.
Работа подогревателя при понижении или повышении напряжения питания (аварийный режим).
При понижении напряжения питания во время работы подогревателя до 19 В, или повышении свыше 30 В блок управления снимает напряжение с высоковольтного источника напряжения GB2, с контактов
электромагнита Y1.
Электродвигатель М2 и электронасос М1 работают в течение 150с.
Лампа HL1 гаснет и подогреватель полностью выключается.
Информация о неисправности выводится на контрольную лампу HL2 количеством длинных вспышек.
Подогреватель не запустится или автоматически отключится:
- если напряжение бортовой сети АТС находится в пределах от 26 В до 30 В, подогреватель работает в пределах от 650С до 850С (отключение при 850С, включение при 650С). Данное условие возможно если работает двигатель АТС для поддержания теплового баланса;
- если напряжение бортовой сети АТС находится в пределах от 19 В до 26 В, подогреватель работает в пределах от 480С до 850С. Данное условие возможно если двигатель АТС не работает.
Данный алгоритм работы подогревателя выполняется до отключения оператором выключателя SA2 и/или появления неисправности подогревателя.
Режим окончательной продувки:
Режим окончательной продувки выполняется при выключении выключателя SA2 и/или при наличии неисправности подогревателя. Окончательная продувка выполняется в течение 150с.
Снимается напряжение с контактов электромагнита Y1. Электродвигатель М2 продолжает работать, обеспечивая окончательную продувку теплообменника. Электронасос М1 продолжает работать.
По истечении времени окончательной продувки (150с) снимается напряжение с контактов электродвигателя М2 и электронасоса М1. Контрольные лампы HL1 и HL2 гаснут.
При наличии неисправности, лампа HL1 гаснет, а лампа HL2 мигает.
Для снятия индикации неисправности подогревателя выключить SA2.
Работа подогревателя при срабатывании термопредохранителя (аварийный режим):
Срабатывание термопредохранителя F1 происходить при перегреве ОЖ свыше (103±5)ºС по причине низкой производительности электронасоса (по заказу выпускаются подогреватели на температуру срабатыва ния термопредохранителя 120 ºС);
- контакты биметаллического термопредохранителя F1 размыкаются, разрывая электрическую цепь электромагнита Y1;
- электромагнит Y1 перекрывает подачу топлива в зону горения. Горение топлива прекращается;
- электродвигатель М2 и электронасос М1 продолжают работать в течение 150 с;
- контрольная лампа HL1 – гаснет.
Информация о неисправности выводится на контрольную лампу HL2 количеством длинных вспышек.
Крыльчатка с валом установлена на подшипниках качения 6 в алюминиевом корпусе горелки;
- топливный насос высокого давления 16, предназначен для подачи топлива под высоким давлением к держателю форсунки 9;
- электромагнит 8 (электромагнитный клапан), предназначен для подачи топлива к форсунке 11. При неработающем подогревателе, электромагнит закрыт;
- форсунка 11, предназначена для мелкодисперсного распыления топлива. От качества распыления топлива зависят эффективность работы подогревателя и экологические показатели отработанных газов;
- электронагреватель топлива 19, предназначен для разогрева топлива в форсунке 11 и в топливных каналах держателя форсунки 9 перед запуском подогревателя для улучшения качества распыления при отрицательных температурах;
- индикатор пламени 15, предназначен для контроля наличия пламени. Информация от индикатора пламени поступает в блок управления 1 подогревателя;
- высоковольтный источник напряжения (ВИН) 2, предназначен для питания напряжением запальных электродов при запуске подогревателя. ВИН закреплен непосредственно на запальных электродах 10;
- два запальных электрода 10, расположены перед форсункой 11 и обеспечивают воспламенение топливовоздушной смеси за счет искры, образующейся между ними;
- камера сгорания 14 – устройство, в котором происходит сгорание топливовоздушной смеси;
- блок управления подогревателя 1 – электронное устройство, которое обеспечивает контроль режимов работы подогревателя по информации с датчиков, а так же формирует сигналы неисправности на орга-
нах управления для водителя. Блок управления может быть легко демонтирован на модификациях: 141.8106.000, 141.8106.000-01, 141.8106.000-10 для установки в салоне (кабине) АТС. На модификациях 141.8106.000-30 и 141.8106.000-40 блок управления с герметичными разъемами, и закреплен на корпусе подогревателя (демонтаж не допустим).
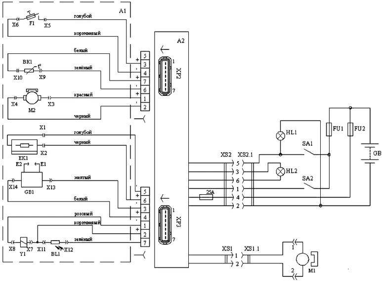
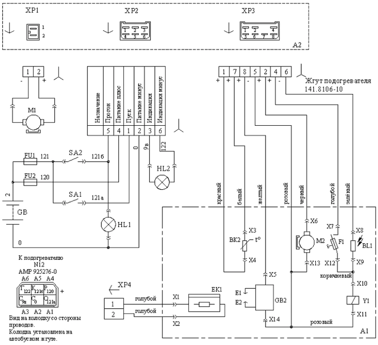
Схемы электрические принципиальные, для разных модификаций подогревателей, представлены на рисунках ниже.
- подается напряжение на электродвигатель подогревателя М2 и электронасос М1, загораются контрольные лампы HL1 и HL2. Режим продувки выполняется в течение 20с.
Режим продувки необходим для удаления из полости горелки, камеры сгорания, теплообменника и выхлопной трубы паров топлива, пыли и мелких инородных частиц.
Режим розжига:
- по истечении режима продувки (20с) автоматически подается напряжение на контакты высоковольтного источника напряжения GB1 и электромагнита Y1;
- между электродами Е1 и Е2 образуется искра, топливо распыленное форсункой воспламеняется;
- при появлении пламени и устойчивом горении, по сигналу с индикатора пламени BL1, блок управления снимает напряжение с контактов высоковольтного источника напряжения GB2;
- максимальное время режима розжига не более 10с.
Режим установившейся работы:
- после режима розжига, осуществляется постоянная подача топливовоздушной смеси в зону горения, что обеспечивает поддержание горения в камере сгорания подогревателя. Происходит постоянный теплообмен от продуктов горения к охлаждающей жидкости;
- процесс горения в подогревателе будет выполняться до тех пор, пока температура ОЖ не достигнет 850С.
Режим остывания:
- при достижении 850С, датчик температуры ВК2 дает сигнал на блок управления;
- блок управления снимает напряжение с контактов электромагнита Y1, подача топлива и горение прекращаются;
- электродвигатель горелки М2 работает в течение 150с. По истечении указанного времени, электродвигатель М2 отключается.
- электронасос М1 продолжает работать, обеспечивая циркуляцию ОЖ на АТС;
- лампы HL1 и HL2 горят;
В зависимости от напряжения бортовой сети АТС, подогреватель работает в разных температурных пределах ОЖ:

Подогреватели 141.8106.000, 141.8106.000-01, 141.8106.000-10
1- Блок управления;
2 – Источник напряжения высоковольтный;
3 – Электродвигатель;
4 – Муфта;
5 – Крыльчатка;
6 – Подшипник качения;
8 – Электромагнит;
9 – Держатель форсунки;
10 – Электрод запальный;
11 – Форсунка;
12 - Теплообменник;
13 – Термопредохранитель;
14 –Камера сгорания;
15 – Индикатор пламени;
16 – Топливный насос;
17 – Зубчатая передача;
18 – Датчик температуры;
19 – Нагреватель топлива;
20 – Полумуфта

Подогреватели 141.8106.000-30, 141.8106.000- 40
1- Блок управления;
2 – Источник напряжения высоковольтный;
3 – Электродвигатель;
4 – Муфта;
5 – Крыльчатка;
6 – Подшипник качения;
8 – Электромагнит;
9 – Держатель форсунки;
10 – Электрод запальный;
11 – Форсунка;
12 - Теплообменник;
13 – Термопредохранитель;
14 –Камера сгорания;
15 – Индикатор пламени;
16 – Топливный насос;
17 – Зубчатая передача;
18 – Датчик температуры;
19 – Нагреватель топлива;
20 – Полумуфта

Схема электрическая принципиальная для подогревателей 141.8106.000, 141.8106.000-01


Схема электрическая принципиальная для подогревателей 141.8106.000-10


Схема электрическая принципиальная для подогревателей 141.8106.000-30, 141.8106.000-40


Таймер-терморегулятор подогревателя
для подогревателя 15.8106.000– 05, 141.8106

Пульт управления 27.3854
для подогревателя 15.8106.000 – 15
