Расположение компонентов CASE MX Magnum
Датчик сопротивления воздушного фильтра

1. ДАТЧИК СОПРОТИВЛЕНИЯ ВОЗДУШНОГО ФИЛЬТРА
Расположение генератора переменного тока

1. ГЕНЕРАТОР ПЕРЕМЕННОГО ТОКА
2. РЕГУЛЯТОР
3. СОЕДИНИТЕЛЬ № 77 - ГЕНЕРАТОР ПЕРЕМЕННОГО ТОКА B+
4. СОЕДИНИТЕЛЬ №85 - ВОЗБУЖДЕНИЕ ГЕНЕРАТОРА ПЕРЕМЕННОГО ТОКА (D+)
5. СОЕДИНИТЕЛЬ №85 - ЧАСТОТА ГЕНЕРАТОРА ПЕРЕМЕННОГО ТОКА W (ЧИСЛО ОБОРОТОВ ДВИГАТЕЛЯ)
Педали тормозов

1. СОЕДИНИТЕЛЬ №162 - ПЕРЕКЛЮЧАТЕЛЬ ЛЕВОГО ТОРМОЗА
2. СОЕДИНИТЕЛЬ №163 - ПЕРЕКЛЮЧАТЕЛЬ ПРАВОГО ТОРМОЗА
Терминатор шины данных (передняя часть трактора)

1. СОЕДИНИТЕЛЬ №205 - ПЕРЕДНИЙ ПАССИВНЫЙ ТЕРМИНАТОР
2. ПРОМЕЖУТОЧНОЕ ПУСКОВОЕ РЕЛЕ
3. ЗАЗЕМЛЕНИЕ ПРОВОДКИ ДВИГАТЕЛЯ
Датчик температуры всасываемого воздуха двигателя

1. ТЕМПЕРАТУРА ВПУСКНОГО КОЛЛЕКТОРА - СОЕДИНИТЕЛЬ №253
2. ДАТЧИК ДАВЛЕНИЯ ВО ВПУСКНОМ КОЛЛЕКТОРЕ НАДДУВА
Подогреватель блока цилиндров двигателя

1. СОЕДИНИТЕЛЬ №215 - ДАТЧИК ТЕМПЕРАТУРЫ ОХЛАЖДАЮЩЕЙ ЖИДКОСТИ ДВИГАТЕЛЯ (НА ДВИГАТЕЛЯХ С ЭЛЕКТРОННОЙ СИСТЕМОЙ УПРАВЛЕНИЯ)
2. ПОДОГРЕВАТЕЛЬ БЛОКА ЦИЛИНДРОВ (НА ВСЕХ ДВИГАТЕЛЯХ)
Датчик давления наддува двигателя

1. ТЕМПЕРАТУРА ВПУСКНОГО КОЛЛЕКТОРА - СОЕДИНИТЕЛЬ №253
2. ДАТЧИК ДАВЛЕНИЯ ВО ВПУСКНОМ КОЛЛЕКТОРЕ НАДДУВА
Датчик температуры охлаждающей жидкости двигателя (на двигателях без электронной системы управления)

1. СОЛЕНОИД НАСОСА-ФОРСУНКИ - СОЕДИНИЕЛЬ №214
2. СОЕДИНИТЕЛЬ №215 - ДАТЧИК ТЕМПЕРАТУРЫ ОХЛАЖДАЮЩЕЙ ЖИДКОСТИ ДВИГАТЕЛЯ (НА ДВИГАТЕЛЯХ БЕЗ ЭЛЕКТРОННОЙ СИСТЕМЫ УПРАВЛЕНИЯ)
Датчик температуры охлаждающей жидкости двигателя (на двигателях с электронной системой управления)

1. СОЕДИНИТЕЛЬ №215 - ДАТЧИК ТЕМПЕРАТУРЫ ОХЛАЖДАЮЩЕЙ ЖИДКОСТИ ДВИГАТЕЛЯ (НА ДВИГАТЕЛЯХ С ЭЛЕКТРОННОЙ СИСТЕМОЙ УПРАВЛЕНИЯ)
2. ПОДОГРЕВАТЕЛЬ БЛОКА ЦИЛИНДРОВ (НА ВСЕХ ДВИГАТЕЛЯХ)
Соединитель проводки двигателя

1. ПРОВОДКА ДВИГАТЕЛЯ - СОЕДИНИТЕЛЬ №.333
Реле давления моторного масла (на двигателях без электронной системой управления)

1. ПЕРЕКЛЮЧАТЕЛЬ ДАВЛЕНИЯ МОТОРНОГО МАСЛА
Датчик давления моторного масла (на двигателях с электронной системой управления)

1. ДАТЧИК ДАВЛЕНИЯ МОТОРНОГО МАСЛА
Датчик скорости двигателя

1. СОЕДИНИТЕЛЬ №246 - ДАТЧИК СКОРОСТИ ДВИГАТЕЛЯ
2. СОЕДИНИТЕЛЬ №247 - ДАТЧИК ПОЛОЖЕНИЯ ДВИГАТЕЛЯ
Датчик положения двигателя

1. СОЕДИНИТЕЛЬ №246 - ДАТЧИК СКОРОСТИ ДВИГАТЕЛЯ
2. СОЕДИНИТЕЛЬ №247 - ДАТЧИК ПОЛОЖЕНИЯ ДВИГАТЕЛЯ
Датчик топлива

1. C066 (ДАТЧИК ТОПЛИВА)
Педальный акселератор

1. ПЕДАЛЬНЫЙ АКСЕЛЕРАТОР - СОЕДИНИТЕЛЬ №256
Промежуточное реле

1. СОЕДИНИТЕЛЬ №205 - ПЕРЕДНИЙ ПАССИВНЫЙ ТЕРМИНАТОР
2. ПРОМЕЖУТОЧНОЕ ПУСКОВОЕ РЕЛЕ
3. ЗАЗЕМЛЕНИЕ ПРОВОДКИ ДВИГАТЕЛЯ
Соленоид насоса-форсунки

1. СОЛЕНОИД НАСОСА-ФОРСУНКИ - СОЕДИНИЕЛЬ №214
2. СОЕДИНИТЕЛЬ №215 - ДАТЧИК ТЕМПЕРАТУРЫ ОХЛАЖДАЮЩЕЙ ЖИДКОСТИ ДВИГАТЕЛЯ (НА ДВИГАТЕЛЯХ БЕЗ ЭЛЕКТРОННОЙ СИСТЕМЫ УПРАВЛЕНИЯ)
Датчик скорости ВОМ

1. ДАТЧИК СКОРОСТИ ВОМ
2. C145
Дистанционные клапана и сцепка

1. СЕКЦИЯ №1, ВЕРХНИЙ СОЕДИНИТЕЛЬ 140, НИЖНИЙ СОЕДИНИТЕЛЬ 340
2. СЕКЦИЯ №2, ВЕРХНИЙ СОЕДИНИТЕЛЬ 141, НИЖНИЙ СОЕДИНИТЕЛЬ 341
3. СЕКЦИЯ №3, ВЕРХНИЙ СОЕДИНИТЕЛЬ 142, НИЖНИЙ СОЕДИНИТЕЛЬ 342
4. СЕКЦИЯ №4, ВЕРХНИЙ СОЕДИНИТЕЛЬ 143, НИЖНИЙ СОЕДИНИТЕЛЬ 343
5. СЕКЦИЯ №5, ВЕРХНИЙ СОЕДИНИТЕЛЬ 144, НИЖНИЙ СОЕДИНИТЕЛЬ 344
6. ОПУСКАНИЕ СЦЕПКИ- СОЕДИНИТЕЛЬ 152
7. ПОДЪЕМ СЦЕПКИ - СОЕДИНИТЕЛЬ 151
Расположение потенциометра шарнирного вала

1. C155 Соединитель за крышкой
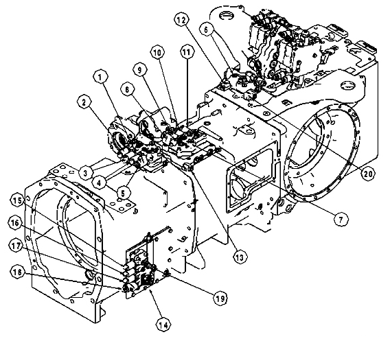
Датчик сопротивления фильтра трансмиссии

1. СОЕДИНИТЕЛЬ №88 - ДАТЧИК СОПРОТИВЛЕНИЯ ФИЛЬТРА ТРАНСМИССИИ
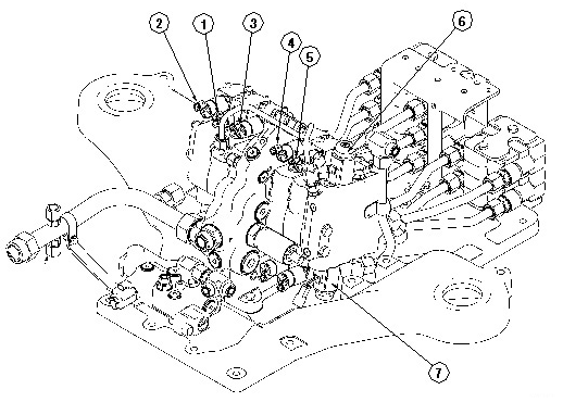
Соленоиды и соединители трансмиссии

1.КЛАПАН ТРАНСМИССИИ С ПЕРЕКЛЮЧЕНИЕМ СКОРОСТЕЙ ПОД НАГРУЗКОЙ VALVE НЕЧЕТНЫЙ/ЧЕТНЫЙ
2. СОЛЕНОИД ЧЕТНЫХ ПЕРЕДАЧ (СОЕДИНИТЕЛЬ №30)
3. СОЛЕНОИД НЕЧЕТНЫХ ПЕРЕДАЧ (СОЕДИНИТЕЛЬ №29)
4. СОЛЕНОИД СЦЕПЛЕНИЯ ХОДОУМЕНЬШИТЕЛЯ (СОЕДИНИЕЛЬ №39)
5. СОЛЕНОИД СТОЯНОЧНОГО ТОРМОЗА (СОЕДИНИТЕЛЬ №49)
6. КЛАПАН МОМ/БЛОИКИРОВКА ДИФФЕРЕНЦИАЛА
7. КЛАПАН РЕГУЛИРОВАНИЯ СКОРОСТЕЙ POWERSHIFT
8. СОЛЕНОИД МЕХАНИЗМА ПРИВОДА ПЕРЕДНИХ КОЛЕС (СОЕДИНИТЕЛЬ №160)
9. СОЛЕНОИД МЕДЛЕННЫХ ПЕРЕДАЧ (СОЕДИНИТЕЛЬ №36)
10. СОЛЕНОИД СРЕДНИХ ПЕРЕДАЧ (СОЕДИНИТЕЛЬ №37)
12. СОЛЕНОИД МОМ SOLENOID (СОЕДИНИТЕЛЬ №159)
13. СОЛЕНОИД ГЛАВНОГО СЦЕПЛЕНИЯ (СОЕДИНИТЕЛЬ №35)
14. КЛАПАН POWERSHIFT РЕГУЛИРОВАНИЯ СКОРОСТИ
15. СОЛЕНОИД СЦЕПЛЕНИЯ C1 (СОЕДИНИТЕЛЬ №31)
16. СОЛЕНОИД СЦЕПЛЕНИЯ C3 (СОЕДИНИТЕЛЬ №32)
17. СОЛЕНОИД СЦЕПЛЕНИЯ C5 (СОЕДИНИТЕЛЬ №33)
18. СОЛЕНОИД СЦЕПЛЕНИЯ ЗАДНЕГО ХОДА (СОЕДИНИТЕЛЬ №34)
19. ПРЕОБРАЗОВАТЕЛЬ ДАВЛЕНИЯ СИСТЕМЫ (СОЕДИНИТЕЛЬ №44)
20. СОЛЕНОИД БЛОКИРОВКИ ДИФФЕРЕНЦИАЛА (СОЕДИНИТЕЛЬ №158)