SHACMAN X600 Описание тормозной системы EBS 3

EBS сочетает электронное управление с традиционной техникой, оборудуется электронно-пневматической тормозной системой. Кроме функции системы ABS и других дополнительных функции ASR, тормозная система EBS также обладает функцию "управление торможением". Тем более, электронная система управления EBS позволяет дополнительно предусмотреть несколько передовых вспомогательных тормозных систем на, таких как система помощи при трогании на уклоне HAS, электронная система контроля устойчивости ESC, вспомогательная тормозная система EBI.



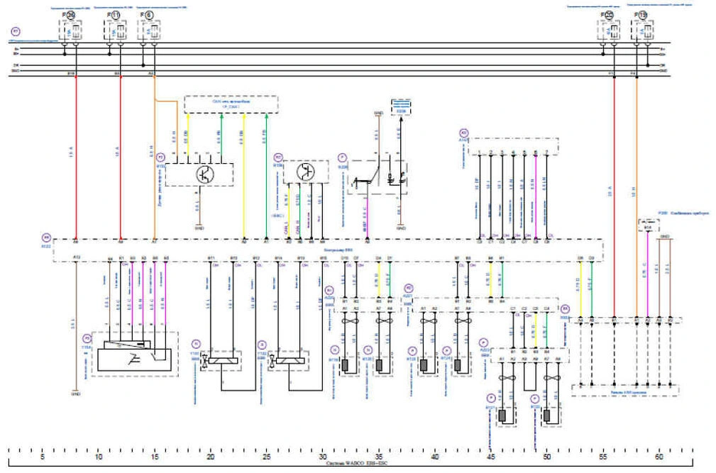
Схема разъема контроллера EBS3
Определение контактных выводов контроллера EBS3

Полный мануал в