Схемы DAF XF 2013-2017 в один клик...
в высоком качестве без логотипов в
EAS-3, Обработка отработанных газов
CD374, ЭБУ системы экологической безопасности EAS-3

EPA 13 / Euro 6


CD374, ЭБУ системы экологической безопасности EAS-3
CD418, Модуль температурных датчиков сажевого фильтра
CD419, Температурный модуль SCR. (Selective Catalytic Reduction — избирательная каталитическая нейтрализг
CD420, ЭБУ PCI (системы управления двигателем)
CF837, Датчик дифференциального давления, (датчик DPF)
CF838, Датчик температуры выхлопных газов перед дизельным окислительным катализатором
CF839, Датчик температуры выхлопных газов после дизельного окислительного катализатора DOC
CF840, Датчик температуры выхлопных газов перед фильтром
CF841, Датчик температуры выхлопных газов до каталитического нейтрализатора
CF842, Датчик температуры выхлопных газов за каталитическим нейтрализатором
CF843, Датчик NOx после катализатора, дожигание оксидов азота
CF844, Датчик NOx до катализатора, дожигание оксидов азота
CF851, Датчик уровня заполнения и температуры в баке AdBlue/DEF
CL071, Электромагнитный запорный воздушный клапан
СL072а, Отсечной электромагнитный клапан топлива доочистки
СL072Ь, Датчик давления топлива доочистки
CL073, Топливная форсунка системы доочистки
CL074, Дозирующий модуль AdBlue/DEF
СL074а, Двухходовой клапан
СL074Ь, Датчик давления AdBlue
СL074с, Нагревательный элемент
CL074d, Насос подачи AdBlue/DEF (Diesel Exhaust Fluid)
CL074e, Датчик температуры AdBlue/DEF (Diesel Exhaust Fluid)
CL075, Дозирующий клапан AdBlue
CL076, Клапан подогрева бака AdBlue
CL135, Насосный модуль системы снижения токсичности
CR026, Нагревательное реле AdBlue/DEF

СВ12, Датчик температуры
СЕ1, Воздушный ресивер
СЕ2, Бак жидкости Ad blue
CF1, Топливный фильтр
CF2, Фильтр сжатого воздуха
CF3, Фильтр Adblue
CF4, Давление фильтра Ad Blue, модуль насоса Ad Blue
CF837, Датчик дифференциального давления, (датчик DPF)
CF838, Датчик температуры выхлопных газов перед дизельным окислительным катализатором
CF839, Датчик температуры выхлопных газов после дизельного окислительного катализатора DOC
CF840, Датчик температуры выхлопных газов перед фильтром
CF841, Датчик температуры выхлопных газов до каталитического нейтрализатора
CF842, Датчик температуры выхлопных газов за каталитическим нейтрализатором
CF843, Датчик NOx после катализатора, дожигание оксидов азота
CF844, Датчик NOx до катализатора, дожигание оксидов азота
CF851, Датчик уровня заполнения и температуры в баке AdBlue/DEF
CL071, Электромагнитный запорный воздушный клапан
СL072а, Отсечной электромагнитный клапан топлива доочистки
СL072Ь, Датчик давления топлива доочистки
CL073, Топливная форсунка системы доочистки
СL074а, Двухходовой клапан
СL074Ь, Датчик давления AdBlue
СL074с, Нагревательный элемент
СL074е, Датчик температуры AdBlue/DEF (Diesel Exhaust Fluid)
CL075, Дозирующий клапан AdBlue
CL076, Клапан подогрева бака AdBlue
CL077, Нагревательный элемент
CL078, Нагревательный элемент
CL079, Нагревательный элемент
СМ1, Насос подачи AdBlue/DEF (Diesel Exhaust Fluid)
CV1, Невозвратный клапан
CV2, Невозвратный клапан
CV3, Дроссель
CV4, Дроссель
CV5, Невозвратный клапан
VIC-3, Центральный компьютер







С2, Переключатели
СЗ, Переключатель износа тормозных накладок
СА004, Кабель питания ABS / EBS по стандарту ISO 7638
СА088, Разъём гидроподъёмного борта
СА098, Блок управления автопарком
СА100, Диагностический разъем OBD
СА203, Разъем изготовителя кузова
СА513, Генератор
СВ000, Двигатель стеклоочистителя лобового стекла
СВ001, Насос омывателя ветрового стекла
СВ002, Насос омывателя фар
СВ294, Клапан подвеска кабины
СВ465, Клапан системы защиты КПП
СВ525, Тахограф
СС832, Рычаг слева от рулевого колеса
СС906, Рычаг AS Tronic на рулевой колонке
СС916, Блок выключателей на рулевом колесе
CD355, Функция приглушения звука
CD358, Блок управления автомобилем VIC-3
CD368, Блок управления автомобилем ELC
CD373, ЭБУ подогрева АСН-ЕА
CD376, ЭБУ EBS
CD400, Бок предохранителей и реле
CD412, Блок управления и обработка сжатого воздуха
CD420, ЭБУ PCI (системы управления двигателем)
CD426, ЭБУ иммобилайзера
CD429, Соединение проводов "косичка"
CD758, Диод
CD759, Диод
CD782, Диод
CD871, ЭБУ подогрева ACH-EW
CD904, Переключатель меню MCS
CD932, ЭБУ электрогидравлической системы ведущей подъемной оси, EMAS
СЕ564, Выключатель тормоза двигателя
СЕ592, Выключатель заднего хода
СЕ595, Выключатель низкого диапазона
СЕ612, Реле давления
CF000, Выключатель стояночного тормоза
CF006, Выключатель продольной блокировки дифференциала 1
CF007, Выключатель продольной блокировки дифференциала
CF038, Выключатель продольной блокировки дифференциала 2
CF047, Выключатель рулевого управления (контур 1)
CF048, Выключатель рулевого управления (контур 2)
CF118, Выключатель делителя
CF120, Выключатель коробки скоростей
CF127, Датчик давления в подвеске
CF142, Реле замка ремня безопасности
CF144, Датчик первой передачи
CF145, Продольный переключатель блокировки, двойной
CF608, Датчик уровня топлива
CF616, Датчик блокировки кабины
CF651, Датчик наружной температуры
CF656, Датчик уровня охлаждающей жидкости
CF758, Датчик распознавания прицепа
CF861, Датчик уровня
CG015, Реле, питание после включения зажигания
CG095, Реле режима антипробуксовочной системы
CG236, Реле цепи стеклоочистителя ветрового стекла (скорость 1 или 2)
CG237, Реле цепи стеклоочистителя ветрового стекла (нулевая скорость)
CG238, Реле цепи омывателей фар
CG297, Реле подвески кабины
CG426, Реле, питание после включения зажигания
CG466, Реле гидроподъёмного борта
CG488, Реле, подвеска
CG497, Реле EBS / ABS, прицеп
CG798, Промежуточный соединитель
CL127, Блок управления подогревом
СО1, Сигналы регулировки яркости
CR005, Реле стояночного тормоза
CR059, Реле гидроподъёмного борта
CR064, Реле цепи стеклоочистителя ветрового стекла
CS013, Управление яркостью освещения
CS041, Выключатель, функция помощи при трогании на склоне
CS050, внедорожный переключатель
CS053, Переключатель АСС (адаптивный круиз-контроль)
CS054, АСС установленное расстояние, переключатель
CS060, Переключатель регенерации сажевого фильтра
CS061, Подсветка приборной панели
CS070, AEBS для подключения / отключения через выключатель
СХ1, Соединение шины CAN
СХ2, Соединение шины CAN
СХЗ, Соединение шины CAN
СХ4, Соединение шины CAN
СХ5, Соединение шины CAN
ELC, Система обзора






СА001, Разъем прицепа на 7 контактов
СА058, Разъем прицепа на 15 контактов
СА152, Разъем для дополнительных функций
СА154, Дополнительный разъём габаритных огней
СА155, Разъём подключения, для мусороуборочных ТС
СВ129, Двигатель корректора левой фары
СВ130, Двигатель корректора правой фары
СВ294, Клапан подвеска кабины
СС000, Ближний свет, левая сторона
СС001, Ближний свет, правая сторона
СС002, Дальний свет, левая сторона
СС003, Дальний свет, правая сторона
СС014, Прерывистый свет передний левый
СС015, Прерывистый свет передний правый
СС018, Левый задний указатель поворота
СС019, Правый задний указатель поворота
СС020, Стоп-сигнал, левая сторона
СС021, Стоп-сигнал, правая сторона
СС022, Левый задний фонарь
СС023, Правый задний фонарь
СС024, Левая задняя противотуманная фара
СС025, Правая задняя противотуманная фара
СС026, Огни заднего хода, левая сторона
СС027, Огни заднего хода, правая сторона
СС071, Рабочее освещение
СС074, Задний боковой габаритный фонарь
СС075, Задний боковой габаритный фонарь
СС142, Вторичное рабочее освещение
СС150, Боковые габаритные фонари
СС154, Левая лампа освещения номерного знака
СС155, Правое освещение номерного знака
СС160, Боковые габаритные фонари
СС210, Освещение кабины
СС236, Верхний левый габаритный огонь
СС237, Верхний габаритный огонь, правая сторона
СС240, Интерьер кабины освещения
СС286, Освещение для правых поворотов
СС287, Освещение для левых поворотов
СС288, Правая передняя противотуманная фара
СС289, Левая передняя противотуманная фара
СС290, Индикаторная лампа на стороне водителя
СС291, Индикаторная лампа на стороне пассажира
СС292, Подсветка подножки, левая сторона
СС293, Подсветка подножки, правая сторона
СС302, Ближний свет, левая сторона
СС304, Ближний свет, правая сторона
СС308, Левый дневной ходовой огонь
СС309, Правый дневной ходовой огонь
СС832, Рычаг слева от рулевого колеса
CD333, Камера
CD358, Блок управления автомобилем VIC-3
CD368, Блок управления автомобилем ELC
CD376, ЭБУ EBS
CD400, Бок предохранителей и реле
CD413, Радиоприемник
CD422, ЭБУ CDS
CD758, Диод, предотвращающий обратную подачу напряжения в систему идентификации автомобиля VIC
CD759, Диод
CD911, ЭБУ сигнализирующей системы ALS-S
СЕ514, Выключатель двери водителя
СЕ515, Выключатель пассажирской двери
CG297, Реле подвески кабины
CG299, Реле освещения снаружи кабины
CG350, Реле цепи огня заднего хода
CG462, Реле включения точечного освещения
CL038, Звуковое уведомление заднего хода
CR027, Левый габаритный фонарь прицепа
CR028, Правый габаритный фонарь прицепа
CS001, Выключатель рабочего освещения
CS014, Потенциометр регулировки наклона
CS015, Выключатель аварийной сигнализации
CS033, Клавиша освещения кабины
CS034, Ночное освещение, переключатель
CS040, Включатель освещения на крыше
CS043, Переключатель для включения / отключения зуммера заднего хода
CS059, Боковое освещение, выключатель
CS062, Выключатель внешнего освещения
PCI, Мультиконтроль впрыска

Местонахождение

Нагрузочный резистор: 110 - 130 [ohm]
Сигнальное напряжение: 5 V
PCI MX-11




САЗ, Вентилятор
СВОЮ, Двигатель стартера
СВ1, Датчик 1 Положение педали акселератора
СВ2, Датчик 2 Положение педали акселератора
СВЗ, Датчик уровня охлаждающей жидкости
СВ335, Датчик числа оборотов вентилятора
СВ35, Датчик частоты вращения, система вентиляции картера
СВ4, Датчик наличия воды в топливном фильтре
СВ421, Электроклапан инжектора 1
СВ422, Электроклапан инжектора 2
СВ423, Электроклапан инжектора 3
СВ424, Электроклапан инжектора 4
СВ425, Электроклапан инжектора 5
СВ426, Электроклапан инжектора 6
СD358, Блок управления автомобилем \/1С-3
СD400, Бок предохранителей и реле
СD420, Блок управления двигателем
СЕ575, Переключатель муфты
СЕ593, Выключатель нейтрального положения КПП
СF552, Датчик числа оборотов коленвала
СF558, Датчик числа оборотов двигателя на коленвалу
СF566, Датчик температуры охлаждающей жидкости
СF673, Датчик уровня масла
СF683, Датчик оборотов турбокомпрессора
СF749, Датчик температуры системы рециркуляции выхлопных газов (ЕСК)
СF750, Датчик температуры на выходе из теплообменника
СF751, Датчик дифференциального давления. Рециркуляция выхлопных газов (ЕСК)
СF801, Датчик давления топлива
СF802, Датчик давления наддува
СF803, Датчик температуры топлива
СF804, Датчик температуры воздуха наддува
СF805, Датчик скорости насоса охлаждающей жидкости
СF808, Датчик температуры масла
СF810, Датчик давления масла
СF823, Датчик давления отработавших газов после турбонагнетателя
СF826, Датчик давления отработавших газов до турбонагнетателя
СF834, Кислородный датчик
СF836, Педаль акселератора
СF852, Датчик влажности и температуры воздуха
СF853, Датчик температуры выхлопных газов
СF854, Датчик давления в общей топливной магистрали
СG126, Реле цепи питания
СL037, Привод турбины с переменной геометрией \ЛЗТ
СL090, Вентиляция картера
СL092, Магнитный клапан, насосный блок
СL093, Магнитный клапан, насосный блок
СL094, Регулятор давления в магистрали впрыска
СL095, Электроклапан рециркуляции выхлопных газов (ЕСК)
СL096, ВР\/ клапан
СL097, Топливный фильтр
СL142, Охлаждающяя жидкость в двигателе насоса жидкости
СL145, Магнитный клапан, двигатель МХ тормозные цилиндры (1-3)
СL146, Магнитный клапан, двигатель МХ тормозные цилиндры (4-6)
СМ1, Двигатель
СR061, Реле насоса охлаждающей жидкости
CR1, Узел системы отопления
СХ2, Соединение шины CAN
СХЗ, Соединение шины CAN
СХ4, Соединение шины CAN
СYЗ, Электроклапан вентилятора
CY4, Пароуловитель, вакуумный клапан
PCI MX-13




САЗ, Вентилятор
СВОЮ, Двигатель стартера
СВ1, Датчик 1 Положение педали акселератора
СВ2, Датчик 2 Положение педали акселератора
СВЗ, Датчик уровня охлаждающей жидкости
СВ335, Датчик числа оборотов вентилятора
СВ341, Свеча накаливания
СВЗ5, Датчик частоты вращения, система вентиляции картера
СВ4, Датчик наличия воды в топливном фильтре
СВ421, Электроклапан инжектора 1
СВ422, Электроклапан инжектора 2
СВ423, Электроклапан инжектора 3
СВ424, Электроклапан инжектора 4
СВ425, Электроклапан инжектора 5
СВ426, Электроклапан инжектора 6
СD358, Блок управления автомобилем \/1С-3
СD400, Бок предохранителей и реле
СD420, Блок управления двигателем
СЕ575, Переключатель муфты
СЕ593, Выключатель нейтрального положения КПП
СЕ611, Выключатель нейтрального положения КПП
СF552, Датчик числа оборотов коленвала
СF558, Датчик числа оборотов двигателя на коленвалу
СF566, Датчик температуры охлаждающей жидкости
СF673, Датчик уровня масла
СF683, Датчик оборотов турбокомпрессора
СF748, Датчик наружной температуры
СF749, Датчик температуры системы рециркуляции выхлопных газов (ЕСК)
СF750, Датчик температуры на выходе из теплообменника
СF751, Датчик дифференциального давления. Рециркуляция выхлопных газов (ЕСК)
СF801, Датчик давления топлива
СF802, Датчик давления наддува
СF803, Датчик температуры топлива
СF804, Датчик температуры воздуха наддува
СF805, Датчик скорости насоса охлаждающей жидкости
СF806, Датчик давления в картере двигателя
СF808, Датчик температуры масла
СF810, Датчик давления масла
СF823, Датчик давления отработавших газов после турбонагнетателя
СF826, Датчик давления отработавших газов до турбонагнетателя
СF834, Кислородный датчик
СF836, Педаль акселератора
СF852, Датчик влажности и температуры воздуха
СF853, Датчик температуры выхлопных газов
СF854, Датчик давления в общей топливной магистрали
СС014, Реле цепи предпускового подогрева
СС126, Реле цепи питания
СL037, Привод турбины с переменной геометрией \/СТ
СL090, Вентиляция картера
СL092, Магнитный клапан, насосный блок
СL093, Магнитный клапан, насосный блок
СL094, Регулятор давления в магистрали впрыска
СL095, Электроклапан рециркуляции выхлопных газов (ЕСК)
СL096, ВР\/ клапан
СL097, Топливный фильтр
СL147, Магнитный клапан, тормоз двигателя МХ
СL148, Магнитный клапан, тормоз двигателя МХ
СL149, Магнитный клапан, тормоз двигателя МХ
СL150, Магнитный клапан, тормоз двигателя МХ
СL151, Магнитный клапан, тормоз двигателя МХ
СL152, Магнитный клапан, тормоз двигателя МХ
СМ1, Двигатель
СR1, Узел системы отопления
СХ2, Соединение шины САІМ
СХ4, Соединение шины САІМ
СYЗ, Электроклапан вентилятора
СY4, Пароуловитель, вакуумный клапан
CDS-4, Центральный замок

СВ199, Центральная блокировка водительской стороны
СВ200, Центральная блокировка пассажирской стороны
CD315, Модуль двери водителя
CD358, Блок управления автомобилем VIC-3
CD368, Блок управления автомобилем ELC
CD400, Бок предохранителей и реле
CD422, ЭБУ CDS
CD911, ЭБУ сигнализирующей системы ALS-S
СЕ514, Выключатель двери водителя
СЕ515, Выключатель пассажирской двери
CI058, Держатель диодов модуля двери
CI059, Держатель диодов модуля двери
CL025, Двигатель стеклоподъемника, дверь со стороны водителя
CL026, Двигатель стеклоподъемника, пассажирская дверь
CS016, Переключатель центральной блокировки
СХ1, Соединение с шиной CAN
EST-54, Ретардер

Система, снижающая скорость автомобиля. Для этого используется движение автомобиля. Тормозной момент при остановленном автомобиле нулевой.
Местонахождение


С101, Масло в картере трансмиссии
С102, Масляный поддон интардера
С17, Система снижения крутящего момента
C2W, Клапан обмена
С700, Теплообменник
СА11, Статор
СА111, Масляный фильтр, замедлитель
СА12, Ротор
СА201, Масляный гидравлический насос, замедлитель
СВ088, Пропорциональный клапан
СВ089, Привод электроклапана аккумулятора ретардера
CD357, ЭБУ ретардера
CF544, Датчик температуры охлаждающей жидкости
CF731, Датчик температуры масла
CF814, Датчик давления масла
СР142, Предохранительный клапан
CY1, Заполните вверх до клапана
CY2, Сливной клапан

СВ088, Пропорциональный клапан
СВ089, Привод электроклапана аккумулятора ретардера
СВ525, Тахограф
CD357, ЭБУ ретардера
CD400, Бок предохранителей и реле
CD420, ЭБУ PCI (системы управления двигателем)
СЕ593, Выключатель нейтрального положения КПП
CF544, Датчик температуры охлаждающей жидкости
CF731, Датчик температуры масла
CF814, Датчик давления масла
СХ1, Соединение шины CAN
ВВМ, Модуль управления кузовом



С170С, Разъем на перегородке
СА015, Разъем изготовителя кузова
СА016, Соединитель шасси-кабина
СА058, Разъем прицепа на 15 контактов
СА068, Разъем ESC (Engine Speed Control)
CA095, Разъем
CA122, Разъем на 9 контактов
СА123, Разъем на 21 контакт
СА158, Разъем изготовителя кузова
СВ010, Двигатель стартера
СВ245, Клапан управления отбором мощности 1
СВ246, Клапан управления отбором мощности 2
СС750, Выключатель механизма отбора мощности 1
СС751, Выключатель механизма отбора мощности 2
СС923, Выключатель вкл./откл. двигателя
СС941, Выключатель тормоза двигателя
СС945, Включатель освещения платформы
CD312, ЭБУ АКПП
CD368, Блок управления автомобилем ELC
CD373, ЭБУ подогрева ACH-EW
CD400, Бок предохранителей и реле
CD420, ЭБУ PCI (системы управления двигателем)
CD871, ЭБУ подогрева АСН-ЕА
CD993, Блок управления системы кузовного оборудования
СЕ620, Переключатель муфты
CF087, Выключатель состояния механизма отбора мощности 1
CF088, 2-режимный переключатель механизма отбора мощности
CF135, Коробка отбора мощности реле давления
CF616, Датчик блокировки кабины
CI046, Реле прерывания стартера
CL015, Клапан стояночного тормоза
CR003, Реле
CR005, Реле цепи огня заднего хода
CR006, Реле стояночного тормоза
CR012, Реле отключения ECAS
СХ1, Соединение с шиной CAN
CD993, Блок управления системы кузовного оборудования

АТС, Автоматический Контроль Температуры


СА100, Диагностический разъем OBD
СВ015, Вентилятор нагревателя
СВ488, Группа резисторов вентилятора
СС882, Выключатель вентилятора отопителя
СС915, Регулятор температуры
CD343, ЭБУ системы климат-контроля АТС
CD358, Блок управления автомобилем VIC-3
CD400, Бок предохранителей и реле
СЕ579, Термостат
CF745, Датчик температуры в кабине
CF746, Датчик наружной температуры
CF747, Датчик температуры на выходе радиатора
CG170, ACH-EW реле обогревателя вентилятора
CG247, Реле вентилятора отопителя
CL127, Нагревательный элемент
CL128, Пропорциональный клапан
К Diag Line, Диагностическая линия К
AEBS, Система Автоматического Экстренного Торможения

СВ525, Тахограф
CD400, Бок предохранителей и реле
CD420, ЭБУ PCI (системы управления двигателем)
CD427, ЭБУ AEBS
СХ2, Соединение с шиной CAN
AS Tronic, Коробка передач с электронным управлением

СВ10, Датчик воздушного давления
СВ2, Датчик числа оборотов на входе коробки передач
СВЗ, Датчик внутренней температуры
СВ4, Датчик включения передачи
СВ5, Датчик положения рычага переключения передач
СВ6, Датчик включения группы пониженных передач
СВ7, Датчик положения разветвителя
СD954, ЭБУ КПП
СV, Дроссельный клапан регулировки давления
СY1, Электромагнитный клапан тормоза в трансмиссии
СY10, Электроклапан подачи сжатого воздуха
СY100, Разбивка цилиндров
СY101, Цилиндр выбора передачи
СY102, Цилиндр включения передачи
СY103, Цилиндр изменения диапазона
СY2, Электроклапан высокого разделения
СYЗ, Электроклапан низкого разделения
СY4, Электроклапан переключателя передач 1
СYЗ, Электроклапан переключателя передач 2
СY6, Электроклапан включения передач 1
СY7, Электроклапан включения передач 2
СY8, Электроклапан низкого диапазона КПП
СY9, Электроклапан высокого диапазона КПП

СВ385, Сцепление в сборе. Сцепление в сборе. Регулятор
CD400, Бок предохранителей и реле
CD420, ЭБУ PCI (системы управления двигателем)
CD426, ЭБУ иммобилайзера
CD954, ЭБУ КПП AS Tronic
СЕ602, Переключатель режимов езды
CF705, Датчик числа оборотов в коробке передач
CS5, Датчик хода сцепления
СХ1, Диагностический разъем
СХ2, Соединение с шиной CAN
CY14, Электромагнитный клапан отпускания сцепления на высокой скорости
CY15, Электромагнитный клапан отпускания сцепления на малой скорости
CY16, Электромагнитный клапан выжима сцепления на высокой скорости
CY17, Электромагнитный клапан выжима сцепления на малой скорости
К Diag Line, Диагностическая линия К
CD954, ЭБУ КПП AS Tronic

Система автоматически контролирует выбор передачи, а также работу сцепления. Она также регулирует работу двигателя при переключении передач.Водитель переключает передачи, перемещая рычаг и не отпуская педали акселератора. Кроме того, система управляет процессом трогания автомобиля с места и оптимизирует безопасность при маневрировании.
Модуль переключения передач и привод сцепления - основные элементы АКПП. Модуль переключения передач объединен с ЭБУ, управляющими электроклапанами, коммутационным цилиндром и датчиками.
ЭБУ постоянно обрабатывает получаемые от датчиков сигналы, а также информацию, получаемую по шине CAN. На основе этих данных блок включает различные клапаны в системе в зависимости от запрограммированных значений и характеристик.
Местонахождение

Общее
Соединение с шиной CAN
Сопротивление модулятора коробки передач между точками АЗ и А6: ± 120 ohm
С модулем коробки передач "Е"
Сопротивление между модулятором коробки передач и механизмом переключения передач, измеренном между выводами CAN-H и CAN-L: 60 ± 6 ohm
Сопротивление механизма переключения передач между точками С1 и СЗ: ± 120 ohm
При проверке сопротивления между точками С1 и СЗ следует перемкнуть проводом точки С14 и С15.
ECAS-4, Электронный контроль воздушной подвеской
СЕ1, ЭБУ подвески

Предохранитель ECAS (электронно-пневматическая подвеска)
Электронное управление пневмоподвеской поддерживает постоянную высоту шасси при движении и погрузке-загрузке автомобиля.
Кроме того, системе ECAS выполняет и другие функции:
- Задержка пуска. Задержка нужна для предотвращения избыточного потребления воздуха при небольших колебаниях, вызванных неровностями дороги.
- Программирование нормального уровня II.
- Индивидуальное управление воздушными сильфонами на оси.
- Управление подъемной осью.
- Система управления тяговым усилием.
Данная система выполняется в различных конфигурациях в зависимости от типа осей автомобиля (см. рис.):
- Автомобиль с колесной формулой 4x2.
- Автомобиль с колесной формулой свыше 4x2.
- Автомобиль с поворотной задней осью.

СЕ1, ЭБУ подвески
CF1, Предохранитель ECAS (электронно-пневматическая подвеска)
CF2, Предохранитель электросистемы
СИ, Выключатель нормального уровня I/II
CI9, Выключатель нормального уровня
CS1, Датчик высоты положения задней оси с левой стороны
CS2, Датчик высоты положения задней оси с правой стороны
СТ1, RCU (блок дистанционного управления)
CV1, Клапан ECAS, ведущая ось
CV2, Клапан ECAS, ведущая ось

СЕ1, ЭБУ подвески
CF1, Предохранитель ECAS (электронно-пневматическая подвеска)
CF2, Предохранитель электросистемы
CI2, Выключатель подъемной оси
CI3, Выключатель управления тяговым усилием
CI9, Выключатель нормального уровня
СМ2, Датчик давления в подвеске
СР4, Датчик давления в подвеске, задняя ось, правая сторона
CR2, Нижнее реле, задний управляемый мост
CR3, Реле таймера, нижний задний управляемый мост
CR4, Реле
CS1, Датчик высоты положения задней оси с левой стороны
CS2, Датчик высоты положения задней оси с правой стороны
СТ1, RCU (блок дистанционного управления)
CV10, Электроклапан управления поворотной осью
CV8, Электроклапан управления подъемной осью
CV9, Клапан ECAS

СЕ1, ЭБУ подвески
СЕ2, ЭБУ ВВМ
СЕЗ, ЭБУ электрогидравлической системы ведущей подъемной оси, EMAS
CF1, Предохранитель ECAS (электронно-пневматическая подвеска)
CF2, Предохранитель электросистемы
СI1, Выключатель нормального уровня I/II
CI2, Выключатель подъемной оси
CI3, Выключатель управления тяговым усилием
CI8, Выключатель увеличения нормального уровня
CI9, Выключатель нормального уровня
СРЗ, Датчик давления в подвеске, задняя ось, левая сторона
СР4, Датчик давления в подвеске, задняя ось, правая сторона
СР6, Датчик давления в подвеске, передняя ось
CR5, Реле отключения ECAS
CS1, Датчик высоты положения задней оси с левой стороны
CS2, Датчик высоты положения задней оси с правой стороны
CS3, Датчик высоты положения передней оси
СТ1, RCU (блок дистанционного управления)
CV1, Клапан ECAS, ведущая ось
CV2, Клапан ECAS, ведущая ось
CV6, Клапан ECAS, передняя ось
CV8, Электроклапан управления подъемной осью
CV9, Клапан ECAS
DIP-5, Панель приборов

СВ525, Тахограф
СС916, Блок выключателей на рулевом колесе
CD358, Блок управления автомобилем VIC-3
CD366, Комбинированный приборный щиток, DIP
CD400, Бок предохранителей и реле
CD420, ЭБУ PCI (системы управления двигателем)
СХ1, Соединение с шиной CAN
СХ2, Соединение с шиной CAN
Immobilizer, Иммобилайзер

CD400, Бок предохранителей и реле
CD426, ЭБУ иммобилайзера
СХ1, Соединение с шиной CAN
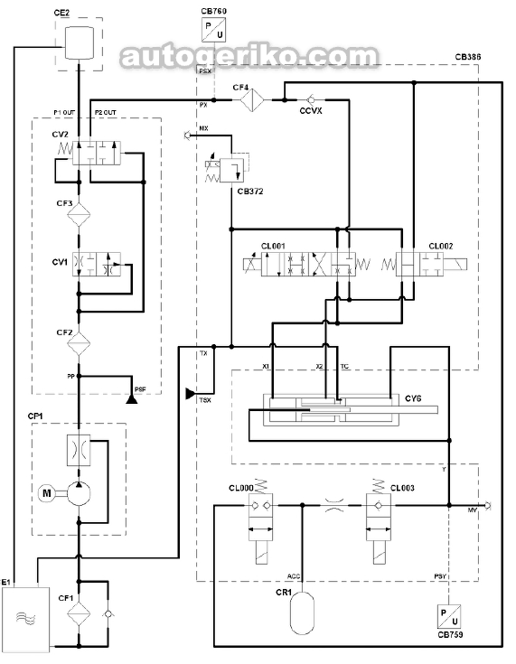
EMAS, Электрогидравлическое многоосное рулевое управление

СВ372, Электромагнитные клапаны регулирования расхода
СВ386, Блок электромагнитный клапанов управления цилиндром рулевого механизма
ССХ/Х, Удерживающий электроклапан
СЕ1, Поддон картера
СЕ2, Бак жидкости ГИР
СF1, Фильтр
СF2, Фильтр
СFЗ, Фильтр
СF4, Фильтр
СF759, Регулировка датчика давления в контуре по прямолинейному положению передачи
СF760, Датчик давления контура ГУР
СL000, Электромагнитный разгрузочный клапан аккумулятора
СL001, Электромагнитный контрольный клапан
СL002, Предохранительный клапан
СL003, Электроклапан аккумулятора
СР1, Гидравлический насос
СВ1, Аккумулятор
СV1, Клапан управления потоком
СV2, Клапан управления потоком
СV6, Цилиндр рулевого механизма

СА100, Диагностический разъем OBD
СВ372, Электромагнитные клапаны регулирования расхода
СВ386, Блок электромагнитный клапанов управления цилиндром рулевого механизма
СВ525, Тахограф
CD358, Блок управления автомобилем VIC-3
CD400, Бок предохранителей и реле
CD420, ЭБУ PCI (системы управления двигателем)
CD932, ЭБУ электрогидравлической системы ведущей подъемной оси, EMAS
CD992, ЭБУ ECAS
СЕ463, Предохранитель на 15А
CF687, Датчик угла поворота рулевого колеса, передний мост.
CF688, Датчик угла поворота рулевого колеса, дополнительный управляемый мост
CF759, Регулировка датчика давления в контуре по прямолинейному положению передачи
CF760, Датчик давления контура ГУР
CL000, Электромагнитный разгрузочный клапан аккумулятора
CL001, Электромагнитный контрольный клапан
CL002, Предохранительный клапан
CL003, Электроклапан аккумулятора
К Diag Line, Диагностическая линия К
SWS-3, Рулевое колесо

СС916, Блок выключателей на рулевом колесе
CD358, Блок управления автомобилем VIC-3
CD366, Комбинированный приборный щиток, DIP
CD429, Соединение проводов "косичка"
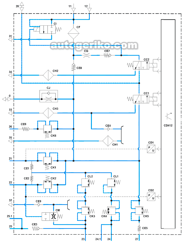
SAC, Управление компрессором
CD412, Блок управления и обработка сжатого воздуха


СС1, Дроссельный клапан регулировки давления
СС2, Клапан регенерации
CD1, Датчик давления в контуре 1
CD2, Датчик давления в контуре 2
CD412, Блок управления и обработка сжатого воздуха
СЕ1, Удерживающий электроклапан
СЕ2, Удерживающий электроклапан
СЕЗ, Удерживающий электроклапан
СЕ4, Удерживающий электроклапан
СЕ5, Удерживающий электроклапан
СЕ6, Удерживающий электроклапан
СЕ7, Удерживающий электроклапан
СЕ8, Удерживающий электроклапан
СЕ9, Удерживающий электроклапан
CF, Фильтр осушителя
CG, Дроссель
СН1, Фильтр
СН2, Фильтр
СНЗ, Фильтр
CI, Выпускной клапан
CJ, Клапан регулирования давления воздуха в шинах
СК1, Перепускной клапан
СК2, Перепускной клапан
СКЗ, Перепускной клапан
СК4, Перепускной клапан
СК5, Перепускной клапан
СК6, Перепускной клапан
CL1, Редукционный клапан
CL2, Редукционный клапан
СМ, Сливной клапан

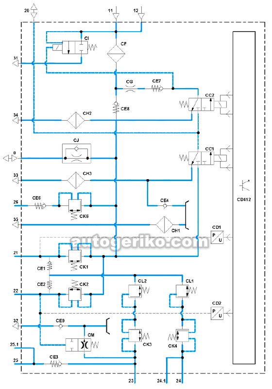
СС1, Дроссельный клапан регулировки давления
СС2, Клапан регенерации
СD1, Датчик давления в контуре 1
СD2, Датчик давления в контуре 2
СD412, Блок управления и обработка сжатого воздуха
СЕ1, Удерживающий электроклапан
СЕ2, Удерживающий электроклапан
СЕЗ, Удерживающий электроклапан
СЕ4, Удерживающий электроклапан
СЕ6, Удерживающий электроклапан
СЕ7, Удерживающий электроклапан
СЕ8, Удерживающий электроклапан
СЕ9, Удерживающий электроклапан
СF, Фильтр осушителя
СG, Дроссель
СН1, Фильтр
СН2, Фильтр
СНЗ, Фильтр
С1, Выпускной клапан
CJ, Клапан регулирования давления воздуха в шинах
СК1, Перепускной клапан
СК2, Перепускной клапан
СКЗ, Перепускной клапан
СК4, Перепускной клапан
СК6, Перепускной клапан
СL1, Редукционный клапан
СL2, Редукционный клапан
СМ, Сливной клапан

CD358, Блок управления автомобилем VIC-3
CD400, Бок предохранителей и реле
CD412, Блок управления и обработка сжатого воздуха
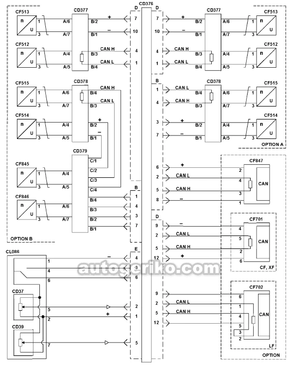
EBS 3, Электронная система торможения



СА004, Кабель питания ABS / EBS по стандарту ISO 7638
CD358, Блок управления автомобилем VIC-3
CD368, Блок управления автомобилем ELC
CD37, Датчик педали тормоза 1
CD376, ЭБУ EBS
CD377, Модулятор передней оси
CD378, Модулятор задней оси
CD379, Модулятор оси, после ведущей оси
CD380, Модулятора прицепа
CD39, Датчик педали тормоза 2
CD400, Бок предохранителей и реле
CD932, ЭБУ электрогидравлической системы ведущей подъемной оси, EMAS
CF512, Датчик колесной скорости, передняя ось, левая сторона
CF513, Датчик колесной скорости, передняя ось, правая сторона
CF514, Датчик колесной скорости, ведущая ось, левая сторона
CF515, Датчик колесной скорости, ведущая ось, правая сторона
CF701, Угол поворота рулевого колеса
CF702, Угол поворота рулевого колеса
CF758, Датчик распознавания прицепа
CF845, Датчик колесной скорости, дополнительный мост, левая сторона
CF846, Датчик колесной скорости, дополнительный мост, правая сторона
CF847, Модуль системы курсовой устойчивости VSC
CG497, Реле EBS / ABS, прицеп
CL086, Педаль тормоза
CL087, Электромагнитный клапан ABS, левая полуось переднего моста
CL088, Электромагнитный клапан ABS, правая полуось переднего моста
CS031, Выключатель ASR.
CS041, Выключатель, функция помощи при трогании на склоне
CS050, внедорожный переключатель
СХ1, Соединение с шиной CAN