Система SCR FORD CARGO Н476
(обучение персонала)
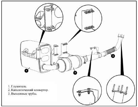
ВЫХЛОПНАЯ СИСТЕМА
Описание
Обеспечивает бесшумный и безопасный выпуск газов, выделяемых двигателем в результате сгорания.
Есть два варианта устройства выхлопной системы, это зависит от применяемых экологических норм
Euro 1-3 или Euro 4. На транспортных средствах, соответствующих нормам Euro 4, дополнительно
используются компоненты системы каталитического преобразования SCR (каталитический конвертор,
бачок жидкости AdBlue и шланги). Компоненты выхлопной системы транспортных средств Euro 4
показаны на рисунке

Снятие системы
Выхлопные трубы
Снятие
• Наклоните кабину транспортного средства.
• Передняя выхлопная труба крепится четырьмя болтами М10 к турбо кронштейну. Отверните болты.
• Снимите спираль с труб, отсоединив зажимы на выхлопной спирале.
• Отсоедините зажим крепления задней выхлопной трубы к впускной трубе каталитического
конвертора.
• Задняя выхлопная труба соединена с кронштейном скобой. Отверните гайки скобы и снимите
выхлопную трубу (см. рис. ниже)
Установка
• Заверните зажимные крепления задней выхлопной трубы к впускной трубе каталитического
конвертора (45 Нм).
• Затяните гайки, установив скобу в кронштейн крепления выхлопной системы (45 Нм).
• Установите болты крепления конца выхлопной трубы в точки крепления с трубой турбоподдува и
затяните их (45 Нм).
Примечание: На задней выхлопной трубе транспортных средств Euro 4 имеются крепления системы SCR.
Снимите эти крепления, не снимая трубу.

Каталитический конвертор
Описание
Устанавливается только на транспортных средствах Euro 4. Отработанные газы выхлопной системы
содержат вредные вещества. Проходя через пористые элементы катализатора и керамический
каталитический конвертор, в результате химической реакции отработанные газы преобразуются в
безопасные вещества. Вредные вещества оксид азота NOx, угарный газ Со и углеводороды НС,
поступающие в конвертор, на выходе превращаются в безопасные для человека азот N2, углекислый газ СО2 и воду Н2О.
Снятие
• Снимите выхлопную трубу.
• Снимите гайки скоб крепления между впускной трубой глушителя и выпускной трубой
каталитического конуса.
• Каталитический конвертор крепится двумя кронштейнами в четырех точках. Отверните
элементы крепления и снимите каталитический конвертор (см. рис. ниже).
Установка
• Затяните ремни крепления так, чтобы каталитический конвертор должным образом
располагался на кронштейне впускной стороны (100 Нм).
• Установите выхлопную трубу.
• Затяните скобу и крепления впуска каталитического конвертора (45 Нм).
Примечание: На впускной трубе глушителя имеются крепления системы SCR. Отсоедините эти
крепления, не снимая трубы.

Каталитический конвертор
Глушитель
Описание
Выхлопные газы выходят из двигателя под большим давлением и, если бы газы выходили
непосредственно из двигателя,это бы создавало шум. Поэтому выпускной коллектор посылает
газы в глушитель, в устройстве которого наряду с металическими трубами и пластинами
используются специальные изолирующие материалы. Давление газов при прохождении через
глушитель уменьшается, и тем самым обеспечивается бесшумный выпуск газов.
Снятие
• Снимите входной зажим глушителя.
• Снимите крепления датчика на входе глушителя транспортных средств Euro 4.
• Глушитель крепится к корпусу кронштейном с четырьмя болтами и к шасси двумя
кронштейнами. Снимите глушитель, отвернув болты крепления на корпусе (см. рис. ниже).
Установка.
• Закрепите глушитель при помощи кронштейна с четырьмя болтами М12 так, чтобы он
нужным образом располагался на стороне впуска (100 Нм).
• Затяните скобу на .впускную трубу глушителя (45 Нм) и соедините необходимые крепления
датчика, если есть.

Глушитель
СИСТЕМА SCR (метод преобразования)
Общее описание
SCR система представляет собой технологию очистки через катализатор, основанную на реакции выделения оксида азота kNOx в отработанных газах и 32,5% водного раствора жидкости AdBlue и превращении выделяемого оксида азота kNOx в азот N2 в результате этой реакции.
Система SCR является единственной системой очистки выделяемого оксида азота kNOx на сегодняшний день, успешно прошедшей тесты с применением динамометра и зональные тесты по показаниям продуктивности, эксплуатации, долгосрочности и более низкой стоимости системы.
В системе SCR используется преобразование жидкости, известной как AdBlue, впрыскиваемой в поток выхлопного газа. Эта жидкость превращает вредные оксиды азота (kNOx), содержащиеся в выхлопном газе, в безвредное для человека вещество.
Для обеспечения максимального эффекта преобразования выделяемых газов, преобразование должно дозироваться с высокой чувствительностью во всех рабочих режимах двигателя. Электронный контроль системы регулирует соответствующее дозирование согласно требованиям, предъявляемым к двигателю и каталитическому конвертору, посредством оценки всех соответствующих данных, поступающих с измерительного прибора двигателя, и значений, измеренных выхлопной системой.
В системе SCR выхлоп преобразуется за счет впрыскивания жидкости AdBlue перед прохождением через каталитический конвертор. Вредные оксиды азота превращаются в азот и водяной пар, содержащиеся в воздухе.
Модификация SCR системы
а) SCR дозирование серы в топливе.
Технология SCR совместима с высоким содержание серы до 350 милионных долей. Однако, при тестировании с содержанием 360 милионных долей нарушений в технологии не наблюдалось.
При стабильно низкой температуре содержимого топлива и выхлопных газов (городские автобусы, фуры), заметно снижение продуктивности SCR и выброс аммиака в атмосферу.
б) Старение.
• Термическое старение является основной причиной нарушения технологии SCR, эффект потребления смазочных материалов низок и может не учитываться.
• Согласно экологическим нормам EURO 4 SCR требования к смазочным материалам не предъявляются.
Преимущества системы SCR
• Эффективность системы составляет 80%-90%.
• Рабочая температура - 250°С - 500°С.
• Система SCR совместима с топливом, имеющим высокое содержание серы, и следует соответствующей технологии очистки выхлопных газов.
• При работе системы SCR характеристику сгорания двигателя можно регулировать за счет сокращения потребления топлива. Применение технологии SCR (добавление жидкости AdBlue - 6% потребляемого топлива) в двигателе, соответствующем стандарту EURO 4, является более выгодным в отношении потребления топлива по сравнению с тем же двигателем, соответствующим стандарту Euro 3, ~ 6% потребляемого топлива.
Экономия потребления топлива (со стандартом EURO 3)
Экономия топлива 4% (в зависимости от дорожного цикла ±1).
• Потребление жидкости AdBlue при вождении.
В случае Euro 4 - 4%, Euro 5 - 5,5% (в зависимости от дорожного цикла ± 1).
• Общая экономия потребления: 2% (Euro 4 по сравнению с Euro 3).
Требуемое количество жидкости AdBlue системы SCR
• Установлено, что количество жидкости варируется в пределах 4-8% от количества потребляемого топлива, в зависимости от мощности используемого двигателя при проведении зонального тестирования и тестирования динамометром в Европе.
• В качестве образца берется бак объемом 450 литров.
4501л х %6 (среднеее) = 27 л
Резервное количество жидкости = 4л.
• При условии, что этот грузовик проезжает 100 000 км в год, годовая потребность топлива составляет ~ 40 000 л.
• При условии, что среднее количество жидкости для данного потребления топлива должно быть 6% от потребляемого топлива и подсчитан совокупный запас, средняя потребность в жидкости составляет 2,7 тон в год для одного транспортного средства.
Физические характеристики требуемой жидкости системы SCR
• С появлением на рынке технологии SCR, обеспечение заправки жидкостью AdBlue (водный раствор 32,5% согласно стандартам DINB 70070 ) на заправочных станциях стало обязательным. Компании, поставляющие топливо, должны принимать во внимание это изменение.
AdBlue - физические характеристики.
Описание: ~32, 5% водный растовор вещества.
Растворение в воде: без ограничения.
Вид: прозрачная/бесцветная.
Запах: без запаха.
Точка замерзания ~ -11,5 °С
Вязкость (25 °С): са. 1,4 тар с
Теплопроводность (25 °С): са. 0,570 Вт/м К
Удельная теплоемкость (25 °С): са. 3,40 кДж/кг К.
Поверхностное натяжение: минимум 65 мН\м.
Жидкость AdBlue и процесс преобразования
Жидкостьиз AdBlue состоит из реактивного вещества аммония (заменителя аммиака) и воды. Нагрев
выхлопной системы превращает вещество в аммоний (NH3) и углекислый газ (СО2). Основным веществом этого процесса и каталитического конвертора SCR является аммоний. При химическом разложении в катализаторе оксид азота (kNOx) превращается в азот (N2) и водяной пар (Н2О). Азот присутствует в воздухе, которым мы дышим. Остаток аммония собирается очистительным устройством в каталитическом конверторе.
Примечание: При условии, что используется добавка AdBlue в моторное средство Euro 4 или Euro 5,
значения выбросов транспортного средства принимаются по стандарту Euro 1. Кроме этого, на
транспортные средства Европейского производства согласно требованиям регулирования выбросов, кроме 10/2007, в качестве серийной комплектации устанавливается датчик измерения количества оксида азота (kNOx) в выхлопном газе. При использовании жидкости AdBlue количество оксида азота (kNOx) в выхлопном газе измеряется датчиком и при выключении и повторном включении зажигания количество лошадиных сил уменьшается автоматически на 40%.

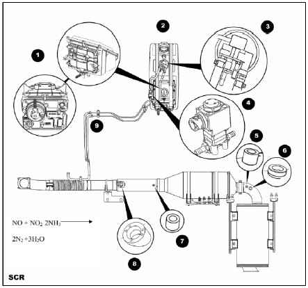
Компоненты системы SCR
• Входное отверстие дозирующего устройства (инжектор жидкости AdBlue).
• Устройство контроля DCU- Дозирующий насос (1).
• Бачок жидкости AdBlue (2).
• Датчик температуры и уровня жидкости AdBlue (3).
• Шланги жидкости AdBlue (9).
• Каталитический конвертор.
• Входы датчика температуры (5-7).
• Датчик выделения оксида азота (kNOx) (6).
• Провода.
• Безвозвратный клапан (4).
Контролирующее устройство дозирования DCU
Контролирующее устройство регулирует количество жидкости, которое впрыскивается в линию
выхлопа, и соответствие выделяемого количества стандартам за счет управления времени
впрыскивания. Закреплен при помощи держателя на бачке жидкости AdBlue. Имеет пять входных
кабелей (см. рис. ниже)

Контролирующее устройство дозирования DCU
1. Фильтр-нагреватель (съемный для технического обслуживания).
2. Гнездо выпуска.
3. Выпуск жидкости AdBlue.
4. Выпуск жидкости AdBlue.
5. Впуск жидкости AdBlue.
6. Впуск жидкости AdBlue.
7. Дозирующий насос.
8. Соединитель DCU MS6.
Бачок жидкости AdBlue
Бачок жидкости AdBlue состоит из датчика количества вещества, измеряющего уровень вещества
и предотвращающего замерзание жидкости в бачке, и служит емкостью для жидкости. Работает за
счет поступления горячей воды из двигателя по трубам с безвозвратным клапаном. Две впускные
трубы подают топливо в насос контролирующего устройства дозирования. Закреплен с правой
частью шасси кронштейном (см. рис. ниже). Бачки жидкости AdBlue изготавливаются из алюминия или пластика.

Бачок жидкости AdBlue
Дозатор (инжектор жидкости Adblue)
Жидкость поступает в контролирующее устройство DCU через выпускные трубы дозирования на
бачке жидкости AdBlue. Жидкость попадает на инжектор через выпускные трубы за счет работы
насоса дозирования устройства DCU. Насадка инжектора находится на выпускной трубе
выхлопной системы. Жидкость попадает внутрь каталитического конвертора и впрыскивается в
отработанный газ. Преобразует выхлопные газы в воду и безопасный азот. Устройство инжектора
показано на рисунке

Дозатор (инжектор жидкости Adblue)
Датчики температуры и окиси азота (kNOx)

Датчики температуры и оксида азота (kNOx)