Электросхема АКП GS II Mercedes Actros
- Цветовая маркировка проводов -
- bl Синий
- br Коричневый
- ge Жёлтый
- gn Зелёный
- gr Серый
- rs Розовый
- rt Красный
- sw Чёрный
- vi Фиолетовый
- ws Белый
- tk Бирюзовый (бензин)
- or Оранжевый
- tr Световое табло
А1б : Электропитание GS II управление переключением передач
Шина CAN к блоку управления FR система управления движением

- АЗ: Система управления движением
- А7: Базовый модуль
- А1б: Блок управления GS управление переключением передач
- Х2.1: Штекерное соединение 'Кабина водителя-шасси'
А91 : Модуль переключения диапазонов , Y33, Y34 : Электромагнитные клапаны 'Коридор передач', Y31, Y32 : Электромагнитные клапаны 'Диапазон'

- АЗ: FR система управления движением
- А1б: Блок управления GS управление переключением передач
- А90: Модуль переключения "коридоров" передач
- Х2.1: Штекерное соединение 'Кабина водителя-шасси'
А91 : Модуль переключения диапазонов / Y31, Y32: Электромагнитные клапаны 'Диапазон', ВбЗ : Датчик пониженной передачи

- А1б: Блок управления GS управление переключением передач
- А90: Модуль переключения "коридоров" передач
- А91: Модуль переключения диапазонов
- В61: Датчик "коридора" выбора передачи
- ВбЗ: Датчик пониженной передачи
- Y31: Электромагнитный клапан пониженной передачи 1 (MR1)
- Y32: Электромагнитный клапан пониженной передачи 2 (MR2)
- Y33: Электромагнитный клапан 'Коридор передач 1' (MG1)
- Y34: Электромагнитный клапан 'Коридор передач 2' (MG2)
- (778) Без тормоза-замедлителя (ретардера) Telma
А92 : Модуль переключения передач

- А1б: Блок управления GS управление переключением передач
- А91: Модуль переключения диапазонов
- ВбЗ: Датчик пониженной передачи
- Y31: Электромагнитный клапан пониженной передачи 1 (MR1)
- Y32: Электромагнитный клапан пониженной передачи 2 (MR2)
- 1: Без тормоза-замедлителя (ретардера) Telma
- 2: С тормозом-замедлителем (ретардером) Telma
А93 : Сервомотор сцепления

- А1б: Блок управления GS управление переключением передач
- А92: Модуль переключения передач
- Y35: Электромагнитный клапан 'Подать воздух в цилиндр включения нечётных передач1 (MUB)
- Y36: Электромагнитный клапан 'Подать воздух в цилиндр включения чётных передач' (MGB)
- Y37: Электромагнитный клапан 'Опорожнить цилиндр включения нечётных передач' (MUE)
- Y38: Электромагнитный клапан 'Опорожнить цилиндр включения чётных передач' (MGE)
- ВбО: Датчик 'Передача' (SGG)
- (U145) Не устанавливается на а/м с КП Mercedes-PowerShift
В2 : Датчик перемещения сцепления

- А1б: Блок управления GS управление переключением передач
- А93: Сервомотор сцепления
ВЗ : Датчик числа оборотов 'Промежуточный вал'
А1б: Блок управления GS управление переключением передач
В2: Датчик перемещения сцепления
В47: Датчик температуры масла КП
В62: Датчик делителя

- А1б: Блок управления GS управление переключением передач
- В2: Датчик перемещения сцепления
- ВЗ: Датчик числа оборотов 'Промежуточный вал'
- В47: Датчик температуры масла КП
- В62: Датчик делителя
В62 : Датчик делителя

- А1б: Блок управления GS II управление переключением передач
- А91: Модуль переключения диапазонов
- А92: Модуль переключения передач
- В2: Датчик перемещения сцепления
- ВбО: Датчик передачи
- В62: Датчик делителя
- ВбЗ: Датчик пониженной передачи
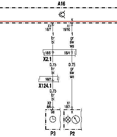
Р2 : INS комбинация приборов

- А1б: Блок управления GS управление переключением передач
- В57: Датчик числа оборотов
- В61: Датчик "коридора" выбора передачи
- В99: Датчик числа оборотов
- Y33: Электромагнитный клапан "коридора" выбора передачи 1 (MG1)
- Y34: Электромагнитный клапан "коридора" выбора передачи 2 (MG2)
- 1: Без автоматики переключения (EAS) и без 2-ступенчатой раздаточной коробки
- 2: С автоматикой переключения (EAS) или 2-ступенчатой раздаточной коробкой
- 3: С автоматикой переключения (EAS) и 2-ступенчатой раздаточной коробкой
РЗ : МТСО модульный тахограф

- А1б: Блок управления GS управление переключением передач
- Р2: INS комбинация приборов
- РЗ: МТСО модульный тахограф
- Х124.1: Штекерное соединение 'Крыша' со стороны водителя
- Х2.1: Штекерное соединение 'Кабина водителя-шасси'
Y31, Y32 : Электромагнитные клапаны 'Диапазон' ВбЗ : Датчик пониженной передачи, А92 : Модуль переключения передач
Y29, Y30 : Электромагнитные клапаны 'Делитель'

- А1б: Блок управления GS управление переключением передач
- А90: Модуль переключения "коридоров" передач
- А92: Модуль переключения передач
- ВбО: Датчик передачи
- ВбЗ: Датчик пониженной передачи
- Y31: Электромагнитный клапан пониженной передачи 1 (MR1)
- Y32: Электромагнитный клапан пониженной передачи 2 (MR2)
- Y35: Электромагнитный клапан 'Подать воздух в цилиндр включения нечётных передач1 (MUB)
- Y36: Электромагнитный клапан 'Подать воздух в цилиндр включения чётных передач' (MGB)
- Y37: Электромагнитный клапан 'Опорожнить цилиндр включения нечётных передач' (MUE)
- Y38: Электромагнитный клапан 'Опорожнить цилиндр включения чётных передач' (MGE)
Y125: Электромагнитный клапан 'Тормоз промежуточного вала (VGW-B)'

- А1б: Блок управления GS управление переключением передач
- Y29: Электромагнитный клапан делителя 1 (MSI)
- Y30: Электромагнитный клапан делителя 2 (MS2)
- 1: С механизмом отбора мощности непосредственно от двигателя
- 2: Без отбора мощности непосредственно от двигателя