Электрооборудование автомобилей
МАЗ-555035, 650136, 534035, 631236, 437137
с двигателями Deutz BF6M2013FC и BF4M2013FC
экологического уровня Евро-4
Перечень элементов электрооборудования
- А Блок коммутационной аппаратуры
- А1 Прерыватель
- А2 Прерыватель стеклоочистителя
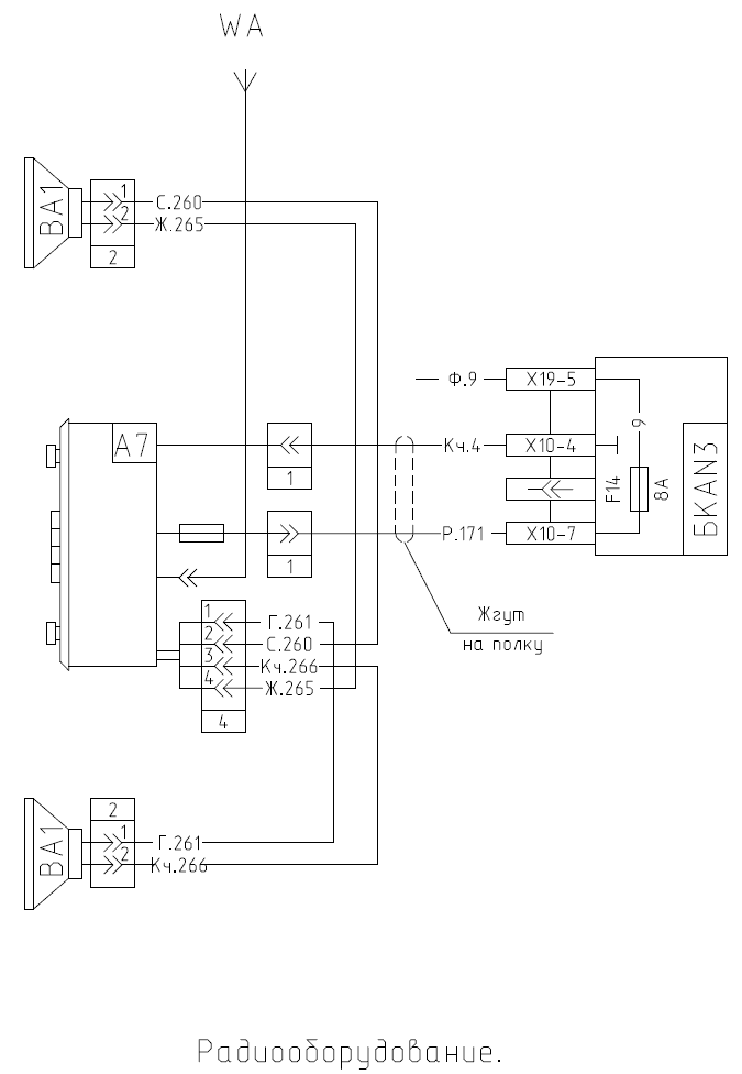
- А7 Магнитола стереофоническая автомобильная
- В Холодильник
- ВА1.ВА2 Широкополосная акустическая система
- ВК Датчик указателя температуры воды
- ВР1.ВР2 Датчик комбинированный давления
- ВР4 Датчик аварийного давления воздуха
- ВР5 Датчик
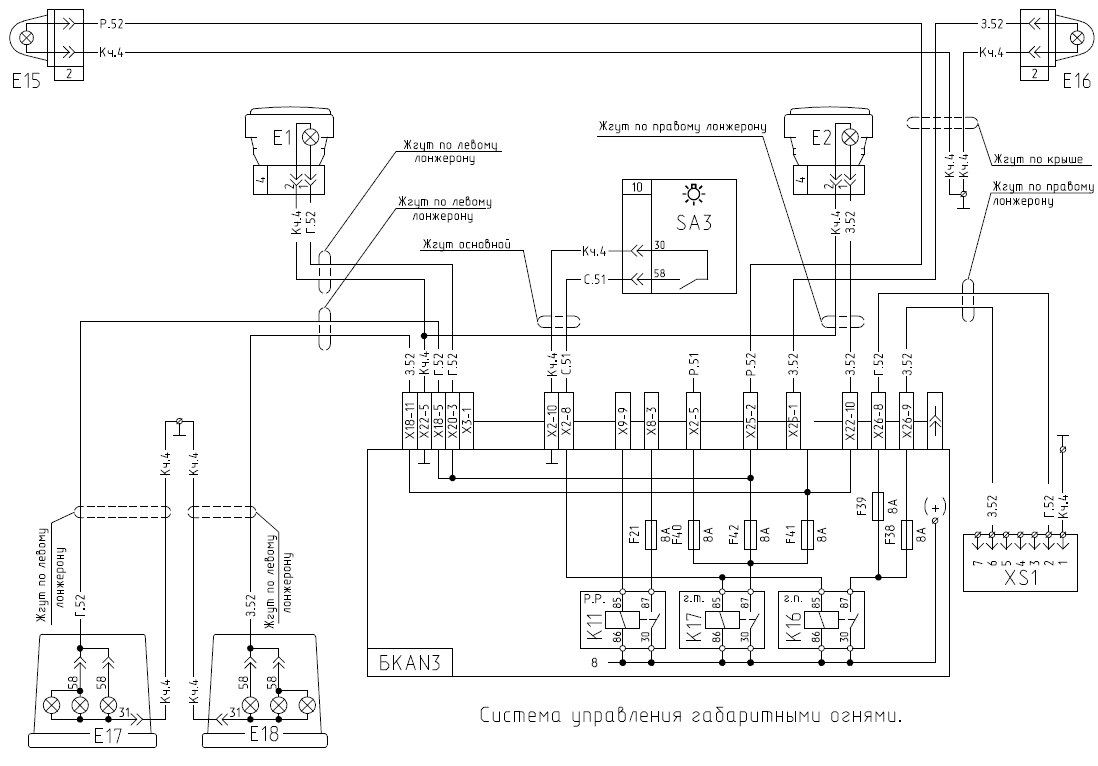
- Е1.Е2 Фара головная
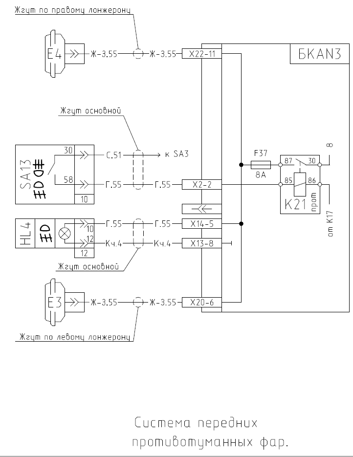
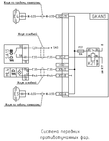
- ЕЗ,Е4 Фара противотуманная
- Е7,Е8 Передний указатель поворота
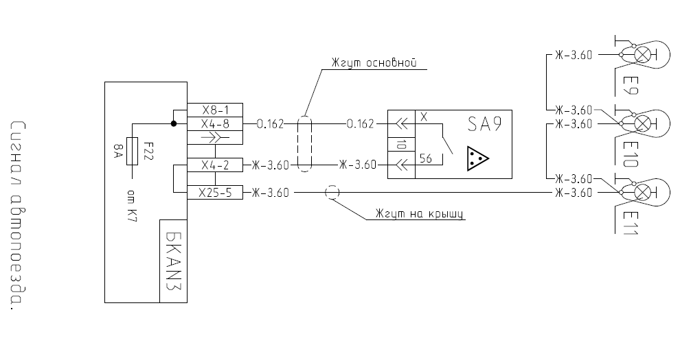
- Е9...Е11 Знак опозновательный
- Е13.Е14 Указатель поворота боковой дополнительный
- Е15.Е16 Фонарь боковой габаритный
- Е17 Фонарь задний
- Е18 Фонарь задний
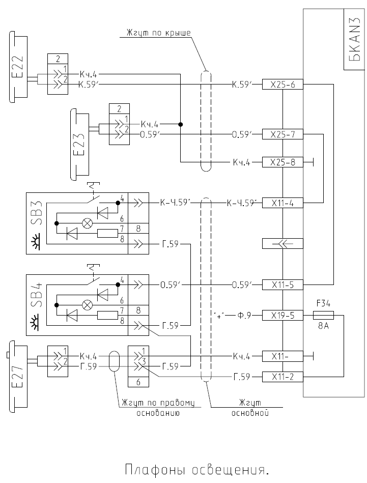
- Е22.Е23 Плафон освещения кабины
- Е25 Фара освещения сцепки
- Е26.Е27 Плафон освещения спального места
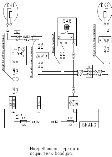
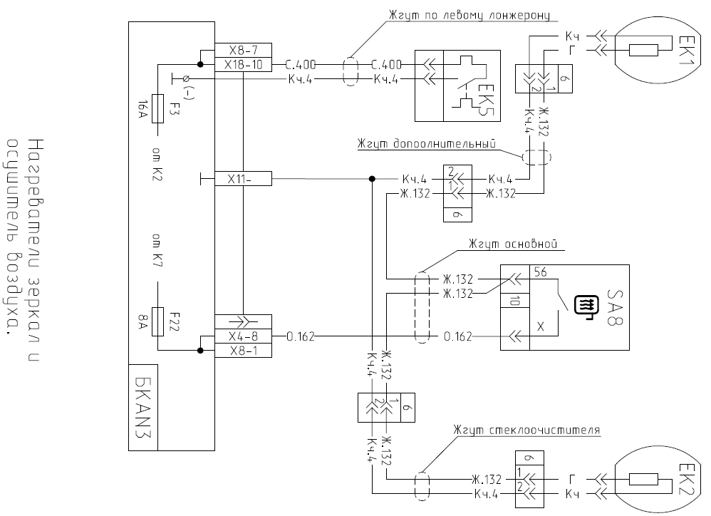
- ЕК1.ЕК2 Нагреватель зеркал
- ЕК5 Осушитель воздуха
Силовые предохранители: Входят в БКА-3
- F1 60А (с винтовым креплением Мб)
- F2 З0А (с винтовым креплением М5)
- F3 З0А (с винтовым креплением М5)
Цилиндрические предохранители на 8А и 16А:
- F1 16А холодильника
- F2 16А (+) от замка для ABS тормозов
- F3 16А осушителя воздуха, нагревателей
- F4 16А (+) от генератора для ABS тормозов
- F5 16А от генератора для электроники двигателя
- F6 8А указателей поворота
- F7 8А фонарей автопоезда
- F8 8А сигналов торможения тягача
- F9 8А (+) с реле сигналов торможения
- F10 8А фонаря заднего хода
- F11 8А сигналов торможения прицепа
- F12 8А аварийной сигнализации
- F13 8A блока управления подогревателем
- F14 8А таймера терморегулятора, радио
- F15 8А вентиляторов штатного отопителя
- F16 8А нагревателей независимого отопителя
- F17 8А дальнего света правой фары
- F18 8А дальнего света левой ары
- F19 8А ближнего света правой фары
- F20 8А ближнего света левой фары
- F21 8А резерва габаритов
- F22 8А подогрева зеркал, стеклоподъемников
- F23 8А муфта вентилятора
- F24 8А электрических сигналов
- F25 8А регулятора напряжения, останов двигателя
- F26 8А клапана останова двигателя
- F27 8А выключателей
- F28 8А стеклоочистителя, стекло - и фаромывателя
- F29 8А питания контрольных ламп остальных
- F30 8А питания контрольных ламп аварийных
- F31 8А питания приборов
- F32 8А провод 131
- F33 8А тахографа
- F34 8А плафонов кабины
- F35 8А задних противотуманных фонарей
- F36 8А дополнительных фар дальнего света
- F37 8А передних противотуманных фар
- F38 8А правого габарита прицепа
- F39 8А левого габарита прицепа
- F40 8А подсветки приборов
- F41 8А правого габарита тягача
- F42 8А левого габарита тягача
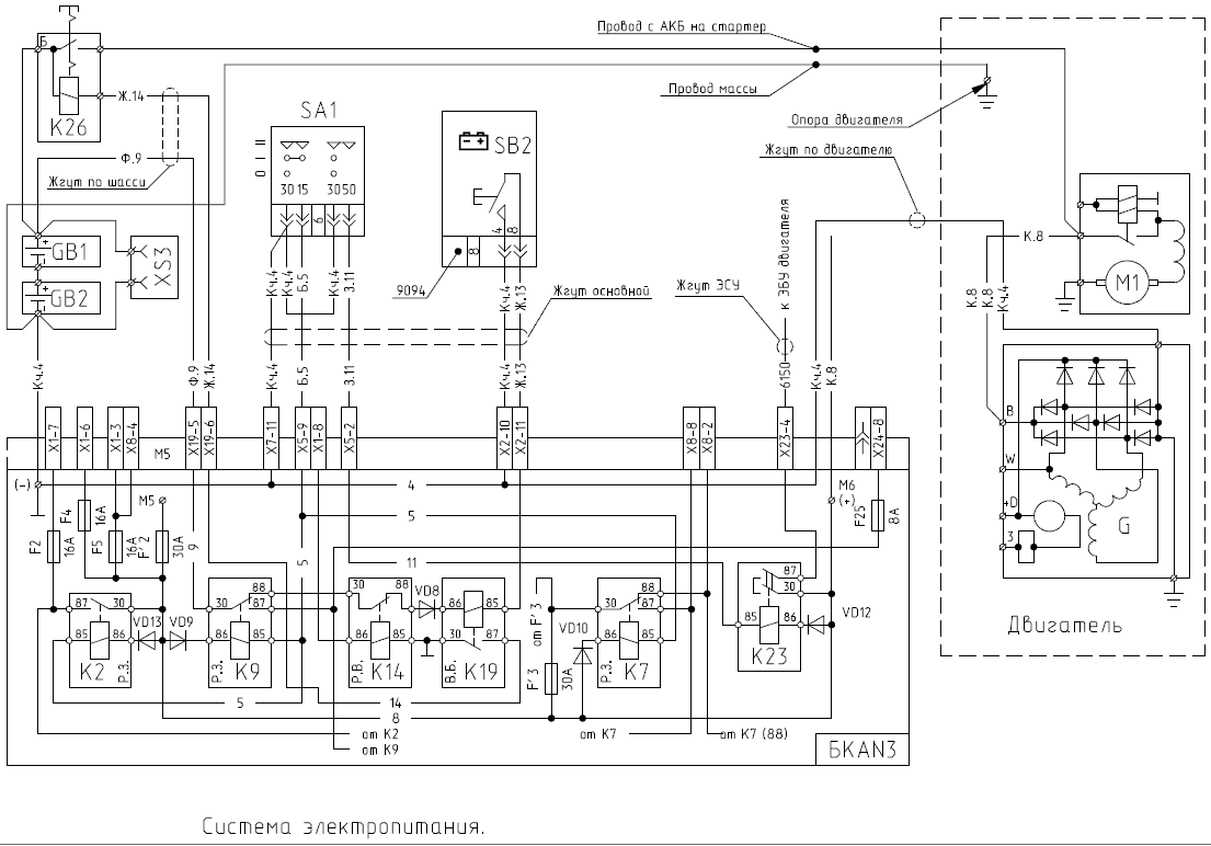
- G Генератор
- GB1.GB2 Аккумуляторная батарея 6СТ 190А
- НА1 Зуммер
- НА2 Зуммер
- НАЗ Комплект электрических сигналов
- НА4 Сигнал пневматический
Контрольные лампы:
- HL1 Предпускового подогрева двигателя
- HL2 Включения муфты вентилятора
- HL3 Ближнего света фар
- HL4 Передних противотуманных фар
- HL5 Дальнего света фар
- HL6 Дополнительного дальнего света фар
- HL7 Поворотов тягача
- HL8 Поворотов прицепа
- HL10 Заднего противотуманного фонаря
- HL12 Блокировки межколесного дифференциала
- НLЗ Блокировки межосевого дифференциала
- HL15 Стояночного тормоза
- HL17 Засоренности воздушного фильтра
- HL18 Засоренности масленного фильтра
- HL19 Зарядки батареи
- HL21 Уровня охлаждающей жидкости
- HL22 Аварийного давления масла
- HL23 Перегрева двигателя
- HL24 Центральный аварийный сигнал
- HL25 Неисправности тормозной системы
- HL26 Аварийного давления первого контура
- HL27 Аварийного давления второго контура
- HL28 Резерв топлива
- HL29 Уровня масла в ГУР
- HL31 Делителя коробки передач
- HL32 Демультипликатора коробки передач
Промежуточные реле
- К1 Шунтирование добавочного сопротивления
- К2 Разгрузки выключателя стартера и приборов
- КЗ Сигналов торможения тягача
- К4 Фонарей заднего хода
- К5 Дальнего света фар (Д.С.)
- Кб Ближнего света фар (Б.С.)
- К7 Разгрузки выключателя стартера и приборов
- К8 Элек трических звуковых сигналов
- К9 Разгрузки выключателя стартера и приборов
- К10 Сигналов торможения прицепа
- К11 Резервное реле
- К12 Включения ЭФУ
- К13 Глушения двигателя
- К К Реле задержки времени отключения АБ
- К15 Дополнительных фар Д.С. (прожекторов)
- К16 Габаритов прицепа
- К17 Габаритов тягача
- К18 Зуммер
- К19 Дистанционного выключателя АБ
- К20 Задних противотуманных фонарей (ЗПр.)
- К21 Передних противотуманных фар
- К22 Муфта вентилятора
- К23 Стартера
- К26 Выключатель аккумуляторной батареи
- КК Реле контрольной лампы стояночного тормоза
- М1 Стартер
- М4 Электродвигатель стеклоочистителя
- М7 Циркуляционный насос
- М8 Электродвигатель стеклоомывателя
- Р1 Тахометр
- Р5 Щиток приборов
- PS Тахограф
- RP Реостат подсветки
- SA1 Выключатель стартера
- SA2 Переключатель стеклоочистителя
- SA3 Переключатель света главный
- SA4 Переключатель указателей поборота, света и электрических сигналов
- SA5 Переключатель отопителя
- SA7 Выключатель фары сцепки
- SA8 Выключатель нагревателя зеркал
- SA9 Выключатель фонарей автопоезда
- SA10 Выкл. межколесного дифференциала
- SA11 Выкл. межосевого дифференциаля
- SA12 Выкл. поворотной оси полуприцепа
- SА13 Выкл. противотуманных фонарей
- SB1 Выключатель аварийной сигнализации
- SB2 Дистанционный выключатель АКБ
- SB3,SB4 Выключатель освещения кабины
- SL1 Датчик уровня топлива
- SL2 Датчик уровня жидкости
- SP1 Выключатель сигналов 'стоп '
- SQ1.SQ2 Выключатель
- SQ3 Выключатель
- SQ4..SQ6 Выключатель
- SQ10 Выключатель
- WA Антенна "Спутник -003'
- XS1 Розетка основная
- XS2 Розетка дополнительная
- XS3 Розетка переносной лампы
- XS4 Розетка переносной лампы в кабине
Электропневмоклапана:
- Y2 Пневмосигнала
- Y3 Блокировки межколесной
- Y4 Блокировки межосеВой
Расположение элементов БКА-3
Схема электрическая принципиальная блока коммутации БКА-3
Расположение контактов в разъемах
Система электропитания
Система управления габаритными огнями
Система управления ближнего, дальнего и дополнительного света фар
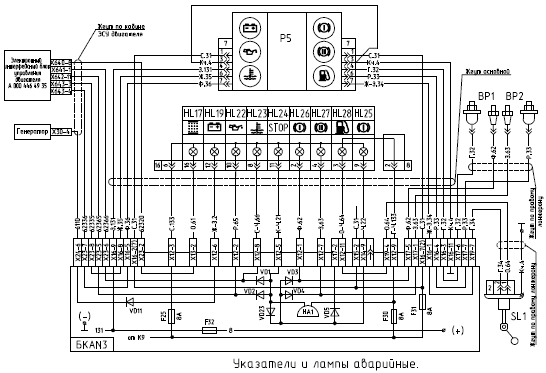
Указатели и лампы аварийные
Установка и пломбировка тахографа
Подключение датчиков по двигателю и коробке передач
Система сигнализации сигнала торможения, ручного тормоза и заднего хода
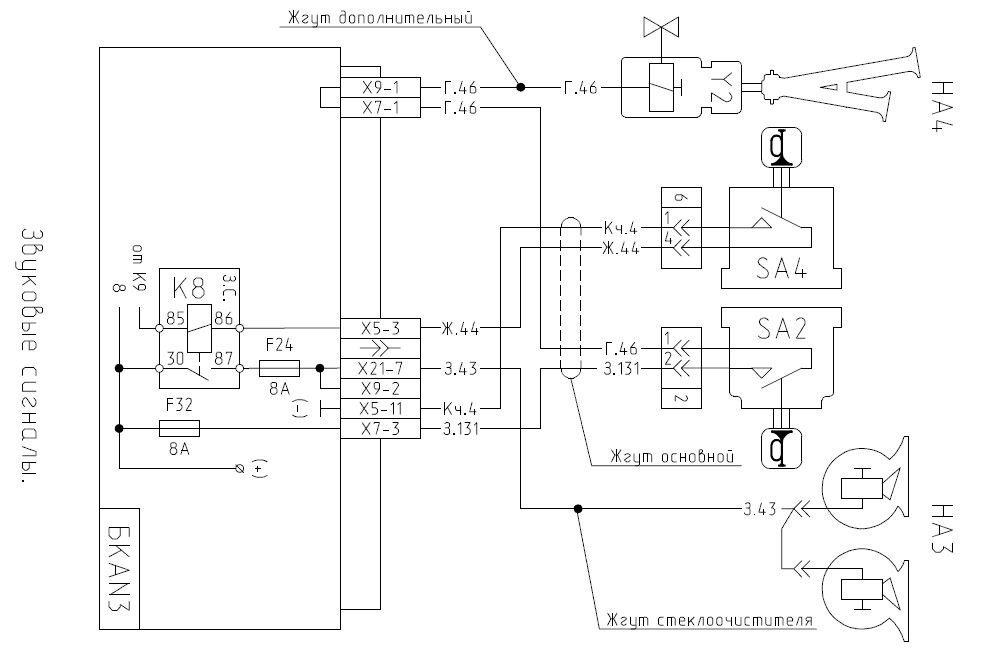
Звуковые сигналы
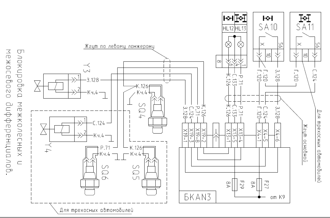
Блокировка межколесных и межосевого дифференциалов
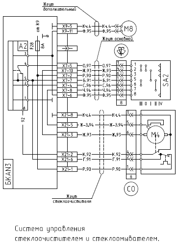
Система управления стеклоочистителем и стеклоомывателем
Система передних противотуманных фар
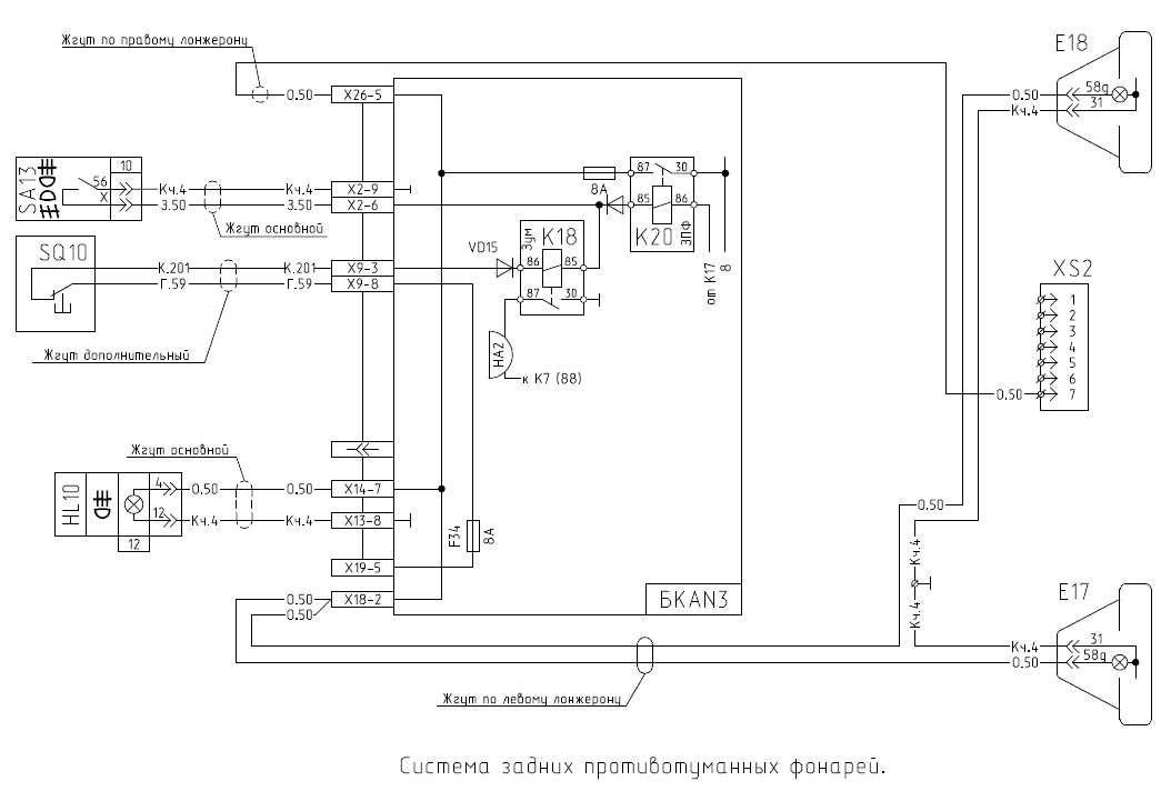
Система задних противотуманных фонарей
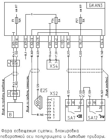
Фара освещения сцепки, блокировка поворотной оси полуприцепа и бытовые приборы
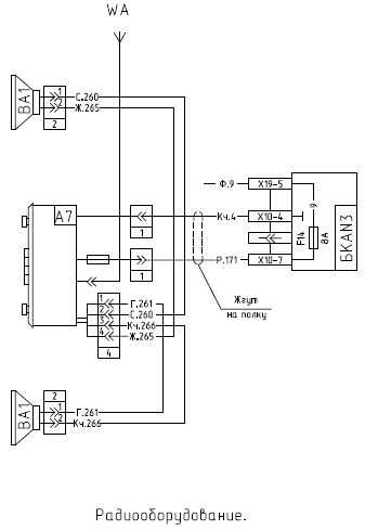
Радиооборудование
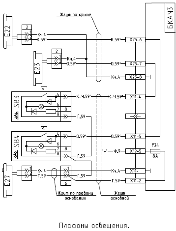
Плафоны освещения
Нагреватели зеркал и осушитель воздуха
Сигнал автопоезда
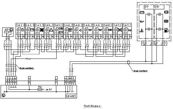
Подсветка органов управления и указателей
Схема ЭСУ двигателя Deutz (Кабина)
Схема ЭСУ двигателя Deutz (Двигатель)
Схема ЭСУ двигателя Deutz (Cистема впрыска аммиачного раствора)























