См. также:
Электрические схемы экскаватора XCG 210LC-8B
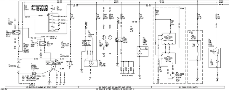
- A9 - Fuel Fired Coolant Heater Timer
- A10 - Fuel Fired Coolant Heater
- E8 - Cab Dome Light
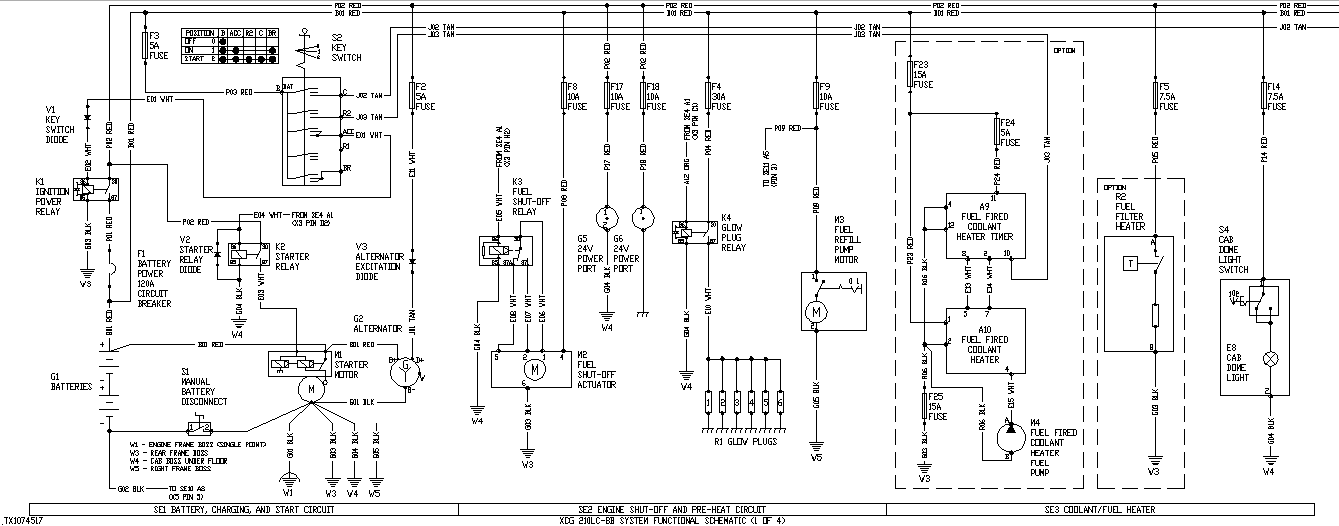
- F1 - Battery Power 120 A Circuit Breaker
- F2 - Alternator Excitation 5 A Fuse
- F3 - Key Switch 5 A Fuse
- F4 - Glow Plug 30 A Fuse
- F5 - Fuel Heater 7.5 A Fuse
- F8 - Fuel Shut-Off Actuator 10 A Fuse
- F9 - Fuel Refill Pump 10 A Fuse
- F14 - Dome Light 7.5 A Fuse
- F17 - 24 V Power Port 10 A Fuse
- F18 - 24 V Power Port 10 A Fuse
- F23 - Fuel Fired Coolant Heater 15 A Fuse
- F24 - Fuel Fired Coolant Heater Timer 5 A Fuse
- F25 - Fuel Fired Coolant Heater Ground 15 A Fuse
- G1 - Batteries
- G2 - Alternator
- G5 - 24 V Power Port 1
- G6 - 24 V Power Port 2
- K1 - Ignition Power Relay
- K2 - Starter Relay
- K3 - Fuel Shut-off Relay
- K4 - Glow Plug Relay
- M1 - Starter Motor
- M2 - Fuel Shut-off Actuator
- M3 - Fuel Refill Pump Motor
- M4 - Fuel Fired Coolant Heater Fuel Pump
- R1 - Glow Plugs
- R2 - Fuel Filter Heater
- S1 - Manual Battery Disconnect Switch
- S2 - Key Switch
- S4 - Cab Dome Light Switch
- V1 - Key Switch Diode
- V2 - Starter Relay Diode
- V3 - Alternator Excitation Diode
- W1 - Engine Frame Ground
- W3 - Rear Frame Ground
- W4 - Cab Ground
- W5 - Right Frame Ground
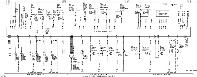
- A1 - Flex Load Controller (FLC)
- B1 - Travel Pilot Pressure Switch
- B2 - Dig Pilot Pressure Switch
- B3 - Engine Speed Sensor
- B4 - Fuel Level Sensor
- B5 - Hydraulic Oil Temperature Sensor
- B6 - Engine Coolant Temperature Sensor
- B7 - Pump 1 Pressure Sensor
- B8 - Pump 2 Pressure Sensor
- B9 - Hydraulic Oil Filter Restriction Switch
- B10 - Engine Oil Pressure Switch
- B11 - Air Filter Restriction Switch
- E1 - Left Boom Light
- E2 - Right Boom Light
- E3 - Left Front Cab Light
- E4 - Right Front Cab Light
- E5 - Right Front Frame Light
- E6 - Rotary Beacon Light
- F6 - Flex Load Controller (FLC) 20 A Fuse
- F7 - Pilot Enable 10 A Fuse
- F16 - Pilot Pressure Switch 5 A Fuse
- H1 - Horn
- H2 - Monitor Alarm
- H3 - Travel Alarm
- M5 - Wiper Motor
- M6 - Wiper Washer Motor
- R3 - Engine Speed Control Dial
- S3 - Pilot Enable Switch
- S5 - Horn Switch
- S6 - Pressure Boost Switch
- W3 - Rear Frame Ground
- W4 - Cab Ground
- W5 - Right Frame Ground
- Y1 - Torque Control Solenoid
- Y2 - Travel Speed Solenoid
- Y3 - Pressure Boost Solenoid
- Y4 - Pilot Enable Solenoid

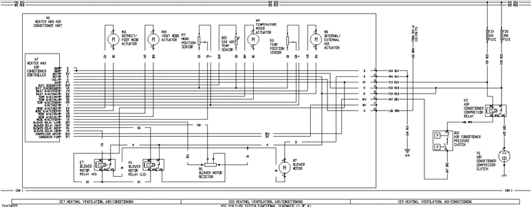
- A6 - Heater and Air Conditioner
- A7 - Heater and Air Conditioner Controller
- B12 - Air Conditioner Pressure Switch
- B15 - Cab Air Temperature Sensor
- F19 - Air Conditioner Controller 10 A Fuse
- F20 - Heater and Air Conditioner Power 30 A Fuse
- K5 - Air Conditioner Compressor Clutch Relay
- K6 - Blower Motor (Low) Relay
- K7 - Blower Motor (High) Relay
- M7 - Blower Motor
- M8 - Internal/External Air Actuator
- M9 - Temperature Mixer Actuator
- M10 - Vent Mode Actuator
- M11 - Defrost/Foot Mode Actuator
- R6 - Blower Motor Resistor
- R7 - Mode Position Sensor
- R8 - Temperature Position Sensor
- W4 - Cab Ground
- Y6 - Air Conditioner Compressor Clutch

- A2 - Advanced Display Unit (ADU)
- A3 - Engine Speed Control Actuator
- A4 - Sealed Switch Module (SSM)
- A5 - Radio
- A8 - Telematics
- B13 - Left Speaker
- B14 - Right Speaker
- E7 - License Plate Light
- F10 - Sealed Switch Module (SSM) 5 A Fuse
- F11 - Advanced Display Unit (ADU) Switched Power 10 A Fuse
- F12 - Advanced Display Unit (ADU) Unswitched Power 10 A Fuse
- F13 - Engine Speed Control Actuator 7.5 A Fuse
- F15 - Radio 10 A Fuse
- F21 - Telematics 10 A Fuse 1
- F22 - Telematics 10 A Fuse 2
- R4 - CAN 1 Termination Resistor 1
- R5 - CAN 1 Termination Resistor 2
- W3 - Rear Frame Ground
- W4 - Cab Ground
- W9 - Antenna
- X5 - Left Frame Harness-to-Telematics Controller 6-pin Connector
- X6 - Left Frame Harness-to-Telematics Controller 8-pin Connector
- X18 - Service Advisor Diagnostic Connector

