Автономный отопитель ПЛАНАР - 8Д
Описание устройства и работы отопителя
Отопитель работает независимо от двигателя АТС.
Питание отопителя электроэнергией осуществляется от автотранспортного средства или от автономного источника питания. Схема электрических соединений отопителя приведена ниже.
Отопитель является автономным нагревательным устройством, которое содержит:
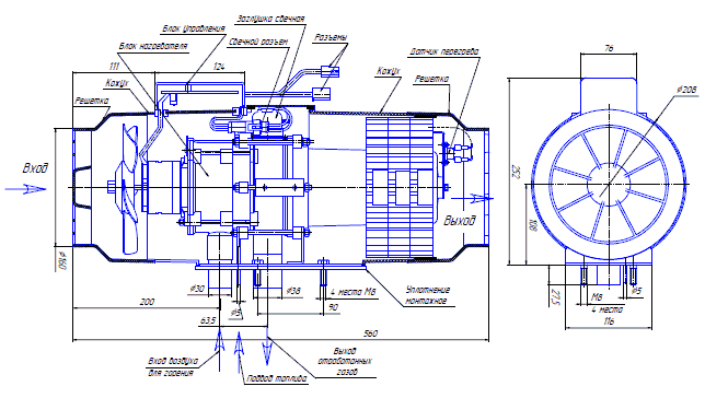
- нагреватель ( основные узлы нагревателя показаны ниже);
- топливный насос для подачи топлива в камеру сгорания;
- устройство пуска и индикации (пульт управления);
- жгуты проводов для соединения элементов отопителя и АКБ автомобиля:
- топливный бак.
Принцип действия отопителя основан на разогреве воздуха, принудительно вентилируя его через теплообменную систему отопителя.
В качестве источника тепла используются газы от сгорания топливной смеси в камере сгорания. Полученное тепло нагревает стенки теплообменника, который с внешней стороны обдувается воздухом. Проходя через ребра теплообменника воздух нагревается и поступает в салон автомобиля или помещение АТС.
При включении отопителя осуществляется тестирование и контроль работоспособности элементов отопителя: индикатора пламени; датчика перегрева; электромотора нагнетателя воздуха; свечи; топливного насоса и их электроцепей. При исправном состоянии начинается процесс розжига.
По заданной программе происходит предварительная продувка камеры сгорания и разогрев до необходимой температуры свечи накаливания. Затем, по той же программе начинает подаваться топливо и воздух. В камере сгорания начинается процесс горения. После образования стабильного горения происходит отключение свечи накаливания. Контроль пламени осуществляется индикатором пламени. Всеми процессами при работе отопителя управляет блок управления.
Блок управления осуществляет контроль над температурой теплообменника в нагревателе и при превышении установленного значения температуры прекращает процесс горения.
Кроме того, имеется возможность выключить отопитель в любой момент времени.
При подаче команды на выключение отопителя прекращается подача топлива и производится вентиляция камеры сгорания воздухом.
Особенности автоматического управления работой отопителя в аварийных и нештатных ситуациях:
1) если по каким-либо причинам не произошёл запуск отопителя, то процесс запуска автоматически повторится. После 2-х неудачных попыток происходит выключение отопителя;
2) если во время работы отопителя горение прекратится, то отопитель выключится;
3) при перегреве теплообменника в нагревателе (например, закрыто входное или выходное отверстия в нагревателе) происходит автоматическое выключение отопителя;
4) при падении напряжения ниже 20В (10,5 В) или его повышении свыше 30В (16 В) происходит выключение отопителя.
5) при аварийном выключении отопителя на пульте управления начнет мигать светодиод. Количество миганий через паузу показывает вид неисправности. Расшифровку вида неисправности смотри ниже.
По желанию потребителя отопитель может комплектоваться выносным датчиком температуры. Датчик температуры устанавливается в кабине в необходимом для водителя месте. С пульта управления в зоне датчика температуры можно устанавливать температуру в пределах 15 ÷ 30°С. Необходимую температуру отопитель поддерживает в автоматическом режиме и при достижении ее переходит на режим с более низкой теплопроизводительностью. Если первоначально установленная температура окажется ниже, чем окружающая, то отопитель будет работать в режиме вентиляции, а светодиод на пульте управления при этом будет светиться красным цветом. Колодка штыревая на проводах выносного датчика температуры устанавливается в колодку гнездовую ХS7 согласно электрической схеме.

Схема электрических соединений

Основные узлы нагревателя
Неисправности, их причины и методы устранения
Расшифровка количества миганий при неисправности отопителя показаны в таблице.

