Электрооборудование автобуса МАЗ 105
Пояснения к схеме электрооборудования:
А - электронные блоки;
B - датчики;
E - наружная светотехника;
F, FU - предохранители;
G - источники энергии;
H - контрольные лампы;
K - реле;
M - электродвигатели;
P - контрольные приборы;
Q - коммутирующие устройства;
R - резисторные элементы;
S - выключатели, переключатели;
V - диоды;
Y - вентили электромагнитные;
X - разъемные соединения.

Цепи всех потребителей электроэнергии на автобусе, кроме силовой стартерной цепи, защищены плавкими предохранителями.
Принципиальная схема предусматривает две цепи питания потребителей – аккумуляторную 30 и генераторную 15. Питание к потребителям генераторной цепи подается после поворота ключа в замке зажигания Q2. Схемой предусмотрен аварийный выключатель S3, при нажатии на который происходит останов двигателя, отключение аккумуляторных батарей, и включение аварийной световой сигнализации. При этом в салоне автобуса остается гореть дежурное освещение.
Расположение электрооборудования:

1 - боковое стекло с обогревом; 2 - верхняя панель приборов; 3 - блок управления системы ABS/ASR; 4 - блок управления системы автоматического пожаротушения; 5 - блок управления ГМП; 6 - блок управления ЭФУ; 7 - согласующий модуль ADM2;
8 - знак автопоезд; 9 - передние верхние габаритные фонари; 10 - стеклоочистители; 11 - фары головного света;
12 - противотуманные фары; 13 - звуковые сигналы; 14 - стеклоомыватель; 15 - внешние кнопки открывания двери водителя;
16 - зеркало с обогревом; 17 - розетка; 18 - датчик аварийного угла складывания; 19 - датчик тахографа; 20 - блок управления двигателем; 21 - боковые фонари указателей поворотов; 22 - КЭМ сиденья водителя и остановочного тормоза; 23 - подрулевой переключатель; 24 - радиооборудование; 25 - фонари освещения выходов; 26 - жгуты по каркасу; 27 - фонари освещения салона; 28 - кнопки требования остановки; 29 - информационная система; 30 - задние верхние фонари; 31 - задние фонари;
32 - освещение номерного знака; 33 - датчик уровня топлива; 34 - боковые маркерные фонари; 35 - аккумуляторные батареи;
36 - электрооборудование двигателя; 37 - электрооборудование моторного отсека; 38 - блок коммутации; 39 - датчики пневмосистем; 40 - дополнительная панель переключателей; 41 - щиток приборов
Принципиальная схема электрооборудования автобуса обеспечивает блокировку генератора от переполюсовки аккумуляторных батарей с помощью диода V1.2, блокировку стартера при завершении пуска двигателя посредством реле К38.
Контроль аварийных режимов систем автобуса осуществляется с помощью зуммера H50 и контрольной лампы Н8, мигающий режим которой указывает на срабатывание одного из аварийных датчиков. При этом на щитке приборов горит соответствующая контрольная лампа.
Схемой электрооборудования предусмотрено подключение электронного спидометра Р4. При этом питание электронного спидометра осуществляется непосредственно от аккумуляторных батарей.
Включение наружной светотехники производится выключателем S45, установленным на щитке приборов. При не запущенном двигателе происходит включение только нижних передних и нижних задних габаритных огней. Остальную светотехнику можно включить только при работающем двигателе.
Противотуманные фары Е9 и Е10, а также задние противотуманные фонари Е19 и Е21 включаются выключателем S37 при условии, что нажат главный выключатель света S45.
Фонари стоп-сигналов Н18, Н19, Н43 и Н44 загораются при нажатии на педаль рабочего тормоза, а также при включении остановочного В20.1 или стояночного К39 тормоза.
Управление указателями поворотов и аварийной сигнализацией осуществляется с помощью реле К31.
Схемой электрооборудования предусмотрено три режима работы стеклоочистителя М7. Это режим первой скорости, режим второй скорости и импульсный прерывистый режим работы. При нажатии подрулевого переключателя S2 в положение стеклоомывателя, одновременно с подачей воды происходит движение щеток по лобовому стеклу.
Схемой предусмотрена блокировка начала движения автобуса при открытых дверях. Блокировка осуществляется с помощью реле К4, которое подает сигнал на клапан остановочного тормоза Y6. Блокировка может быть снята в случае аварии при помощи тумблера S42.
Схемой электрооборудования предусмотрено подключение электронных рейсоуказателей или информационной системы с речевым информатором, а также антиблокировочной, и противобуксовочной систем ABS/ASR.
Предохранители F2, F7 расположены в отсеке АКБ в ящике контактора.
Остальные предохранители в блоке коммутации.
Блок комм ута ции
В связи с постоянной модернизацией и усовершенствованием в конструкцию БК могут вводиться изменения, не отраженные в данном описании.
БК находится в перегородке за сиденьем водителя. В блоке коммутации расположены предохранители, промежуточные реле, реле поворотов, импульсное реле стеклоочистителя, стартерное реле и диодные сборки, обозначение и назначение которых указаны на БК.

1 - провод включения стартера; 2 - кнопка теста системы ABS/ASR; 3 - жгут питания БК; 4 - диодные
сборки; 5 - светодиоды исправности предохранителей; 6 - плавкие предохранители ПР-24; 7 - промежуточные реле; 8 - провод «массы»; 9, 10, 11, 12 - разъемы жгута щитка приборов; 13 - разъем жгута передка; 14 - разъем жгута дверей; 15 - реле стеклоочистителя; 16, 17 - разъемы главного жгута; 18 - реле поворотов; 19 - разъем жгута резерва; 20 - реле стартера; 21 - разъем жгута пневмодатчиков; 22 - разъем диагностики ABS
ПРИМЕРЫ ЭЛЕКТРОСХЕМ
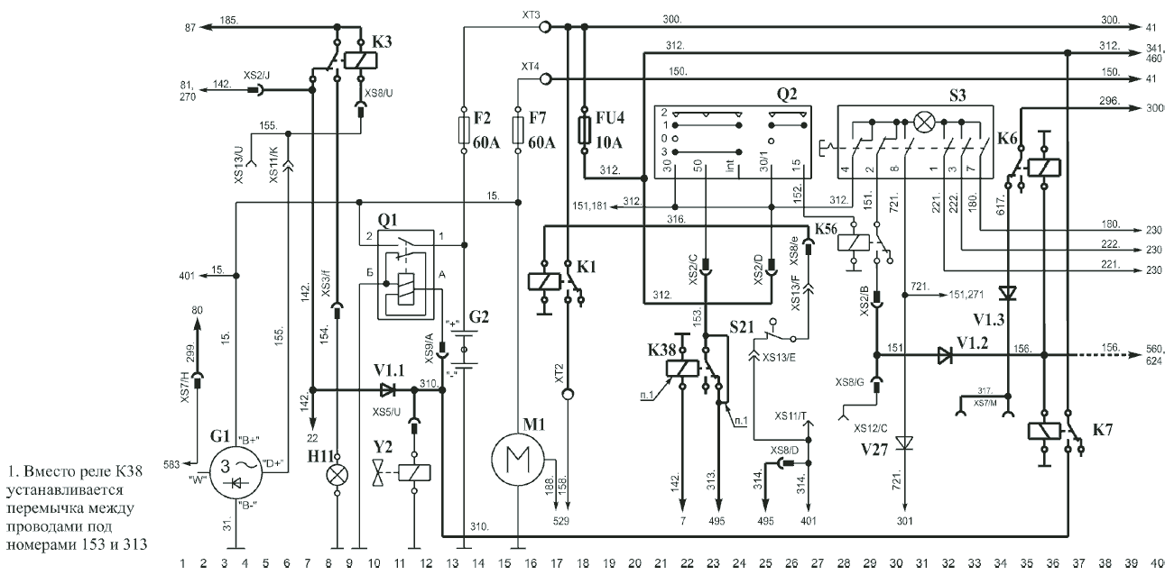
Система электропитания
- F2 - предохранитель цепи, не отключаемой контактором;
- F7 - предохранитель цепи, отключаемой контактором;
- FU4 - предохранитель системы запуска двигателя и наружным управлением дверью водителя;
- G1 - генератор;
- G2 - аккумуляторные батареи;
- H11 - контрольная лампа работы генератора;
- K1 - реле стартера;
- K3 - реле промежуточное;
- K6 - реле остановки двигателя;
- K7 - реле включения контактора;
- K38 - реле блокировки стартера;
- M1 - стартер;
- Q1 - контактор;
- Q2 - замок зажигания;
- S21 - датчик положения крышки моторного отсека;
- S21.1 - датчик “нейтрали”;
- S3 - аварийный выключатель;
- V1.1…V1.3 - диодная сборка;
- Y2 - электромагнитный клапан сиденья водителя
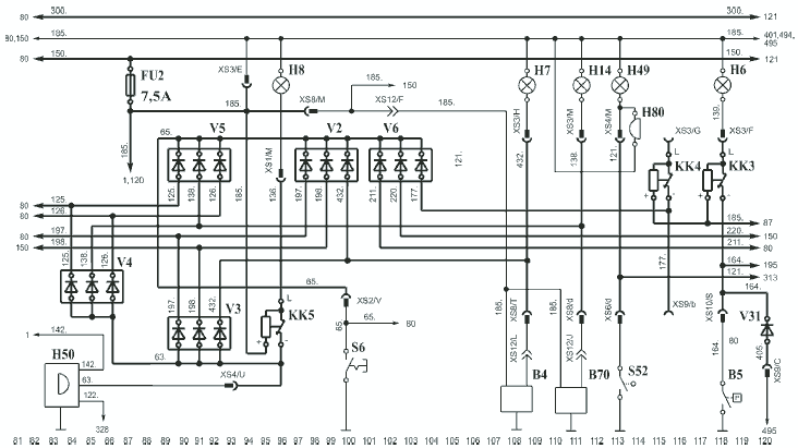
Аварийная звуковая сигнализация, КИП и датчики

- В4 - датчик уровня охлаждающей жидкости;
- В5 - датчик давления воздуха в ресивере стояночного тормоза;
- В70 - датчик уровня масла в бачке ГУР;
- FU2 - предохранитель питания аварийных и контрольных ламп;
- Н6 - контрольная лампа стояночного тормоза;
- Н7 - контрольная лампа уровня охлаждающей жидкости;
- Н8 - контрольная лампа проверки контрольных ламп;
- Н14 - контрольная лампа уровня масла в бачке ГУР;
- Н49 - контрольная лампа предельного угла складывания;
- Н50, Н80 - зуммер;
- КК3 - реле-прерыватель стояночного тормоза;
- КК4 - реле-прерыватель блокировки дифференциала;
- КК5 - реле-прерыватель аварийной сигнализации;
- S6 - кнопка “Тест”;
- S52 - датчик предельного угла складывания;
- V2…V6 - диодные сборки
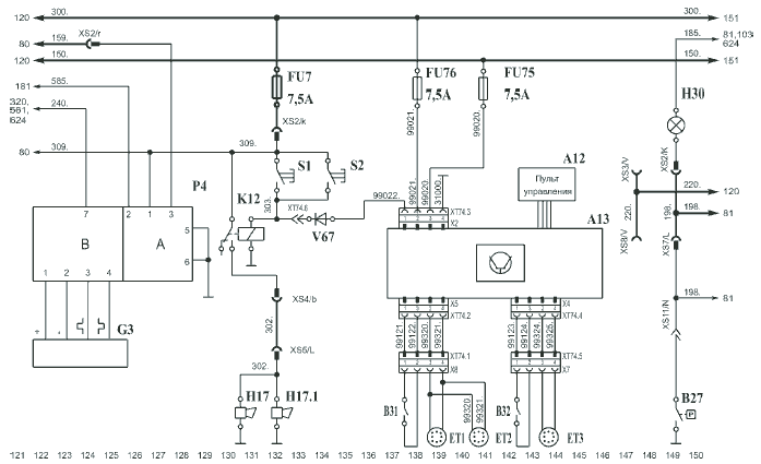
Спидометр, система автоматического пожаротушения звуковые сигналы и датчики

- А12 - пульт управления системой автоматического пожаротушения;
- А13 - блок управления системой автоматического пожаротушения;
- В31, В32 - линейный температурный извещатель;
- ЕТ1, ЕТ2, ЕТ3 - генератор огнетушащего аэрозоля;
- FU7 - предохранитель питания звуковых сигналов;
- FU75, FU76 - предохранитель системы пожаротушения;
- G3 - импульсный датчик электронного спидометра;
- H17, H17.1 - звуковой сигнал;
- Н30 - контрольная лампа уровня масла в двигателе;
- K12 – реле звуковых сигналов;
- Р4 - электронный спидометр;
- S1 - кнопка звукового сигнала на переключателе указателей поворотов;
- S2 - кнопка звукового сигнала на переключателе стеклоочистителя
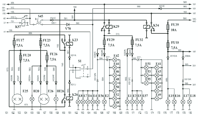
Головные фары, габаритные огни

- Е1, Е2 - передние габаритные огни;
- Е3…Е6 - задние габаритные фонари;
- Е7, Е8 - фонари освещения номерного знака;
- Е41…Е55 - фонари боковые маркерные;
- Е56…Е57 - фонари маркерные;
- Е15, Е16 - передние верхние габаритные фонари;
- Е17, Е18 - задние верхние габаритные фонари;
- Е25, Е26 - фары головного света;
- FU17 - предохранитель левого дальнего света;
- FU18 - предохранитель позиционных (верхних габаритных) огней и подсветки приборов;
- FU20 - предохранитель левого ближнего света;
- FU23 - предохранитель правого дальнего света;
- FU26 - предохранитель правого ближнего света;
- FU29 - предохранитель правых габаритных огней;
- FU32 - предохранитель левых габаритных огней;
- FU39 - предохранитель подсветки инфотабло и освещения выхода;
- Н20 - контрольная лампа включения дальнего света;
- НE26 - контрольная лампа включения ближнего света;
- К57 - реле главного выключаиеля света;
- К23 - реле включения дальнего света;
- К26 - реле включения ближнего света;
- К29 - реле включения габаритных огней (нижних);
- К34 - реле включения габаритных огней (верхних);
- S1 - комбинированный переключатель указателей поворотов, дальнего и ближнего света;
- S45 - главный выключатель света
Подсветка стрелочных приборов, противотуманные фары и огни,
фонари заднего хода, освещение моторного отсека, осушитель воздуха

- В20 - датчик включения стоп-сигналов;
- В20.1 - датчик включения остановочного тормоза;
- Е11, Е12 - фонарь заднего хода;
- Е19, Е20 - противотуманные фонари;
- Е9, Е10 - противотуманные фары;
- Е40 - фонарь освещения моторного отсека;
- ЕР1...ЕР11 - лампы подсветки панели приборов;
- ЕS22, ES37, ES45 - лампы подсветки переключателей;
- FU24 - предохранитель противотуманных фар и фонарей;
- FU27 - предохранитель стоп-сигналов, фонарей заднего хода, осушителя воздуха;
- FU30 - предохранитель освещения моторного отсека, розетки;
- Н18, Н19 - лампы стоп-сигналов;
- Н34 - контрольная лампа противотуманных фонарей;
- Н40 - контрольная лампа противотуманных фар;
- АH70 - зуммер;
- К30 - реле включения противотуманных фар;
- К33 - реле включения стоп-сигналов;
- К35 - реле включения фонарей заднего хода;
- К39 - реле стояночного тормоза;;
- К43 - реле включения противотуманных фонарей;
- R6 - осушитель воздуха;
- S19 - датчик включения заднего хода;
- S37 - выключатель противотуманных фар и фонарей;
- Х2...Х4 - розетки
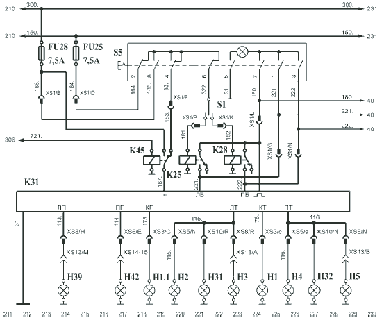
Указатели поворотов

- FU25 - предохранитель указателей поворотов;
- FU28 - предохранитель аварийной световой сигнализации;
- Н1, Н1.1 - контрольная лампа указателей поворотов;
- Н2 - передний левый фонарь указателя поворотов;
- Н3, Н5 - задние фонари указателей поворотов;
- Н4 - передний правый фонарь указателя поворотов;
- Н31, Н32 - боковые фонари указателей поворотов;
- H39, H42 - дополнительные боковые указатели поворота;
- К25 - реле включения указателей поворотов левого борта;
- К28 - реле включения указателей поворотов правого борта;
- К31 - прерыватель указателей поворотов;
- К45 - реле аварийного сигнала;
- S1 - подрулевой комбинированный переключатель указателей поворотов, дальнего и ближнего света;
- S5 - кнопка аварийной сигнализации
Все схемы:
- КИП и датчики
- Стеклоочиститель, стеклоомыватель
- Управление вентиляторами системы отопления
- ПЖД, воздушный обогреватель, крышные вентиляторы
- Внутреннее освещение, обогрев зеркал и стекол, остановочный тормоз
- Управление приводом дверей, остановочный тормоз
- Управление приводом дверей
- Радиооборудование
- Дополнительный генератор, ЭФУ, подогрев топлива
- Информационная система
- Система ABS/ASR
- Система электронного управления ГМП
- Система электронного управления двигателем ОМ 906LA
- Система электронного управления автобуса
в высоком качестве - доступны только пользователям
