КП ZF ECOSPLIT
16 S 1820 TO / 16 S 2221 TO / 16 S 2223 TD
НОВЫЕ ОБОЗНАЧЕНИЯ КОРОБОК ПЕРЕДАЧ

• Количество передач 16 Цифра соответствует количеству передач для движения передним ходом
• Технологическая Серия S = Синхронизированная коробка передач
• Максимальный крутящий момент [Nm] 25 = коэффициент x 100
• Серия продукции
0 = Ecolite
1 = New Ecomid
2 = New Ecosplit
• Вариант
0 = Standard
1 = Intarder;
2 = NMV
3 = 100 % Schub
4 = Servoshift (только Ecolite)
• Исполнение
T = грузовик
B = автобус,
V = Van
D = прямая передача c передаточным отношением 1:1
O = прямая передача с увеличенной скоростью вращения выходного вала

ИЗМЕНЕНИЯ В ИСПОЛНИТЕЛЬНОМ МЕХАНИЗМЕ ПЕРЕКЛЮЧЕНИЯ ПЕРЕДАЧ
• Модифицированные блокирующие кольца синхронизатора
• Измененный цилиндр HGS
• Усовершенствованный исполнительный механизм переключения передач
• Активная блокировка от включения нескольких передач благодаря этому – меньшее количество ошибочных включений
• Усиливающее действие воздуха при переключении передач осуществляется только при выжатом сцеплении
• Переключение с задним делителем осуществляется не через выключатель нейтрального положения, как раньше, а через встроенный разобщающий клапан
Прочие изменения
• Усиленные блокирующие кольца синхронизатора (при проведении ремонтных работ следует заменить весь комплект блокирующих колец)
• Синхронизация с двойным конусом (1/2 передача) выполнена без Servoshift
ФОТОГРАФИЯ ИСПОЛНИТЕЛЬНОГО МЕХАНИЗМА ПЕРЕКЛЮЧЕНИЯ ПЕРЕДАЧ

ИСПОЛНИТЕЛЬНЫЙ ЭЛЕМЕНТ ПЕРЕКЛЮЧЕНИЯ ПЕРЕДАЧ НОВОГО КОНСТРУКТИВНОГО РЯДА

РАЗЛИЧИЯ КОНСТРУКТИВНЫХ ГРУПП

РАЗЛИЧИЯ МОДУЛЕЙ NEW ECOSPLIT – MECHATRONIK
New Ecosplit
Воздух усилителя к цилиндру PSE через магнитный клапан GV и переключающие клапаны
Действие усилителя только при выжатом сцеплении
Ограниченное увеличение давления через переключающий клапан
Активная блокировка от одновременного включения нескольких передач для создания дополнительной защиты от неправильного переключения
Более высокая степень надежности переключений GP
Mechatronik
Воздух усилителя к цилиндру PSE через ограничитель давления p= 5 bar
Усилитель действует постоянно
Усилитель действует постоянно
Не смотря на систему блокировки от одновременного включения нескольких передач возможно неправильное переключение
Переключения GP регулируются с помощью переключателя
ОПИСАНИЕ ФУНКЦИЙ
New Ecosplit
• переключения с задним делителем:
• Разобщающий клапан GP , встроенный в исполнительный механизм переключения передач
механически- пневматическим способом вызывает переключение GP. Процессор управления
автомобилем в непрерывном режиме подает напряжение на клапан GP, установленный в исполнительном механизме переключения передач. Этот клапан приводится в действие водителем c помощью рычага переключения. До этого процессор управления автомобилем осуществляет проверку условий допуска переключения передач (частоту вращения выходного вала коробки передач).
• Активная функция блокировки от одновременного включения нескольких передач:
Для избежания (непроизвольного) ошибочного переключения с 5 на 2 и с 6 на 1 передачу при
движении вниз GP производится анализ частоты вращения выходного вала коробки передач. При
соответствующем значении частоты вращения рычаг переключения пневматически (система
блокировки от одновременного включения нескольких передач приведена в действие) переводится в положение 3/4. При достижении настроенной величины частоты вращения выходного вала коробки передач процессор управления автомобилем делает возможным переключение с первой на вторую передачу.
Отключение подачи воздуха усилителя:
• Для предотвращения повреждений синхронизатора воздух усилителя на цилиндре PSE настраивается в зависимости от сцепления, т.е. 0% - воздух усилителя в цилиндре PSE отсутствует, более 70% хода педали сцепления - воздух усилителя в цилиндре PSE увеличивается до 10 бар. Воздух усилителя подается с помощью системы регулирования групп Сплиттера.

СИСТЕМА РЕГУЛИРОВАНИЯ КОРОБКИ ПЕРЕДАЧ И СЦЕПЛЕНИЯ TGA
Регулирование сцепления
Входной сигнал от процессора управления автомобилем 8
• Рычаг переключения Komfort 3
• Датчик сцепления 4
• Частота вращения двигателя от CAN двигателя 7
• Датчик частоты вращения промежуточного вала 2
• Выходная частота вращения датчика тахометра
Выходной сигнал от ПРОЦЕССОРА УПРАВЛЕНИЯ АВТОМОБИЛЕМ к магнитным клапанам
• Магнитный клапан сцепления 1
Регулирование коробки передач
Входной сигнал от коробки передач к ПРОЦЕССОРУ УПРАВЛЕНИЯ АВТОМОБИЛЕМ
• От выключателя групп Сплиттера
• Выключатель заднего делителя
• Выключатель нейтрального положения 6
• Датчик частоты вращения промежуточного вала 2
• Выходная частота вращения от тахометрического датчика
Выходной сигнал от ПРОЦЕССОРА УПРАВЛЕНИЯ АВТОМОБИЛЕМ к модулю Mechatronic или Super H
• Модуль Mechatronic 5
Со следующими функциями:
• Магнитный клапан группы Сплиттера
• Магнитный клапан заднего делителя
• Система блокировки дорожек переключения

СИСТЕМА ВКЛЮЧЕНИЯ ПЕРЕДАЧ TGA
Модуль Mechatronic для управления делителем групп Сплиттера и задним делителем состоит из магнитных клапанов, управление каждым из которых осуществляется в индивидуальном порядке, и из системы блокировки от одновременного включения нескольких передач.
Переключение заднего делителя (простое H- переключение)
Переключение заднего делителя осуществляется электропневматическим способом с помощью тумблера 3 на рычаге переключения (при нажатии тумблера вниз/медленная группа, тумблер вверх/ быстрая группа).
ПРОЦЕССОР УПРАВЛЕНИЯ АВТОМОБИЛЕМ дает разрешение на переключение, затем он осуществляет
регулирование модулем Mechatronik.
Функция предварительного выбора передаточного отношения групп Сплиттера Komfortshift
Переключение групп Сплиттера осуществляется также как и заднего делителя, т.е. электропневматическим способом переключением выключателя 2 на рычаге (Выключатель влево – медленные группы, выключатель вправо – быстрые группы). Возможность переключения появляется при нажатии кнопки 1 на рычаге переключения, а ПРОЦЕССОР УПРАВЛЕНИЯ АВТОМОБИЛЕМ приводит в действие сцепление в зависимости от условий осуществления переключения.
Указание: Сцепление остается выжатым до тех пор, пока кнопка находится в нажатом положении.
Функция переключения передач Komfortshift
Запуск функции осуществляется после нажатия педали сцепления или нажимной кнопки 1 в зависимости от условий допуска к функции ПРОЦЕССОРА УПРАВЛЕНИЯ АВТОМОБИЛЕМ. Приведение функции в действие с помощью нажимной кнопки 1 возможно лишь при скорости более 5 км/час. Если при переключении на более низкую передачу скорость ниже этого значения, то сцепление остается выжатым. При эксплуатации автомобиля любое переключение передач можно осуществлять нажатием
кнопки 1 (переключение передач делителя и заднего делителя)
Указание:
При отключении двигателя при выжатом сцеплении и включенной передаче, на дисплее появляется
предупреждение „Neutral schalten“ («Переключить на нейтральную передачу»).

Элементы переключения HGS
HGS (Hydraulic gear shift)
Система такого переключения передач (Kongsberg) работает на основе гидравлики, вместо механического соединения.
Масляный резервуар, рычаг переключения, шланги высокого давления
Указание:
При демонтаже коробки передач вынуть только крышку коробки с цилиндрами переключения из корпуса коробки. Не вскрывать гидравлическую систему.
Внимание
Использовать только Pentosin CHF 11 S !
1 подающий цилиндр рычага переключения
2 принимающий цилиндр для выбора дорожек переключения
3 подающий цилиндр выбора передачи
4 гидравлические трубопроводы
5 педаль сцепления

1 схема переключения Вперед
2 схема переключения Назад
3 схема переключения левая сторона
4 схема переключения правая сторона
A Крышка вентиляционного отверстия
B Крышка вентиляционного отверстия (перелив)
C Крышка вентиляционного отверстия
D Крышка вентиляционного отверстия (перелив)

1 Рычаг переключения
2 Главный цилиндр
3 Рабочий цилиндр выбора переключения
4 Валы управления переключением передач
5 Вилка переключения передач
6 Рабочий цилиндр выбора передач
7 Сервоцилиндр
8 Соединение валов управления переключением передач

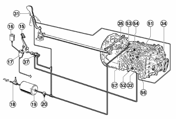
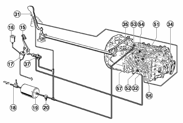
СХЕМА СОЕДИНЕНИЙ СИСТЕМЫ ПНЕВМАТИЧЕСКОГО РЕГУЛИРОВАНИЯ
Задний делитель и группа Сплиттера

15 Педаль сцепления
16 Резервуар доливки
17 Главный цилиндр гидравлического управления сцеплением
18 Перепускной клапан без рециркуляции
19 Ресивер для сжатого воздуха, независимый от ресивера тормозного привода
20 Очиститель сжатого воздуха с водоотделителем и водоотводным клапаном
21 К рабочему цилиндру сцепления
31 Клапан управления делителя
32 Релейный клапан делителя
34 Встроенный цилиндр переключения для заднего делителя
35 Клапан переключения заднего делителя
37 Разобщающий клапан переключения делителя
51 Выключатель индикатора заднего делителя
52 Выключатель индикатора делителя
53 Выключатель индикатора нейтрального положения
54 Выключатель индикатора задней скорости
56 Выключатель индикатора 1. передачи
57 Выключатель индикатора самой высокой передачи