См. также:
Пневмосистемы автобусов МАЗ 103/105/107
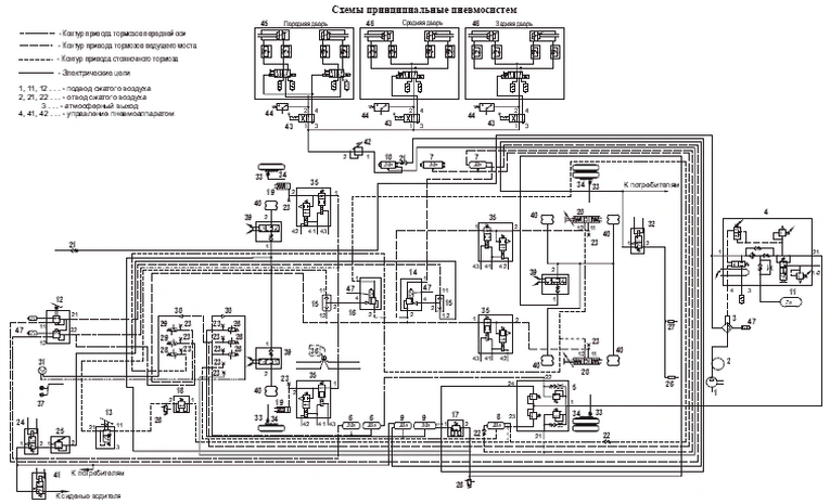
Принципиальная схема пневмосистем автобуса МАЗ 103
1 - компрессор; 2 - змеевик; 3 - влагомаслоотделитель; 4 - осушитель воздуха; 5 - четырехконтурный защитный клапан;
6 - ресиверы передних тормозов; 7 - ресиверы задних тормозов; 8 - ресивер стояночного тормоза; 9 - ресивер потребителей;
10 - ресивер привода дверей; 11 - регенерационный ресивер; 12 - кран рабочих тормозов; 13 - кран стояночного тормоза;
14 - ускорительный клапан рабочих тормозов; 15 - двухмагистральный защитный клапан; 16 - ускорительный клапан стояночного тормоза; 17 - перепускной клапан с ограниченным обратным потоком; 18 - перепускной клапан без обратного потока;
19 - передняя тормозная камера; 20 - тормозная камера с пружинным энергоаккумулятором; 21 - обратный клапан; 22 - ввертной обратный клапан; 23 - контрольный клапан; 24 - электропневмоклапан остановочного тормоза; 25 - клапан ограничения давления; 26 - цилиндр заслонки моторного тормоза; 28 - датчик аварийного давления воздуха; 29 - датчик включения стоп-сигнала; 30 - датчик давления воздуха; 31 - манометр электрический; 32 - электропневмоклапан вспомогательного тормоза;
33 - датчик АБС; 34 - ротор АБС; 35 - модулятор давления АБС; 36 - электронный блок АБС/ПБС; 37 - контрольные лампы АБС и ПБС; 41 - электропневмоклапан сидения водителя; 42 - редукционный клапан; 43 - пневмораспределитель;
44 - датчик давления; 45 - привод управления дверьми (I дверь); 46 - привод управления дверьми (II и III дверь);
47 - глушитель шума пневмоаппаратуры
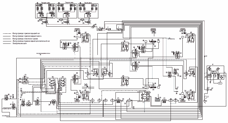
Принципиальная схема пневмосистем автобуса МАЗ 107
1 - компрессор; 2 - змеевик; 3 - влагомаслоотделитель; 4 - осушитель воздуха; 5 - четырехконтурный защитный клапан;
6 - ресиверы передних тормозов; 7 - ресиверы задних тормозов; 8 - ресивер стояночного тормоза; 9 - ресиверы потребителей; 10 - ресивер привода дверей; 11 - регенерационный ресивер; 12 - кран рабочих тормозов; 13 - кран стояночного тормоза;
14 - ускорительный клапан рабочих тормозов; 15 - двухмагистральный защитный клапан;
16 - ускорительный клапан стояночного тормоза; 17 - перепускной клапан с ограниченным обратным потоком; 18 - перепускной клапан без обратного потока; 19 - передняя тормозная камера; 20 - тормозная камера с пружинным энергоаккумулятором;
21 - обратный клапан; 22 - ввертной обратный клапан ; 23 - контрольный клапан;
24 - электропневмоклапан остановочного тормоза;
25 - клапан ограничения давления; 28 - датчик аварийного давления воздуха; 29 - датчик включения стоп-сигнала; 30 - датчик давления воздуха; 31 - манометр электрический; 33 - датчик АБС; 34 - ротор АБС; 35 - модулятор давления АБС;
36 - электронный блок АБС/ПБС; 37 - контрольные лампы АБС и ПБС; 39 - кран уровня пола; 40 - пневмобаллон подвески;
41 - электропневмоклапан сидения водителя; 42 - редукционный клапан; 43 - пневмораспределитель; 44 - датчик давления;
45 - привод управления дверьми (I дверь); 46 - привод управления дверьми (II и III дверь); 47 - глушитель шума пневмоаппаратуры; 49 - ресиверы привода тормозов задней дополнительной оси; 50 - ускорительный клапан привода тормозов задней дополнительной оси; 51- электропневмоклапан системы наклона кузова; 52 - дроссель; 53 - электропневмоклапан блокировки поворота колес задней дополнительной оси; 54 - цилиндр блокировки поворота колес задней дополнительной оси,
55 - пневмоклапан управления подъемом кузова; 56 - тормозная камера задней дополнительной оси
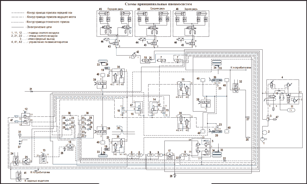
Схема принципиальная пневмосистем автобуса МАЗ 105
1 - компрессор; 2 - охладитель; 3 - влагомаслоотделитель; 4 - осушитель воздуха; 5 - четырехконтурный защитный клапан;
6 - ресиверы передних тормозов; 7 - ресиверы задних тормозов; 8 - ресивер стояночного тормоза; 9 ‑ реси-
веры потребителей; 10 - ресивер привода дверей; 11 - регенерационный ресивер; 12 - кран рабочих тормозов; 13 - кран стояночного тормоза; 14 - ускорительный клапан рабочих тормозов; 15.1...15.5 ‑ двухмагистральный клапан;
16 - ускорительный клапан стояночного тормоза; 17 - перепускной клапан с ограниченным обратным потоком; 18 - перепускной клапан без обратного потока; 19 ‑ передняя тормозная камера; 20 - тормозная камера с пружинным
энергоаккумулятором; 21 - обратный клапан; 22 - ввертной обратный клапан; 23 - контрольный клапан;
24 - электропневмоклапан остановочного тормоза; 25 - клапан ограничения давления; 26 - клапан ПБС; 27 ‑ ускорительный
клапан управления тормозами II секции; 28 - датчик ММ 124; 29 - датчик ММ 125; 30 - датчик давления воздуха ММ 370;
31 - манометр электрический; 32 ‑ глушитель шума пневмоаппаратуры; 33 - датчик динамического со-
стояния колеса; 34 - ротор АБС; 35.1...35.6 - модулятор давления АБС; 36 - электронный блок АБС/ПБС; 37 - контрольные лампы АБС и ПБС; 38 - электропневмоклапан сидения водителя; 40 ‑ ресивер управления тормозами II
секции; 41 ‑ тормозные камеры II секции; 42 - ускорительный клапан тормозов II секции; 43 ‑ ресиверы тормозов II секции;
44 - ресивер потребителей II секции
Все схемы в высоком качестве - доступны только пользователям


