Тормозная, противоблокировочная и противобуксовочная система
BOSH RENAULT








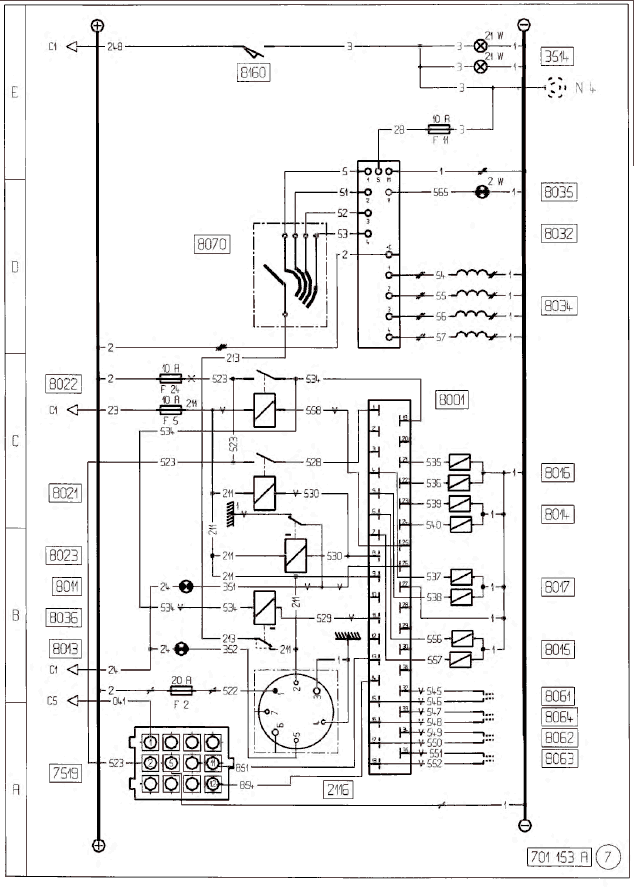
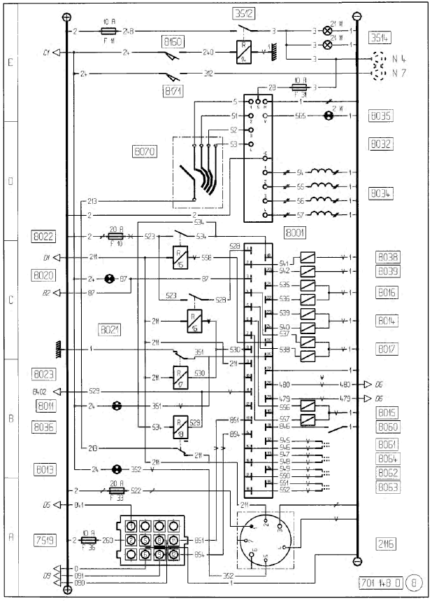
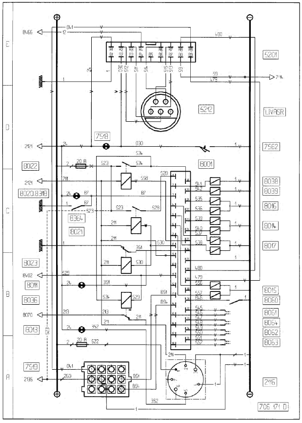
Пояснения к схемам
- 0212 Коробка для диодов
- 0960 Соединительный блок
- 1001 Передний тормозной резервуар
- 1010 Задний тормозной резервуар
- 1014 Тормозной резервуар подачи воздуха на среднюю ось с левой стороны и на заднюю ось с правой стороны
- 1015 Тормозной резервуар подачи воздуха на среднюю ось с правой стороны и на заднюю ось с левой стороны
- 1021 Тормозной резервуар для прицепа и при стоянке машины
- 1050 Резервуар для вспомогательного оборудования
- 1070 Дополнительный резервуар
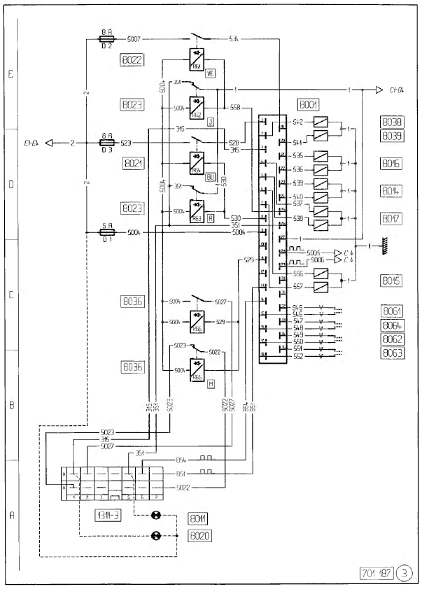
- 1311 Соединители
- 1711 Разъединители
- 2116 Соединительный штепсель для электропитания прицепа - 7 шпилек (ABS)
- 2121 Реле питания после контакта
- 2125 Общий контактор аккумуляторной батареи
- 2129 Реле безопасности + 24 В прямого действия
- 2135 Энергоснабжение после общего отключения
- 2500 Тормозной кран для тандема
- 2600 Тормозной кран для дуплекса
- 3000 Клапан экстренного оттормаживания
- 3100 Редукционный клапан
- 3150 Регулировочный клапан
- 3200 Масляно-пневматический блок
- 3400 Скоба гидравлического тормоза и тормозной диск
- 3500 Тормозной цилиндр обычного торможения
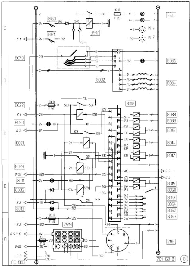
- 3512 Реле для стоп-сигналов
- 3514 Стоп-сигналы
- 3600 Приемник с простой диафрагмой
- 3900 Клапан реле простого управления
- 4100 Клапан реле двойного управления
- 4500 Редуктор
- 4700 Корректор торможения
- 4900 Задний тормозной цилиндр с задвижкой
- 5000 Приемник с двойной пружинной диафрагмой
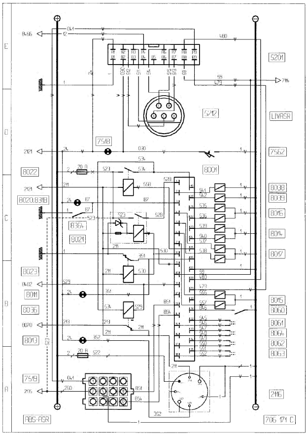
- 5201 Электронный вычислитель ограничителя скорости
- 5211 Электроакселератор
- 5212 Силовой привод ограничителя скорости
- 6400 Двойной клапан остановки
- 7114 Электронный измеритель
- 7122 Сообщение о скорости транспортного средства
- 7515 Питание световых сигналов и приборов, расположенных на бортовом щите
- 7518 Сигнал предупреждения о неисправности
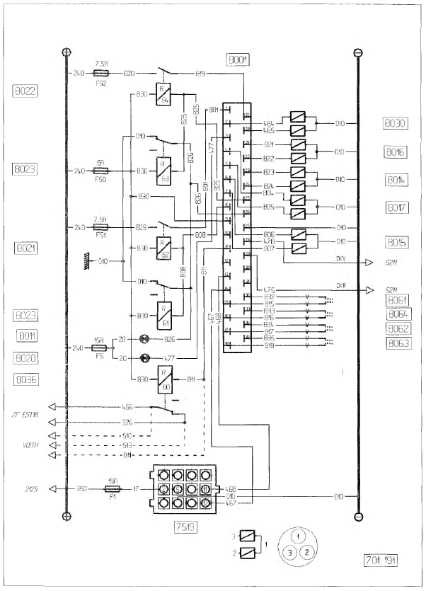
- 7519 Розетка для диагностики
- 7562 Управление тестированием
- 8001 Электронный вычислитель
- 8011 Сигнал безопасности ABS
- 8012 Сигнал информации с прицепа
- 8013 Сигнал безопасности прицепа
- 8014 Передний левый электропневматический клапан ABS
- 8015 Передний правый электропневматический клапан ABS
- 8016 Задний левый электропневматический клапан ABS
- 8017 Задний правый электропневматический клапан ABS
- 8020 Световой сигнал о функционировании ABS
- 8021 Реле злектропневматических клапанов ABS/ASR (передний правый/задний левый)
- 8022 Реле злектропневматических клапанов ABS/ASR (передний левый/задний правый)
- 8023 Реле безопасности ABS
- 8027 Реле питания злектропневматических клапанов
- 8028 Передний электропневматический клапан
- 8030 Двойной задний электропневматический клапан
- 8032 Коробка реле электронного замедлителя
- 8033 Коробка плавких предохранителей ABS
- 8034 Электрический замедлитель
- 8035 Световой сигнал электрического замедлителя
- 8036 Реле отключения замедлителя
- 8038 Левый электропневматический клапан ABS
- 8039 Правый электропневматический клапан ABS
- 8060 Включение ASR "вездеходность"
- 8061 Передний левый датчик ABS
- 8062 Передний правый датчик ABS
- 8063 Задний левый датчик
- 8064 Задний правый датчик
- 8069 Команда на отключение замедлителя
- 8070 Управление электрическим замедлителем
- 8071 Зубчатое колесо для датчика ABS
- 8160 Контактор остановки
- 8171 Манометрический выключатель замедлителя на выходе
- 8312 Межмостовая дифференциальная блокировка
- 8318 Сигнал межколесной дифференциальной блокировки
- 8364 Контакт межколесной дифференциальной блокировки
- 8402 Коробка управления скоростями
- 8406 Тахометр
- 8410 Коробка передач HP 500
- 8466 Контакт на мертвой точке
- 8479 Управление гидравлическим замедлителем
- 8637 Автоматическая коробка передач
- 8804 Ограничитель впрыска
СИСТЕМА BOSCH - Тип E
Автобус городской R 312 - система BOSCH, тип E (4S/4M)


СИСТЕМА BOSCH - Тип 14
G - Система BOSCH типа 14 (4S/4M)


СИСТЕМА BOSCH - Тип 18
Автобус городской R 312 - система BOSCH, тип 18 (4S/4M)


Низкопосаженный автобус - система BOSCH тип 18 (4S/4M)


AE - Система BOSCH тип 18 (4S/4M)


C4x2/CLM - Система BOSCH тип 18 (4S/4M)


С6 x 4/CBH - Система BOSCH тип 18 (4S/4M)


G - Система BOSCH тип 18 (4S/4M)


R - Система BOSCH тип 18 (4S/4M)

