Электросхемы тормозной системы EBS WABCO
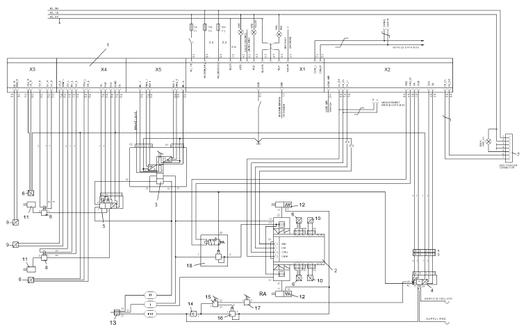
Схема электрических соединений для [D], EBS 1B, 4S/4M (841 100 478 0)
- 1 Центральный модуль EBS
- 2 Модулятор оси
- 3 Тормозной кран
- 4 Кран управления тормозами прицепа
- 5 Пропорциональный ускорительный клапан
- 6 Датчик износа колодок
- 7 Соединительная головка ABS прицепа
- 8 Магнитный клапан ABS
- 9 Датчик скорости ABS
- 10 Датчик скорости ABS
- 11 Тормозной цилиндр
- 12 Tristop цилиндр
- 13 4-контурный предохранительный клапан
- 14 Обратный клапан
- 15 Кран ручного тормоза
- 16 Ускорительный клапан
- 17 Кран ручного тормоза прицепа
- 18 Разобщающий клапан
- x1 - x5 Разъемы
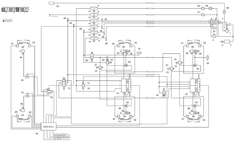
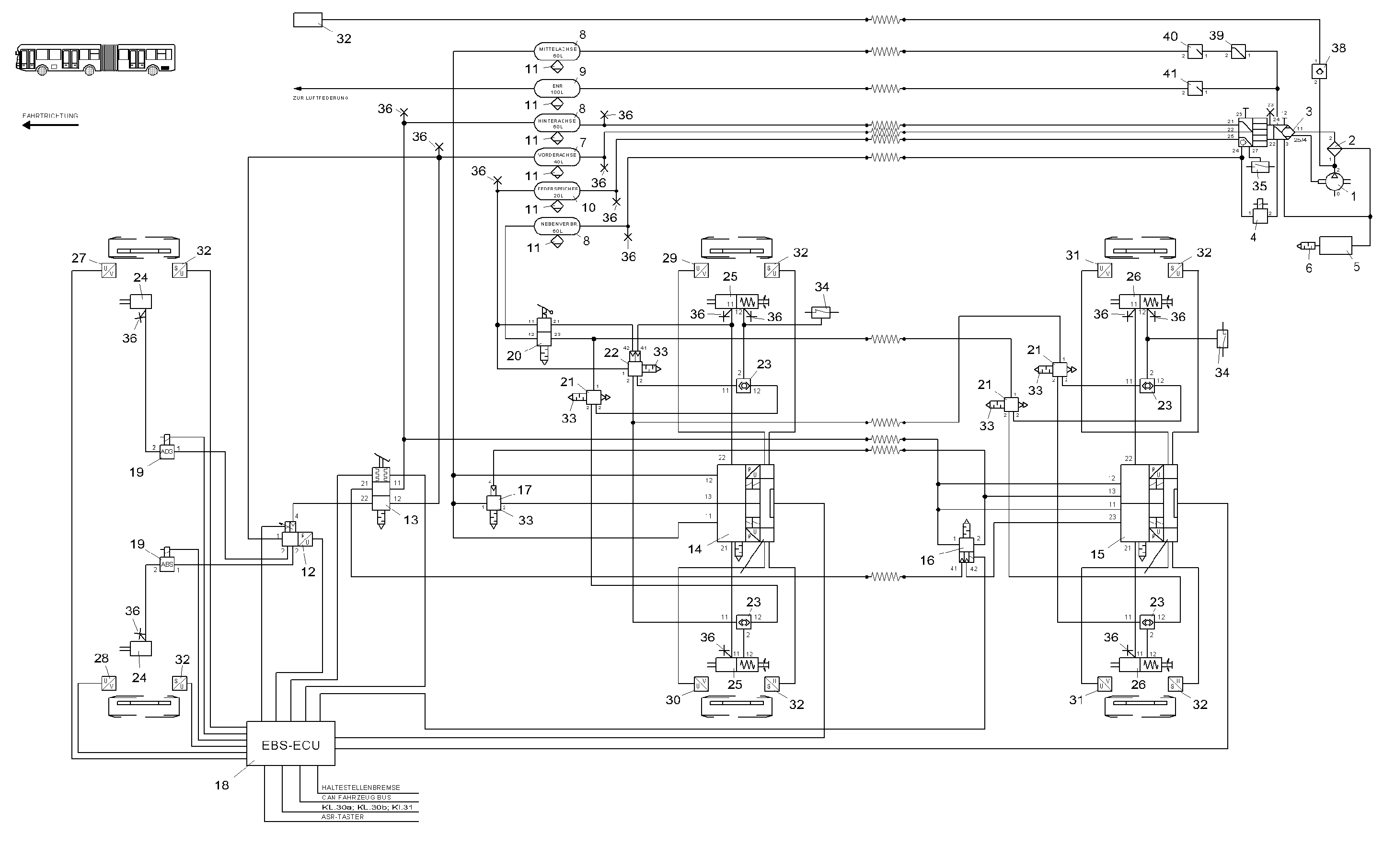
[I], EBS 1B для автобусов, 6S/6M (841 200 213 0)
- 1 2-х поршневой компрессор
- 2 Контейнер циклона
- 3 APU
- 4 Магнитный клапан
- 5 Контейнер влагоотделителя
- 6 Шумоглушитель
- 7 - 10 Ресивер сжатого воздуха
- 11 Дренажный клапан
- 12 Пропорциональный ускорительный клапан
- 13 Тормозной кран
- 14 + 15 Модулятор оси
- 16 Разобщающий клапан
- 17 Ускорительный клапан
- 18Центральный модуль EBS
- 19 Магнитный клапан ABS
- 20 Кран ручного тормоза
- 21 Клапан быстрого стравливания давления
- 22 Ускорительный клапан
- 23 Двухходовой клапан
- 24 Мембранная тормозная камера
- 25 + 26 Tristop цилиндр
- 27 - 31Датчик скорости
- 32 Датчик износа колодок
- 33 Шумоглушитель
- 34 Датчик давления "A"
- 35 Датчик давления "В"
- 36 Точка контроля давления
- 37 -
- 38 Обратный клапан
- 39 Клапан ограничения давления
- 40 + 41 Перепускной клапан
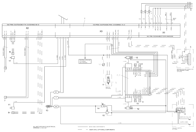
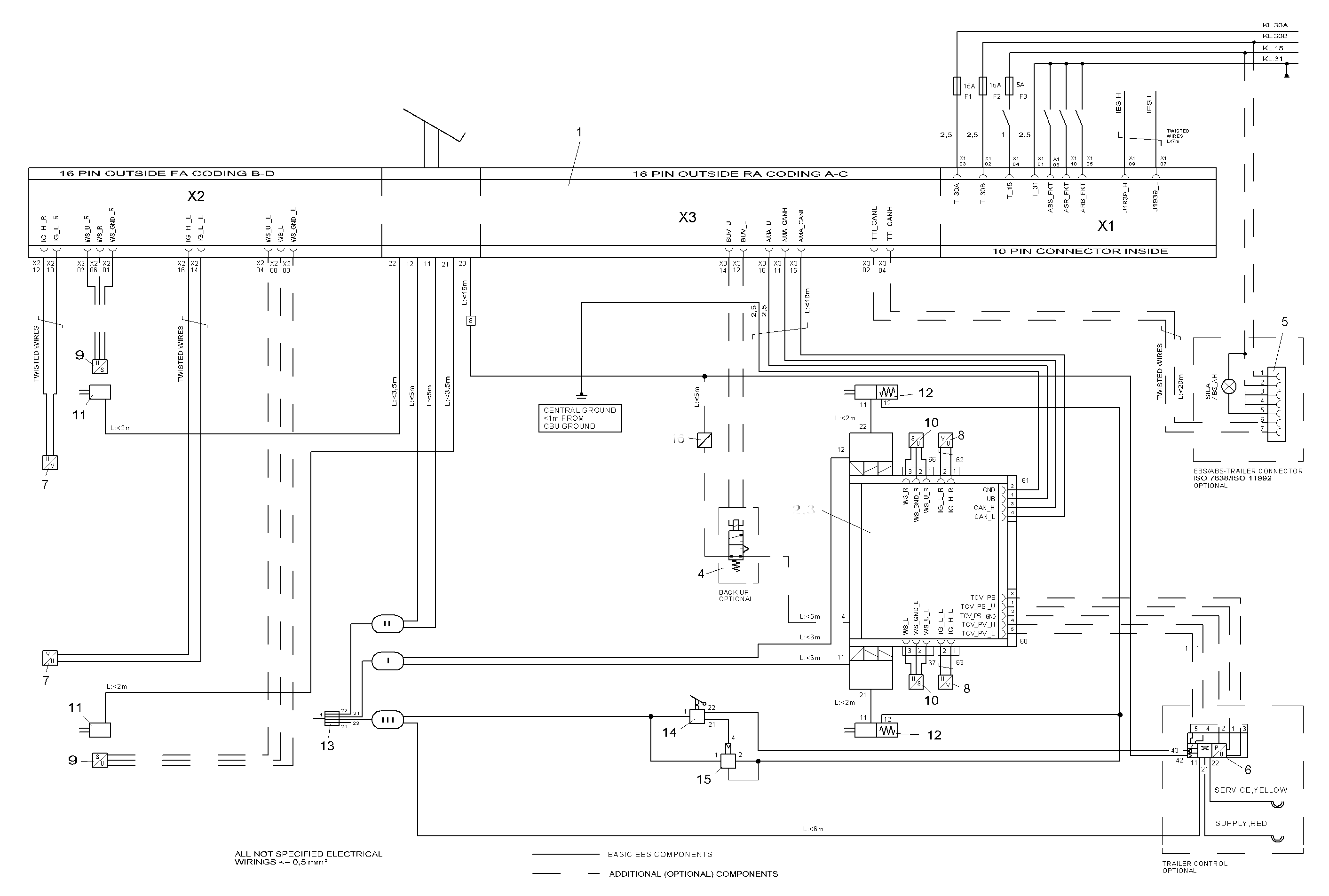
[G] EBS Compact 4S/3M (841 100 532 0)
- 1 Центральный блок управления CBU
- 2 Модулятор оси
- 3 Модулятор оси
- 4 Разобщающий клапан
- 5 Соединительная головка EBS / ABS прицепа
- 6 Кран управления тормозами прицепа
- 7 Датчик скорости ABS
- 8 Датчик скорости ABS
- 9 Датчик износа колодок
- 10 Датчик износа колодок
- 11 Тормозной цилиндр
- 12 Tristop цилиндр
- 134-контурный предохранительный клапан
- 14 Кран ручного тормоза
- 15 Ускорительный клапан
- 16 Адаптер
- x1 - x3 Разъемы
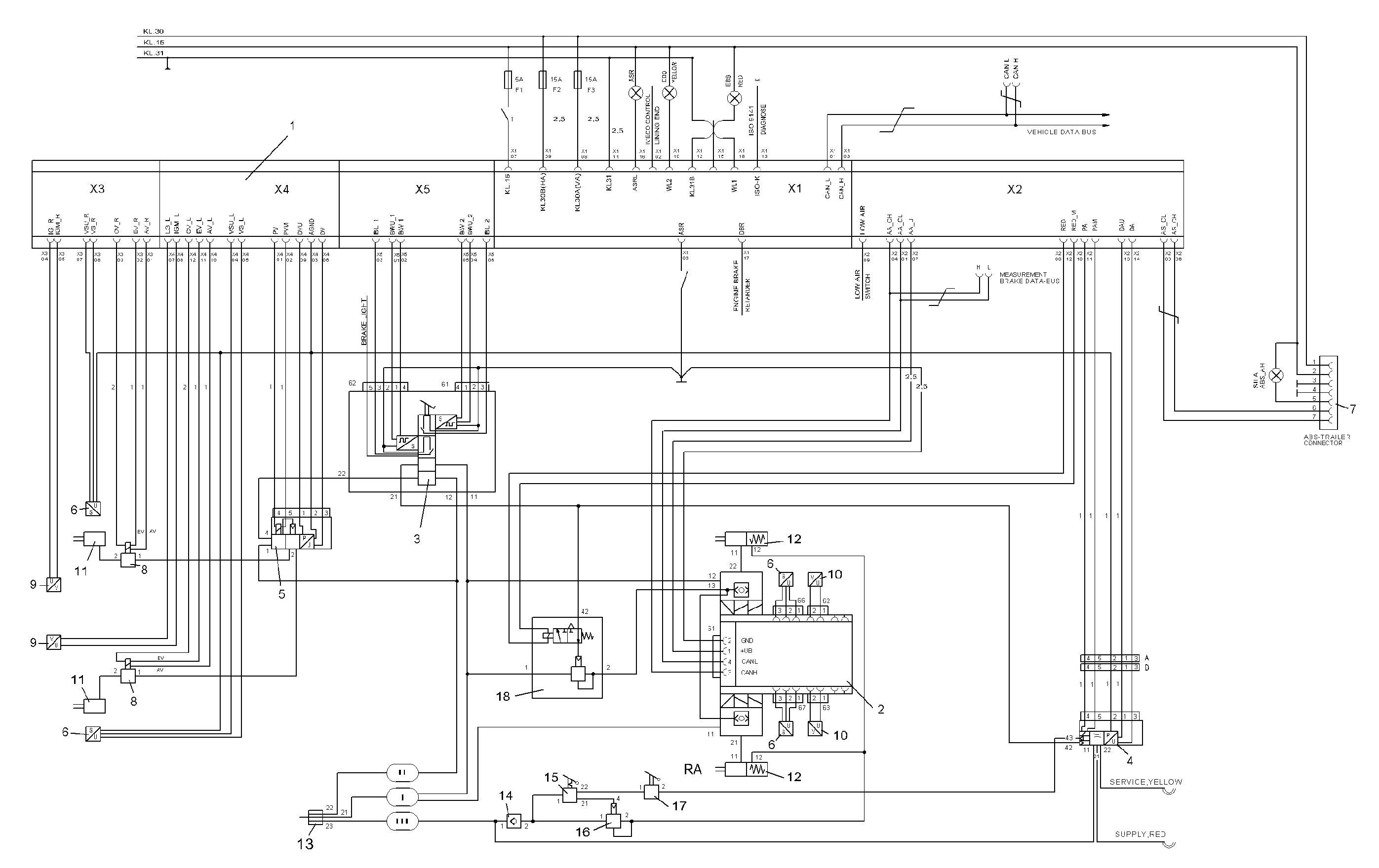
[H] EBS Compact 4S/4M (841 100 531 0)
- 1 Центральный блок управления CBU
- 2 Модулятор оси
- 3 Модулятор оси
- 4 Модуль ESC
- 5 Разобщающий клапан
- 6 Соединительная головка EBS / ABS прицепа
- 7 Кран управления тормозами прицепа
- 8 Магнитный клапан ABS
- 9 Датчик скорости
- 10 Датчик скорости
- 11 Датчик износа колодок
- 12 Датчик износа колодок
- 13 Тормозной цилиндр
- 14 Tristop цилиндр
- 154-контурный предохранительный клапан
- 16 Кран ручного тормоза
- 17 Ускорительный клапан
- 18 Датчик бокового ускорения
- 19 Адаптер
- x1 - x3 Разъемы



