Системы управление дверьми DAF
В данном описании системы приводится принцип работы модуля двери.
Назначение модуля двери заключается в управлении электростеклоподъемниками, регулировке и обогреве зеркал.
Предусмотрено две версии модуля двери: с электрической регулировкой зеркал и без нее.
Модуль двери со стороны водителя (D315)

Выключатель замка двери со стороны второго водителя (С925)

Управление модулем двери, сторона водителя (D315)
CF65IV, CF75IV, CF85IV, XF105, ≤ 200732
Управление стеклоподъемником, неделя спецификации не позднее 32 недели 2007 г.
Переключатели 6 используются для открытия и закрытия стекол двери с обеих сторон. Если нажать и
удерживать верхнюю часть переключателя 6, стекло двери закроется. Если нажать и удерживать
нижнюю часть переключателя 6, стекло двери откроется. Если отпустить переключатель 6 до
завершения операции, движение стекла прекратится.
Если коротко нажать на нижнюю часть переключателя 6 (прибл. 0,5 сек.), стекло двери полностью откроется.

Модуль двери состоит из электронного конденсатора, который подает питание во внутренние электронные устройства, если питание разъединяется/выключается после включения зажигания.
Таким образом, стекла двери все же можно открыть и закрыть на короткий период времени.
≥ 200733
Управление стеклоподъемником, неделя спецификации не ранее 33 недели 2007 г.
Переключатели 6 используются для открытия и закрытия стекол двери с обеих сторон. Если коротко нажать на верхнюю часть переключателя 6 (прибл. 0,5 сек.), стекло двери полностью закроется. Если коротко нажать на нижнюю часть переключателя 6 (прибл. 0,5 сек.), стекло двери полностью откроется.
Если переместить переключатель 6 в противоположном направлении до завершения операции, движение стекла прекратится. Стекло также останавливается при достижении верхнего или нижнего конечного положения или при срабатывании травмозащитной функции.
Модуль двери состоит из электронного конденсатора, который подает питание во внутренние электронные устройства, если питание разъединяется/выключается после включения зажигания.
Таким образом, стекла двери все же можно открыть и закрыть на короткий период времени.
Подсветка
Переключатели имеют подсветку, которая загорается при включении освещения автомобиля.
Обогрев зеркал
Переключатель 4 включает обогрев основного зеркала и зеркала с большим углом обзора. Обогрев
зеркал включен, если горит сигнальная лампа 5. При выключении зажигания обогрев зеркал также
выключается. Если зажигание снова включить, обогрев зеркал не включится автоматически.
Регулировка зеркал
Переключатели 1, 2 и 3 используются для регулировки зеркал с помощью электропривода.
С помощью переключателей 2L и 3L выберите левое основное зеркало (2L) и левое зеркало с большим углом обзора (3L). С помощью переключателей 2R и 3R выберите правое зеркало (2R) и правое
зеркало с большим углом обзора (3R).
Выберите переключатель соответствующего зеркала для его регулировки. С помощью джойстика
(1) можно отрегулировать зеркала по горизонтали и вертикали.
Управление модулем двери, сторона второго водителя (C925)
CF65IV, CF75IV, CF85IV, XF105, ≤ 200732
Управление стеклоподъемником, неделя спецификации не позднее 32 недели 2007 г.
Переключатель 6 используется для открытия и закрытия стекла двери со стороны второго водителя. Если нажать и удерживать верхнюю часть переключателя 6, стекло двери закроется. Если нажать и удерживать нижнюю часть переключателя 6, стекло двери откроется. Если отпустить переключатель 6 до завершения операции, движение стекла прекратится.
Если коротко нажать на нижнюю часть переключателя 6 (прибл. 0,5 сек.), стекло двери полностью откроется.

≥ 200733
Управление стеклоподъемником, неделя спецификации не ранее 33 недели 2007 г.
Переключатель 6 используется для открытия и закрытия стекла двери со стороны второго водителя. Если коротко нажать на верхнюю часть переключателя 6 (прибл. 0,5 сек.), стекло двери полностью закроется.
Если коротко нажать на нижнюю часть переключателя 6 (прибл. 0,5 сек.), стекло двери полностью откроется.
Если переместить переключатель 6 в противоположном направлении до завершения операции, движение стекла прекратится. Стекло также останавливается при достижении верхнего или нижнего конечного положения или при срабатывании травмозащитной функции.
Подсветка
Переключатели имеют подсветку, которая загорается при включении освещения автомобиля.
Электростеклоподъемники
≤ 200732

Электростеклоподъемники, сторона водителя, неделя спецификации не позднее 32 недели 2007 г.
Открытие стекла со стороны водителя
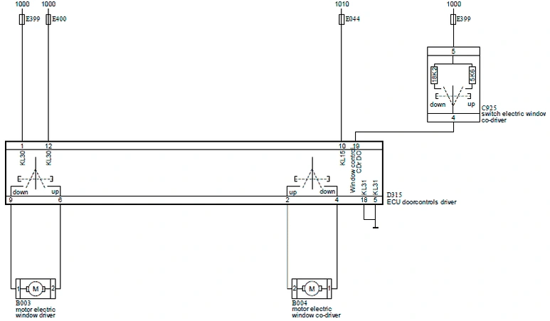
Если включить переключатель управления стеклоподъемником на модуле двери (D315), модуль двери подает питание от контакта 9 в электродвигатель стеклоподъемника со стороны водителя (B003). Контакт 6 модуля двери переключается на
"массу" изнутри. После этого электродвигатель стеклоподъемника включается.
Подъем стекла со стороны водителя
Если включить переключатель управления стеклоподъемником на модуле двери (D315), модуль двери
подает питание от контакта 6 в электродвигатель стеклоподъемника со стороны водителя (B003). Контакт 9 модуля двери переключается на "массу" изнутри. После этого электродвигатель стеклоподъемника включается.
Электростеклоподъемники, сторона второго водителя, неделя спецификации не позднее 32 недели 2007 г.
Открытие стекла со стороны второго водителя со стороны водителя
Если включить переключатель управления стеклоподъемником на модуле двери (D315), модуль двери
подает питание от контакта 4 в электродвигатель стеклоподъемника со стороны водителя (B004). Контакт 2 модуля двери переключается на "массу" изнутри. После этого электродвигатель стеклоподъемника включается.
Закрытие стекла со стороны второго водителя со стороны водителя
Если включить переключатель управления стеклоподъемником на модуле двери (D315), модуль двери
подает питание от контакта 2 в электродвигатель стеклоподъемника со стороны водителя (B004). Контакт 4 модуля двери переключается на "массу" изнутри. После этого электродвигатель стеклоподъемника включается.
Открытие стекла со стороны второго водителя со стороны второго водителя
Переключатель управления стеклоподъемником со стороны второго водителя (C925) имеет два
резистора. Благодаря этому уровень входного сигнала на контакте 19 модуля двери относится к нажатому положению, и, следовательно, электронный блок распознает, какой переключатель нажат. Если переключатель управления стеклоподъемником со стороны второго водителя (C925) нажат,
модуль двери подает питание от контакта 4 в электродвигатель стеклоподъемника со стороны второго
водителя (B004). Контакт 2 модуля двери переключается на "массу" изнутри. После этого
электродвигатель стеклоподъемника включается.
Закрытие стекла со стороны второго водителя со стороны второго водителя
Переключатель управления стеклоподъемником со стороны второго водителя (C925) имеет два
резистора. Благодаря этому уровень входного сигнала на контакте 19 модуля двери относится к нажатому положению, и, следовательно, электронный блок распознает, какой переключатель нажат. Если включить переключатель управления стеклоподъемником, модуль двери подает питание от контакта 2 в электродвигатель стеклоподъемника со стороны водителя (B004). Контакт 4 модуля двери переключается на "массу" изнутри. После этого электродвигатель стеклоподъемника включается.

Электростеклоподъемники, сторона водителя, неделя спецификации не ранее 33 недели 2007 г.
Открытие стекла со стороны водителя
Если кратковременно включить переключатель управления стеклоподъемником на модуле двери
(D315), модуль двери подаст питание от контакта 9 в электродвигатель стеклоподъемника со стороны
водителя (L025). После этого электродвигатель стеклоподъемника запускается, и стекло опускается.
Если переместить переключатель в противоположном направлении до завершения опускания стекла,
движение стекла прекратится. Стекло также останавливается при достижении нижнего конечного
положения или при срабатывании травмозащитной функции.
Подъем стекла со стороны водителя
Если кратковременно включить переключатель управления стеклоподъемником на модуле двери
(D315), модуль двери подаст питание от контакта 6 в электродвигатель стеклоподъемника со стороны
водителя (L025). После этого электродвигатель стеклоподъемника запускается, и стекло поднимается.
Если переместить переключатель в противоположном направлении до завершения подъема стекла,
движение стекла прекратится. Стекло также останавливается при достижении верхнего конечного
положения или при срабатывании травмозащитной функции.
Электростеклоподъемники, сторона второго водителя, неделя спецификации не ранее 33 недели 2007г.
Открытие стекла со стороны второго водителя со стороны водителя
Если кратковременно включить переключатель управления стеклоподъемником на модуле двери (D315), модуль двери подаст питание от контакта 4 в электродвигатель стеклоподъемника со стороны второго водителя (L026). Контакт 2 модуля двери переключается на "массу" изнутри. После этого
электродвигатель стеклоподъемника запускается, и стекло опускается.
Если переместить переключатель в противоположном направлении до завершения опускания стекла,
движение стекла прекратится. Стекло также останавливается при достижении нижнего конечного
положения или при срабатывании травмозащитной функции.
Закрытие стекла со стороны второго водителя со стороны водителя
Если кратковременно включить переключатель управления стеклоподъемником на модуле двери
(D315), модуль двери подаст питание от контакта 2 в электродвигатель стеклоподъемника со стороны второго водителя (L026). Контакт 4 модуля двери переключается на "массу" изнутри. После этого
электродвигатель стеклоподъемника запускается, и стекло поднимается.
Если переместить переключатель в противоположном направлении до завершения подъема стекла, движение стекла прекратится. Стекло также останавливается при достижении верхнего конечного
положения или при срабатывании травмозащитной функции.
Электродвигатель стеклоподъемника, неделя спецификации не ранее 33 недели 2007 г.
Травмозащитная функция
Положение, скорость и направление движения стекла распознается двумя датчиками Холла на валу сердечника.
Во время движения стекла электронные устройства в электродвигателе оценивают сигналы скорости, поступающие от датчиков Холла. Если стекло блокируется каким-либо объектом, направление
движения меняется, и стекло частично опускается. Если переключатель не нажать повторно в
течение 10 секунд, поддерживается функция быстрого подъема и функция экстренного опускания.
Если стекло не перемещается плавно механически, например, из-за обледенения или загрязнения,
травмозащитная функция не может отличить такие обстоятельства от фактического повреждения.
Травмозащитная функция включается, и стекло частично открывается. Нажмите на переключатель подъема в течение 10 секунд, чтобы перейти через точку, в которой движение затруднено. Стекло
поднимается до точки, в которой движение затруднено, и останавливается. Травмозащитная функция выключается. Непрерывно нажимайте на переключатель, чтобы миновать точку, в которой движение
затруднено.
В данном случае значение верхнего предела удаляется из памяти, и его необходимо снова
запрограммировать. В результате функции быстрого подъема и экстренного опускания больше не
доступны.
Тепловая защита
Двигатель стеклоподъемника имеет тепловую защиту для предотвращения повреждения электродвигателя.
Счетчик продолжает отслеживать температурные характеристики электродвигателя. Повышение и
снижение зависят от рабочего состояния (например, стекло движется, запуск стекла, блокировка
стекла, стекло неподвижно). Когда счетчик достигает значения верхнего предела, перемещение стекла по направлению вниз прекращается.
Перемещение возобновляется, когда счетчик достигает значения нижнего предела. Изменение направления движения в случае блокировки зависит текущего показания счетчика.
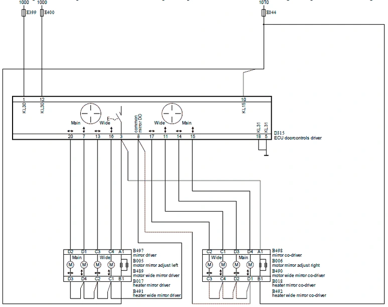
Обогрев зеркал с электроприводом и регулировка зеркал

Блок-схема
XF105, ≤ 200732
Объяснение блок-схемы
Блок-схема K102085 относится к:
модели XF105, неделя спецификации не позднее 32 недели 2007 г.

- B003 Электродвигатель стеклоподъемника, со стороны водителя
- B004 Электродвигатель стеклоподъемника, со стороны второго водителя
- B005 Электродвигатель регулировки зеркал, со стороны водителя
- B006 Электродвигатель регулировки зеркал, со стороны второго водителя
- B017 Обогрев зеркала, со стороны водителя
- B018 Обогрев зеркала, со стороны второго водителя
- B489 Электродвигатель, зеркало с большим углом обзора, со стороны водителя
- B490 Электродвигатель, зеркало с большим углом обзора, со стороны второго водителя
- B491 Обогрев зеркала с большим углом обзора, со стороны водителя
- B492 Обогрев зеркала с большим углом обзора, со стороны второго водителя
- B497 Зеркало, со стороны водителя
- B498 Зеркало, со стороны второго водителя
- C925 Переключатель, электростеклоподъемник, со стороны второго водителя
- D315 ЭБУ, элементы управления на двери водителя
- E033 Предохранитель, электростеклоподъемник, со стороны второго водителя
- E034 Предохранитель, электростеклоподъемник, со стороны водителя
- E044 Предохранитель, обогрев и регулировка зеркал и управление стеклоподъемниками
- E117 Предохранитель, прожектор
- G000 Реле, задний габаритный фонарь, прожекторы
≥ 200733
Объяснение блок-схемы
Блок-схема K102466 относится к:
моделям CF65 IV, CF75 IV, CF85 IV, XF105, неделя спецификации не ранее 33 недели 2007 г.

- B005 Электродвигатель регулировки зеркал, со стороны водителя
- B006 Электродвигатель регулировки зеркал, со стороны второго водителя
- B017 Обогрев зеркала, со стороны водителя
- B018 Обогрев зеркала, со стороны второго водителя
- B489 Электродвигатель, зеркало с большим углом обзора, со стороны водителя
- B490 Электродвигатель, зеркало с большим углом обзора, со стороны второго водителя
- B491 Обогрев зеркала с большим углом обзора, со стороны водителя
- B492 Обогрев зеркала с большим углом обзора, со стороны второго водителя
- B497 Зеркало, со стороны водителя
- B498 Зеркало, со стороны второго водителя
- C925 Переключатель, электростеклоподъемник, со стороны второго водителя
- D315 ЭБУ, элементы управления на двери водителя
- E033 Предохранитель, электростеклоподъемник, со стороны второго водителя
- E034 Предохранитель, электростеклоподъемник, со стороны водителя
- E044 Предохранитель, обогрев и регулировка зеркал и управление стеклоподъемниками
- E117 Предохранитель, прожектор
- G000 Реле, задний габаритный фонарь, прожекторы
- L025 Электродвигатель стеклоподъемника, со стороны водителя
- L026 Электродвигатель стеклоподъемника, со стороны второго водителя
Информация о расположении, модуль двери
