См. также:
Электросхема системы техобслуживаия WS Mercedes Actros
- Цветовая маркировка проводов -
- bl Синий
- br Коричневый
- ge Жёлтый
- gn Зелёный
- gr Серый
- rs Розовый
- rt Красный
- sw Чёрный
- vi Фиолетовый
- ws Белый
- tk Бирюзовый (бензин)
- or Оранжевый
- tr Световое табло
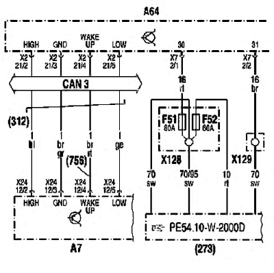
Электропитание и подключение CAN блока управления FM передний модуль

- А7: Блок управления Базовый модуль GM
- А64: Блок управления FM передний модуль
- CAN3: Шина CAN рамы
- F51: Предохранитель блока управления FM передний модуль, клемма 30
- F52: Предохранитель блока управления Задний модуль НМ, клемма 30
- Х128: Распределитель электроэнергии 'клемма 30'
- Х129: Распределитель электроэнергии 'клемма 31'
- (273): Электропитание
- (312): Провода скручены.
- (756): Провод пробуждения
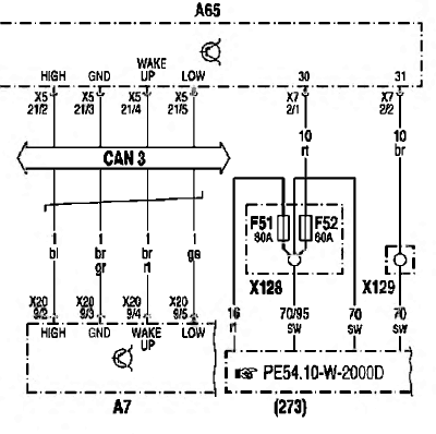
Электропитание и подключение CAN блока управления Задний модуль НМ

- А7: Блок управления Базовый модуль GM
- А65: Блок управления Задний модуль НМ
- CAN3: Шина CAN рамы
- F51: Предохранитель блока управления FM передний модуль, клемма 30
- F52: Предохранитель блока управления Задний модуль НМ, клемма 30
- Х128: Распределитель электроэнергии 'клемма 30'
- Х129: Распределитель электроэнергии 'клемма 31'
- (273): Электропитание
Электропитание и подключение CAN блока управления МТСО
модульный тахограф

- А7: Блок управления Базовый модуль GM
- PI: INS комбинация приборов
- РЗ: МТСО модульный тахограф
- CAN10: Шина CAN тахографа
- (312): Провода скручены.
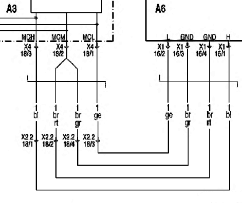
Электропитание и подключение CAN блока управления FR система управления движением

- АЗ: Блок управления FR система управления движением
- А7: Блок управления Базовый модуль GM
- CAN1: Шина CAN а/м
- F14-A7: Предохранитель блока управления FR система управления движением, клемма 30
- F28-A7: Предохранитель блока управления FR система управления движением, клемма 15
- К4-А7: Реле 'Клемма 15'
- (273): Электропитание
- (312): Провода скручены.
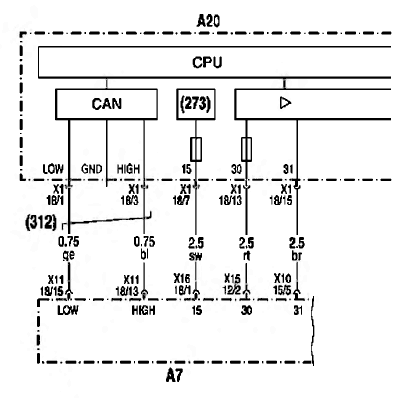
Электропитание и подключение CAN блока управления RS управление
тормозом-замедлителем (ретардером)

- А20: Блок управления RS управление тормозом-замедлителем (ретардером)
- А7: Базовый модуль
- (312): Провода скручены.
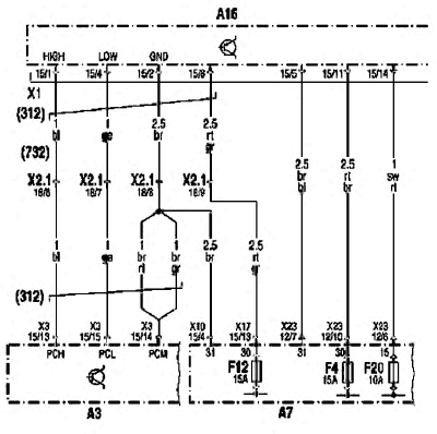
Электропитание и подключение CAN блока управления GS
управление переключением передач

- А1б: Блок управления GS управление переключением передач
- АЗ Блок управления движением FR
- А7: Блок управления Базовый модуль GM
- (312): Провода скручены.
Шина CAN к блоку управления MR система управления двигателем

- АЗ: Блок управления FR система управления движением
- Аб: Блок управления MR система управления двигателем