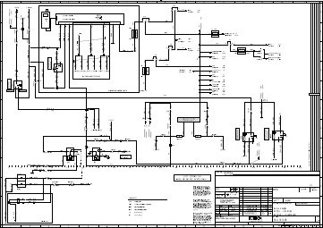
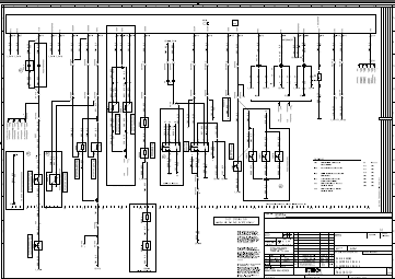
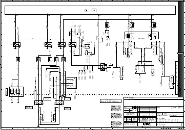
Электросхемы модельного ряда автобусов Irisbus Crossway


Перечень электросхем:
- BOARD CIP
- SUPPLY
- STARTING - ALTERNATOR
- ELECTRONIC VBC 1/4
- ELECTRONIC VBC 2/4
- ELECTRONIC VBC 3/4
- ELECTRONIC VBC 4/4
- BLOCK SCHEME CAN
- ELECTRONIC IOU
- ELECTRONIC SPR1 CONN. A - BLUE
- ELECTRONIC SPR1 CONN. B - BLACK
- ELECTRONIC VCM - X1, TURBO
- ELECTRONIC VCM - X3
- ELECTRONIC ECM 1/2
- ELECTRONIC ECM 2/2
- TACHOGRAPH, PRISE 12-24V, LIGHTER
- ELECTRONIC SWI
- BACKLIGHT
- RETARDER TELMA
- BVA VOITH DIWA 5
- MECHANICAL GEAR BOX
- ABS / ASR 6
- RADIO - CLASSIC LINE/-PANASONIC 12V
- CENTRAL LOCKING
- FRONT DOOR / POLICKA
- FRONT DOOR / BODE ONE LEAF
- MIDDLE DOOR / POLICKA
- MIDDLE DOOR / BODE
- WARNING LIGHTS, DISCONNETION
- DRIVER, EMERGENCY LIGHTS
- INTERIER LIGHTS
- LAMPLETS
- HEATING
- HEATING EBERSPAECHER
- AIR-CONDITIONING THERMO-KING
- DRIVER´S HEATING
- FRONT HEATING BOX - DEFREEZING
- AIR PULSE + AIR PULSE FLAP
- PREHEATING - AIR DRYER - WATER IN FUEL
- ANTIFOG - BOOTS LIGHT
- WIPERS
- MIRRORS - ANTISUN
- STOP REQUEST
- STOP REQUEST
- DECREASING
- PARKING BRAKE ALARME
- UNLOADING 3rd AXLE - ELEVATION
- APREDISPO INFO PANEL
- INFO PANEL - FRIDGE
- DIAGNOSTIC 30 POL
- MECHANICAL RAMPE INVALIDE
- STRAPS 1
- RADAR OF REVERSE GEAR
- FMS GATEWAY - CAN INTERFACE
- RAMPE INVALIDE - HUBNER
- RAMPE INVALIDE - CAROIL
- EL.TRAPS DOORS PARABUS
- ELC - LIFTING / LOWERING / KNEELING
- BI-TON KLAXON
- IVTM TYRE PRESSURE MONITORING
- DIGITAL CLOCK
- PICTOGRAMS SESALY
Просматривать и распечатывать в высоком качесте их - могут только пользователи


