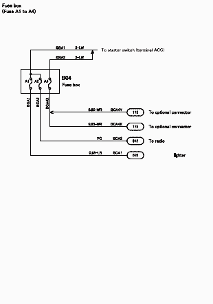
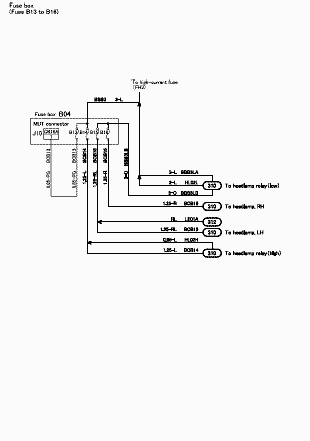
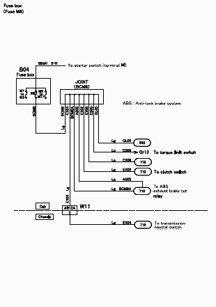
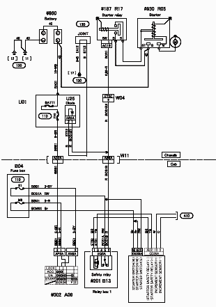
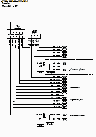
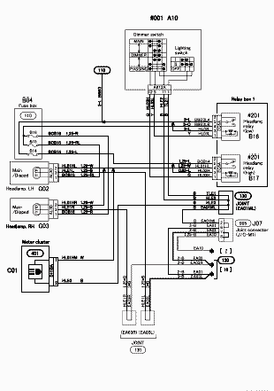
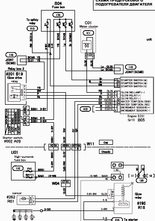
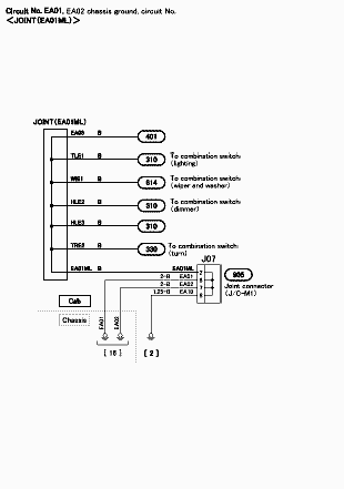
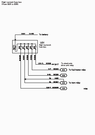
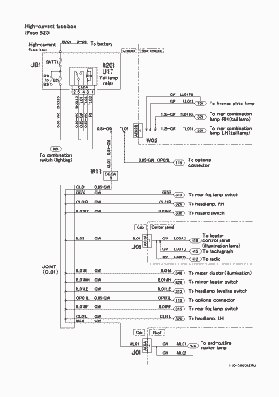
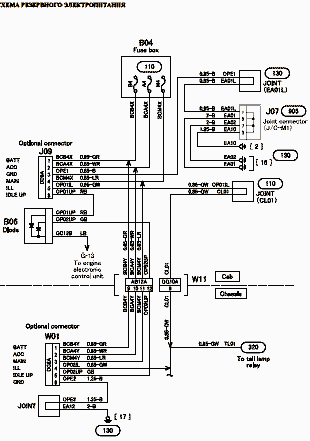
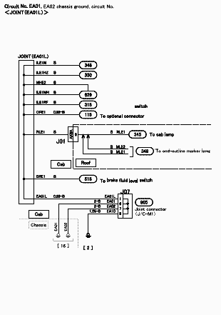
Электросхема Canter EURO 4 (для России)
Цвет провода

Схема подключения устройства электроуправления двигателя









Все электросхемы в высоком качестве - только в
Подписывайтесь на наш канал в Telegram и будьте всегда в курсе самых последних сообщений и публикаций с сайта. |









