Электрооборудование TGS/TGX
06S-1580, 06S-1581 89S-0161, 89S-0162 26Х-0150, 28Х-0006, 30Х-0273
РУКОВОДСТВО ПО ИСПОЛЬЗОВАНИЮ ЭЛЕКТРИЧЕСКИХ СХЕМ

- 1 Обозначение электродетали (пример: диод V100 в центральной электрической сети, место 53)
- 2 Место установки на передней стороне центральной электрической сети (здесь: выбитый номер места 53)
- 3 Штекерное соединение на задней стороне центральной электрической сети (здесь: штекер 78, разъем 8)
- 4 Название, номер провода; для цветных проводов сокращение обозначения цвета, поперечное сечение указывается только при отклонении от 12
- 5 Название, номер провода в скобках представляют собой токопроводящие соединения на плате
- 6 Прерывание провода с указанием номера листа, на котором он продолжается (здесь: лист 2 — не
- номер страницы), и номера пути (здесь: путь 4)
- 7 Штекерное соединение (пример: одноконтактное штекерное соединение Х104)
- 8 Место установки компонента (см.: обозначение мест установки)
- 9 Путь тока (нумерация от 1 до 55/60 на каждую схему)
Места установки для автомобиля с левосторонним расположением рулевого управления

- (А) Задняя часть
- (В1) Двигатель
- (В2) Коробка передач
- (С) Передняя часть
- (С1) Бампер
- (С2) Подножка справа
- (СЗ) Подножка слева
- (Е6) Сектор центральной электрической водителя сети
- (Е7) Салазки блоков управления
- (Е8) Задняя стенка кабины пассажира
- (F) Приборная панель
- (F1) Средняя часть
- (F2) Рулевая колонка/рулевое колесо
- (F3) Педальный механизм
- (F4) Передок внутри слева
- (F5) Передок внутри справа
- (F5) Передок внутри справа
- (F6) Сиденье водителя
- (F7) Сиденье пассажира
- (F8) Консоль коробки передач
- (G) Аккумуляторный отсек
- (Н1) Центральная стойка со стороны
- (Н2) Передняя стойка со стороны водителя
- (J1) Центральная стойка со стороны
- (J2) Передняя стойка со стороны пассажира
- (L) Потолок/панель крыши
- (N) Передний мост
- (Р) Задний мост
- (R1) Передние части рамы
- (R2) Задняя часть рамы
- (51) Дверь слева
- (52) Дверь справа
СХЕМА СОЕДИНЕНИИ СЕРИИНОГО ОСНАЩЕНИЯ
Лист 1 из 22
- А100 Центральная электрическая сеть
- А302 Центральный компьютер 2
- А403 Автомобильный компьютер
- А435 Блок управления EDC
- F354 Главный предохранитель (клемма 30-1)
- F355 Главный предохранитель (клемма 30-2)
- F399 Предохранитель генератора (клемма 15)
- G100 Аккумуляторная батарея 1
- G101 Аккумуляторная батарея 2
- G102 Генератор 1
- К171 Реле потребителя (клемма 15)
- М100 Стартер
- Q101 Замок рулевого колеса
- Х100 Подключение на массу двигателя
- Х669 Штекерное соединение Блокировка стартера
- Х1364 Перемычка центральной электрической сети (ZBR) 90/1-90/2
- Х1365 Перемычка центральной электрической сети (ZBR) 90/2-91
- Х1541 Штекерное соединение Ввод потенциала +
- Х1551 Штекерное соединение Двигатель/ЕйС/коробка передач II
- Х1913 Провод перемычки 30076 (блок МР)
- Х1966 Штекерное соединение Замок зажигания
- Х2549 Штекерное соединение IMR (стартер)
- Х4829 Штекерное соединение Замок зажигания (клемма R)
Лист 2 из 22
- А100 Центральная электрическая сеть
- А302 Центральный компьютер 2
- А403 Автомобильный компьютер
- F160 Предохранитель EBS (ABS), электропитание прицепа
- F161 Предохранитель EBS (ABS), электропитание клапана регулирования давления
- F162 Предохранитель блока управления EBS (ABS)
- F243 Предохранитель постоянного плюса центрального бортового компьютера
- F244 Предохранитель центрального бортового компьютера (клемма 30-1)
- F245 Предохранитель центрального бортового компьютера (клемма 30-2)
- F246 Предохранитель центрального бортового компьютера (клемма 15)
- F371 Электропитание FFR (клемма 30)
- F372 Электропитание FFR (клемма 15)
- F400 Предохранитель замка рулевого колеса
- F522 Предохранитель провода 30000
- F523 Предохранитель провода 30000
- Х1064 Перемычка на центральной электрической сети, поз. 37 (контакт 1-2)
- Х1557 Штекерное соединение Рама слева
- Х1644 Точка массы кабины рядом с центральной электрической сетью
- Х4643 Распределитель потенциалов провода 59104
- 1 EBS
Лист 3 из 22
- А100 Центральная электрическая сеть
- А302 Центральный компьютер 2
- Х100 Подключение на массу двигателя
- Х1539 Штекерное соединение Ввод - потенциала
- Х1549 Штекерное соединение Двигатель/ЕОС/коробка передач I
- Х1569 Штекерное соединение Освещение багажника
- Х1570 Штекерное соединение Освещение багажника
- Х1642 Точка массы кабины сзади приборной панели
- Х1644 Точка массы кабины рядом с центральной электрической сетью
- Х1827 Обжимное соединение провода 31000
- Х1829 Обжимное соединение провода 31000
- Х1830 Обжимное соединение провода 31002
- Х1904 Шпилька Мб (коробка МР)
- Х2541 21-контактный распределитель потенциалов провода 31000
- 1 Дверной модуль со стороны водителя
- 2 Дверной модуль со стороны пассажира
- 3 Дверной модуль
Лист 4 из 22
- А100 Центральная электрическая сеть
- А302 Центральный компьютер 2
- А403 Автомобильный компьютер
- F582 Предохранитель FFR (клемма 15) ZDR/интерфейса
- R134 Группа резисторов EDC
- Х200 Штекер диагностики
- Х1559 Штекерное соединение Двигатель/ЕРС/коробка передач IV
- Х1996 Штекерное соединение Интерфейс регулирования промежуточной частоты вращения (FFR)
- Х2544 Распределитель потенциалов 21-контактного К-провода
- 1 Коробка отбора мощности I
- 2 Коробка отбора мощности II
- 3 Модуль управления заказчика (блок управления для внешнего обмена данными)
Лист 5 из 22
- А100 Центральная электрическая сеть
- А302 Центральный компьютер 2
- А403 Автомобильный компьютер
- А407 Приборная панель
- А435 Блок управления EDC
- В124 Датчик температуры охлаждающей жидкости
- В139 Щуп уровня охлаждающей жидкости
- В371 Выключатель бачка для масла рулевого управления
- В433 Датчик давления воздушного фильтра
- F106 Предохранитель электрофакельного устройства
- Н101 Контрольная лампа электрофакельного устройства
- К102 Репе электрофакельного устройства
- R100 Факельная свеча накаливания 1
- Х100 Подключение на массу двигателя
- Х1549 Штекерное соединение Двигатель/ЕйС/коробка передач I
- Х1551 Штекерное соединение Двигатель/ЕРС/коробка передач II
- Х1847 Штекерное соединение Датчик давления воздушного фильтра
- Х1904 Шпилька Мб (коробка МР)
- Y100 Электромагнитный клапан электрофакельного устройства
- Y273 Электромагнитная муфта привода вентилятора
Лист 6 из 22
- А100 Центральная электрическая сеть
- А302 Центральный компьютер 2
- А403 Автомобильный компьютер
- А407 Приборная панель
- А942 Переключатель на рулевой колонке ретардера/коробки передач
- А943 Мультифункциональное рулевое колесо
- В434 Щуп уровня жидкости в системе сцепления
- F583 Предохранитель FFR (клемма 15) переключателя/датчиков
- Н145 Контрольная лампа ретардера
- S1133 Кнопка тормоза-замедлителя
- Х1972 Штекерное соединение Педальный механизм снаружи
- Х4397 Штекерное соединение Мультифункциональное рулевое колесо
- Х4644 Распределитель потенциалов провода 60028
- 1 FFR (клемма 15), переключатель/датчики
Лист 7 из 22
- А100 Центральная электрическая сеть
- А302 Центральный компьютер 2
- А407 Приборная панель
- В101 Датчик давления ресивера тормозного контура 1
- В102 Датчик давления ресивера тормозного контура 2
- В103 Датчик запаса топлива 1
- В502 Датчик давления ресивера тормозного контура 3
- F375 Предохранитель (клемма 15) кабины снаружи
- G101 Аккумуляторная батарея 2
- Н108 Контрольная лампа давления ресивера
- Н149 Контрольная лампа блокировки кабины
- Р102 Индикатор давления ресивера тормозного контура 1
- Р103 Индикатор давления ресивера тормозного контура 2
- Р104 Индикатор запаса топлива
- R107 Осушитель воздуха
- 5198 Выключатель блокировки кабины справа
- 5199 Выключатель блокировки кабины слева
- Х1544 Штекерное соединение Рама III
- Х1557 Штекерное соединение Рама слева
- Х1644 Точка массы кабины рядом с центральной электрической сетью
- Х3437 Штекерное соединение Рама II
- 1 ТРМ
- 2 ECAS
Лист 8 из 22
- А100 Центральная электрическая сеть
- А302 Центральный компьютер 2
- А403 Автомобильный компьютер
- А407 Приборная панель
- В269 Датчик температуры наружного воздуха
- В270 Датчик уровня масла
- F898 Предохранитель сирены
- G101 Аккумуляторная батарея 2
- Н102 Сирена
- Н169 Сирена (двойной тон)
- Н345 Контрольная лампа системы обогрева топливного фильтра
- Р113 Блок индикации наружной температуры
- S108 Переключатель на рулевой колонке (указатель поворота, стеклоочиститель и фары)
- Х1545 Штекерное соединение Передняя часть слева
- Х1547 Штекерное соединение Дверь слева
- Х1551 Штекерное соединение Двигатель/ЕРС/коробка передач II
- Х1557 Штекерное соединение Рама слева
- Х1559 Штекерное соединение Двигатель/ЕйС/коробка передач IV
- Х1644 Точка массы кабины рядом с центральной электрической сетью
- Х1967 Штекерное соединение 1-й универсальный переключатель на рулевой колонке
- Х3385 Штекерное соединение Моторный тормоз/EVB
- Y281 Электромагнитный клапан моторного тормоза/EVB
Лист 9 из 22
- А100 Центральная электрическая сеть
- А250 Блок управления отопителя/кондиционера
- А302 Центральный компьютер 2
- А474 Устройство управления обогревом кабины без кондиционера/с кондиционером
- В203 Бачок охлаждающей жидкости с реле высокого/низкого давления
- F131 Предохранитель вентилятора отопителя
- F397 Предохранитель системы обогрева передней части, кондиционер
- Х1551 Штекерное соединение Двигатель/ЕРС/коробка передач И
- Х1642 Точка массы кабины сзади приборной панели
- Y114 Электромагнитная муфта компрессора
- Y117 ЕР-клапан переднего кондиционера
- 1 Регулятор вентилятора
- 2 Вентилятор
- 3 Температура
- 4 Распределение воздушных потоков
- 5 Боковые сопла
- 6 Свежий/циркуляционный воздух
- 7 Датчик теплообменника
- 8 Датчик наружной температуры
- 9 Датчик испарителя
Лист 10 из 22
- А100 Центральная электрическая сеть
- А302 Центральный компьютер 2
- А407 Приборная панель
- F112 Предохранитель стеклоочистителя/стеклоомывателя
- Н382 Контрольная лампа уровня промывочной жидкости
- К106 Реле импульса стеклоочистителя
- М102 Электродвигатель стеклоочистителя
- М103 Насос стекпоомывателя
- S108 Переключатель на рулевой колонке (указатель поворота, стеклоочиститель и фары)
- Х1543 Штекерное соединение Двигатель стеклоочистителя
- Х1545 Штекерное соединение Передняя часть слева
- Х2003 Штекерное соединение 2-й универсальный выключатель на рулевой колонке
Лист 11 из 22
- А100 Центральная электрическая сеть
- А302 Центральный компьютер 2
- А403 Автомобильный компьютер
- А410 Предохранитель
- А477 Электронный иммобилайзер
- F236 Предохранитель регулировки двигателя (клемма 15)
- S477 Переключатель рычага управления коробкой передач
- Х1559 Штекерное соединение Двигатель/ЕйС/коробка передач IV
- Х1604 Штекерное соединение переключателя в кнопке включения
- Х1971 Штекерное соединение Иммобилайзер
Лист 12 из 22
- А100 Центральная электрическая сеть
- А302 Центральный компьютер 2
- А407 Приборная панель
- А408 Тахоспидограф
- В110 Импульсный датчик тахоспидографа
- F376 Предохранитель внутри кабины (клемма 15)
- F398 Предохранитель приборной панели, тахоспидограф (клемма 15)
- F412 Предохранитель приборной панели, тахоспидограф (клемма 30)
- Н111 Центральная сигнальная лампа STOP
- Н162 Предупредительный зуммер
- Р101 Тахометр
- Р106 Индикация температуры охлаждающей жидкости
- Р107 Часы
- Р116 Индикация давления наддува
- Р118 Индикация скорости
- Р119 Индикация пробега в километрах
- Р120 Индикация дневного пробега
- Х1535 Штекерное соединение Тахоспидограф
- Х1536 Штекерное соединение Тахоспидограф
- Х1537 Штекерное соединение Тахометрический датчик
- Х1642 Точка массы кабины сзади приборной панели
- Х1644 Точка массы кабины рядом с центральной электрической сетью
- Х1833 Обжимное соединение провода 16000
- Х3118 Штекерное соединение Распределитель провода 30000
- Х3119 Штекерное соединение Распределитель провода 30009
- Х4366 Штекерное соединение Импульсный распределитель — тахоспидограф
- Х4645 Распределитель потенциалов провода 16000
- Х4659 Штекерное соединение Сигнал V провода 16500
- Х4660 Штекерное соединение Провод 16507, 4 импульса на метр
- Х4663 Штекерное соединение Адаптер сигнала V провода 16514
- Х4732 Распределитель потенциалов провода 16000 освещения переключателя
- 1 Дополнительный отопитель
- 2 Дверной модуль
13 из 22
- А100 Центральная электрическая сеть
- А302 Центральный компьютер 2
- А407 Приборная панель
- Е177 Освещение пепельницы слева
- F158 Предохранитель прикуривателя
- R108 Прикуриватель
- S329 Кнопка адаптивного контроля осветительных приборов
- S1112 Переключатель сигнала поворота с задним противотуманным фонарем
- Х1540 Штекерное соединение Рама I
- Х1587 Штекерное соединение Соединение штепсельной розетки прицепа 2
- Х1642 Точка массы кабины сзади приборной панели
- Х4658 Штекерное соединение Освещение прикуривателя/пепельницы
Указание
Место установки Х1587 на седельном автомобиле — Е8!
Лист 14 из 22
- А 100 Центральная электрическая сеть
- А187 Фара слева
- А188 Фара справа
- А189 Задний габаритный фонарь слева
- А190 Задний габаритный фонарь справа
- А302 Центральный компьютер 2
- Е108 Стояночный свет справа
- Е109 Стояночный свет слева
- Е114 Габаритный фонарь спереди справа
- Е115 Габаритный фонарь спереди слева
- Е116 Габаритный фонарь сзади справа
- Е117 Габаритный фонарь сзади слева
- Е118 Задний габаритный фонарь справа
- Е119 Задний габаритный фонарь слева
- F117 Предохранитель стояночного заднего габаритного фонаря слева
- F118 Предохранитель стояночного заднего габаритного фонаря справа
- G101 Аккумуляторная батарея 2
- К116 Реле стояночного заднего габаритного фонаря
- Х395 Штекерное соединение Габаритный фонарь и плафон кабины слева и справа
- Х1540 Штекерное соединение Рама I
- Х1544 Штекерное соединение Рама III
- Х1545 Штекерное соединение Передняя часть слева
- Х1550 Штекерное соединение Передняя часть справа
- Х1557 Штекерное соединение Рама слева
- Х1586 Штекерное соединение Соединение штепсельной розетки прицепа 1
- 1 Боковые габаритные фонари слева
- 2 Боковые габаритные фонари справа
Указание
Место установки Х1586 на седельном автомобиле — Е8!
Лист 15 из 22
- А100 Центральная электрическая сеть
- А187 Фара слева
- А188 Фара справа
- А302 Центральный компьютер 2
- А407 Приборная панель
- Е110 Ближний свет справа
- Е111 Ближний свет слева
- Е112 Дальний свет справа
- Е113 Дальний свет слева
- Е478 Дневной свет фар справа
- Е479 Дневной свет фар слева
- Н129 Контрольная лампа дальнего света
- R109 Регулировочный потенциометр корректора угла наклона фар
- S108 Переключатель на рулевой колонке (указатель поворота, стеклоочиститель и фары)
- Х1545 Штекерное соединение Передняя часть слева
- Х1550 Штекерное соединение Передняя часть справа
- Х1642 Точка массы кабины сзади приборной панели
- Х1644 Точка массы кабины рядом с центральной электрической сетью
- Х1967 Штекерное соединение 1-й универсальный переключатель на рулевой колонке 1 для фар
Лист 16 из 22
- А100 Центральная электрическая сеть
- А189 Задний габаритный фонарь слева
- А190 Задний габаритный фонарь справа
- А302 Центральный компьютер 2
- А438 Блок фонарей справа
- А439 Блок фонарей слева
- Е122 Противотуманная фара справа
- Е123 Противотуманная фара слева
- Е124 Задний противотуманный фонарь справа
- Е125 Задний противотуманный фонарь слева
- Е194 Фара дальнего света справа
- Е195 Фара дальнего света слева
- Е480 Сигнал поворота справа
- Е481 Сигнал поворота слева
- Х1544 Штекерное соединение Рама III
- Х1545 Штекерное соединение Передняя часть слева
- Х1550 Штекерное соединение Передняя часть справа
- Х1642 Точка массы кабины сзади приборной панели
- Х1644 Точка массы кабины рядом с центральной электрической сетью
Лист 17 из 22
- А100 Центральная электрическая сеть
- А189 Задний габаритный фонарь слева
- А190 Задний габаритный фонарь справа
- А302 Центральный компьютер 2
- А402 Блок управления EBS
- А403 Автомобильный компьютер
- А407 Приборная панель
- В337 Тормозной датчик EBS
- В369 Электрический выключатель контрольной лампы стояночного тормоза
- Е102 Фара заднего хода справа
- Е103 Фара заднего хода слева
- F314 Предохранитель фары заднего хода
- G101 Аккумуляторная батарея 2
- Н112 Стоп-сигнал справа
- Н113 Стоп-сигнал слева
- Н117 Контрольная лампа стояночного тормоза
- Х1540 Штекерное соединение Рама I
- Х1544 Штекерное соединение Рама III
- Х1586 Штекерное соединение Соединение штепсельной розетки прицепа 1
- Х1587 Штекерное соединение Соединение штепсельной розетки прицепа 2
- Х1627 Штекерное соединение Фара заднего хода
- Х1834 Обжимное соединение провода 71300
- Х2497 Штекерное соединение Распределитель провода 16109
- Х4259 Адаптер зуммера заднего хода в заднем фонаре
- 1 Выключатель передачи заднего хода
Указание
Место установки Х1586 и Х1587 на седельном автомобиле — Е8!
Лист 18 из 22
- А100 Центральная электрическая сеть
- А302 Центральный компьютер 2
- А407 Приборная панель
- А451 Дверной модуль слева
- А452 Дверной модуль справа
- А465 Дверной замок слева
- А466 Дверной замок справа
- Е127 Светильник салона слева
- Е128 Светильник салона справа
- Е268 Освещение подножки справа
- Е269 Освещение подножки слева
- F125 Предохранитель вспомогательного освещения
- F128 Предохранитель постоянных потребителей
- R106 Потенциометр подсветки приборной панели
- Х395 Штекерное соединение Габаритный фонарь и плафон кабины слева и справа
- Х1546 Штекерное соединение Дверь справа
- Х1547 Штекерное соединение Дверь слева
- Х1557 Штекерное соединение Рама слева
- Х1569 Штекерное соединение Освещение багажника
- Х1570 Штекерное соединение Освещение багажника
- Х1836 Обжимное соединение провода 58000
- Х2542 21-контактный распределитель потенциалов провода 58000
- Х2543 21-контактный распределитель потенциалов провода 30006
- Х4646 Распределитель потенциалов провода 58300
- 1 Дверной модуль
- 2 Клемма 58, приглушенный свет
Лист 19 из 22
- А100 Центральная электрическая сеть
- А187 Фара слева
- А188 Фара справа
- А189 Задний габаритный фонарь слева
- А190 Задний габаритный фонарь справа
- А302 Центральный компьютер 2
- А407 Приборная панель
- Н119 Контрольная лампа указателя поворота прицепа
- Н120 Указатель поворота спереди справа
- Н121 Указатель поворота спереди слева
- Н122 Указатель поворота сзади справа
- Н123 Указатель поворота сзади слева
- Н124 Указатель поворота сбоку справа
- Н125 Указатель поворота сбоку слева
- Н380 Контрольная лампа указателя поворота тягача справа
- Н381 Контрольная лампа указателя поворота тягача слева
- 5108 Переключатель на рулевой колонке (указатель поворота, стеклоочиститель и фары)
- 5109 Переключатель аварийной световой сигнализации
- Х1540 Штекерное соединение Рама I
- Х1544 Штекерное соединение Рама III
- Х1545 Штекерное соединение Передняя часть слева
- Х1550 Штекерное соединение Передняя часть справа
- Х1586 Штекерное соединение Соединение штепсельной розетки прицепа 1
- Х1967 Штекерное соединение 1-й универсальный переключатель на рулевой колонке
Указание
Место установки Х1586 на седельном автомобиле — Е8!
Лист 20 из 22
- А100 Центральная электрическая сеть
- А302 Центральный компьютер 2
- G101 Аккумуляторная батарея 2
- 5580 Кнопка пуска двигателя (блок МР)
- 5581 Кнопка остановки двигателя (блок МР)
- Х327 Штекерное соединение с электромагнитными клапанами на раме
- Х637 Штекерное соединение Блокировка дифференциала заднего моста
- Х1540 Штекерное соединение Рама I
- Х1544 Штекерное соединение Рама III
- Х1551 Штекерное соединение Двигатель/ЕБС/коробка передач II
- Х1557 Штекерное соединение Рама слева
- Х1586 Штекерное соединение Соединение штепсельной розетки прицепа 1
- Х1587 Штекерное соединение Соединение штепсельной розетки прицепа 2
- 1 Электромагнитный клапан блокировки межколесного дифференциала заднего моста
- 2 Выключатель для индикации блокировки межколесного дифференциала
- 3 Электромагнитный клапан блокировки межколесного дифференциала заднего моста
- 4 Контрольная лампа блокировки межколесного дифференциала заднего моста
- 5 Контрольная лампа блокировки межосевого дифференциала
- 6 Электромагнитный клапан блокировки межосевого дифференциала
- 7 Электромагнитный клапан коробки отбора мощности I
- 8 Линия передачи данных
- 9 Электропитание прицепа (предохранитель переполнения)
- 10 Управление задним или передним поддерживающим мостом прицепа
- 11 Реле давления контроля стояночного тормоза прицепа
- 12 Контрольная лампа индикатора износа тормоза прицепа
Указание
Место установки Х1586 и Х1587 на седельном автомобиле — Е8!
Лист 21 из 22
- А100 Центральная электрическая сеть
- А302 Центральный компьютер 2
- А403 Автомобильный компьютер
- Х1553 Штекерное соединение Двигатель/ЕОС/коробка передач III
- Х1559 Штекерное соединение Двигатель/ЕОС/коробка передач IV
- Х1562 Штекерное соединение Коробка передач
- Х1948 Штекерное соединение Двигатель/коробка передач
- Х1972 Штекерное соединение Педальный механизм снаружи
- Х1983 Шпилька Мб (коробка МР)
- 1 Выключатель передачи заднего хода
- 2 Датчик хода сцепления
- 3 Нейтральное положение коробки передач
- 4 Частота вращения на входе коробки передач
- 5 Выключатель передачи заднего хода
- 6 Модуль управления коробкой передач
- 7 Диагностика AS-Tronic
- 8 Модуль управления коробкой передач
- 9 Модуль управления коробкой передач
Лист 22 из 22
- А100 Центральная электрическая сеть
- А302 Центральный компьютер 2
- Х1553 Штекерное соединение Двигатель/ЕОС/коробка передач 111
- Х1559 Штекерное соединение Двигатель/ЕРС/коробка передач IV
- Х1951 Штекерное соединение Двигатель/коробка передач
- Х1983 Шпилька Мб (коробка МР)
- Х3462 Штекерное соединение Двигатель — коробка отбора мощности
- 1 Электромагнитный клапан ресивера
- 2 Датчик температуры интардера
- 3 Клапан пропорционального регулирования интардера
- 4 Электромагнитный клапан ресивера/датчик фактического давления
- 5 Контрольная лампа коробки отбора мощности I
- 6 Контрольная лампа коробки отбора мощности II
СХЕМЫ СОЕДИНЕНИЙ ДОПОЛНИТЕЛЬНОГО ОБОРУДОВАНИЯ
Лист 1 из 1
- А Розетка прицепа N 24 В 7-контактная
- А100 Центральная электрическая сеть
- А302 Центральный компьютер 2
- G101 Аккумуляторная батарея 2
- ХЗЗО Розетка N 24 В
- Х1540 Штепсельный разъем Рама I
- Х1586 Штепсельный разъем Соединение штепсельной розетки прицепа 1
Указание
Место установки Х1586 у задней стенки Е8!
Лист 1 из 1
- А Розетка прицепа N 24 В 7-контактная
- В Розетка прицепа S 24 В 7-контактная
- А100 Центральная электрическая сеть
- А302 Центральный компьютер 2
- G101 Аккумуляторная батарея 2
- Х329 Розетка S 24 В
- ХЗЗО Розетка N 24 В
- Х1540 Штекерное соединение Рама I
- Х1586 Штекерное соединение Соединение штепсельной розетки прицепа 1
- Х1587 Штекерное соединение Соединение штепсельной розетки прицепа 2
Указание
Место установки Х1586 и Х1587 на седельном автомобиле — Е8!
Лист 1 из 1
- А Контрольная лампа ASR
- А100 Центральная электрическая сеть
- А302 Центральный компьютер 2
- А407 Приборная панель
- Н140 Контрольная лампа информации по ASR/ESP
Указание
Основное оборудование, см. схему соединений EBS!
Лист 1 из 1
- А Клавишный выключатель порогов проскальзывания антипробуксовочной системы
- А100 Центральная электрическая сеть
- А302 Центральный компьютер 2
- А402 Блок управления EBS
- S256 Клавиша повышения порога проскальзывания ASR или ASR/ESP
- Х2541 21-контактный распределитель потенциалов провода 31000
- Х4732 Распределитель потенциалов провода 16000 освещения переключателя
Лист 1 из 1
- А Выключатель аккумуляторной батареи, механический
- А100 Центральная электрическая сеть
- А302 Центральный компьютер 2
- G100 Аккумуляторная батарея 1
- М100 Стартер
- S149 Прерыватель + аккумуляторной батареи
Лист 1 из 1
- А Блокировка межосевого и межколесного дифференциала заднего моста
- А100 Центральная электрическая сеть
- А302 Центральный компьютер 2
- А407 Приборная панель
- G101 Аккумуляторная батарея 2
- Н398 Контрольная лампа блокировки межколесного дифференциала заднего моста
- Н407 Контрольная лампа блокировки межосевого дифференциала заднего моста
- 5185 Выключатель индикации блокировки межколесного дифференциала заднего моста
- 5186 Выключатель индикации блокировки межколесного дифференциала 2-го заднего моста
- 5187 Выключатель блокировки межколесного дифференциала заднего моста
- S212 Выключатель блокировки межосевого дифференциала
- S254 Выключатель индикации блокировки межосевого дифференциала заднего моста
- Х327 Штекерное соединение с электромагнитным клапаном на раме
- Х637 Штекерное соединение Блокировка дифференциала заднего моста
- Х1544 Штекерное соединение Рама III
- Х1557 Штекерное соединение Рама слева
- Х2541 21-контактный распределитель потенциалов провода 31000
- Х4732 Распределитель потенциалов провода 16000 освещения переключателя
- Y145 Электромагнитный клапан блокировки межколесного дифференциала заднего моста
- Y150 Электромагнитный клапан блокировки межосевого дифференциала
Лист 1 из 1
- А Блокировка межколесного дифференциала заднего моста
- А100 Центральная электрическая сеть
- А302 Центральный компьютер 2
- А407 Приборная панель
- G101 Аккумуляторная батарея 2
- Н398 Контрольная лампа блокировки межколесного дифференциала заднего моста
- S185 Выключатель индикации блокировки межколесного дифференциала заднего моста
- S187 Выключатель блокировки межколесного дифференциала заднего моста
- Х327 Штекерное соединение с электромагнитным клапаном на раме
- Х637 Штекерное соединение Блокировка дифференциала заднего моста
- Х1544 Штекерное соединение Рама III
- Х1557 Штекерное соединение Рама слева
- Х2541 21-контактный распределитель потенциалов провода 31000
- Х4732 Распределитель потенциалов провода 16000 освещения переключателя
- Y145 Электромагнитный клапан блокировки межколесного дифференциала заднего моста
Лист 1 из 3
- А Модуль регулировки давления переднего моста слева
- В Модуль регулировки давления переднего моста справа
- С Модуль регулировки давления заднего моста
- А100 Центральная электрическая сеть
- А302 Центральный компьютер 2
- А402 Блок управления EBS
- В119 Датчик частоты вращения переднего моста слева
- В120 Датчик частоты вращения переднего моста справа
- В121 Датчик частоты вращения ведущего моста слева
- В122 Датчик частоты вращения ведущего моста справа
- В332 Датчик износа тормозной накладки переднего моста справа
- ВЗЗЗ Датчик износа тормозной накладки переднего моста слева
- В334 Датчик износа тормозной накладки ведущего моста справа
- В335 Датчик износа тормозной накладки ведущего моста слева
- В337 Тормозной датчик EBS
- Х1548 Штекерное соединение Рама IV
- Х1557 Штекерное соединение Рама слева
- Х3630 Жгут проводов переходника датчика износа тормозной накладки ведущего моста
- Y262 Модуль регулировки давления переднего моста справа
- Y263 Модуль регулировки давления переднего моста слева
- Y264 Модуль регулировки давления заднего моста
Лист 2 из 3
- А Розетка прицепа
- В Контрольные лампы
- А100 Центральная электрическая сеть
- А302 Центральный компьютер 2
- А402 Блок управления EBS
- А407 Приборная панель
- F160 Предохранитель EBS/ABS электропитания прицепа
- G101 Аккумуляторная батарея 2
- Н107 ABS тягача/прицепа
- Н140 Контрольная лампа информации по ASR
- Н151 Контрольная лампа информации по ABS прицепа
- Н415 Контрольная лампа устойчивости автомобиля
- Х317 Розетка прицепа ABS
- Х1542 Штекерное соединение Рама II
- Х1548 Штекерное соединение Рама IV
Лист 3 из 3
- А Электропитание
- В Модуль управления прицепом
- С Пороги проскальзывания антипробуксовочной системы
- А100 Центральная электрическая сеть
- А302 Центральный компьютер 2
- А402 Блок управления EBS
- F161 Предохранитель EBS (ABS), электропитание клапана регулирования давления
- F162 Предохранитель блока управления EBS (ABS)
- S256 Клавиша повышения порога проскальзывания ASR или ASR/ESP
- Х1540 Штекерное соединение Рама I
- Х1548 Штекерное соединение Рама IV
- Х1644 Точка массы кабины рядом с центральной электрической сетью
- Х2541 21-контактный распределитель потенциалов провода 31000
- Х4664 Штекерное соединение ASR
- Х4732 Распределитель потенциалов провода 16000 освещения переключателя
- Y278 Модуль управления прицепом
Указание
*Распознавание отсоединения штекера: Пружина короткозамыкателя зафиксирована посредством Х1/15 отсека блока управления в подсоединенном состоянии. В неподсоединенном состоянии контакты
Х1/12 и Х1/18 замкнуты накоротко!
Лист 1 из 4
- А Модуль регулировки давления переднего моста слева
- В Модуль регулировки давления переднего моста справа
- С Тормозной датчик
- А100 Центральная электрическая сеть
- А302 Центральный компьютер 2
- А402 Блок управления EBS
- В119 Датчик частоты вращения переднего моста слева
- В120 Датчик частоты вращения переднего моста справа
- В332 Датчик износа тормозной накладки переднего моста справа
- ВЗЗЗ Датчик износа тормозной накладки переднего моста слева
- В337 Тормозной датчик EBS
- Х1548 Штекерное соединение Рама IV
- Х1557 Штекерное соединение Рама слева
- Y262 Модуль регулировки давления переднего моста справа
- Y263 Модуль регулировки давления переднего моста слева
Лист 2 из 4
- А Модуль регулировки давления заднего моста
- А100 Центральная электрическая сеть
- А302 Центральный компьютер 2
- А402 Блок управления EBS
- В121 Датчик частоты вращения ведущего моста слева
- В122 Датчик частоты вращения ведущего моста справа
- В334 Датчик износа тормозной накладки ведущего моста справа
- В335 Датчик износа тормозной накладки ведущего моста слева
- В529 Датчик износа тормозной накладки дополнительного моста справа
- В530 Датчик износа тормозной накладки дополнительного моста слева
- Х1548 Штекерное соединение Рама IV
- Х3630 Жгут проводов переходника датчика износа тормозной накладки ведущего моста
- Х3672 Жгут проводов переходника датчика износа тормозной накладки дополнительного моста
- Y264 Модуль регулировки давления заднего моста
Лист 3 из 4
- А Розетка прицепа
- В Контрольные лампы
- А100 Центральная электрическая сеть
- А302 Центральный компьютер 2
- А402 Блок управления EBS
- А407 Приборная панель
- F160 Предохранитель EBS (ABS), электропитание прицепа
- G101 Аккумуляторная батарея 2
- Н107 ABS тягача/прицепа
- Н140 Контрольная лампа информации по ASR
- Н151 Контрольная лампа информации по ABS прицепа
- Н415 Контрольная лампа устойчивости автомобиля
- Х317 Розетка прицепа ABS
- Х1542 Штекерное соединение Рама II
- Х1548 Штекерное соединение Рама IV
Лист 4 из 4
- А Электропитание
- В Модуль управления прицепом
- С Пороги проскальзывания антипробуксовочной системы
- А100 Центральная электрическая сеть
- А302 Центральный компьютер 2
- А402 Блок управления EBS
- F161 Предохранитель EBS (ABS), электропитание клапана регулирования давления
- F162 Предохранитель блока управления EBS (ABS)
- S256 Клавиша повышения порога проскальзывания ASR или ASR/ESP
- Х1540 Штекерное соединение Рама I
- Х1548 Штекерное соединение Рама IV
- Х1644 Точка массы кабины рядом с центральной электрической сетью
- Х2541 21-контактный распределитель потенциалов провода 31000
- Х4664 Штекерное соединение ASR
- Х4732 Распределитель потенциалов провода 16000 освещения переключателя
- Y278 Модуль управления прицепом
Указание
*Распознавание отсоединения штекера: Пружина короткозамыкателя зафиксирована посредством Х1/15 отсека блока управления в подсоединенном состоянии. В неподсоединенном состоянии контакты
Х1/12 и Х1/18 замкнуты накоротко!
Лист 1 из 2
- А Электропитание
- В Пульт ДУ
- С Контрольная лампа
- А100 Центральная электрическая сеть
- А143 Блок управления ECAS
- А221 Пульт flyECAS
- А302 Центральный компьютер 2
- А407 Приборная панель
- F164 Предохранитель ECAS (клемма 30)
- F375 Предохранитель кабины снаружи (клемма 15)
- Н394 Контрольная лампа ECAS неисправности/предупреждения
- Х770 Штекерное соединение ECAS, уровень подвески II
- Х1644 Точка массы кабины рядом с центральной электрической сетью
Лист 2 из 2
- А Датчики перемещения
- В Датчики давления
- С Электромагнитные клапаны
- А100 Центральная электрическая сеть
- А143 Блок управления ECAS
- А302 Центральный компьютер 2
- В129 Датчик перемещения заднего моста слева
- В130 Датчик перемещения заднего моста справа
- Х1945 Штекерное соединение ECAS/CDC
- Y132 Клапанный блок ECAS
Лист 1 из 2
- А Электропитание
- В Пульт ДУ
- С Контрольная лампа
- А100 Центральная электрическая сеть
- А143 Блок управления ECAS
- А221 Пульт ДУ ECAS
- А302 Центральный компьютер 2
- А407 Приборная панель
- F164 Предохранитель ECAS (клемма 30)
- F375 Предохранитель кабины снаружи (клемма 15)
- Н394 Контрольная лампа ECAS неисправности/предупреждения
- Х770 Штекерное соединение ECAS, уровень подвески II
- Х1644 Точка массы кабины рядом с центральной электрической сетью
Лист 2 из 2
- А Датчики перемещения
- В Датчики давления
- С Электромагнитные клапаны
- А100 Центральная электрическая сеть
- А143 Блок управления ECAS
- А302 Центральный компьютер 2
- В130 Датчик перемещения заднего моста справа
- Х1945 Штекерное соединение ECAS/CDC
- Y132 Клапанный блок ECAS
Лист 1 из 2
- А Кнопка
- В Пульт ДУ
- А100 Центральная электрическая сеть
- А143 Блок управления ECAS
- А221 Пульт ДУ ECAS
- А302 Центральный компьютер 2
- А407 Приборная панель
- F164 Предохранитель ECAS (клемма 30)
- F375 Предохранитель кабины снаружи (клемма 15)
- Н394 Контрольная лампа ECAS неисправности/предупреждения
- S267 Кнопка ECAS системы поддержки при трогании с места
- S954 Кнопка ECAS, подъем/опускание заднего поддерживающего/переднего поддерживающего моста
- Х770 Штекерное соединение ECAS, уровень подвески II
- Х1644 Точка массы кабины рядом с центральной электрической сетью
- Х4732 Распределитель потенциалов провода 16000 освещения переключателя
Лист 2 из 2
- А Датчики перемещения
- В Датчики давления
- С Электромагнитные клапаны
- А100 Центральная электрическая сеть
- А143 Блок управления ECAS
- А302 Центральный компьютер 2
- В129 Датчик перемещения заднего моста слева
- В130 Датчик перемещения заднего моста справа
- В610 Датчик давления заднего моста слева
- Х1945 Штекерное соединение ECAS/CDC
- Y161 Блок электромагнитных клапанов ECAS заднего моста (II = заднего/переднего поддерживающих мостов)
- 1 Маркировочная насадка „1“ на штекере Y 161/61
- 2 Маркировочная насадка „2“ на штекере Y161/62
Лист 1 из 3
- А Датчик магистрального давления
- В Клапан пропорционального регулирования топлива
- С Цилиндр рециркуляции отработанных газов
- D Цилиндры 1+2
- Е Цилиндры 3+4
- F Цилиндры 5+6
- А100 Центральная электрическая сеть
- А302 Центральный компьютер 2
- А435 Блок управления EDC
- В487 Датчик давления магистрали
- Y280 Цилиндр рециркуляции отработанных газов
- Y332 Клапан пропорционального регулирования топлива
- Y341 Инжектор 1-го цилиндра
- Y342 Инжектор 2-го цилиндра
- Y343 Инжектор 3-го цилиндра
- Y344 Инжектор 4-го цилиндра
- Y345 Инжектор 5-го цилиндра
- Y346 Инжектор 6-го цилиндра
Лист 2 из 3
- А Датчик температуры воды
- В Коленчатый вал
- С Распределительный вал
- D Датчик давления топлива
- Е Датчик температуры воздуха
- F Датчик давления наддува
- G Датчик давления масла
- А100 Центральная электрическая сеть
- А302 Центральный компьютер 2
- А435 Блок управления EDC
- В104 Датчик давления масла
- В123 Датчик температуры наддувочного воздуха EDC/СПГ
- В124 Датчик температуры охлаждающей жидкости
- В125 Датчик давления наддувочного воздуха
- В377 Датчик давления топлива
- В488 Инкрементный датчик частоты вращения
- В489 Сегментный датчик частоты вращения
Лист 3 из 3
- А Шина данных M-CAN
- В Диагностика
- С Точка массы блока
- D Электропитание
- А100 Центральная электрическая сеть
- А302 Центральный компьютер 2
- А403 Автомобильный компьютер
- А407 Приборная панель
- А435 Блок управления EDC
- F163 Предохранитель регулировки двигателя (клемма 30)
- F236 Предохранитель регулировки двигателя (клемма 15)
- F355 Главный предохранитель (клемма 30-2)
- Н109 Контрольная лампа давления масла
- Н296 Контрольная лампа EDC (сбой)
- Н374 Контрольная лампа загрязнения воздушного фильтра
- Х1559 Штекерное соединение Двигатель/ЕОС/коробка передач IV
- Х1906 Шпилька Мб (коробка МР)
- Х1907 Шпилька Мб (коробка МР)
- Х2544 Распределитель потенциалов 21-контактного К-провода
- Х3381 Шпилька (блок МР)
Лист 1 из 4
- А Датчик магистрального давления
- В Регулируемая рециркуляция отработанных газов
- С Цилиндры 1+2
- D Цилиндры 3+4
- Е Цилиндры 5+6
- А100 Центральная электрическая сеть
- А302 Центральный компьютер 2
- А435 Блок управления EDC
- В487 Датчик давления магистрали
- В673 Датчик перемещения цилиндра E-AGR
- Y341 Инжектор 1-го цилиндра
- Y342 Инжектор 2-го цилиндра
- Y343 Инжектор 3-го цилиндра
- Y344 Инжектор 4-го цилиндра
- Y345 Инжектор 5-го цилиндра
- Y346 Инжектор 6-го цилиндра
- Y458 Клапан пропорционального регулирования E-AGR
- Y460 Отключающий клапан — E-AGR/регулируемый EVB
Лист 2 из 4
- А Датчик температуры воды
- В Коленчатый вал
- С Распределительный вал
- D Датчик давления топлива
- Е Клапан пропорционального регулирования топлива
- F Датчик температуры воздуха
- G Давление наддува/датчик температуры
- Н Датчик давления масла
- А100 Центральная электрическая сеть
- А302 Центральный компьютер 2
- А435 Блок управления EDC
- В104 Датчик давления масла
- В123 Датчик температуры наддувочного воздуха EDC/СПГ
- В124 Датчик температуры охлаждающей жидкости
- В377 Датчик давления топлива
- В488 Инкрементный датчик частоты вращения
- В489 Сегментный датчик частоты вращения
- В623 Давление наддува/датчик температуры
- Y332 Клапан пропорционального регулирования топлива
Лист 3 из 4
- А Шина данных M-CAN
- В Шина данных CAN-HD OBD
- С Диагностика
- D Точка массы блока
- Е Электропитание
- А100 Центральная электрическая сеть
- А302 Центральный компьютер 2
- А403 Автомобильный компьютер
- А435 Блок управления EDC
- F163 Предохранитель регулировки двигателя (клемма 30)
- F236 Предохранитель регулировки двигателя (клемма 15)
- F355 Главный предохранитель (клемма 30-2)
- Х1559 Штекерное соединение Двигатель/ЕОС/коробка передач IV
- Х1906 Шпилька Мб (коробка МР)
- Х1907 Шпилька Мб (коробка МР)
- Х2544 Распределитель потенциалов 21-контактного К-провода
- Х3381 Шпилька (блок МР)
Лист 4 из 4
- А Датчик температуры отработанных газов 1
- В Датчик относител ьного давления отработанны х газов
- А100 Центральная электрическая сеть
- А302 Центральны й компьютер 2
- А407 Приборная панель
- А435 Блок управления EDC
- В561 Д атчик тем пературы отработанных газов 1 (перед ф ильтром)
- В683 Д атчик относительного давления отработанных газов
- Н109 Контрольная лам па давления масла
- Н296 Контрольная лам па EDC (сбой)
- Н374 Контрольная лам па загрязнения воздуш ного фильтра
Лист 1 из 1
- А Электропитание
- В Сенсорный выключатель передней панели
- С Деблокирующий выключатель
- D Кнопки опрокидывания
- Е Насос опрокидывания
- А100 Центральная электрическая сеть
- А302 Центральны й компьютер 2
- В693 Сенсорный выключатель передней панели
- F190 Предохранитель устройства опрокиды вания кабины
- К415 Реле устройства опрокидывания кабины
- М137 Насос устройства опрокидывания кабины
- S375 Кнопка вклю чения устройства опрокидывания кабины
- Х1644 Точка массы кабины рядом с центральной электрической сетью
- Х1842 Штекерное соединение Устройство опрокидывания кабины
- Х4858 Штекерное соединение Датчики передней панели
Лист 1 из 1
- А Отрегулированный моторный тормоз/EVB
- В Кнопочный выключатель тормоза-замедлителя без многофункционального рулевого колеса
- С Кнопочны й вы клю чатель то рм оза-зам едлителя при наличии многофункционального рулевого колеса
- А100 Центральная электрическая сеть
- А302 Центральны й компьютер 2
- А402 Устройство управления EBS
- А403 Компью тер для управления автомобилем
- А407 Приборное оборудование
- А437 Сенсорны й переключатель тормоза-замедлителя
- А942 Переклю чатель на рулевой колонке ретардера/коробки передач
- Н145 Контрольная лампа ретардера
- Х1557 Штепсельный разъем Рама слева
- Х1904 Резьбовая шпилька Мб (блок МР)
- Х1969 Штепсельный разъем Выключатель моторного тормоза
- Х2408 Штепсельный разъем модуль EVB
- Х3385 Штепсельны й разъем М оторны й тормоз/EVB
- Х4397 Штепсельны й разъем М ультиф ункциональное рулевое колесо
- Y281 Электром агнитны й клапан моторного тормоза/EVB
- Y355 Модуль EVB
Лист 1 из 1
- A FFR
- В EBS
- С ZB R
- D Адаптер дополнительного оборудования
- Е Нагрузочный резистор
- А100 Центральная электрическая сеть
- А302 Центральны й компьютер 2
- А402 Устройство управления EBS
- А403 Компьютер для управления автомобилем
- R155 Нагрузочный резистор T-CAN
- Х1559 Штепсельны й разъем Двигатель/ЕDС /коробка передач IV
- Х1948 Штепсельный разъем Двигатель/коробка передач
- Х4669 Адаптер дополнительного оборудования
Указание
На автомобилях с системой ТРМ нагрузочны й резистор шины T-CAN установлен на раме в модуле ТРМ!
Лист 1 из 1
- А Стеклоподъемник, консоль коробки передач для двери слева
- В Стеклоподъемник, консоль коробки передач для двери справа
- А100 Центральная электрическая сеть
- А302 Центральный компьютер 2
- S526 Кнопка стеклоподъем ника справа
- S527 Кнопка стеклоподъем ника слева
- Х1733 Штекерное соединение Выключатель стеклоподъемника
- 1 См. схему соединений дверного модуля
Лист 1 из 2
- А Передний делитель, задний делитель
- А100 Центральная электрическая сеть
- А302 Центральны й компьютер 2
- А403 Автомобильный компьютер
- А407 Приборная панель
- Н195 Контрольная лампа переднего делителя
- Н377 Контрольная лампа заднего делителя
- S477 Переключатель рычага управления коробкой передач
- Х1553 Штекерное соединение Двигатель/ЕDС/коробка передач III
- Х1562 Штекерное соединение Коробка передач
- Х1604 Штекерное соединение Переключатель в кнопке вклю чения
- Х1948 Штекерное соединение Двигатель/коробка передач
- Х1972 Штекерное соединение Педальный механизм снаружи
- Y307 Электромагнитный клапан группы делителя и заднего делителя
- Y308 Усилитель привода сцепления
Лист 2 из 2
- А Датчик хода сцепления
- В Частота вращения на входе в коробку передач
- С Нейтральное положение коробки передач
- D Соединение T-CAN
- Е Выключатель передачи заднего хода
- F Щуп уровня жидкости в системе сцепления
- А100 Центральная электрическая сеть
- А302 Центральный компьютер 2
- А403 Автомобильны й компьютер
- В362 Датчик хода сцепления
- В368 Индукционный датчик частоты вращения на входе в коробку передач
- В434 Щуп уровня жидкости в системе сцепления
- F314 Предохранитель фары заднего хода
- S104 Выключатель передачи заднего хода
- S172 Переключатель нейтрального положения коробки передач
- Х1553 Штекерное соединение Двигатель/EDC/коробка передач III
- Х1559 Штекерное соединение Двигатель/ЕDС/коробка передач IV
- Х1562 Штекерное соединение Коробка передач
- Х1627 Штекерное соединение Фары заднего хода
- Х1948 Штекерное соединение Двигатель/коробка передач
- Х1972 Штекерное соединение Педальный механизм снаружи
- Х1983 Шпилька Мб (коробка МР)
Лист 1 из 2
- А Передний делитель, задний делитель
- А100 Центральная электрическая сеть
- А302 Центральный компьютер 2
- А403 Компьютер для управления автомобилем
- А407 Приборное оборудование
- Н195 Контрольная лампа переднего делителя
- Н377 Контрольная лампа заднего делителя
- S477 Переключатель рычага управления коробкой передач
- Х1553 Штепсельный разъем Двигатель/EDC/коробка передач III
- Х1562 Штепсельный разъем КПП
- Х1604 Штепсельный разъем Переключатель в кнопке включения
- Х1948 Штепсельный разъем Двигатель/коробка передач
- Х1972 Штепсельный разъем Педальный механизм снаружи
- Y307 Электромагнитный клапан группы делителя и заднего делителя
- Y308 Усилитель привода сцепления
Лист 2 из 2
- А датчик хода сцепления
- В Частота вращ ения на входе в коробку передач
- С Нейтральное положение коробки передач
- D Соединение T-CAN
- Е Щуп уровня жидкости в системе сцепления
- F Настройка фонаря заднего хода
- G Выключатель передачи заднего хода
- А100 Центральная электрическая сеть
- А302 Центральный компьютер 2
- А403 Компьютер для управления автомобилем
- В362 датчик хода сцепления
- В368 Индукционный датчик частоты вращения на входе в коробку передач
- В434 Щуп уровня жидкости в системе сцепления
- F314 Предохранитель фары заднего хода
- К250 Реле фар заднего хода
- S104 Выключатель передачи заднего хода
- S172 Переключатель нейтрального положения коробки передач
- Х1553 Штепсельный разъем Двигатель/ЕDС/коробка передач III
- Х1559 Штепсельный разъем Двигатель/ЕDС/коробка передач IV
- Х1562 Штепсельный разъем КПП
- Х1627 Штепсельный разъем Фары заднего хода
- Х1644 Точка массы кабины рядом с электрической бортовой сетью
- Х1948 Штепсельный разъем Двигатель/коробка передач
- Х1972 Штепсельный разъем Педальный механизм снаружи
- Х1983 Резьбовая шпилька Мб (блок МР)
Лист 1 из 1
- А Индикация ремня
- А100 Центральная электрическая сеть
- А302 Центральный компьютер 2
- А407 Приборная панель
- Н177 Контрольная лампа ремня безопасности
- S252 Переклю чатель в замке ремня безопасности водителя
- Х600 Штекерное соединение Индикация ремня водителя/среднего сиденья
- Х2541 21-контактны й распределитель потенциалов провода 31000
Лист 1 из 1
- А Прицеп
- А100 Центральная электрическая сеть
- А302 Центральный компьютер 2
- А372 Распределительная коробка прицепа 24В
- F229 Предохранитель прицепа 24В
- G100 Аккум уляторная батарея 1
- G101 Аккум уляторная батарея 2
- К319 Реле прицепа 24В
- Х100 П одклю чение к массе двигателя
- Х805 Штекерное соединение для прицепа 24 В
- Х806 Штекерное соединение для прицепа 24 В
- Х807 Штекерное соединение для прицепа 24 В
- Х808 Штепсельная розетка прицепа 24В
- Х4643 Распределитель потенциалов провода 59104
Указание
Место установки Х 808 для задней стенки Е8!
Лист 1 из 1
- A I-CAN
- А100 Центральная электрическая сеть
- А302 Центральный компьютер 2
- А407 Приборная панель
- А408 Тахоспидограф
- F398 Предохранитель приборной панели, тахоспидограф (клемма 15)
- Х1535 Штекерное соединение Тахоспидограф
- Х1644 Точка массы кабины рядом с центральной электрической сетью
Лист 1 из 1
- A I-CAN
- А100 Центральная электрическая сеть
- А302 Центральный компьютер 2
- А407 Приборная панель
- А408 Тахоспидограф
- F398 Предохранитель приборной панели, тахоспидограф (клемма 15)
- Х1535 Штекерное соединение Тахоспидограф
- Х1644 Точка массы кабины рядом с центральной электрической сетью
Лист 1 из 1
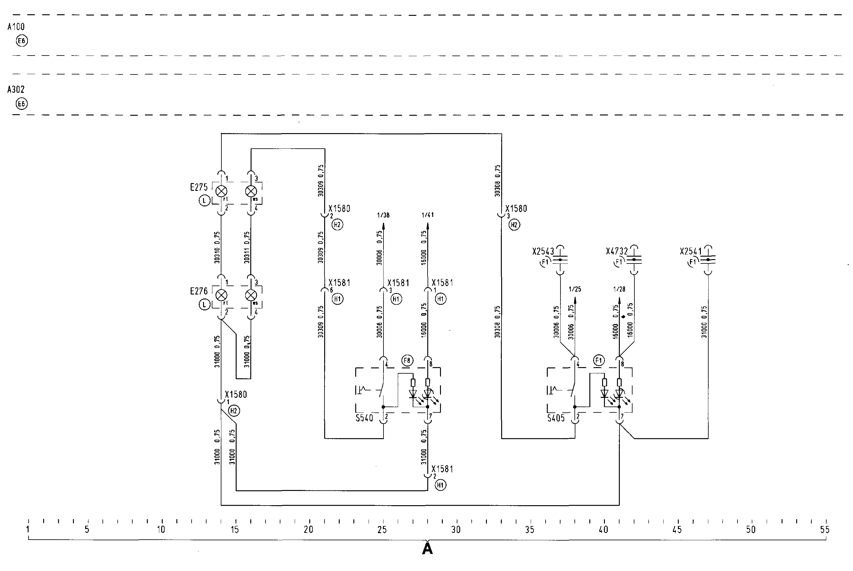
- А Внутреннее освещение на панели крыши, белый/красный
- А100 Центральная электрическая сеть
- А302 Центральный компьютер 2
- Е275 Плафон кабины на панели крыши, белый/красный
- Е276 Плафон кабины на панели крыши, белый/красный
- S405 Выключатель внутреннего освещения, красный
- S540 Выключатель внутреннего освещения, белый
- Х1580 Штекерное соединение Внутреннее освещение
- Х1581 Штекерное соединение Выключатель внутреннего освещения
- Х2541 21-контактный распределитель потенциалов провода 31000
- Х2543 21-контактный распределитель потенциалов провода 30006
- Х4732 Распределитель потенциалов провода 16000 освещения переключателя
Лист 1 из 1
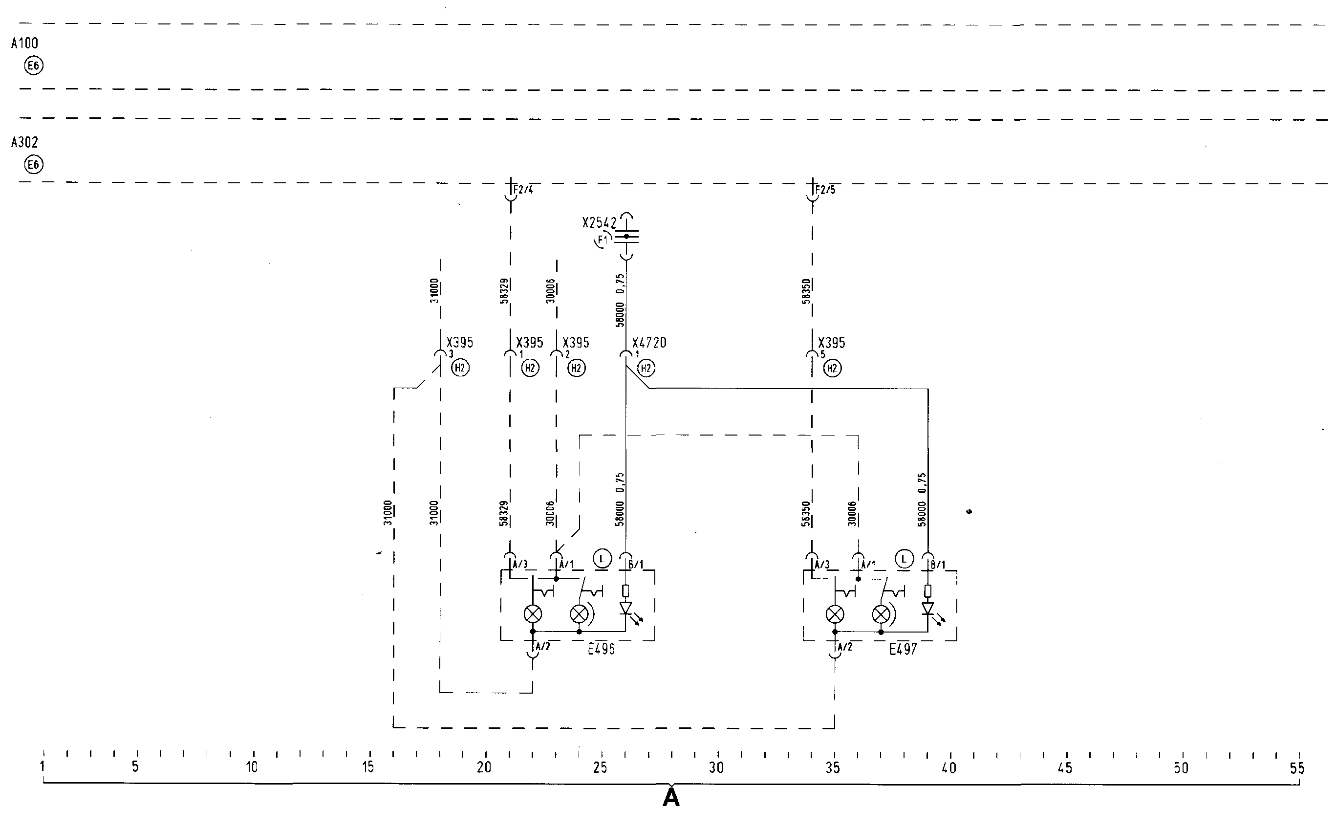
- А Светильники салона дневного освещения
- А100 Центральная электрическая сеть
- А302 Центральны й компьютер 2
- Е496 Светильник салона/дневное освещение слева
- Е497 Светильник салона/дневное освещение справа
- Х395 Штекерное соединение Габаритный фонарь и плафон кабины слева и справа
- Х2542 21 -контактный распределитель потенциалов провода 58000
- Х4720 Штекерное соединение Светильник салона/дневное освещение
Лист 1 из 1
- А Сенсорный переключатель тормоза-замедлителя без MFL
- В Сенсорный переключатель тормоза-замедлителя с MFL
- С Датчик температуры
- D Электромагнитный клапан
- Е Диагностика
- F Электропитание
- А100 Центральная электрическая сеть
- А144 Блок управления ретардером
- А302 Центральный компьютер 2
- А403 Автомобильный компьютер
- А407 Приборная панель
- А437 Сенсорный переключатель тормоза-замедлителя
- А942 Переключатель на рулевой колонке ретардера/коробки передач
- В134 Датчик температуры ретардера (охлаждающей жидкости)
- F152 Предохранитель ретардера (клемма 15)
- F374 Предохранитель ретардера (клемма 30)
- Н145 Контрольная лампа ретардера
- Х1553 Штекерное соединение Двигатель/ЕDС/коробка передач III
- Х1559 Штекерное соединение Двигатель/ЕDС/коробка передач IV
- Х1644 Точка массы кабины рядом с центральной электрической сетью
- Х1951 Штекерное соединение Двигатель/коробка передач (блок МР)
- Х1969 Штекерное соединение Выключатель моторного тормоза
- Х2544 Распределитель потенциалов 21-контактного К-провода
- Х4397 Штекерное соединение Мультифункциональное рулевое колесо
- Y133 Клапан пропорционального регулирования ретардера
- Y134 Электромагнитный клапан ресивера
- 1 Автом обильный компьютер
- 2 Заземление на массу
Лист 1 из 1
- А Контрольная лампа цифрового спидографа
- А100 Центральная электрическая сеть
- А302 Центральный компьютер 2
- А407 Приборная панель
- А950 Цифровой спидограф
- Н358 Контрольная лампа цифрового спидографа
Лист 1 из 1
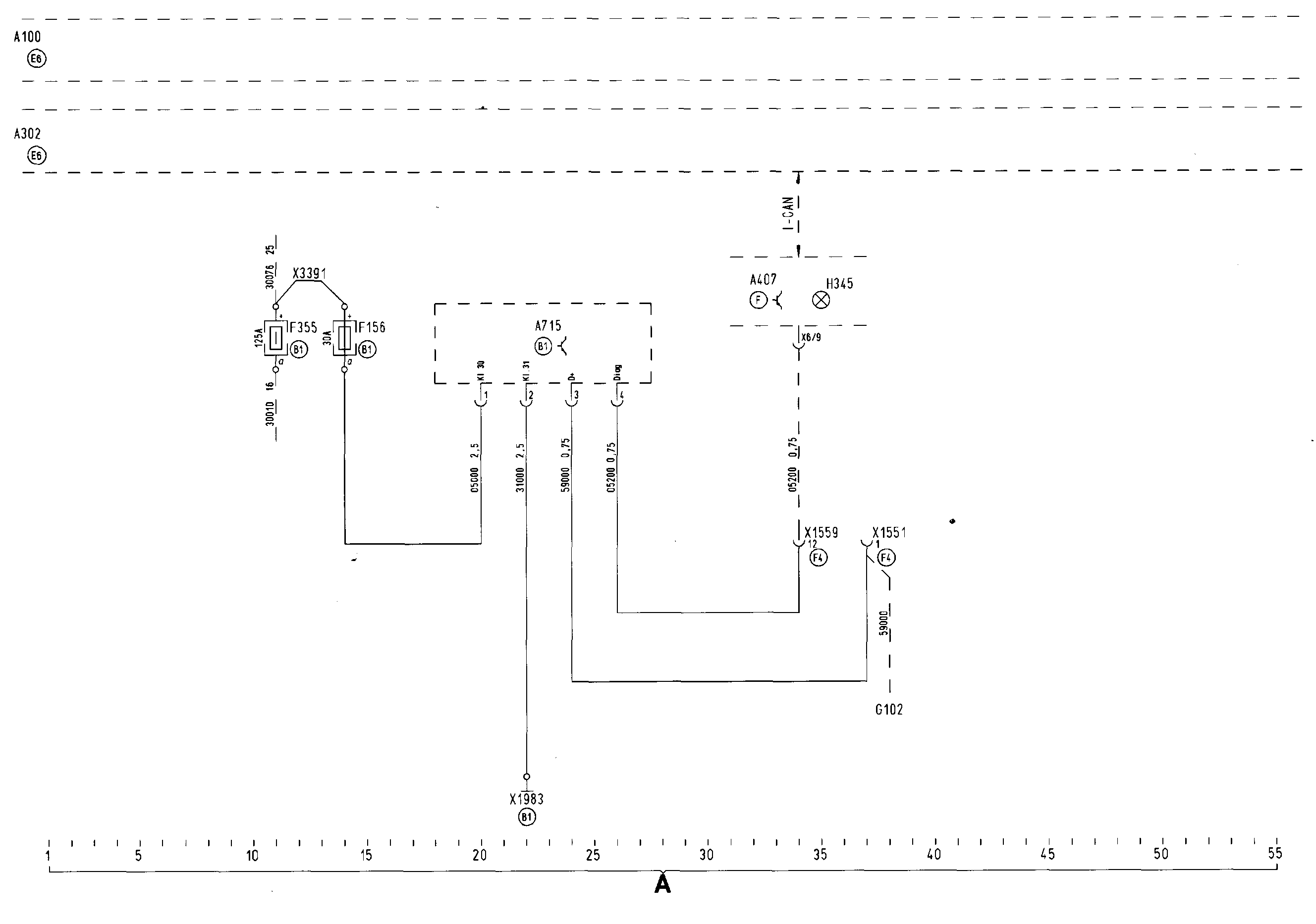
- А Система обогрева топливного фильтра
- А100 Центральная электрическая сеть
- А302 Центральны й ком пью тер 2
- А407 Приборная панель
- А715 Система обогрева топливного фильтра — РТС
- F156 Предохранитель системы обогрева топливного фильтра
- F355 Главный предохранитель 30-2
- Н345 Контрольная лампа системы обогрева топливного фильтра
- Х1551 Штекерное соединение Двигатель/ЕDС/коробка передач II
- Х1559 Штекерное соединение Двигатель/ЕDС/коробка передач IV
- Х1983 Шпилька Мб (коробка МР)
- Х3391 Провод перемычки 30076 (блок МР)
Лист 1 из 1
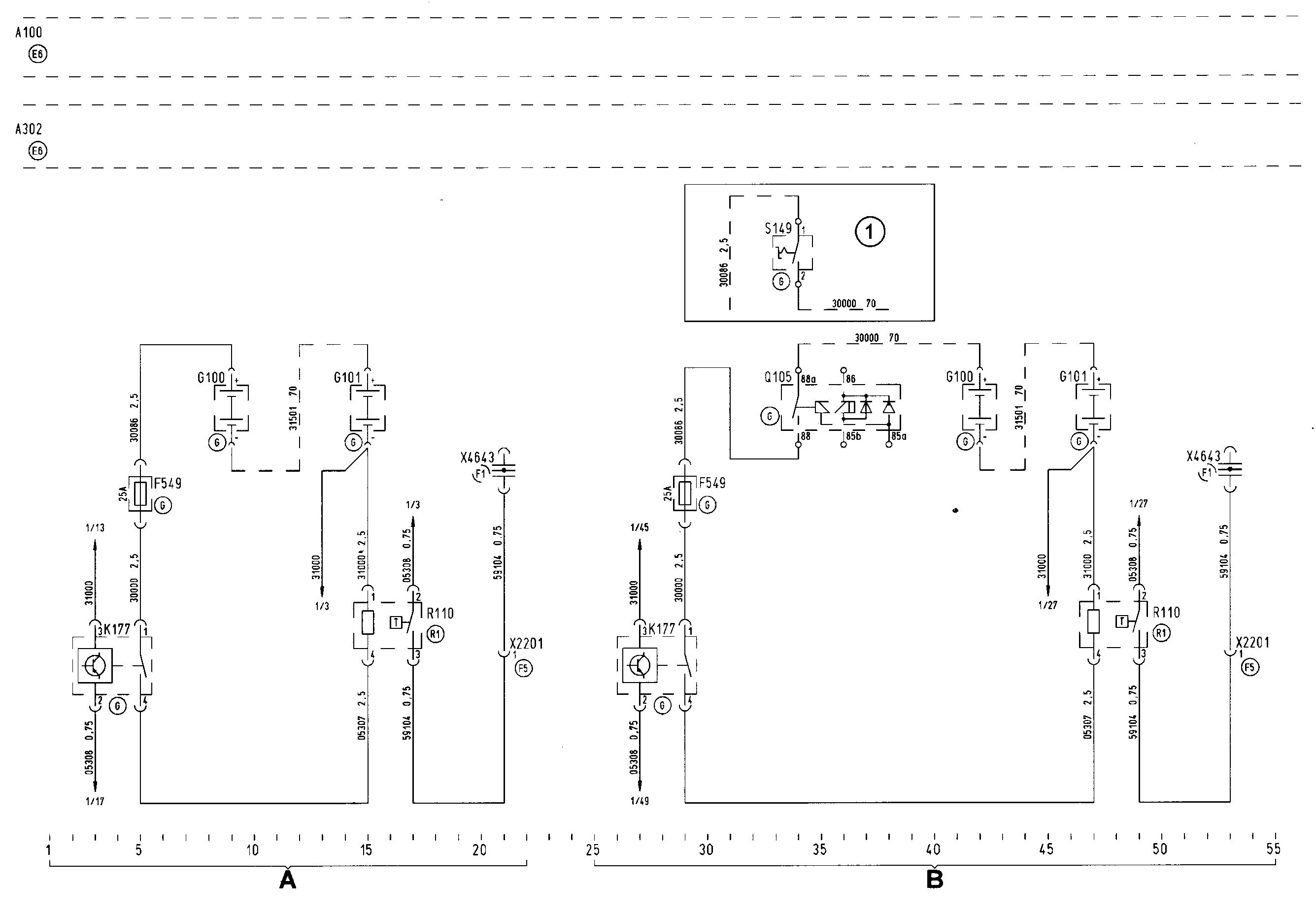
- А Система обогрева топливного фильтра Separ
- В Система обогрева топливного фильтра Separ с электрическим и механическим основным выключателем аккумуляторной батареи
- А100 Центральная электрическая сеть
- А302 Центральны й компьютер 2
- F549 Предохранитель провода 30000
- G100 Аккумуляторная батарея 1
- G101 Аккумуляторная батарея 2
- К177 Реле системы обогрева топливного фильтра
- Q105 Прерыватель + аккумуляторной батареи
- R110 Система обогрева топливного фильтра 1
- S149 Прерыватель + аккумуляторной батареи
- Х2201 Штекерное соединение Система обогрева топливного фильтра Separ
- Х4643 Распределитель потенциалов провода 59104 c механическим основным выключателем аккумуляторной батареи
Лист 1 из 2
- А Интерфейс ZDR (FFR)
- В Интерфейс ZDR (KSM )
- С Диагностика
- D Электропитание
- А100 Центральная электрическая сеть
- А302 Центральны й компьютер 2
- А312 Заказной модуль управления
- F428 Предохранитель KSM (клемма 15)
- F429 Предохранитель KSM (клемма 30)
- Х1644 Точка массы кабины рядом с центральной электрической сетью
- Х1996 Штекерное соединение Интерфейс ZDR (FFR)
- Х1997 Штекерное соединение Интерфейс ZDR (KSM )
- Х2544 Распределитель потенциалов 21-контактного К-провода
Лист 2 из 2
- А Интерфейс ZDR (KSM )
- В Объем подготовки сигнала перемещения/скорости кузова
- А100 Центральная электрическая сеть
- А302 Центральный компьютер 2
- А312 Заказной модуль управления
- А408 Тахоспидограф
- В110 Импульсный датчик тахоспидографа
- Х1428 Штекерное соединение Импульс хода кузова
- Х1536 Штекерное соединение Тахоспидограф
- Х1537 Штекерное соединение Тахометрический датчик
- Х1627 Штекерное соединение Фары заднего хода
- Х1644 Точка массы кабины рядом с центральной электрической сетью
- Х3311 Штекерное соединение Интерфейс 2 ZDR (KSM)
- Х4366 Штекерное соединение Импульсный датчик тахоспидографа
- Х4643 Распределитель потенциалов провода 59104
- Х4659 Штекерное соединение Сигнал V провода 16500
- Х4660 Штекерное соединение Провод 16507, 4 импульса на метр
- Х4663 Штекерное соединение Адаптер сигнала V провода 16514
- 1 Коробка отбора мощ ности от двигателя, установленная перед коробкой передач (NMV)
- 2 Автоматическая коробка передач
Лист 1 из 1
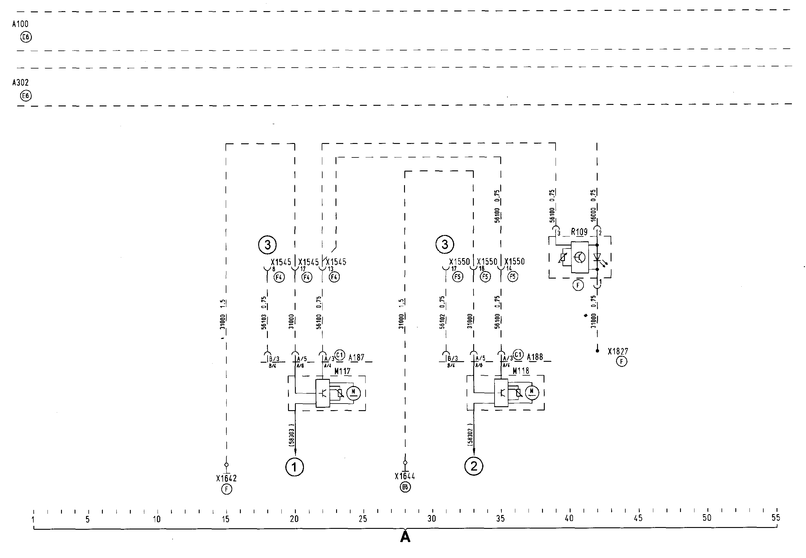
- А Корректор угла наклона фар
- А100 Центральная электрическая сеть
- А187 Фара слева
- А188 Фара справа
- А302 Центральны й компьютер 2
- М117 Серводвигатель корректора угла наклона фар слева
- М118 Серводвигатель корректора угла наклона фар справа
- R109 Регулировочный потенциометр корректора угла наклона фар
- Х1545 Штекерное соединение Передняя часть слева
- Х1550 Штекерное соединение Передняя часть справа
- Х1642 Точка массы кабины сзади приборной панели
- Х1644 Точка массы кабины рядом с центральной электрической сетью
- Х1827 Обжимное соединение провода 31000
- 1 Стояночный свет слева
- 2 Стояночный свет справа
- 3 для фар
Лист 1 из 1
- А100 Центральная электрическая сеть
- А302 Центральный компьютер 2
- А403 Автомобильны й компьютер
- А968 Муфта вентилятора с датчиком частоты вращения
- Х1551 Штекерное соединение Двигатель/ЕDС/коробка передач II
- Х1562 Штекерное соединение Коробка передач
- Х1904 Шпилька Мб (коробка МР)
Лист 1 из 1
- А Моторный тормоз
- А100 Центральная электрическая сеть
- А302 Центральный компьютер 2
- А403 Автомобильный компьютер
- Х1557 Штекерное соединение Рама слева
- Х3385 Штекерное соединение Моторный тормоз/EVB
- Y281 Электромагнитный клапан моторного тормоза/EVB
Лист 1 из 1
- А Автоматический моторный тормоз
- А100 Центральная электрическая сеть
- А302 Центральный компьютер 2
- А403 Автомобильны й компьютер
- S943 Кнопка моторного тормоза
Указание
Кнопку моторного тормоза S943 вставляют на цоколь выключателя S1133!
Лист 1 из 1
- А100 Центральная электрическая сеть
- А302 Центральны й компьютер 2
- А403 Автомобильный компьютер
- А437 Сенсорный переключатель тормоза-замедлителя
- А942 Переключатель на рулевой колонке ретардера/коробки передач
- Х4397 Штекерное соединение Мультифункциональное рулевое колесо
- 1 А407/Х1/15
- 2 FFR (клем м а 15)
- 3 Заземление на массу
Указание
При наличии циф рового выключателя моторного тормоза А942 (переклю чатель на рулевой колонке ретардера/коробки передач) не входит в серийное оснащ ение!
Лист 1 из 1
- А Переключатель сигнала поворота
- В Противотуманные фары
- С Дополнительный дальний свет
- D Сигнал поворота
- А100 Центральная электрическая сеть
- А302 Центральный компьютер 2
- А407 Приборная панель
- А438 Блок фонарей справа
- А439 Блок фонарей слева
- Е122 Противотуманная фара справа
- Е123 Противотуманная фара слева
- Е194 Фара дальнего света справа
- Е195 Фара дальнего света слева
- Е480 Сигнал поворота справа
- Е481 Сигнал поворота слева
- S1112 Переключатель сигнала поворота с задним противотуманным фонарем
- Х1545 Штекерное соединение Передняя часть слева
- Х1550 Штекерное соединение Передняя часть справа
- Х1642 Точка массы кабины сзади приборной панели
- Х1644 Точка массы кабины рядом с центральной электрической сетью
Лист 1 из 1
- А Автоматический Pritarder/интардер
- А100 Центральная электрическая сеть
- А302 Центральный компьютер 2
- А403 Автомобильный компьютер
- S1133 Кнопка тормоза-замедлителя
Лист 1 из 1
- А Аудиосистема Basicline
- А100 Центральная электрическая сеть
- А302 Центральный компьютер 2
- А407 Приборная панель
- А408 Тахоспидограф
- А564 Аудиосистема с проигрывателем компакт-дисков
- В687 Высокочастотный громкоговоритель слева
- В688 Высокочастотный громкоговоритель справа
- В689 Широкополосный громкоговоритель слева
- В690 Широкополосный громкоговоритель справа
- F600 Предохранитель аудиосистемы (клемма 15)
- Q101 Замок рулевого колеса
- W177 Универсальная антенна, аудиосистема, сеть D/E, GPS
- Х1546 Штекерное соединение Дверь справа
- Х1547 Штекерное соединение Дверь слева
- Х1627 Штекерное соединение Фары заднего хода
- Х1644 Точка массы кабины рядом с центральной электрической сетью
- Х1863 Штекерное соединение Громкоговоритель
- Х1864 Штекерное соединение Громкоговоритель-
- Х1974 Штекерное соединение для активной антенны
- Х4366 Штекерное соединение Импульсный распределитель — тахоспидограф
- Х4646 Потенциометр, провод 58300
- Х4660 Штекерное соединение Провод 16507, 4 импульса на метр
- Х4674 Штекерное соединение H-CAN/сигнал отключения звука
- Х4829 Штекерное соединение Замок зажигания (клемма R)
Указание
При оснащении автомобиля телефоном/мобильным телефоном широкополосный громкоговоритель В690 заменяют на В691!
Лист 1 из 2
- А Аудиосистема Topline
- А100 Центральная электрическая сеть
- А302 Центральный компьютер 2
- А407 Приборная панель
- А564 Аудиосистема с проигрывателем компакт-дисков
- В687 Высокочастотный громкоговоритель слева
- В688 Высокочастотный громкоговоритель справа
- В689 Широкополосный громкоговоритель слева
- В690 Широкополосный громкоговоритель справа
- F600 Предохранитель аудиосистемы (клемма 30)
- Q101 Замок рулевого колеса
- Т119 Модульный трансформатор
- Х1546 Штекерное соединение Дверь справа
- Х1547 Штекерное соединение Дверь слева
- Х1627 Штекерное соединение Фары заднего хода
- Х1644 Точка массы кабины рядом с центральной электрической сетью
- Х1863 Штекерное соединение Громкоговоритель
- Х1864 Штекерное соединение Громкоговоритель
- Х4646 Распределитель потенциалов провода 58300
- Х4674 Штекерное соединение H-CAN/сигнал отключения звука
- Х4744 Адаптер 12 В для чейнджера компакт-дисков
- Х4745 Штекерное соединение ТВМ — навигационное устройство
- Х4829 Штекерное соединение Замок зажигания (клемма R)
Указание
При оснащении автомобиля телефоном/мобильным телефоном широкополосный громкоговоритель В690 заменяют на В691!
Провод в оболочке от А564 к Х4745 в устройстве А564 должен быть обозначен красной изоляционной лентой!
Указание
Провод в оболочке от А564 к Х4745 в устройстве А564 должен быть обозначен красной изоляционной лентой!
Лист 2 из 2
- А Аудиосистема Topline
- В Сабвуфер
- А100 Центральная электрическая сеть
- А302 Центральный компьютер 2
- А408 Тахоспидограф
- А564 Аудиосистема с проигрывателем компакт-дисков
- В685 Низкочастотный громкоговоритель слева
- В686 Низкочастотный громкоговоритель справа
- В986 Сабвуфер 1
- W177 Универсальная антенна, аудиосистема, сеть D/E, GPS
- Х1546 Штекерное соединение Дверь справа
- Х1547 Штекерное соединение Дверь слева
- Х1644 Точка массы кабины рядом с центральной электрической сетью
- Х1974 Штекерное соединение для активной антенны
- Х4366 Штекерное соединение Импульсный распределитель — тахоспидограф
- Х4660 Штекерное соединение Провод 16507, 4 импульса на метр
- Х4671 Штекерное соединение Сабвуфер
Лист 1 из 1
- А Нижний светильник спального места в кабине
- А100 Центральная электрическая сеть
- А302 Центральный компьютер 2
- Е274 Нижний светильник спального места в кабине
- Х1573 Штекерное соединение Нижний светильник спального места в кабине
- Х2541 21-контактный распределитель потенциалов провода 31000
- Х2543 21-контактный распределитель потенциалов провода 30006
Лист 1 из 1
- А Боковые габаритные фонари слева
- В Боковые габаритные фонари справа
- А100 Центральная электрическая сеть
- А302 Центральный компьютер 2
- Е210 1-й боковой габаритный фонарь справа
- Е211 1-й боковой габаритный фонарь слева
- Е212 2-й боковой габаритный фонарь справа
- Е213 2-й боковой габаритный фонарь слева
- Е.. Другие боковые габаритные фонари без обозначения
- Е... Крайние боковые габаритные фонари без обозначения
- G101 Аккумуляторная батарея 2
- Х100 Точка массы двигателя
- Х1169 Тройное соединение для 1-го бокового габаритного фонаря справа
- Х1170 Тройное соединение для 1-го бокового габаритного фонаря слева
- Х1171 Тройное соединение для 2-го бокового габаритного фонаря справа
- Х1172 Тройное соединение для 2-го бокового габаритного фонаря слева
- Х1544 Штекерное соединение Рама III
- Х1557 Штекерное соединение Рама слева
- X.. Другие соединения без обозначения
Указание
Соответствующая нумерация и количество боковых габаритных фонарей зависит от отдельных типов, колесной базы и свесов автомобиля!
Лист 1 из 1
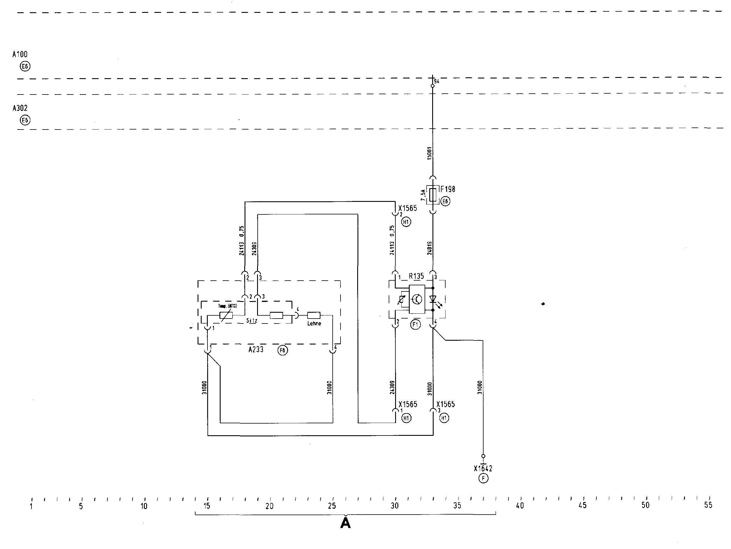
- А Подогрев сиденья водителя
- А100 Центральная электрическая сеть
- А233 Сиденье со стороны водителя
- А302 Центральный компьютер 2
- F198 Предохранитель подогрева сидений
- R135 Потенциометр подогрева сиденья водителя
- Х1565 Штекерное соединение Подогрев сидений
- Х1642 Точка массы кабины сзади приборной панели
Лист 1 из 1
- А Трансформатор 12 В
- А100 Центральная электрическая сеть
- А302 Центральный компьютер 2
- F216 Предохранитель трансформатора 12 В
- Т119 Модульный трансформатор
- Х723 Розетка 12 В
- Х1644 Точка массы кабины рядом с центральной электрической сетью
- Х4645 Распределитель потенциалов провода 16000
Лист 1 из 1
- А Устройство ПУСКА-ОСТАНОВКИ на двигателе
- А100 Центральная электрическая сеть
- А302 Центральный компьютер 2
- А403 Автомобильный компьютер
- А435 Блок управления EDC
- В493 Наружный нажимной выключатель стояночного тормоза — переключатель пуска-остановки
- К266 Реле стояночного тормоза при пуске-остановке
- Q101 Замок рулевого колеса
- 5580 Кнопка пуска двигателя (блок МР)
- 5581 Кнопка остановки двигателя (блок МР)
- Х669 Штекерное соединение Блокировка стартера
- Х1551 Штекерное соединение Двигатель/ЕОС/коробка передач II
- Х1966 Штекерное соединение Замок зажигания
- Х2334 Штекерное соединение Устройство пуска-остановки
- Х2541 21-контактный распределитель потенциалов провода 31000
- Х4644 Распределитель потенциалов провода 60028
- 1 Иммобилайзер
- 2 Нейтральное положение коробки передач
- 3 Клемма 50 стартера
Лист 1 из 1
- А Освещение багажника сзади слева
- А100 Центральная электрическая сеть
- А302 Центральный компьютер 2
- Е281 Освещение багажника внизу
- Х1569 Штекерное соединение Освещение багажника
- Х1827 Обжимное соединение провода 31000
Лист 1 из 1
- А Освещение багажника сзади справа
- А100 Центральная электрическая сеть
- А302 Центральный компьютер 2
- Е280 Освещение багажника внизу
- Х1570 Штекерное соединение Освещение багажника
- Х1829 Обжимное соединение провода 31000
Лист 1 из 1
- А Освещение багажника вверху (слева, посередине)
- А100 Центральная электрическая сеть
- А302 Центральный компьютер 2
- Е277 Освещение багажника вверху
- Е279 Освещение багажника вверху
- Х1568 Штекерное соединение Освещение багажника вверху
- Х2541 21-контактный распределитель потенциалов провода 31000
- Х2543 21-контактный распределитель потенциалов провода 30006
Лист 1 из 1
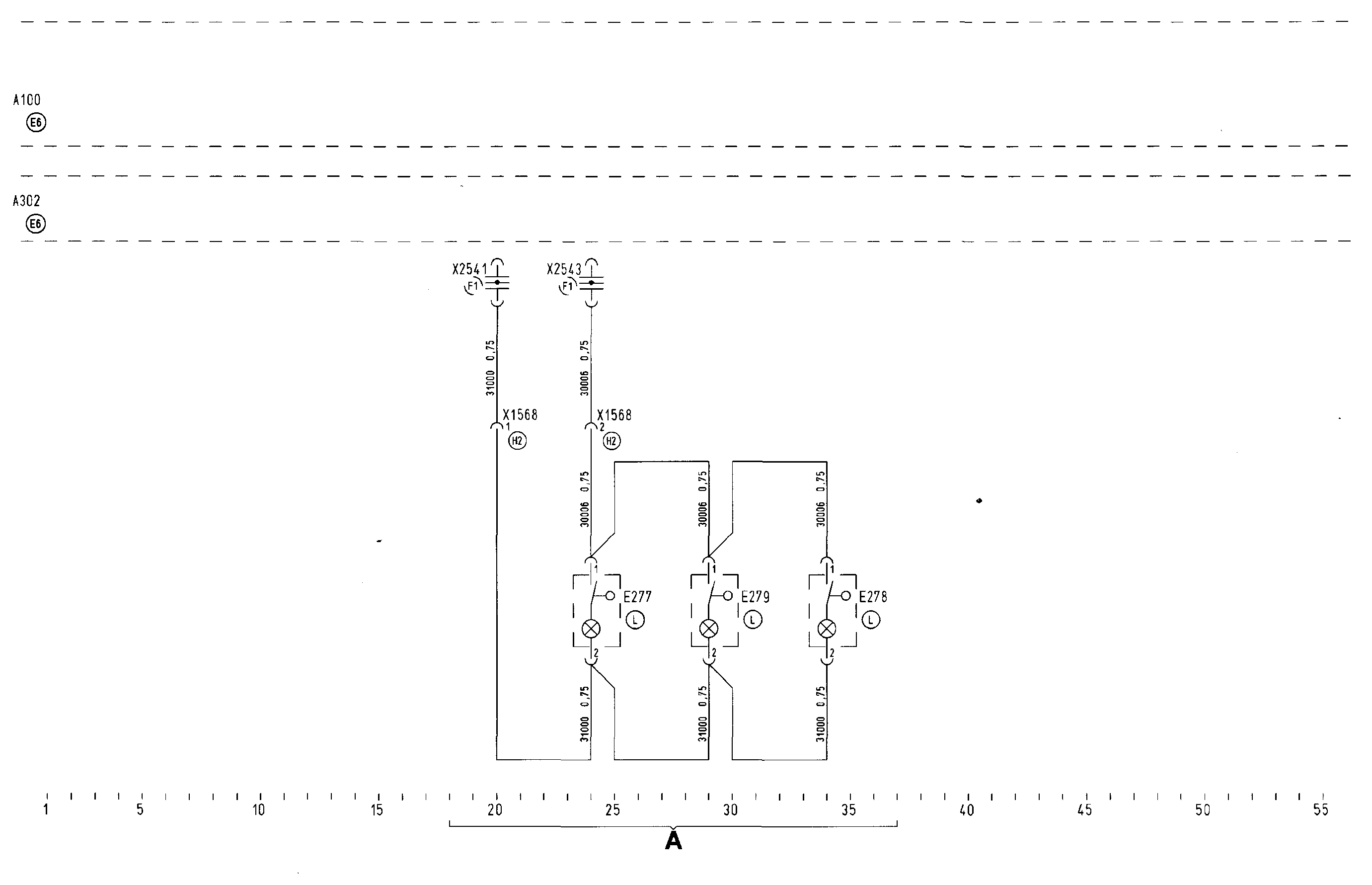
- А Освещение багажника вверху (слева, посередине, справа)
- А100 Центральная электрическая сеть
- А302 Центральный компьютер 2
- Е277 Освещение багажника вверху
- Е278 Освещение багажника вверху
- Е279 Освещение багажника вверху
- Х1568 Штекерное соединение Освещение багажника вверху
- Х2541 21-контактный распределитель потенциалов провода 31000
- Х2543 21-контактный распределитель потенциалов провода 30006
Лист 1 из 1
- А Розетка 12 В
- В Штепсельная розетка 24 В
- А100 Центральная электрическая сеть
- А302 Центральный компьютер 2
- F216 Предохранитель трансформатора 12 В
- F217 Предохранитель розетки 24 В
- Т119 Модульный трансформатор
- Х723 Розетка 12 В
- Х724 Штепсельная розетка 24 В
- Х1644 Точка массы кабины рядом с центральной электрической сетью
Лист 1 из 1
- А Контрольный переключатель тормоза со стопорным краном
- А100 Центральная электрическая сеть
- А302 Центральный компьютер 2
- А402 Устройство управления EBS
- S781 Переключатель для задействования тормоза со стопорным краном
- Х2541 Распределитель потенциалов 21-пол. кабель 31000
- Х3131 Штепсельный разъем Переключатель в тормозе со стопорным краном для задействования
Лист 1 из 1
- A FFR
- В EBS
- С ECAS
- D PriTarder
- Е ZBR
- F KSM
- G HVA
- Н АСС
- I RAS — ЕС/HP — коробка передач HP
- J Нагрузочный резистор
- А100 Центральная электрическая сеть
- А143 Блок управления ECAS
- А144 Блок управления ретардером
- А302 Центральный компьютер 2
- А312 Заказной модуль управления
- А402 Блок управления EBS
- А403 Автомобильный компьютер
- А479 Блок управления АСС
- А626 Блок управления гидростатического привода переднего моста
- R155 Нагрузочный резистор T-CAN
- Х1559 Штекерное соединение Двигатель/ЕОС/коробка передач IV
- Х1948 Штекерное соединение Двигатель/коробка передач
- Х2041 Штекерное соединение Адаптер AS-Tronic
- Х2484 Штекерное соединение Центральная стойка, RAS — ЕС/HP — коробка передач
- Х2505 Штекерное соединение CAN — RAS — EC/HP — коробка передач
- Х2514 Штекерное соединение CAN — RAS — EC/HP — коробка передач
- 1 Кабельное соединение для двигателя D2066
- 2 Кабельное соединение для двигателей D0836, D2866, D2876
Указание
На автомобилях с системой ТРМ нагрузочный резистор шины T-CAN установлен на раме в модуле ТРМ!
Лист 1 из 1
- A FFR
- В EBS
- С ECAS
- D ZBR
- Е Адаптер дополнительного оборудования
- F Нагрузочный резистор
- А100 Центральная электрическая сеть
- А143 Блок управления ECAS
- А302 Центральный компьютер 2
- А402 Блок управления EBS
- А403 Автомобильный компьютер
- R155 Нагрузочный резистор T-CAN
- Х1559 Штекерное соединение Двигатель/ЕРС/коробка передач IV
- Х1948 Штекерное соединение Двигатель/коробка передач
- Х2041 Штекерное соединение Адаптер AS-Tronic
- Х4669 Адаптер дополнительного оборудования
- 1 Кабельное соединение для двигателя D2066
- 2 Кабельное соединение для двигателей D0836, D2866, D2876
Указание
На автомобилях с системой ТРМ нагрузочный резистор шины T-CAN установлен на раме в модуле ТРМ!
Лист 1 из 1
- A FFR
- В EBS
- С ECAS
- D Интардер
- Е ZBR
- F Адаптер дополнительного оборудования
- G Нагрузочный резистор
- А100 Центральная электрическая сеть
- А143 Блок управления ECAS
- А144 Блок управления ретардером
- А302 Центральный компьютер 2
- А402 Блок управления EBS
- А403 Автомобильный компьютер
- R155 Нагрузочный резистор T-CAN
- Х1559 Штекерное соединение Двигатель/ЕОС/коробка передач IV
- Х1948 Штекерное соединение Двигатель/коробка передач
- Х2041 Штекерное соединение Адаптер AS-Tronic
- Х4669 Адаптер дополнительного оборудования
- Кабельное соединение для двигателя D2066
- Кабельное соединение для двигателей D0836, D2866, D2876
Указание
На автомобилях с системой ТРМ нагрузочный резистор шины T-CAN установлен на раме в модуле ТРМ!
Указание
Представленная на схеме соединений разводка контактов для блока управления А144 соответствует только интардеру EST 48!
Разводка контактов для ретардера Voith: CAN High: Х1/3; CAN Low: X1/1.
Лист 1 из 1
- A FFR
- В EBS
- С Интардер
- D ZBR
- Е Адаптер дополнительного оборудования
- F Нагрузочный резистор
- А100 Центральная электрическая сеть
- А144 Блок управления ретардером
- А302 Центральный компьютер 2
- А402 Блок управления EBS
- А403 Автомобильный компьютер
- R155 Нагрузочный резистор T-CAN
- Х1559 Штекерное соединение Двигатель/ЕОС/коробка передач IV
- Х1948 Штекерное соединение Двигатель/коробка передач
- Х2041 Штекерное соединение Адаптер AS-Tronic
- Х4669 Адаптер дополнительного оборудования
- 1 Кабельное соединение для двигателя D2066
- 2 Кабельное соединение для двигателей D0836, D2866, D2876
Указание
На автомобилях с системой ТРМ нагрузочный резистор шины T-CAN установлен на раме в модуле ТРМ!
Указание
Представленная на схеме соединений разводка контактов для блока управления А144 соответствует только интардеру EST 48!
Разводка контактов для ретардера Voith: CAN High: Х1/3; CAN Low: X1/1.
Лист 1 из 1
- A FFR
- В EBS
- С ZBR
- D KSM
- Е Нагрузочный резистор
- А100 Центральная электрическая сеть
- А302 Центральный компьютер 2
- А312 Заказной модуль управления
- А402 Блок управления EBS
- А403 Автомобильный компьютер
- R155 Нагрузочный резистор T-CAN
- Х1559 Штекерное соединение Двигатель/ЕОС/коробка передач IV
- Х1948 Штекерное соединение Двигатель/коробка передач
- Х4669 Адаптер дополнительного оборудования
Указание
На автомобилях с системой ТРМ нагрузочный резистор шины T-CAN установлен на раме в модуле ТРМ!
Лист 1 из 5
- А Центральный замок, дверь водителя
- В Стеклоподъемник, дверь водителя
- А100 Центральная электрическая сеть
- А302 Центральный компьютер 2
- А451 Дверной модуль слева
- А453 Стеклоподъемник слева
- А465 Дверной замок слева
- S519 Замочный переключатель слева
- Х1547 Штекерное соединение Дверь слева
- Х1733 Штекерное соединение Выключатель стеклоподъемника
Лист 2 из 5
- А Регулировка зеркапа/обогрев наружного зеркала, дверь водителя
- В Диагностика
- С Электропитание, дверь водителя
- D CAN
- А100 Центральная электрическая сеть
- А157 Основное зеркало слева
- А251 Панорамное зеркало слева
- А302 Центральный компьютер 2
- А451 Дверной модуль слева
- Х1547 Штекерное соединение Дверь слева
- Х1583 Штекерное соединение Основное и панорамное зеркало слева
- Х1585 Штекерное соединение Бордюрное зеркала слева
- Х2544 Распределитель потенциалов 21-контактного К-провода
- 1 Противоугонная сигнализация
Лист 3 из 5
- А Центральный замок, дверь пассажира
- В Стеклоподъемник, дверь пассажира
- А100 Центральная электрическая сеть
- А302 Центральный компьютер 2
- А452 Дверной модуль справа
- А454 Стеклоподъемник справа
- А466 Дверной замок справа
- S518 Замочный переключатель справа
- Х1546 Штекерное соединение Дверь справа
- Х1733 Штекерное соединение Выключатель стеклоподъемника
Лист 4 из 5
- А Регулировка зеркапа/обогрев наружного зеркала, дверь пассажира
- В Электропитание, дверь пассажира
- С Сдвижная панель крыши
- А100 Центральная электрическая сеть
- А156 Основное зеркало справа
- А252 Панорамное зеркало справа
- А302 Центральный компьютер 2
- А452 Дверной модуль справа
- Х147 Штекерное соединение Сдвижная панель крыши
- Х1546 Штекерное соединение Дверь справа
- Х1582 Штекерное соединение Основное и панорамное зеркало справа
- Х1584 Штекерное соединение Бордюрное зеркало справа
- Х4259 Адаптер зуммера заднего хода в заднем фонаре
- 1 Сдвижная панель крыши
Лист 5 из 5
- А Электропитание
- А100 Центральная электрическая сеть
- А302 Центральный компьютер 2
- F376 Предохранитель внутри кабины (клемма 15)
- F382 Предохранитель дверного модуля
- F383 Предохранитель дверного модуля
- Х1733 Штекерное соединение Выключатель стеклоподъемника
Лист 1 из 1
- А Подготовка блокировки межколесного дифференциала заднего моста
- А100 Центральная электрическая сеть
- А302 Центральный компьютер 2
- А407 Приборная панель
- Н398 Контрольная лампа блокировки межколесного дифференциала заднего моста
- S187 Выключатель блокировки межколесного дифференциала заднего моста
- Х1544 Штекерное соединение Рама III
- Х1557 Штекерное соединение Рама слева
- Х2541 21-контактный распределитель потенциалов провода 31000
- Х4732 Распределитель потенциалов провода 16000 освещения переключателя
Лист 1 из 1
- А Централизованная смазочная система
- А100 Центральная электрическая сеть
- А302 Центральный компьютер 2
- А407 Приборная панель
- Н116 Контрольная лампа централизованной смазочной системы
- М131 Насос централизованной смазочной системы
- S407 Кнопка дополнительной смазки
- Х718 Штекерное соединение Централизованная смазочная система кабины
- Х1644 Точка массы кабины рядом с центральной электрической сетью
- Х2541 21-контактный распределитель потенциалов провода 31000
- Х4732 Распределитель потенциалов провода 16000 освещения переключателя
Лист 1 из 1
- А Централизованная смазочная система
- A100 Центральная электрическая сеть
- А302 Центральный компьютер 2
- А407 Приборная панель
- Н116 Контрольная лампа централизованной смазочной системы
- М131 Насос централизованной смазочной системы
- S407 Кнопка дополнительной смазки
- Х718 Штекерное соединение Централизованная смазочная система кабины
- Х1644 Точка массы кабины рядом с центральной электрической сетью
- Х2541 21-контактный распределитель потенциалов провода 31000
- Х4732 Распределитель потенциалов провода 16000 освещения переключателя
ОПИСАНИЕ КОМПОНЕНТОВ
Поз. Компонент Наименование
- 1 F118 Предохранитель стояночного света/заднего габаритного огня справа
- 2 F117 Предохранитель стояночного света/заднего габаритного огня слева
- 3 F125 Предохранитель освещения приборов, выключателей и подсветки
- 4 F375 Внешний предохранитель кабины (клемма 15)
- 5 F372 Подача напряжения управляющего процессора автомобиля (клемма 15)
- 6 F164 Предохранитель ECAS (клемма 15)
- 7 F243 Предохранитель центрального бортового компьютера - постоянный плюс
- 8 Свободно
- 9 F412 Предохранитель тахоспидографа, приборов (клемма 30)
- 10 F152 Предохранитель тормоза-замедлителя (клемма 15)
- 11 F399 Предохранитель генератора (клемма 15)
- 12 F236 Предохранитель EDC (клемма 15)
- 13 F398 Предохранитель тахоспидографа, приборов (клемма 15)
- 14 F128 Предохранитель постоянных потребителей
- 15 F244 Предохранитель центрального бортового компьютера (клемма 30-1)
- 16 F245 Предохранитель центрального бортового компьютера (клемма 30-2)
- 17 F371 Подача напряжения управляющего процессора автомобиля (клемма 30)
- 18 F376 Внутренний предохранитель кабины (клемма 15)
- 19 F246 Предохранитель центрального бортового компьютера (клемма 15)
- 20 F314 Предохранитель фары заднего хода
- 21 F112 Предохранитель стеклоочистителя/стеклоомывателя лобового стекла
- 22 F374 Предохранитель встроенного тормоза-замедлителя/тормоза-замедлителя (клемма 30)
- 23 F106 Предохранитель электрофакельного устройства
- 24 F161 Предохранитель электропитания EBS/ABS - ограничительный клапан тормозного привода
- 25 F160 Предохранитель электропитания EBS/ABS прицепа
- 26 F162 Предохранитель - управление EBS/ABS
- 27 F366 Предохранитель ECAM/ECAS (клемма 15)
- 28 F397 Предохранитель обогрева спереди/кондиционера
- 29 Резервный предохранитель
- 30 Резервный предохранитель
- 31 Резервный предохранитель
- 32 Резервный предохранитель
- 33 Резервный предохранитель
- 34 Резервный предохранитель
- 35 Резервный предохранитель
- 36 Резервный предохранитель
- 37 Перемычка
- 38 Инструмент
- 39 К116 Реле стояночного света/заднего габаритного огня
- 40 К106 Реле импульса стеклоочистителя
- 41 К102 Реле электрофакельного устройства
- 42 К171 Реле потребителей (клемма 15)
ZE = Штекер центрального распределительного устройства (см. внутренняя коммутация центрального распределительного устройства)

- А302 Центральный бортовой компьютер
- А403 Автомобильный компьютер
- А407 Приборная панель
- А410 Педаль акселератора
- А429 Выключатель Tempomat
- А435 Блок управления EDC
- А437 Сенсорный переключатель тормоза-замедлителя
- В104 Датчик давления масла
- В123 Датчик температуры наддувочного воздуха
- В124 Датчик температуры охлаждающей жидкости
- В377 Датчик давления топлива
- В487 Датчик магистрального давления
- В488 Датчик частоты вращения коленчатого вала (инкрементный датчик частоты вращения)
- В489 Датчик частоты вращения распределительного вала (сегментный датчик частоты вращения)
- В623 Датчик давления нагнетания/датчик температуры
- В633 Датчик температуры отработанных газов 1 (перед смесителем Ad blue®)
- F163 Предохранитель, регулировка двигателя (кл. 30)
- F236 Предохранитель, регулировка двигателя (кл. 15)
- F355 Главный предохранитель 30-2
- Н296 Контрольная лампа EDC
- Н478 Неисправность контрольной лампы OBD MIL
- М100 Стартер
- Q101 Выключатель зажигания
- R134 Узел сопротивления
- R283 Сопротивление нагрузки HD-OBD-CAN
- Х200 Диагностическая розетка
- Х669 Штекерное соединение блокировки стартера
- Х1559 Штекерное соединение двигателя/ЕРС/коробки передач IV
- Х1966 Штекерное соединение замка зажигания
- Х2544 Распределитель потенциалов, 21-контактный К-провод
- Х2549 Штекерное соединение IMR (стартер)
- Х3381 Шпилька с резьбой по всей длине М5 (коробка МР)
- Y332 Блок дозирования ZME (клапан пропорционального регулирования топлива МРгор)
- Y341 Инжектор 1-го цилиндра
- Y342 Инжектор 2-го цилиндра
- Y343 Инжектор 3-го цилиндра
- Y344 Инжектор 4-го цилиндра
- Y345 Инжектор 5-го цилиндра
- Y346 Инжектор 6-го цилиндра
- Y460 Отключающий клапан сжатого воздуха
- ZDR Интерфейс промежуточного числа оборотов
* См. краткий обзор блока управления дозированием AdBlue® DCU15
- А302 Центральный бортовой компьютер
- А403 Автомобильный компьютер
- А407 Приборная панель
- А410 Педаль акселератора
- А429 Выключатель Tempomat
- А435 Блок управления EDC (Master)
- А437 Сенсорный переключатель тормоза-замедлителя
- А570 Блок управления EDC II (Slave)
- В104 Датчик давления масла
- В124 Датчик температуры охлаждающей жидкости
- В377 Датчик давления топлива
- В487 Датчик магистрального давления
- В488 Датчик частоты вращения коленчатого вала (инкрементный датчик частоты вращения)
- В489 Датчик частоты вращения распределительного вала (сегментный датчик частоты вращения)
- В514 Датчик магистрального давления
- В623 Датчик давления нагнетания/датчик температуры
- В633 Датчик температуры отработанных газов 1 (перед смесителем Adblue®)
- F163 Предохранитель регулировки двигателя (Master кл. 30)
- F236 Предохранитель, регулировка двигателя (кл. 15)
- F355 Главный предохранитель 30-2
- F543 Предохранитель регулировки двигателя II (Slave кл. 30)
- Н296 Контрольная лампа EDC
- Н478 Неисправность контрольной лампы OBD MIL
- М100 Стартер
- Q101 Выключатель зажигания
- R134 Узел сопротивления
- Х200 Диагностическая розетка
- Х669 Штекерное соединение блокировки стартера
- Х1205 Распределитель провода 31000
- Х1559 Штекерное соединение двигателя/ЕйС/коробки передач IV
- Х1966 Штекерное соединение замка зажигания
- Х2544 Распределитель потенциалов, 21-контактный К-провод
- Х3120 Болт Мб распределителя, кл. 30 (приборный отсек)
- Х3121 Болт Мб распределителя, кл. 30 (приборный отсек)
- Y332 Блок дозирования ZME (клапан пропорционального регулирования топлива МРгор)
- Y341 Инжектор 1-го цилиндра
- Х342 Инжектор 2-го цилиндра
- Y343 Инжектор 3-го цилиндра
- Y344 Инжектор 4-го цилиндра
- Y345 Инжектор 5-го цилиндра
- Y346 Инжектор 6-го цилиндра
- Y347 Инжектор 7-го цилиндра
- Y348 Инжектор 8-го цилиндра
- ZOR Интерфейс промежуточного числа оборотов
* См. краткий обзор блока управления дозированием AdBlue® DCU15 Master-Slave
- А302 Центральный бортовой компьютер
- А403 Компьютер управления автомобилем
- А407 Приборное оборудование
- А410 Педаль акселератора
- А429 выключатель Темпомат
- А435 Устройство управления EDC
- А437 Сенсорный переключатель тормоза-замедлителя
- В104 Датчик давления масла
- В123 Датчик температуры нагнетаемого воздуха
- В124 Датчик температуры охлаждающей жидкости
- В322 Лямбда-зонд
- В377 Датчик давления топлива
- В487 Датчик магистрального давления
- В488 Датчик частоты вращения коленчатого вала (инкрементный датчик частоты вращения)
- В489 Датчик частоты вращения распределительного вала (сегментный датчик частоты вращения)
- В561 Датчик температуры отработанных газов 1 (перед фильтром)
- В623 Датчик давления нагнетания/датчик температуры
- В673 Датчик перемещения регулятора E-AGR
- В683 Датчик относительного давления отработанных газов
- В694 Датчика давления наддува/температуры охладителя NT
- В1049 Датчик температуры охлаждающей жидкости охладителя NT
- F163 Предохранитель Регулировка двигателя (кл. 30)
- F236 Предохранитель Регулировка двигателя (кл. 15)
- F355 Главный предохранитель 30-2
- Н296 Контрольная лампа EDC
- Н478 Неисправность контрольной лампы OBD MIL
- М100 Стартер
- Q101 Выключатель зажигания
- R134 Узел сопротивления
- R283 Сопротивление нагрузки HD-OBD-CAN
- Х200 Разъем диагностики
- Х669 Штекерное соединение блокировки стартера
- Х1559 Штекерное соединение двигатель/ЕОС/коробка передач IV
- Х1966 Штекерное соединение замка зажигания
- Х2544 Распределитель потенциалов 21-контактный К-провод
- Х2549 Штекерное соединение IMR (стартер)
- Х3381 Болт М5 (блок МР)
- Y332 Блок дозирования ZME (клапан пропорционального регулирования топлива МРгор)
- Y340 Клапан пропорционального регулирования турбокомпрессора 1 (импульсный клапан)
- Y341 Инжектор 1-го цилиндра
- Y342 Инжектор 2-го цилиндра
- Y343 Инжектор 3-го цилиндра
- Y344 Инжектор 4-го цилиндра
- Y345 Инжектор 5-го цилиндра
- Y346 Инжектор 6-го цилиндра
- Y458 Клапан пропорционального регулирования E-AGR
- Y460 Отключающий клапан сжатого воздуха
- Y493 Клапан пропорционального регулирования турбокомпрессора 2 (импульсный клапан)
- Y496 Запорный/редукционный клапан охладителя NT
- ZDR Интерфейс промежуточного числа оборотов
- А302 Центральный бортовой компьютер
- А403 Автомобильный компьютер
- А407 Приборная панель
- А410 Педаль акселератора
- А429 Выключатель Tempomat
- А435 Блок управления EDC
- А437 Сенсорный переключатель тормоза-замедлителя
- В104 Датчик давления масла
- В123 Датчик температуры наддувочного воздуха
- В124 Датчик температуры охлаждающей жидкости
- В377 Датчик давления топлива
- В487 Датчик магистрального давления
- В488 Датчик частоты вращения коленчатого вала (инкрементный датчик частоты вращения)
- В489 Датчик частоты вращения распределительного вала (сегментный датчик частоты вращения)
- В561 Датчик температуры отработанных газов 1 перед фильтром (отсутствует в двигателях D08 с OBD 1 без контроля NOx)
- В623 Датчик давления наддува/датчик температуры
- В673 Датчик перемещения регулятора E-AGR
- В683 Датчик относительного давления ОГ
- F163 Предохранитель Регулировка двигателя (кл. 30)
- F236 Предохранитель Регулировка двигателя (кл. 15)
- F355 Главный предохранитель 30-2
- Н296 Контрольная лампа EDC
- Н374 Контрольная лампа загрязненности воздушного фильтра
- М100 Стартер
- Q101 Выключатель зажигания
- R134 Группа резисторов
- R283 Нагрузочный резистор HD-OBD-CAN
- Х200 Диагностическая розетка
- Х669 Штекерное соединение блокировки стартера
- Х1559 Двигатель/ЕОС/коробка передач IV
- Х1966 Штекерное соединение замка зажигания
- Х1983 Болт Мб (блок МР)
- Х2544 Распределитель потенциалов 21-контактный К-провод
- Х2549 Штекерный разъем IMR {стартер)
- Y332 Блок дозирования ZME (клапан пропорционального регулирования топлива МРгор)
- Y341 Инжектор 1-го цилиндра
- Y342 Инжектор 2-го цилиндра
- Y343 Инжектор З-го цилиндра
- Y344 Инжектор 4-то цилиндра
- Y345 Инжектор 5-го цилиндра
- Y346 Инжектор 6-го цилиндра
- Y458 Клапан пропорционального регулирования E-AGR
- Y460 Отключающий клапан сжатого воздуха
- ZDR Интерфейс промежуточного числа оборотов
- А302 Центральный бортовой компьютер
- А403 Автомобильный компьютер
- А407 Приборная панель
- А410 Педаль акселератора
- А429 Выключатель Tempomat
- А435 Блок управления EDC
- А437 Сенсорный переключатель тормоза-замедлителя
- В104 Датчик давления масла
- В123 Датчик температуры наддувочного воздуха
- В124 Датчик температуры охлаждающей жидкости
- В322 Лямбда-зонд
- В377 Датчик давления топлива
- В487 Датчик магистрального давления
- В488 Датчик частоты вращения коленчатого вала (инкрементный датчик частоты вращения)
- В489 Датчик частоты вращения распределительного вала (сегментный датчик частоты вращения)
- В561 Датчик температуры отработанных газов 1 (перед фильтром)
- В623 Датчик давления нагнетания/датчик температуры
- В673 Датчик перемещения регулятора E-AGR
- В683 Датчик относительного давления ОГ
- F163 Предохранитель, регулировка двигателя (кл. 30)
- F236 Предохранитель, регулировка двигателя (кл. 15)
- F355 Главный предохранитель 30-2
- Н296 Контрольная лампа EDC
- Н478 Неисправность контрольной лампы OBD MIL
- М100 Стартер
- Q101 Выключатель зажигания
- R134 Узел сопротивления
- R283 Сопротивление нагрузки HD-OBD-CAN
- Х200 Диагностическая розетка
- Х669 Штекерное соединение блокировки стартера
- Х1559 Штекерное соединение двигателя/ЕОС/коробки передач IV
- Х1966 Штекерное соединение замка зажигания
- Х2544 Распределитель потенциалов, 21-контактный К-провод
- Х2549 Штекерное соединение IMR (стартер)
- Х3381 Шпилька с резьбой по всей длине М5 (коробка МР)
- Y332 Блок дозирования ZME (клапан пропорционального регулирования топлива МРгор)
- Y340 Клапан пропорционального регулирования турбокомпрессора (только в двигателях D08)
- Y341 Инжектор 1-го цилиндра
- Y342 Инжектор 2-го цилиндра
- Y343 Инжектор 3-го цилиндра
- Y344 Инжектор 4-го цилиндра
- Y345 Инжектор 5-го цилиндра
- Y346 Инжектор 6-го цилиндра
- Y458 Клапан пропорционального регулирования E-AGR
- Y460 Отключающий клапан сжатого воздуха
- ZDR Интерфейс промежуточного числа оборотов
- А302 Центральный бортовой компьютер
- А403 Автомобильный компьютер
- А407 Приборная панель
- А410 Педаль акселератора
- А429 Выключатель Tempomat
- А435 Блок управления EDC
- А437 Сенсорный переключатель тормоза-замедлителя
- В104 Датчик давления масла
- В123 Датчик температуры наддувочного воздуха
- В124 Датчик температуры охлаждающей жидкости
- В125 Датчик давления наддува
- В377 Датчик давления топлива
- В487 Датчик магистрального давления
- В488 Датчик частоты вращения коленчатого вала (инкрементный датчик частоты вращения)
- В489 Датчик частоты вращения распределительного вала (сегментный датчик частоты вращения)
- F163 Предохранитель Регулировка двигателя (кл. 30)
- F236 Предохранитель Регулировка двигателя (кл. 15)
- F355 Главный предохранитель 30-2
- Н296 Контрольная лампа EDC
- Н374 Контрольная лампа загрязненности воздушного фильтра *
- М100 Стартер
- Q101 Выключатель зажигания
- R134 Группа резисторов
- Х200 Диагностическая розетка
- Х669 Штекерное соединение блокировки стартера
- Х1559 Двигатель/ЕОС/коробка передач IV
- Х1966 Штекерное соединение замка зажигания
- Х1983 Болт Мб (блок МР)
- Х2544 Распределитель потенциалов 21-контактный К-провод
- Х2549 Штекерный разъем IMR (стартер)
- Y280 Цилиндр рециркуляции отработанных газов AGR
- Y332 Блок дозирования ZME (клапан пропорционального регулирования топлива МРгор)
- Y340 Клапан пропорционального регулирования турбокомпрессора с 2-стуленчатым турбонаддувом (только на двигателях D 08)
- Y341 Инжектор 1-го цилиндра
- Y342 Инжектор 2-го цилиндра
- Y343 Инжектор 3-го цилиндра
- Y344 Инжектор 4-го ципиндра
- Y34S Инжектор 5-го цилиндра
- Y346 Инжектор 6-го цилиндра
- ZOR Интерфейс промежуточного числа оборотов
* При диагностической розетке HD-OBD Кнсабель расположен на контакте 3
- А302 Центральный бортовой компьютер
- А403 Автомобильный компьютер
- А407 Приборная панель
- А410 Педаль акселератора
- А429 Выключатель Tempomat
- А435 Блок управления EDC (Master)
- А437 Сенсорный переключатель тормоза-замедлителя
- А570 Блок управления EDC II (Slave)
- В104 Датчик давления масла
- В123 Датчик температуры наддувочного воздуха
- В124 Датчик температуры охлаждающей жидкости
- В125 Датчик давления наддува
- В377 Датчик давления топлива
- В487 Датчик магистрального давления
- В488 Датчик частоты вращения коленчатого вала (инкрементный частоты вращения)
- В489 Датчик частоты вращения распределительного вала (сегментный датчик частоты вращения)
- В514 Датчик магистрального давления II
- F163 Предохранитель регулировки двигателя (Master кл. 30)
- F236 Предохранитель Регулировка двигателя (кл. 15)
- F355 Главный предохранитель 30-2
- F543 Предохранитель регулировки двигателя II (Slave кл. 30)
- Н296 Контрольная лампа EDC
- М100 Стартер
- Q101 Выключатель зажигания
- R134 Группа резисторов
- Х200 Диагностическая розетка
- Х669 Штекерное соединение блокировки стартера
- Х1205 Распределитель провода 31000
- Х1559 Двигатель/ЕОС/коробка передач IV
- Х1966 Штекерное соединение замка зажигания
- Х2417 Штекерный разъем CAN двигателя 3-кратный
- Х2544 Распределитель потенциалов 21-контактный К-провод
- Х3120 Болт Мб распределителя кл.ЗО (приборный отсек)
- Х3121 Болт Мб распределителя кл.ЗО (приборный отсек)
- Y280 Цилиндр рециркуляции отработанных газов AGR
- Y332 Блок дозирования ZME (клапан пропорционального регулирования топлива МРгор)
- Y341 Инжектор 1-го цилиндра
- Y342 Инжектор 2-го цилиндра
- Y343 Инжектор 3-го цилиндра
- Y344 Инжектор 4-го цилиндра
- Y345 Инжектор 5-го цилиндра
- Y346 Инжектор 6-го цилиндра
- Y347 Инжектор 7чо цилиндра
- Y348 Инжектор 8-fO цилиндра
- Y349 Инжектор 9-го цилиндра
- Y350 Инжектор 10-го цилиндра
- Y356 Блок дозирования ZME II (клапан пропорционального регулирования топлива МРгор)
- ZDR Интерфейс промежуточного числа оборотов
* При диагностической розетке HD-OBD К-кабель расположен на контакте 3
- А435 Блок управления EDC
- А808 Блок управления дозированием AdBlue® DCU15
- В628 Датчик уровня заполнения/температуры AdBlue®
- В634 Датчик температуры отработанных газов 2 (после катализатора)
- В994 Датчик NOx
- В996 Датчик влажности воздуха с датчиком температуры
- F737 Предохранитель электропитания, кл. 15
- F738 Предохранитель электропитания, кл. 30
- F894 Предохранитель датчиков
- Х200 Диагностическая розетка
- Х1644 Точка массы кабины (рядом с центральной электрической сетью)
- Х4680 Штекерное соединение кабины/блока управления дозированием
- Х4742 Распределитель потенциалов CAN отработанных газов/датчика NOx
- Х4743 Распределитель потенциалов электропитания датчика NOx
- Y436 Дозировочный модуль
- Y437 Клапан хладагента AdBlue®
- А435 Блок управления EDC (Master)
- А570 Блок управления EDC (Slave)
- А808 Блок управления дозированием AdBlue® DCU15
- В628 Датчик уровня заполнения/температуры AdBlue®
- В634 Датчик температуры отработанных газов 2 (после катализатора)
- В994 Датчик NOx
- В996 Датчик влажности воздуха с датчиком температуры
- F737 Предохранитель электропитания, кл. 15
- F738 Предохранитель электропитания, кл. 30
- F894 Предохранитель датчиков
- Х200 Диагностическая розетка
- Х1644 Точка массы кабины (рядом с центральной электрической сетью)
- Х4680 Штекерное соединение кабины/блока управления дозированием
- Х4742 Распределитель потенциалов CAN отработанных газов/датчика NOx
- Х4743 Распределитель потенциалов электропитания датчика NOx
- Y436 Дозировочный модуль
- Y437 Клапан хладагента AdBlue®
- А100 Центральная электрическая сеть
- А250 Блок управления отопителя/кондиционера
- А302 Центральный процессор 2
- А407 Приборная панель
- А474 Устройство управления обогрева кабины водителя без кондиционера/с кондиционером
- В203 Бак хладагента с реле высокого/низкого давления
- F125 Предохранитель прожектора
- F128 Предохранитель постоянно включенных потребителей
- F131 Предохранитель вентилятора отопителя
- F376 Предохранитель (кл. 15) внутри кабины
- F397 Предохранитель отопления передней части, кондиционер
- R106 Потенциометр подсветки приборного щитка
- Х200 Диагностическая розетка (MAN-cats® II)
- Х1551 Штекерное соединение двигателя/ЕРС/коробки передач II
- Х1642 Точка массы обогрева кабины без кондиционера/с кондиционером
- Х1644 Точка массы кабины рядом с центральной электрической сетью
- Х1829 Обжимное соединение провода 31000
- Х1836 Обжимное соединение провода 58000
- Х2543 Распределитель потенциалов 21-контактного провода 30006
- Х2544 Распределитель потенциала 21-контактный К-провод
- Х3383 Штекерное соединение автономного кондиционера 1 в кабине
- Х3384 Штекерное соединение автономного кондиционера 2 в кабине
- Х4643 Распределитель потенциала, провод 59104
- Х4645 Распределитель потенциала, провод 16000
- Х4646 Распределитель потенциала, провод 58300
- Х4732 Распределитель потенциалов провода 16000 освещения переключателя
- Y114 Электромагнитная муфта компрессора
- Y117 Электромагнитный клапан обогрева
- 1 Датчик испарителя
- 2 Датчик наружной температуры
- 3 Датчик теплообменника
- 4 Серводвигатель рециркуляционного воздуха
- 5 Серводвигатель боковых форсунок
- 6 Серводвигатель распределения воздуха
- 7 Серводвигатель температуры (перепускная заслонка)
- 8 Электродвигатель вентилятора
- 9 Регулятор вентилятора
- 10 Клапан В
- 11 Клапан С
- 12 Накладной датчик 1 (накладной датчик аккумулятора холода)
- 13 Накладной датчик 2 (накладной датчик испарителя)
- 14 Главный насос
- 15 Циркуляционный насос
- 16 Распределительный блок автономного кондиционера
- В1 Место установки двигателя
- Е6 Место установки — область центральной электрической сети
- F Место установки приборной панели
- F1 Место установки средней части
- F4 Место установки передка внутри слева
- F5 Место установки передка внутри справа
- R1 Место установки передних частей рамы
ДОПОЛНИТЕЛЬНЫЕ ЭЛЕКТРОСХЕМЫ
- А100 Центральная электрическая сеть
- А302 Центральный компьютер 2
- А402 Блок управления EBS
- А407 Приборная панель
- В119 Датчик частоты вращения переднего моста слева
- В120 Датчик частоты вращения переднего моста справа
- В121 Датчик частоты вращения заднего моста слева
- В122 Датчик частоты вращения заднего моста справа
- В332 Датчик тормозной накладки переднего моста справа
- ВЗЗЗ Датчик тормозной накладки переднего моста слева
- В334 Датчик тормозной накладки ведущего моста справа
- В335 Датчик тормозной накладки ведущего моста слева
- В337 Тормозной датчик
- В529 Датчик тормозной накладки дополнительного моста справа
- В530 Датчик тормозной накладки дополнительного моста слева
- F161 Предохранитель EBS/ABS электропитание клапана регулировки давления
- F162 Предохранитель EBS/ABS управление
- Н107 Контрольная лампа ABS автомобиля-тягача/прицепа
- Н140 Контрольная лампа Info антипробуксовочной системы
- Н151 Контрольная лампа Info ABS прицепа
- Н451 Контрольная лампа стабильности хода
- S256 Клавишный выключатель антипробуксовочной системы-повышения порога скольжения
- Х1548 Штекерное соединение рамы IV
- Х1557 Штекерное соединение рамы слева
- Х1644 Точка массы кабины рядом с центральной электрической сетью
- Х2541 Распределитель потенциала, 21-контактный провод 31000
- Х2542 Распределитель потенциала, 21-контактный провод 58000
- Х317 Розетка прицепа ABS
- Х3630 Кабельный жгут адаптера датчика износа тормозных накладок
- Х3672 Кабельный жгут адаптера датчика износа тормозных накладок
- Y262 Модуль регулировки давления переднего моста справа
- Y263 Модуль регулировки давления переднего моста слева
- Y264 Модуль регулировки давления заднего моста
- Y278 Модуль управления прицепом
Лист 1 из 3
- А Модуль регулировки давления переднего моста слева
- В Модуль регулировки давления переднего моста справа
- С Модуль регулировки давления заднего моста
- А100 Центральная электрическая сеть
- А302 Центральный компьютер 2
- А402 Блок управления EBS
- В119 Датчик частоты вращения переднего моста слева
- В120 Датчик частоты вращения переднего моста справа
- В121 Датчик частоты вращения ведущего моста слева
- В122 Датчик частоты вращения ведущего моста справа
- В332 Датчик тормозной накладки переднего моста справа
- ВЗЗЗ Датчик тормозной накладки переднего моста слева
- В334 Датчик тормозной накладки ведущего моста справа
- В335 Датчик тормозной накладки ведущего моста слева
- В337 Тормозной датчик
- Х1548 Штекерное соединение рама IV
- Х1557 Штекерное соединение левая рама
- Х3630 Жгут проводов адаптера датчика износа тормозных накладок
- Y262 Модуль регулировки давления переднего моста справа
- Y263 Модуль регулировки давления переднего моста слева
- Y264 Модуль регулировки давления заднего моста
Лист 2 из 3
- А Розетка прицепа
- В Сигнальные лампы
- АЮО Центральная электрическая сеть
- А302 Центральный компьютер 2
- А402 Блок управления EBS
- А407 Приборная панель
- F160 Предохранитель EBS/ABS электропитание прицепа
- G101 Аккумуляторная батарея 2
- Н107 ABS-автомобиль-тягач/прицеп
- Н140 Контрольная лампа Info антипробуксовочной системы
- Н151 Контрольная лампа Info ABS прицепа
- Н415 Контрольная лампа стабильности хода
- Х317 Розетка прицепа ABS
- Х1542 Штекерное соединение рама II
- Х1548 Штекерное соединение рама IV
Лист 3 из 3
- А Электропитание
- В Модуль управления прицепом
- С Антипробуксовочная система - пороги пробуксовки
- А100 Центральная электрическая сеть
- А302 Центральный компьютер 2
- А402 Блок управления EBS
- F161 Предохранитель EBS/ABS электропитание клапана регулировки давления
- F162 Предохранитель EBS/ABS управление
- S256 Кнопка ASR/ESP повышения порога пробуксовки
- Х1540 Штекерное соединение рама I
- Х1548 Штекерное соединение рама IV
- Х1644 Точка массы кабины рядом с центральной электрической сетью
- Х2541 Распределитель потенциала, 21-контактный провод 31000
- Х2542 Распределитель потенциала, 21-контактный провод 58000
- Y278 Модуль управления прицепом
Лист 1 из 4
- А Модуль регулировки давления переднего моста слева
- В Модуль регулировки давления переднего моста справа
- С Тормозной датчик
- А 100 Центральная электрическая сеть
- А302 Центральный компьютер 2
- А402 Блок управления EBS
- В119 Датчик частоты вращения переднего моста слева
- В120 Датчик частоты вращения переднего моста справа
- В332 Датчик тормозной накладки переднего моста справа
- ВЗЗЗ Датчик тормозной накладки переднего моста слева
- В337 Тормозной датчик
- Х1548 Штекерное соединение рама IV
- Х1557 Штекерное соединение левая рама
- Y262 Модуль регулировки давления переднего моста справа
- Y263 Модуль регулировки давления переднего моста слева
Лист 2 из 4
- А Модуль регулировки давления заднего моста
- АЮО Центральная электрическая сеть
- А302 Центральный компьютер 2
- А402 Блок управления EBS
- В121 Датчик частоты вращения ведущего моста слева
- В122 Датчик частоты вращения ведущего моста справа
- В334 Датчик тормозной накладки ведущего моста справа
- В335 Датчик тормозной накладки ведущего моста слева
- В529 Датчик тормозной накладки дополнительного моста справа
- В530 Датчик тормозной накладки дополнительного моста слева
- Х1548 Штекерное соединение рама IV
- X363Q Жгут проводов адаптера датчика износа тормозных накладок
- Х3672 Жгут проводов адаптера датчика износа тормозных накладок
- Y264 Модуль регулировки давления заднего моста
Лист 3 из 4
- А Розетка прицепа
- В Сигнальные лампы
- А100 Центральная электрическая сеть
- А302 Центральный компьютер 2
- А402 Блок управления EBS
- А407 Приборная панель
- F160 Предохранитель EBS/ABS электропитания прицепа
- G101 Аккумуляторная батарея 2
- Н107 Контрольная лампа ABS автомобиля-тягача/прицепа
- Н140 Контрольная лампа Info антипробуксовочной системы
- Н151 Контрольная лампа Info ABS прицепа
- Н415 Контрольная лампа стабильности хода
- Х317 Розетка прицепа ABS
- Х1542 Штекерное соединение рама II
- Х1548 Штекерное соединение рама IV
Лист 4 из 4
- А Электропитание
- В Модуль управления прицепом
- С Антипробуксовочная система - пороги пробуксовки
- АЮО Центральная электрическая сеть
- А302 Центральный компьютер 2
- А402 Блок управления EBS
- F161 Предохранитель EBS/ABS электропитания клапана регулировки давления
- F162 Предохранитель EBS/ABS управление
- S256 Кнопка ASR/ESP повышения порога пробуксовки
- Х1540 Штекерное соединение рама I
- Х1548 Штекерное соединение рама IV
- Х1644 Точка массы кабины рядом с центральной электрической сетью
- Х2541 Распределитель потенциала, 21-контактный провод 31000
- Х2542 Распределитель потенциала, 21-контактный провод 58000
- Y278 Модуль управления прицепом
Штекерная разводка контактов блока управления системой AdBlue (А808)

