Электросхемы тахографа DTCO Atego II
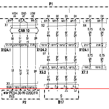
Блок управления INS комбинация приборов в сочетании с блоком управления DTCO цифровой тахограф

- PI: МТСО модульный тахограф
- Р2: INS комбинация приборов
- В17: Датчик скорости
- Х7.1: Подключение для дополнительного записывающего устройства
- Х124.1: Штекерное соединение 'Крыша' со стороны водителя
- Х124.2: Штекерное соединение 'Крыша' со стороны водителя
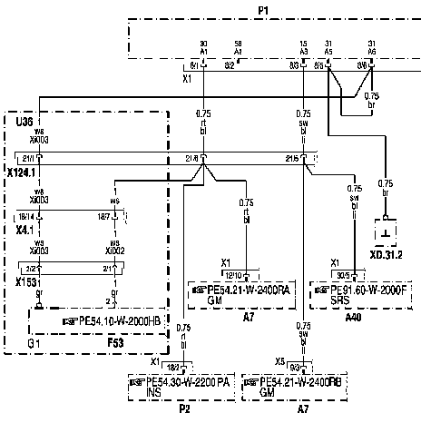
Электропитание блока управления DTCO цифровой тахограф

- PI: DTC0 цифровой тахограф
- Р2: INS комбинация приборов
- А7: Базовый модуль
- А40: SRS система удержания пассажиров
- Х124.1: Штекерное соединение 'Крыша' со стороны водителя
- Х4.1: Штекерное соединение 'Кабина водителя-шасси'
- XD.31.2: Место спайки проводов 'кл, 31'
- U36: Только на а/м GGVS
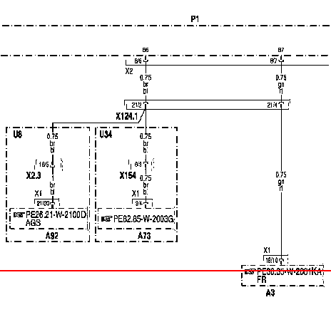
Фрагмент электросхемы блока управления DTCO цифровой тахограф в сочетании с другими
блоками управления


- PI: DTCO цифровой тахограф
- Р2: INS комбинация приборов
- АЗО: WS система техобслуживания
- АЗ: FR система управления движением
- А7: Базовый модуль
- А16: GS управление переключением передач
- А73: Распределитель импульсов скорости
- А92: Модуль переключения передач
- U8: Действительно только для а/м со спецоборудованием 'AGS система автоматического управления переключением передач'
- U22: Действительно для GS управление переключением передач
- U34: Швейцарский вариант
- U36: Только на а/м GGVS
- U37: Действительно для WS система технического обслуживания (FSS)
- U99: Действительно для ЕТС электронная система взимания дорожных сборов
- Х124.1: Штекерное соединение 'Крыша' со стороны водителя