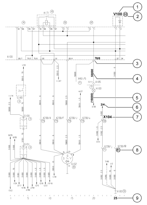
Использование электросхем TGL / TGM

- 1 Обозначение электрической детали (пример: диод V100 на электрической бортовой сети, место 53)
- 2 Место установки на лицевой стороне электрической бортовой панели (здесь: отштампованный номер места 53)
- 3 Штекерный разъем на задней стороне электрической бортовой панели (здесь: штекер 78, соединение 8)
- 4 Название, номер кабеля; для цветного кабеля с сокращением обозначения цвета, указание поперечного сечения, только если отличается от 12
- 5 Название, номер кабеля в скобках представляют собой токопроводящие соединения на плате
- 6 Обрыв провода с указанием продолжения провода с номером листа (здесь: лист 2 - не номер страницы) и номером цепи (здесь: цепь 4)
- 7 Штекерный разъем (пример: однополюсный штекерный разъем X104)
- 8 Данные монтажной позиции детали (смотри: обозначение монтажных позиций)
- 9 Электрическая цепь (нумерация от 1 до 55/60 на схему)
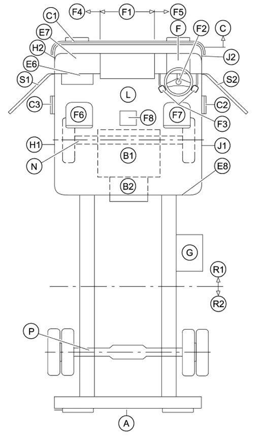
Монтажные позиции для автомобиля с левосторонним расположением рулевого управления (TGL, TGM, TGA)

- A Задняя часть кузова
- B1 Двигатель
- B2 Коробка передач
- C Передняя часть кузова
- C1 Бампер
- C2 Подножка справа
- C3 Подножка слева
- E6 Отсек электрической бортовой сети
- E7 Салазки блоков управления
- E8 Задняя стенка кабины
- F Приборный щиток
- F1 Средняя часть
- F2 Колонка рулевого управления/руль
- F3 Педальный механизм
- F4 Передняя часть внутри слева
- F5 Передняя часть внутри справа
- F6 Сиденье водителя
- F7 Сиденье пассажира
- F8 Консоль коробки передач
- G Аккумуляторный отсек
- H1 Средняя стойка со стороны водителя
- H2 Передняя стойка со стороны водителя
- J1 Средняя стойка со стороны пассажира
- J2 Передняя стойка со стороны пассажира
- L Потолок/крыша
- N Передний мост
- P Задний мост
- R1 Передние части рамы
- R2 Задняя часть рамы
- S1 Левая дверь
- S2 Правая дверь
Монтажные позиции для автомобиля с правосторонним расположением рулевого управления (TGL, TGM, TGA)

- A Задняя часть кузова
- B1 Двигатель
- B2 Коробка передач
- C Передняя часть кузова
- C1 Бампер
- C2 Подножка справа
- C3 Подножка слева
- E6 Отсек электрической бортовой сети
- E7 Салазки блоков управления
- E8 Задняя стенка кабины
- F Приборный щиток
- F1 Средняя часть
- F2 Колонка рулевого управления/руль
- F3 Педальный механизм
- F4 Передняя часть внутри слева
- F5 Передняя часть внутри справа
- F6 Сиденье пассажира
- F7 Сиденье водителя
- F8 Консоль коробки передач
- G Аккумуляторный отсек
- H1 Средняя стойка со стороны пассажира
- H2 Передняя стойка со стороны пассажира
- J1 Средняя стойка со стороны водителя
- J2 Передняя стойка со стороны водителя
- L Потолок/крыша
- N Передний мост
- P Задний мост
- R1 Передние части рамы
- R2 Задняя часть рамы
- S1 Левая дверь
- S2 Правая дверь