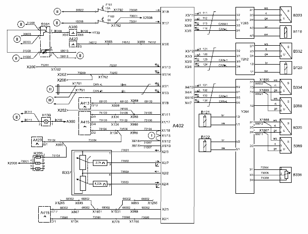
Электросхемы тормозной системы EBS автобусов MAN
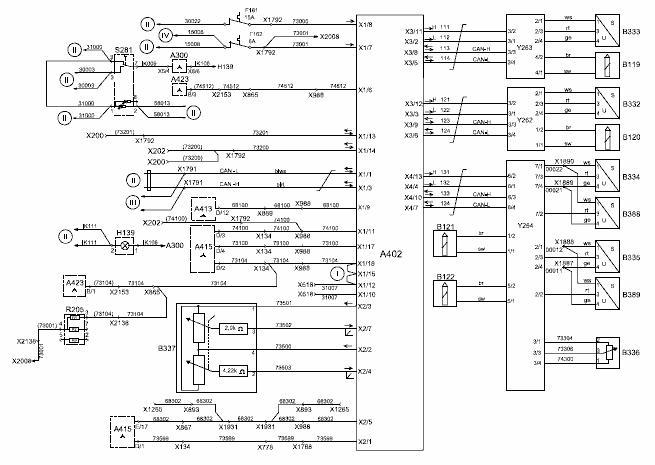
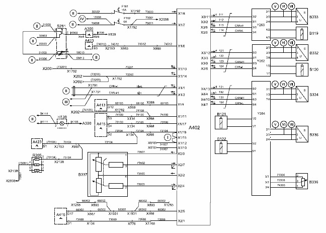
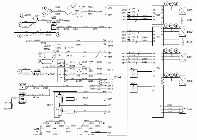
EBS A25/A26/A30 мультиплекс
Актуальность: 06.99
- A300 Узел приборной панели
- A402 Блок управления EBS
- A413 Мультиплексный узел спереди, блоки управления 1.3
- A415 Мультиплексный узел крыши спереди 1.5
- A423 Мультиплексный узел в середине автомобиля 2.3
- B119 Сенсор ABS переднего моста слева
- B120 Сенсор ABS переднего моста справа
- B121 Сенсор ABS заднего моста слева
- B122 Сенсор ABS заднего моста справа
- B332 Сенсор тормозной накладки 1-го моста справа
- B333 Сенсор тормозной накладки 1-го моста слева
- B334 Сенсор тормозной накладки 2-го моста справа
- B335 Сенсор тормозной накладки 2-го моста слева
- B336 Сенсор ALB заднего моста
- B337 Тормозной датчик EBS
- B388 Сенсор тормозной накладки 3-го моста справа
- B389 Сенсор тормозной накладки 3-го моста слева
- F161 Предохранитель EBS/электропитания ABS, ограничительный клапан тормозного привода
- F162 Предохранитель EBS/управления ABS
- H139 Контрольная лампа ABS тягача
- R205 Нагрузочное сопротивление EBS
- S281 Кнопка отключения ASR
- X134 Штекерное соединение, основная коммутационная плата - потолок
- X200 Штекерное соединение, 37-полюсное диагностической системы (MAN-cats)
- X202 Штекерное соединение, диагностика (мигающий код)
- X618 Распределитель клеммника X102 кабель 31000
- X778 Штекерное соединение, основная коммутационная плата - середина автомобиля
- X865 Штекерное соединение, основная коммутационная плата - центральный процессор
- X867 Штекерное соединение, основная коммутационная плата - центральный процессор
- X869 Штекерное соединение, основная коммутационная плата - центральный процессор
- X893 Штекерное соединение, основная коммутационная плата - панель управления
- X988 Штекерное соединение, основная коммутационная плата - узел ABS
- X1265 Штекерное соединение, панель управления
- X1768 Штекерное соединение, основная коммутационная плата - EBS управляемого поддерживающего моста
- X1791 Штекер шины данных CAN EBS
- X1792 Штекерное соединение, узел EBS, перегородка места водителя
- X1887 V+ обжим, тормозная накладка 2/3 моста слева
- X1888 Обжим на массу, тормозная накладка 2/3 моста слева
- X1889 V+ обжим, тормозная накладка 2/3 моста справа
- X1890 Обжим на массу, тормозная накладка 2/3 моста справа
- X1931 Перемычка остановочного тормоза, аварийное растормаживание
- X2008 Штекерное соединение, узел EBS
- Y262 Модуль регулирования давления переднего моста справа
- Y263 Модуль регулирования давления переднего моста слева
- Y264 Модуль регулирования давления заднего моста
- blrt сине-красный (шина данных CAN силового штранга High)
- blws сине-белый (шина данных CAN силового штранга Low)
- ws масса - белый
- rt сигнал - красный
- ge питание - желтый
- br коричневый
- sw черный
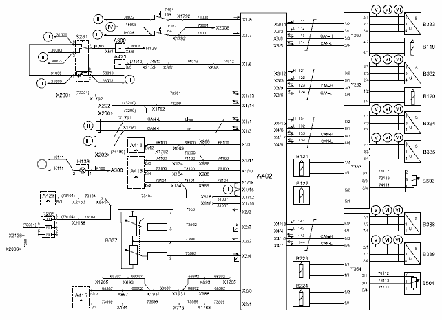
EBS A25/A26/A30/A34 мультиплекс - NES
Актуальность: 06.99
- A300 Узел приборной панели
- A402 Блок управления EBS
- A413 Мультиплексный узел спереди, блоки управления 1.3
- A415 Мультиплексный узел крыши спереди 1.5
- A423 Мультиплексный узел в середине автомобиля 2.3
- B119 Сенсор ABS переднего моста слева
- B120 Сенсор ABS переднего моста справа
- B121 Сенсор ABS заднего моста слева
- B122 Сенсор ABS заднего моста справа
- B332 Сенсор тормозной накладки 1-го моста справа
- B333 Сенсор тормозной накладки 1-го моста слева
- B334 Сенсор тормозной накладки 2-го моста справа
- B335 Сенсор тормозной накладки 2-го моста слева
- B336 Сенсор ALB заднего моста
- B337 Тормозной датчик EBS
- B388 Сенсор тормозной накладки 3-го моста справа
- B389 Сенсор тормозной накладки 3-го моста слева
- F161 Предохранитель EBS/электропитания ABS, ограничительный клапан тормозного привода
- F162 Предохранитель EBS/управления ABS
- H139 Контрольная лампа ABS тягача
- R205 Нагрузочное сопротивление EBS
- S281 Кнопка отключения ASR
- X134 Штекерное соединение, основная коммутационная плата - потолок
- X200 Штекерное соединение, 37-полюсное диагностической системы (MAN-cats)
- X202 Штекерное соединение, диагностика (мигающий код)
- X618 Распределитель клеммника X102 кабель 31000
- X778 Штекерное соединение, основная коммутационная плата - середина автомобиля
- X865 Штекерное соединение, основная коммутационная плата - центральный процессор
- X867 Штекерное соединение, основная коммутационная плата - центральный процессор
- X869 Штекерное соединение, основная коммутационная плата - центральный процессор
- X893 Штекерное соединение, основная коммутационная плата - панель управления
- X988 Штекерное соединение, основная коммутационная плата - узел ABS
- X1265 Штекерное соединение, панель управления
- X1768 Штекерное соединение, основная коммутационная плата - EBS управляемого поддерживающего моста
- X1791 Штекер шины данных CAN EBS
- X1792 Штекерное соединение, узел EBS, перегородка места водителя
- X1887 V+ обжим, тормозная накладка 2/3 моста слева
- X1888 Обжим на массу, тормозная накладка 2/3 моста слева
- X1889 V+ обжим, тормозная накладка 2/3 моста справа
- X1890 Обжим на массу, тормозная накладка 2/3 моста справа
- X1931 Перемычка остановочного тормоза, аварийное растормаживание
- X2008 Штекерное соединение, узел EBS
- X2138 Штекерное соединение, основная коммутационная плата
- X2153 Передаточный штекер перегородки места водителя
- Y262 Модуль регулирования давления переднего моста справа
- Y263 Модуль регулирования давления переднего моста слева
- Y264 Модуль регулирования давления заднего моста
- blrt сине-красный (шина данных CAN силового штранга High)
- blws сине-белый (шина данных CAN силового штранга Low)
- ws масса - белый
- rt сигнал - красный
- ge питание - желтый
- br коричневый
- sw черный
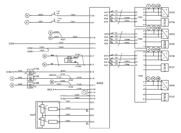
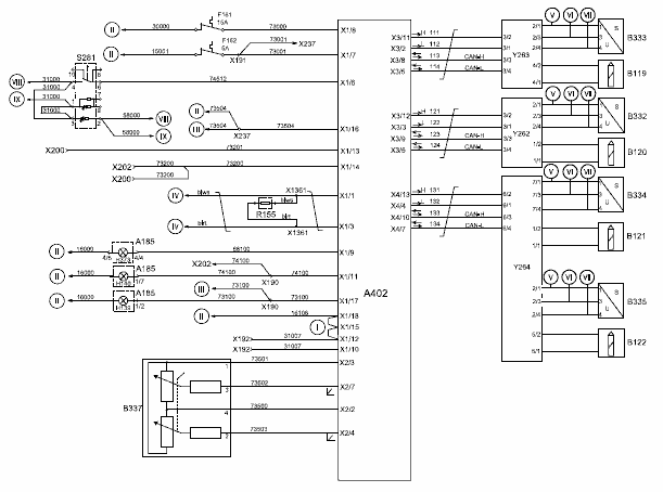
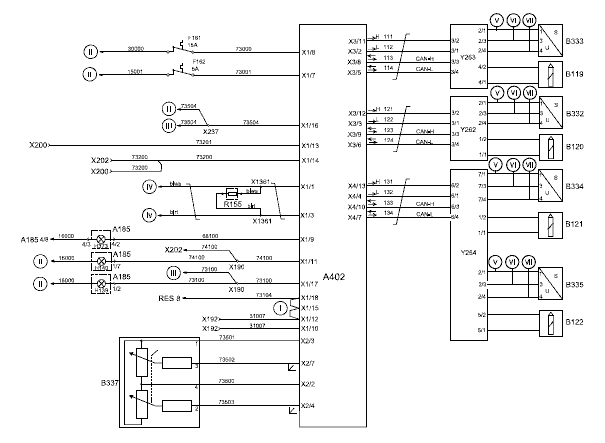
EBS A03/A13/A33
Актуальность: 12.98/11.99
- A185 Блок контрольных ламп
- A402 Блок управления EBS
- B119 Сенсор ABS переднего моста слева
- B120 Сенсор ABS переднего моста справа
- B121 Сенсор ABS заднего моста слева
- B122 Сенсор ABS заднего моста справа
- B332 Сенсор тормозной накладки 1-го моста справа
- B333 Сенсор тормозной накладки 1-го моста слева
- B334 Сенсор тормозной накладки 2-го моста справа
- B335 Сенсор тормозной накладки 2-го моста слева
- B337 Тормозной датчик EBS
- F161 Предохранитель EBS/электропитания ABS, ограничительный клапан тормозного привода
- F162 Предохранитель EBS/управления ABS
- H139 Контрольная лампа ABS тягача
- H140 Контрольная лампа ASR-инфо
- H373 Контрольная лампа износа тормозных накладок
- R155 Нагрузочное сопротивление шины данных CAN
- RES8 Учитывать указание на электрическую схему
- X107 Штекерное соединение, главный фидер - приборная плата 1
- X190 Штекерное соединение, главный фидер - приборная плата 2
- X191 Штекерное соединение, штранг ABS (EBS) - приборная плата 2
- X192 Соединитель на массу штранга ABS (EBS)
- X200 Штекерное соединение, 37-полюсное диагностической системы (MAN-cats)
- X202 Штекерное соединение, диагностика (мигающий код)
- X237 Штекерное соединение, главный фидер - приборная плата 2
- X1361 Зажимное соединение нагрузочного сопротивления CAN
- Y262 Модуль регулирования давления переднего моста справа
- Y263 Модуль регулирования давления переднего моста слева
- Y264 Модуль регулирования давления заднего моста
- blrt сине-красный (шина данных CAN силового штранга High)
- blws сине-белый (шина данных CAN силового штранга Low)
EBS A01
Актуальность: 12.98/11.99
- A185 Блок контрольных ламп
- A402 Блок управления EBS
- B119 Сенсор ABS переднего моста слева
- B120 Сенсор ABS переднего моста справа
- B121 Сенсор ABS заднего моста слева
- B122 Сенсор ABS заднего моста справа
- B332 Сенсор тормозной накладки 1-го моста справа
- B333 Сенсор тормозной накладки 1-го моста слева
- B334 Сенсор тормозной накладки 2-го моста справа
- B335 Сенсор тормозной накладки 2-го моста слева
- B337 Тормозной датчик EBS
- F161 Предохранитель EBS/электропитания ABS, ограничительный клапан тормозного привода
- F162 Предохранитель EBS/управления ABS
- H139 Контрольная лампа ABS тягача
- H140 Контрольная лампа ASR-инфо
- H373 Контрольная лампа износа тормозных накладок
- R155 Нагрузочное сопротивление шины данных CAN (в электросхеме № 88.99289.5622 отсуствует)
- S281 Кнопка отключения ASR
- X107 Штекерное соединение, главный фидер - приборная плата 1
- X190 Штекерное соединение, главный фидер - приборная плата 2
- X191 Штекерное соединение, штранг ABS (EBS) - приборная плата 2
- X192 Соединитель на массу штранга ABS (EBS)
- X200 Штекерное соединение, 37-полюсное диагностической системы (MAN-cats)
- X202 Штекерное соединение, диагностика (мигающий код)
- X237 Штекерное соединение, главный фидер - приборная плата 2
- X1361 Зажимное соединение нагрузочного сопротивления CAN
- Y262 Модуль регулирования давления переднего моста справа
- Y263 Модуль регулирования давления переднего моста слева
- Y264 Модуль регулирования давления заднего моста
- blrt сине-красный (шина данных CAN силового штранга High)
- blws сине-белый (шина данных CAN силового штранга Low)
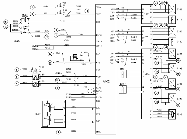
EBS A04/A32
Актуальность: 05.99/11.99
- A185 Блок контрольных ламп
- A402 Блок управления EBS
- B119 Сенсор ABS переднего моста слева
- B120 Сенсор ABS переднего моста справа
- B121 Сенсор ABS заднего моста слева
- B122 Сенсор ABS заднего моста справа
- B332 Сенсор тормозной накладки 1-го моста справа
- B333 Сенсор тормозной накладки 1-го моста слева
- B334 Сенсор тормозной накладки 2-го моста справа
- B335 Сенсор тормозной накладки 2-го моста слева
- B336 Сенсор ALB заднего моста
- B337 Тормозной датчик EBS
- B388 Сенсор тормозной накладки 3-го моста справа
- B389 Сенсор тормозной накладки 3-го моста слева
- F161 Предохранитель EBS/электропитания ABS, ограничительный клапан тормозного привода
- F162 Предохранитель EBS/управления ABS
- H139 Контрольная лампа ABS тягача
- H140 Контрольная лампа ASR-инфо
- H373 Контрольная лампа износа тормозных накладок
- R155 Нагрузочное сопротивление шины данных CAN
- S281 Кнопка отключения ASR
- X107 Штекерное соединение, главный фидер - приборная плата 1
- X190 Штекерное соединение, главный фидер - приборная плата 2
- X191 Штекерное соединение, штранг ABS (EBS) - приборная плата 2
- X192 Соединитель на массу штранга ABS (EBS)
- X200 Штекерное соединение, 37-полюсное диагностической системы (MAN-cats)
- X202 Штекерное соединение, диагностика (мигающий код)
- X237 Штекерное соединение, главный фидер - приборная плата 2
- X1361 Зажимное соединение нагрузочного сопротивления CAN
- Y262 Модуль регулирования давления переднего моста справа
- Y263 Модуль регулирования давления переднего моста слева
- Y264 Модуль регулирования давления заднего моста
- X1887 V+ обжим, тормозная накладка 2/3 моста слева
- X1888 Обжим на массу, тормозная накладка 2/3 моста слева
- X1889 V+ обжим, тормозная накладка 2/3 моста справа
- X1890 Обжим на массу, тормозная накладка 2/3 моста справа
- blrt сине-красный (шина данных CAN силового штранга High)
- blws сине-белый (шина данных CAN силового штранга Low)
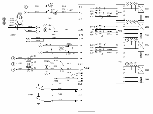
EBS A20/A21/A22/A35/A37/486 мультиплекс
Актуальность: 02.00/11.00
- A300 Узел приборной панели
- A402 Блок управления EBS
- A413 Мультиплексный узел спереди, блоки управления 1.3
- A415 Мультиплексный узел крыши спереди 1.5
- A423 Мультиплексный узел в середине автомобиля 2.3
- B119 Сенсор ABS переднего моста слева
- B120 Сенсор ABS переднего моста справа
- B121 Сенсор ABS заднего моста слева
- B122 Сенсор ABS заднего моста справа
- B332 Сенсор тормозной накладки 1-го моста справа
- B333 Сенсор тормозной накладки 1-го моста слева
- B334 Сенсор тормозной накладки 2-го моста справа
- B335 Сенсор тормозной накладки 2-го моста слева
- B336 Сенсор ALB заднего моста
- B337 Тормозной датчик EBS
- F161 Предохранитель EBS/электропитания ABS, ограничительный клапан тормозного привода
- F162 Предохранитель EBS/управления ABS
- H139 Контрольная лампа ABS тягача
- R205 Нагрузочное сопротивление EBS
- S281 Кнопка отключения ASR
- X134 Штекерное соединение, основная коммутационная плата - потолок
- X200 Штекерное соединение, 37-полюсное диагностической системы (MAN-cats)
- X202 Штекерное соединение, диагностика (мигающий код)
- X618 Распределитель клеммника X102 кабель 31000
- X778 Штекерное соединение, основная коммутационная плата - середина автомобиля
- X865 Штекерное соединение, основная коммутационная плата - центральный процессор
- X867 Штекерное соединение, основная коммутационная плата - центральный процессор
- X869 Штекерное соединение, основная коммутационная плата - центральный процессор
- X893 Штекерное соединение, основная коммутационная плата - панель управления
- X988 Штекерное соединение, основная коммутационная плата - узел ABS
- X1265 Штекерное соединение, панель управления
- X1768 Штекерное соединение, основная коммутационная плата - EBS управляемого поддерживающего моста
- X1791 Штекер шины данных CAN EBS
- X1792 Штекерное соединение, узел EBS, перегородка места водителя
- X1887 V+ обжим, тормозная накладка 2/3 моста слева
- X1888 Обжим на массу, тормозная накладка 2/3 моста слева
- X1889 V+ обжим, тормозная накладка 2/3 моста справа
- X1890 Обжим на массу, тормозная накладка 2/3 моста справа
- X1931 Перемычка остановочного тормоза, аварийное растормаживание
- X2008 Штекерное соединение, узел EBS
- Y262 Модуль регулирования давления переднего моста справа
- Y263 Модуль регулирования давления переднего моста слева
- Y264 Модуль регулирования давления заднего моста
- blrt сине-красный (шина данных CAN силового штранга High)
- blws сине-белый (шина данных CAN силового штранга Low)
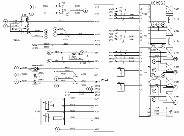
EBS A23/A24/489 мультиплекс - NES
Актуальность: 07.00
- A300 Узел приборной панели
- A402 Блок управления EBS
- A413 Мультиплексный узел спереди, блоки управления 1.3
- A415 Мультиплексный узел крыши спереди 1.5
- A423 Мультиплексный узел в середине автомобиля 2.3
- B119 Сенсор ABS переднего моста слева
- B120 Сенсор ABS переднего моста справа
- B121 Сенсор ABS заднего моста слева
- B122 Сенсор ABS заднего моста справа
- B223 Сенсор ABS 3-го моста слева
- B224 Сенсор ABS 3-го моста справа
- B332 Сенсор тормозной накладки 1-го моста справа
- B333 Сенсор тормозной накладки 1-го моста слева
- B334 Сенсор тормозной накладки 2-го моста справа
- B335 Сенсор тормозной накладки 2-го моста слева
- B337 Тормозной датчик EBS
- B388 Сенсор тормозной накладки 3-го моста справа
- B389 Сенсор тормозной накладки 3-го моста слева
- B503 Сенсор ALB 2-го моста
- B504 Сенсор ALB 3-го моста
- F161 Предохранитель EBS/электропитания ABS, ограничительный клапан тормозного привода
- F162 Предохранитель EBS/управления ABS
- H139 Контрольная лампа ABS тягача
- R205 Нагрузочное сопротивление EBS
- S281 Кнопка отключения ASR
- X134 Штекерное соединение, основная коммутационная плата - потолок
- X200 Штекерное соединение, 37-полюсное диагностической системы (MAN-cats)
- X202 Штекерное соединение, диагностика (мигающий код)
- X618 Распределитель клеммника X102 кабель 31000
- X778 Штекерное соединение, основная коммутационная плата - середина автомобиля
- X865 Штекерное соединение, основная коммутационная плата - центральный процессор
- X867 Штекерное соединение, основная коммутационная плата - центральный процессор
- X869 Штекерное соединение, основная коммутационная плата - центральный процессор
- X893 Штекерное соединение, основная коммутационная плата - панель управления
- X988 Штекерное соединение, основная коммутационная плата - узел ABS
- X1265 Штекерное соединение, панель управления
- X1768 Штекерное соединение, основная коммутационная плата - EBS управляемого поддерживающего моста
- X1791 Штекер шины данных CAN EBS
- X1792 Штекерное соединение, узел EBS, перегородка места водителя
- X1887 V+ обжим, тормозная накладка 2/3 моста слева
- X1888 Обжим на массу, тормозная накладка 2/3 моста слева
- X1889 V+ обжим, тормозная накладка 2/3 моста справа
- X1890 Обжим на массу, тормозная накладка 2/3 моста справа
- X1931 Перемычка остановочного тормоза, аварийное растормаживание
- X2008 Штекерное соединение, узел EBS
- Y262 Модуль регулирования давления переднего моста справа
- Y263 Модуль регулирования давления переднего моста слева
- Y353 Модуль регулирования давления 2-го моста
- Y354 Модуль регулирования давления 3-го моста
- blrt сине-красный (шина данных CAN силового штранга High)
- blws сине-белый (шина данных CAN силового штранга Low)
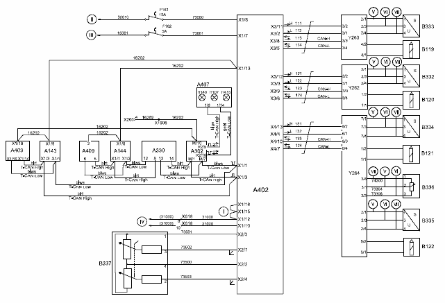
EBS R02/R03 мультиплекс

Актуальность: 10.00
- A143 Блок управления ECAS
- A144 Блок управления тормоа-замедлителя
- A302 Центральный процессор 2
- A330 Блок управления AS-TRONIC (на трансмиссии/коробке передач)
- A402 Блок управления EBS
- А403 Управляющий процессор автомобиля
- A407 Приборы
- A409 Блок управления ECAM
- B119 Сенсор ABS переднего моста слева
- B120 Сенсор ABS переднего моста справа
- B121 Сенсор ABS ведущего моста слева
- B122 Сенсор ABS ведущего моста справа
- B332 Сенсор тормозной накладки переднего моста справа
- B333 Сенсор тормозной накладки переднего моста слева
- B334 Сенсор тормозной накладки ведущего моста справа
- B335 Сенсор тормозной накладки ведущего моста слева
- B336 Сенсор ALB заднего моста
- B337 Тормозной датчик EBS
- F161 Предохранитель EBS/электропитания ABS, ограничительный клапан тормозного привода
- F162 Предохранитель EBS/управления ABS
- H107 ABS - тягач/прицеп
- H140 Контрольная лампа ASR-инфо
- H415 Контрольная лампа устойчивости при движении
- X200 Штекерное соединение, 37-полюсное диагностической системы (MAN-cats)
- X618 Распределитель клеммника X102 кабель 31000
- X1908 Защелка K-KWP2
- Y262 Модуль регулирования давления переднего моста справа
- Y263 Модуль регулирования давления переднего моста слева
- Y264 Модуль регулирования давления заднего моста
- blrt сине-красный (шина данных CAN силового штранга High)
- blws сине-белый (шина данных CAN силового штранга Low)
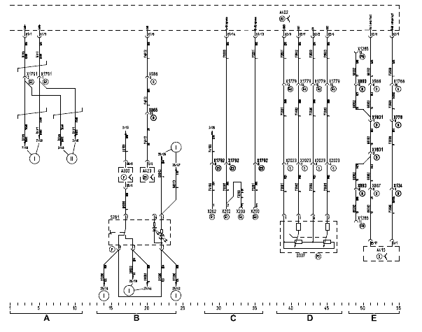
EBS A25/A26/A30 мультиплекс

Актуальность: 11.98
A = Электропитание
B = Модуль регулирования давления - передний мост
C = Модуль регулирования давления 2-го и 3-го мостов
- A402 (337) Блок управления EBS
- B119 (245) Сенсор ABS переднего моста слева
- B120 (246) Сенсор ABS переднего моста справа
- B121 (247) Сенсор ABS заднего моста слева
- B122 (248) Сенсор ABS заднего моста справа
- B332 (243) Сенсор тормозной накладки 1-го моста справа
- B333 (253) Сенсор тормозной накладки 1-го моста слева
- B334 (254) Сенсор тормозной накладки 2-го моста справа
- B335 (255) Сенсор тормозной накладки 2-го моста слева
- B336 (256) Сенсор ALB заднего моста
- B388 (305) Сенсор тормозной накладки 3-го моста справа
- B389 (306) Сенсор тормозной накладки 3-го моста слева
- F161 (129) Предохранитель EBS/электропитания ABS, ограничительный клапан тормозного привода
- F162 (117) Предохранитель EBS/управления ABS
- X864 (128) Распределитель клеммника X874 кабель 30022
- X1747 (128) Распределитель кабеля 15008
- X1768 Штекерное соединение, основная коммутационная плата - EBS управляемого поддерживающего моста
- X1779 Штекерное соединение, передняя часть кузова/передок - EBS управляемого поддерживающего моста
- X1792 Штекерное соединение, узел EBS, перегородка места водителя
- X1887 V+ обжим, тормозная накладка 2/3 моста слева
- X1888 Обжим на массу, тормозная накладка 2/3 моста слева
- X1889 V+ обжим, тормозная накладка 2/3 моста справа
- X1890 Обжим на массу, тормозная накладка 2/3 моста справа
- Y262 (170) Модуль регулирования давления переднего моста справа
- Y263 (170) Модуль регулирования давления переднего моста слева
- Y264 (171) Модуль регулирования давления заднего моста

A = Распределение массы
B = Износ тормозов/ASR/контроли EBS
C = Нагрузочное сопротивление
- A402 (337) Блок управления EBS
- A413 (280) Мультиплексный узел спереди, блоки управления 1.3
- A415 (280) Мультиплексный узел крыши спереди 1.5
- A423 (280) Мультиплексный узел в середине автомобиля 2.3
- H139 (111) Контрольная лампа ABS тягача
- R205 (126) Нагрузочное сопротивление EBS
- X134 Штекерное соединение, основная коммутационная плата - потолок
- X618 (128) Распределитель клеммника X102 кабель 31000
- X865 Штекерное соединение, основная коммутационная плата - центральный процессор
- X869 Штекерное соединение, основная коммутационная плата - центральный процессор
- X988 Штекерное соединение, основная коммутационная плата - узел ABS
- X2008 Штекерное соединение, узел EBS

A = Шина CAN
B = Отключение ASR
C = Диагностика
D = Тормозной датчик
A = Остановочный тормоз
- A300 (223) Узел приборной панели
- A402 (337) Блок управления EBS
- A415 (280) Мультиплексный узел крыши спереди 1.5
- A423 (280) Мультиплексный узел в середине автомобиля 2.3
- B337 (244) Тормозной датчик EBS
- S281 (396) Кнопка отключения ASR
- X134 Штекерное соединение, основная коммутационная плата - потолок
- X200 Штекерное соединение, 37-полюсное диагностической системы (MAN-cats)
- X202 Штекерное соединение, диагностика (мигающий код)
- X778 Штекерное соединение, основная коммутационная плата - середина автомобиля
- X865 Штекерное соединение, основная коммутационная плата - центральный процессор
- X867 Штекерное соединение, основная коммутационная плата - центральный процессор
- X893 Штекерное соединение, основная коммутационная плата - панель управления
- X988 Штекерное соединение, основная коммутационная плата - узел ABS
- X1265 Штекерное соединение, панель управления
- X1768 Штекерное соединение, основная коммутационная плата - EBS управляемого поддерживающего моста
- X1779 Штекерное соединение, передняя часть кузова/передок-EBS управляемого поддерживающего моста
- X1791 Штекер шины данных CAN EBS
- X1792 Штекерное соединение, узел EBS, перегородка места водителя
- X1931 Перемычка остановочного тормоза, аварийное растормаживание
- X2023 Штекерное соединение, центральный разъем педального блока
EBS A25/A26/A30/A34 мультиплекс - NES

Актуальность: 11.00
A = Подача напряжения
B = Модуль регулирования давления - передний мост
C = Модуль регулирования давления 2-го и 3-го мостов
- A402 (337) Блок управления EBS
- B119 (245) Сенсор ABS переднего моста слева
- B120 (246) Сенсор ABS переднего моста справа
- B121 (247) Сенсор ABS заднего моста слева
- B122 (248) Сенсор ABS заднего моста справа
- B332 (243) Сенсор тормозной накладки 1-го моста справа
- B333 (253) Сенсор тормозной накладки 1-го моста слева
- B334 (254) Сенсор тормозной накладки 2-го моста справа
- B335 (255) Сенсор тормозной накладки 2-го моста слева
- B336 (256) Сенсор ALB заднего моста
- B388 (305) Сенсор тормозной накладки 3-го моста справа
- B389 (306) Сенсор тормозной накладки 3-го моста слева
- F161 (129) Предохранитель EBS/электропитания ABS, ограничительный клапан тормозного привода
- F162 (117) Предохранитель EBS/управления ABS
- X1750 (211) Моторный клеммник 1, основная коммутационная плата мультиплекс
- X1792 Штекерное соединение, узел EBS, перегородка места водителя
- X1887 V+ обжим, тормозная накладка 2/3 моста слева
- X1888 Обжим на массу, тормозная накладка 2/3 моста слева
- X1889 V+ обжим, тормозная накладка 2/3 моста справа
- X1890 Обжим на массу, тормозная накладка 2/3 моста справа
- Y262 (170) Модуль регулирования давления переднего моста справа
- Y263 (170) Модуль регулирования давления переднего моста слева
- Y264 (171) Модуль регулирования давления заднего моста

A = Распределение массы
B = Износ тормозов/ASR/контроли EBS
C = Нагрузочное сопротивление
- A402 (337) Блок управления EBS
- A413 (280) Мультиплексный узел спереди, блоки управления 1.3
- A415 (280) Мультиплексный узел крыши спереди 1.5
- A423 (280) Мультиплексный узел в середине автомобиля 2.3
- H139 (111) Контрольная лампа ABS тягача
- R205 (126) Нагрузочное сопротивление EBS
- X134 Штекерное соединение, основная коммутационная плата - потолок
- X618 (128) Распределитель клеммника X102 кабель 31000
- X865 Штекерное соединение, основная коммутационная плата - центральный процессор
- X869 Штекерное соединение, основная коммутационная плата - центральный процессор
- X988 Штекерное соединение, основная коммутационная плата - узел ABS
- X2008 Штекерное соединение, узел EBS
- X2138 Штекерное соединение, основная коммутационная плата
- X2153 Передаточный штекер перегородки места водителя

A = Шина CAN
B = Отключение ASR
C = Диагностика
D = Тормозной датчик
A = Остановочный тормоз
- A300 (223) Узел приборной панели
- A402 (337) Блок управления EBS
- A415 (280) Мультиплексный узел крыши спереди 1.5
- A423 (280) Мультиплексный узел в середине автомобиля 2.3
- B337 (244) Тормозной датчик EBS
- S281 (396) Кнопка отключения ASR
- X134 Штекерное соединение, основная коммутационная плата - потолок
- X200 Штекерное соединение, 37-полюсное диагностической системы (MAN-cats)
- X202 Штекерное соединение, диагностика (мигающий код)
- X778 Штекерное соединение, основная коммутационная плата - середина автомобиля
- X865 Штекерное соединение, основная коммутационная плата - центральный процессор
- X867 Штекерное соединение, основная коммутационная плата - центральный процессор
- X893 Штекерное соединение, основная коммутационная плата - панель управления
- X988 Штекерное соединение, основная коммутационная плата - узел ABS
- X1265 Штекерное соединение, панель управления
- X1768 Штекерное соединение, основная коммутационная плата - EBS управляемого поддерживающего моста
- X1779 Штекерное соединение, передняя часть кузова/передок - EBS управляемого поддерживающего моста
- X1791 Штекер шины данных CAN EBS
- X1792 Штекерное соединение, узел EBS, перегородка места водителя
- X1931 Перемычка остановочного тормоза, аварийное растормаживание
- X2023 Штекерное соединение, центральный разъем педального блока
- X2153 Передаточный штекер перегородки места водителя
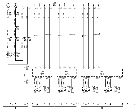
EBS A03/A13/A33

Актуальность: 12.98
A = Электропитание
B = Модуль регулирования давления - передний мост
C = Модуль регулирования давления - задний мост
- A402 (337) Блок управления EBS
- B119 (245) Сенсор ABS 1-го моста слева
- B120 (246) Сенсор ABS 1-го моста справа
- B121 (247) Сенсор ABS 2-го моста слева
- B122 (248) Сенсор ABS 2-го моста справа
- B332 (243) Сенсор тормозной накладки переднего моста справа
- B333 (253) Сенсор тормозной накладки переднего моста слева
- B334 (254) Сенсор тормозной накладки заднего моста справа
- B335 (255) Сенсор тормозной накладки заднего моста слева
- F161 (103) Предохранитель EBS/электропитания ABS, ограничительный клапан тормозного привода
- F162 (111) Предохранитель EBS/управления ABS
- X104 Штекерное соединение, главный фидер - приборная плата 1
- X190 Штекерное соединение, главный фидер - приборная плата 2
- X191 Штекерное соединение, штранг ABS (EBS) - приборная плата 2
- X622 Распределитель клеммника X613 кабель 15001
- Y262 (170) Модуль регулирования давления переднего моста справа
- Y263 (170) Модуль регулирования давления переднего моста слева
- Y264 (171) Модуль регулирования давления заднего моста

A = Распределение массы
B = Контроли EBS
C = Износ тормозов
D = ASR
E = Отключение тормоза-замедлителя
F = Шина данных CAN
- A185 (188) Блок контрольных ламп
- A402 (337) Блок управления EBS
- H139 (105) Контрольная лампа ABS тягача
- H140 (105) Контрольная лампа ASR-инфо
- H373 (105) Контрольная лампа износа тормозных накладок
- R155 (122) Нагрузочное сопротивление шины данных CAN
- RES8 Учитывать указание на электрическую схему
- X108 Штекерное соединение, главный фидер - приборная панель
- X190 Штекерное соединение, главный фидер - приборная плата 2
- X191 Штекерное соединение, штранг ABS (EBS) - приборная плата 2
- X192 (130) Соединитель на массу штранга ABS (EBS)
- X237 Штекерное соединение, главный фидер - приборная плата 2
- X615 Распределитель клеммника X613 кабель 31000
- X1001 Штекерное соединение, шина данных CAN EDC
- X1361 Зажимное соединение нагрузочного сопротивления CAN

A = Диагностика
B = Педальный датчик
- A402 (337) Блок управления EBS
- B337 (244) Тормозной датчик EBS
- X104 Штекерное соединение, главный фидер - приборная плата 1
- X107 Штекерное соединение, главный фидер - приборная плата 1
- X190 Штекерное соединение, главный фидер - приборная плата 2
- X191 Штекерное соединение, штранг ABS (EBS) - приборная плата 2
- X200 Штекерное соединение, 37-полюсное диагностической системы (MAN-cats)
- X202 Штекерное соединение, диагностика (мигающий код)
- X956 Штекерное соединение, главный фидер - приборная плата 2
EBS А01

Актуальность: 12.98
A = Электропитание
B = Модуль регулирования давления - передний мост
C = Модуль регулирования давления - задний мост
- A402 (337) Блок управления EBS
- B119 (245) Сенсор ABS 1-го моста слева
- B120 (246) Сенсор ABS 1-го моста справа
- B121 (247) Сенсор ABS 2-го моста слева
- B122 (248) Сенсор ABS 2-го моста справа
- B332 (243) Сенсор тормозной накладки 1-го моста справа
- B333 (253) Сенсор тормозной накладки 1-го моста слева
- B334 (254) Сенсор тормозной накладки 2-го моста справа
- B335 (255) Сенсор тормозной накладки 2-го моста слева
- F161 (103) Предохранитель EBS/электропитания ABS, ограничительный клапан тормозного привода
- F162 (111) Предохранитель EBS/управления ABS
- X107 Штекерное соединение, главный фидер - приборная плата 1
- X190 Штекерное соединение, главный фидер - приборная плата 2
- X191 Штекерное соединение, штранг ABS (EBS) - приборная плата 2
- X237 Штекерное соединение, главный фидер - приборная плата 2
- X616 (128) Распределитель клеммника X101 кабель 30000
- X622 (128) Распределитель клеммника X613 кабель 15001
- Y262 (170) Модуль регулирования давления переднего моста справа
- Y263 (170) Модуль регулирования давления переднего моста слева
- Y264 (171) Модуль регулирования давления заднего моста

A = Распределение массы
B = Контроли EBS
C = ASR
D = Износ тормозов
E = Шина CAN
F = Отключение тормоза-замедлителя
G = Отключение ASR
- A185 (188) Блок контрольных ламп
- A402 (337) Блок управления EBS
- H139 (105) Контрольная лампа ABS тягача
- H140 (105) Контрольная лампа ASR-инфо
- H373 (105) Контрольная лампа износа тормозных накладок
- R155 (122) Нагрузочное сопротивление шины данных CAN
- S281 (240) Кнопка отключения ASR
- X105 Штекерное соединение, главный фидер - основная коммутационная плата
- X190 Штекерное соединение, главный фидер - приборная плата 2
- X191 Штекерное соединение, штранг ABS (EBS) - приборная плата 2
- X192 (130) Соединитель на массу штранга ABS (EBS)
- X237 Штекерное соединение, главный фидер - приборная плата 2
- X246 Штекерное соединение, главный фидер - приборная панель
- X248 (130) Распределитель кабеля 16000 на приборной панели
- X615 (128) Распределитель клеммника X613 кабель 31000
- X956 Штекерное соединение, главный фидер - приборная плата 2
- X1001 Штекерное соединение, шина данных CAN EDC
- X1094 Штекерное соединение, главный фидер - приборная панель
- X1361 Зажимное соединение нагрузочного сопротивления CAN

A = Диагностика
B = Педальный датчик
C = Остановочный тормоз
- A402 (337) Блок управления EBS
- B337 (244) Тормозной датчик EBS
- X104 Штекерное соединение, главный фидер - приборная плата 1
- X107 Штекерное соединение, главный фидер - приборная плата 1
- X190 Штекерное соединение, главный фидер - приборная плата 2
- X191 Штекерное соединение, штранг ABS (EBS) - приборная плата 2
- X200 Штекерное соединение, 37-полюсное диагностической системы (MAN-cats)
- X202 Штекерное соединение, диагностика (мигающий код)
- X237 Штекерное соединение, главный фидер - приборная плата 2
- X774 Штекерное соединение, основная коммутационная плата - главный фидер
- X2022 Штекерное соединение, центральный разъем педального блока
- X2024 Резерв
EBS А01

Актуальность: 03.01
A = Электропитание
B = Модуль регулирования давления - передний мост
C = Модуль регулирования давления - задний мост
- A402 (337) Блок управления EBS
- B119 (245) Сенсор ABS 1-го моста слева
- B120 (246) Сенсор ABS 1-го моста справа
- B121 (247) Сенсор ABS 2-го моста слева
- B122 (248) Сенсор ABS 2-го моста справа
- B332 (243) Сенсор тормозной накладки 1-го моста справа
- B333 (253) Сенсор тормозной накладки 1-го моста слева
- B334 (254) Сенсор тормозной накладки 2-го моста справа
- B335 (255) Сенсор тормозной накладки 2-го моста слева
- F161 (103) Предохранитель EBS/электропитания ABS, ограничительный клапан тормозного привода
- F162 (111) Предохранитель EBS/управления ABS
- X107 Штекерное соединение, главный фидер - приборная плата 1
- X190 Штекерное соединение, главный фидер - приборная плата 2
- X191 Штекерное соединение, штранг ABS (EBS) - приборная плата 2
- X237 Штекерное соединение, главный фидер - приборная плата 2
- X262 Штекерное соединение, главный фидер - приборная плата 3
- X616 Распределитель клеммника X101 кабель 30000
- X622 Распределитель клеммника X613 кабель 15001
- Y262 (170) Модуль регулирования давления переднего моста справа
- Y263 (170) Модуль регулирования давления переднего моста слева
- Y264 (171) Модуль регулирования давления заднего моста

A = Распределение массы
B = Контроли EBS
C = ASR
D = Износ тормозов
E = Шина CAN
F = Отключение тормоза-замедлителя
G = Отключение ASR
- A185 (188) Блок контрольных ламп
- A402 (337) Блок управления EBS
- H139 (105) Контрольная лампа ABS тягача
- H140 (105) Контрольная лампа ASR-инфо
- H373 (105) Контрольная лампа износа тормозных накладок
- S281 (240) Кнопка отключения ASR
- X105 Штекерное соединение, главный фидер - основная коммутационная плата
- X190 Штекерное соединение, главный фидер - приборная плата 2
- X191 Штекерное соединение, штранг ABS (EBS) - приборная плата 2
- X192 (130) Соединитель на массу штранга ABS (EBS)
- X237 Штекерное соединение, главный фидер - приборная плата 2
- X246 Штекерное соединение, главный фидер - приборная панель
- X248 Распределитель кабеля 16000 на приборной панели
- X615 Распределитель клеммника X613 кабель 31000
- X956 Штекерное соединение, главный фидер - приборная плата 2
- X1003 Штекерное соединение, шина данных CAN ABS
- X1094 Штекерное соединение, главный фидер - приборная панель

A = Диагностика
B = Педальный датчик
C = Остановочный тормоз
- A402 (337) Блок управления EBS
- B337 (244) Тормозной датчик EBS
- X104 Штекерное соединение, главный фидер - приборная плата 1
- X190 Штекерное соединение, главный фидер - приборная плата 2
- X191 Штекерное соединение, штранг ABS (EBS) - приборная плата 2
- X200 Штекерное соединение, 37-полюсное диагностической системы (MAN-cats)
- X202 Штекерное соединение, диагностика (мигающий код)
- X237 Штекерное соединение, главный фидер - приборная плата 2
- X774 Штекерное соединение, основная коммутационная плата - главный фидер
- X2022 Штекерное соединение, центральный разъем педального блока
- X2024 Резерв
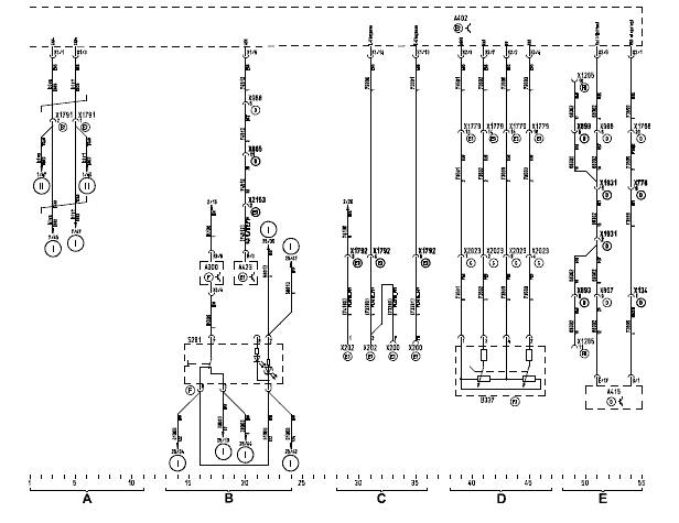
EBS A20/A21/A22/A35/A37/486 мультиплекс

Актуальность: 11.00
A = Подача напряжения
B = Модуль регулирования давления - передний мост
C = Модуль регулирования давления - задний мост
- A402 (337) Блок управления EBS
- B119 (245) Сенсор ABS переднего моста слева
- B120 (246) Сенсор ABS переднего моста справа
- B121 (247) Сенсор ABS ведущего моста слева
- B122 (248) Сенсор ABS ведущего моста справа
- B332 (243) Сенсор тормозной накладки переднего моста справа
- B333 (253) Сенсор тормозной накладки переднего моста слева
- B334 (254) Сенсор тормозной накладки ведущего моста справа
- B335 (255) Сенсор тормозной накладки ведущего моста слева
- B336 (256) Сенсор ALB заднего моста
- F161 (129) Предохранитель EBS/электропитания ABS, ограничительный клапан тормозного привода
- F162 (117) Предохранитель EBS/управления ABS
- X1750 (211) Моторный клеммник 1, основная коммутационная плата мультиплекс
- X1792 Штекерное соединение, узел EBS, перегородка места водителя
- Y262 (170) Модуль регулирования давления переднего моста справа
- Y263 (170) Модуль регулирования давления переднего моста слева
- Y264 (171) Модуль регулирования давления заднего моста

A = Распределение массы
B = Износ тормозов/ASR/контроли EBS
C = Нагрузочное сопротивление
- A402 (337) Блок управления EBS
- A413 (280) Мультиплексный узел спереди, блоки управления 1.3
- A415 (280) Мультиплексный узел крыши спереди 1.5
- A423 (280) Мультиплексный узел в середине автомобиля 2.3
- H139 (111) Контрольная лампа ABS тягача
- R205 (126) Нагрузочное сопротивление EBS
- X134 Штекерное соединение, основная коммутационная плата - потолок
- X618 Распределитель клеммника X102 кабель 31000
- X865 Штекерное соединение, основная коммутационная плата - центральный процессор
- X869 Штекерное соединение, основная коммутационная плата - центральный процессор
- X988 Штекерное соединение, основная коммутационная плата - узел ABS
- X2008 Штекерное соединение, узел EBS
- X2138 Штекерное соединение, основная коммутационная плата
- X2153 Передаточный штекер перегородки места водителя

A = Шина CAN
B = Отключение ASR
C = Диагностика
D = Тормозной датчик
A = Остановочный тормоз
- A300 (223) Узел приборной панели
- A402 (337) Блок управления EBS
- A415 (280) Мультиплексный узел крыши спереди 1.5
- A423 (280) Мультиплексный узел в середине автомобиля 2.3
- B337 (244) Тормозной датчик EBS
- S281 (396) Кнопка отключения ASR
- X134 Штекерное соединение, основная коммутационная плата - потолок
- X200 Штекерное соединение, 37-полюсное диагностической системы (MAN-cats)
- X202 Штекерное соединение, диагностика (мигающий код)
- X778 Штекерное соединение, основная коммутационная плата - середина автомобиля
- X865 Штекерное соединение, основная коммутационная плата - центральный процессор
- X867 Штекерное соединение, основная коммутационная плата - центральный процессор
- X893 Штекерное соединение, основная коммутационная плата - панель управления
- X988 Штекерное соединение, основная коммутационная плата - узел ABS
- X1265 Штекерное соединение, панель управления
- X1768 Штекерное соединение, основная коммутационная плата - EBS управляемого поддерживающего моста
- X1779 Штекерное соединение, передняя часть кузова/передок-EBS управляемого поддерживающего моста
- X1791 Штекер шины данных CAN EBS
- X1792 Штекерное соединение, узел EBS, перегородка места водителя
- X1931 Перемычка остановочного тормоза, аварийное растормаживание
- X2023 Штекерное соединение, центральный разъем педального блока
- X2153 Передаточный штекер перегородки места водителя
EBS A23/A24/489 мультиплекс - NES

Актуальность: 07.00
A = Подача напряжения
B = Модуль регулирования давления - передний мост
C = Модуль регулирования давления 2-го моста
- A402 (337) Блок управления EBS
- B119 (245) Сенсор ABS 1-го моста слева
- B120 (246) Сенсор ABS 1-го моста справа
- B121 (247) Сенсор ABS 2-го моста слева
- B122 (248) ABS Сенсор ABS 2-го моста справа
- B332 (243) Сенсор тормозной накладки 1-го моста справа
- B333 (253) Сенсор тормозной накладки 1-го моста слева
- B334 (254) Сенсор тормозной накладки 2-го моста справа
- B335 (255) Сенсор тормозной накладки 2-го моста слева
- B503 (256) Сенсор ALB 2-го моста
- F161 (129) Предохранитель EBS/электропитания ABS, ограничительный клапан тормозного привода
- F162 (117) Предохранитель EBS/управления ABS
- X1750 (211) Моторный клеммник 1, основная коммутационная плата мультиплекс
- X1768 Штекерное соединение, основная коммутационная плата - EBS управляемого поддерживающего моста
- X1779 Штекерное соединение, передняя часть кузова/передок - EBS управляемого поддерживающего моста
- X1792 Штекерное соединение, узел EBS, перегородка места водителя
- Y262 (170) Модуль регулирования давления переднего моста справа
- Y263 (170) Модуль регулирования давления переднего моста слева
- Y353 (171) Модуль регулирования давления 2-го моста

A = Распределение массы
B = Износ тормозов/ASR/контроли EBS
C = Нагрузочное сопротивление
D = Модуль регулирования давления 3-го моста
- A402 (337) Блок управления EBS
- A413 (280) Мультиплексный узел спереди, блоки управления 1.3
- A415 (280) Мультиплексный узел крыши спереди 1.5
- A423 (280) Мультиплексный узел в середине автомобиля 2.3
- B223 (247) Сенсор ABS 3-го моста слева
- B224 (248) Сенсор ABS 3-го моста справа
- B388 (254) Сенсор тормозной накладки 3-го моста справа
- B389 (255) Сенсор тормозной накладки 3-го моста слева
- B504 (256) Сенсор ALB 3-го моста
- H139 (111) Контрольная лампа ABS тягача
- R205 (126) Нагрузочное сопротивление EBS
- X134 Штекерное соединение, основная коммутационная плата - потолок
- X618 (128) Распределитель клеммника X102 кабель 31000
- X865 Штекерное соединение, основная коммутационная плата - центральный процессор
- X869 Штекерное соединение, основная коммутационная плата - центральный процессор
- X988 Штекерное соединение, основная коммутационная плата - узел ABS
- X1217 Штекерное соединение, передняя часть автопоезда - поворотный круг слева
- X1219 Штекерное соединение, поворотный круг - тягач слева
- X2008 Штекерное соединение, узел EBS
- X2138 Штекерное соединение, основная коммутационная плата
- X2153 Передаточный штекер перегородки места водителя
- Y354 (171) Модуль регулирования давления 3-го моста

A = Шина CAN
B = Отключение ASR
C = Диагностика
D = Тормозной датчик
A = Остановочный тормоз
- A300 (223) Узел приборной панели
- A402 (337) Блок управления EBS
- A415 (280) Мультиплексный узел крыши спереди 1.5
- A423 (280) Мультиплексный узел в середине автомобиля 2.3
- B337 (244) Тормозной датчик EBS
- S281 (396) Кнопка отключения ASR
- X127 Штекерное соединение, основная коммутационная плата - середина автомобиля
- X134 Штекерное соединение, основная коммутационная плата - потолок
- X200 Штекерное соединение, 37-полюсное диагностической системы (MAN-cats)
- X202 Штекерное соединение, диагностика (мигающий код)
- X865 Штекерное соединение, основная коммутационная плата - центральный процессор
- X867 Штекерное соединение, основная коммутационная плата - центральный процессор
- X893 Штекерное соединение, основная коммутационная плата - панель управления
- X988 Штекерное соединение, основная коммутационная плата - узел ABS
- X1265 Штекерное соединение, панель управления
- X1768 Штекерное соединение, основная коммутационная плата - EBS управляемого поддерживающего моста
- X1779 Штекерное соединение, передняя часть кузова/передок - EBS управляемого поддерживающего моста
- X1791 Штекер шины данных CAN EBS
- X1792 Штекерное соединение, узел EBS, перегородка места водителя
- X1931 Перемычка остановочного тормоза, аварийное растормаживание
- X2023 Штекерное соединение, центральный разъем педального блока
- X2153 Передаточный штекер перегородки места водителя
EBS R02/R03 мультиплекс

Актуальность: 11.01
A = Подача напряжения EBS
B = Диагностика
C = Контрольные лампы
- A100 (255) Центральное распределительное устройство
- A302 Центральный процессор 2
- A402 (399) Блок управления EBS
- A407 (342) Приборы
- F161 (103) Предохранитель EBS/электропитания ABS, ограничительный клапан тормозного привода
- F162 (111) Предохранитель EBS/управления ABS
- H107 ABS - тягач/прицеп
- H140 Контрольная лампа ASR-инфо
- H415 Контрольная лампа устойчивости при движении
- X618 (128) Распределитель клеммника X102 кабель 31000
- X3096 Штекерное соединение, подача напряжения EBS

A = Модуль регулирования давления переднего моста слева
B = Модуль регулирования давления переднего моста справа
C = Модуль регулирования давления - задний мост
- A100 Центральное распределительное устройство
- A302 Центральный процессор 2
- A402 (399) Блок управления EBS
- B119 Сенсор ABS переднего моста слева
- B120 Сенсор ABS переднего моста справа
- B121 Сенсор ABS ведущего моста слева
- B122 Сенсор ABS ведущего моста справа
- B332 Сенсор тормозной накладки переднего моста справа
- B333 Сенсор тормозной накладки переднего моста слева
- B334 Сенсор тормозной накладки ведущего моста справа
- B335 Сенсор тормозной накладки ведущего моста слева
- B336 Сенсор ALB заднего моста
- B337 Тормозной датчик EBS
- X2023 Штекерное соединение, центральный разъем педального блока
- Y262 Модуль регулирования давления переднего моста справа
- Y263 Модуль регулирования давления переднего моста слева
- Y264 Модуль регулирования давления заднего моста






