MR "Code" на щитке приборов Mercedes Actros
12219 : Клемма 15 блока управления MR или FR имеет -//-
Важное указание :
- Если возникает этот актуальный код неисправности, двигатель продолжает работать. Если неисправность еще присутствует и двигатель выключается, то затем он в течение прим. 10 сек. не запускается. В этом случае код неисправности будет невозможно проработать ни как актуальный, ни как сохраненный, т.к. связь с блоком управления MR система управления двигателем невозможна.
(Отсутствует связь как с блоком управления MR система управления двигателем, так и с блоком управления FR система управления движением, при отключенной кл. 15 блока управления FR система управления движением)

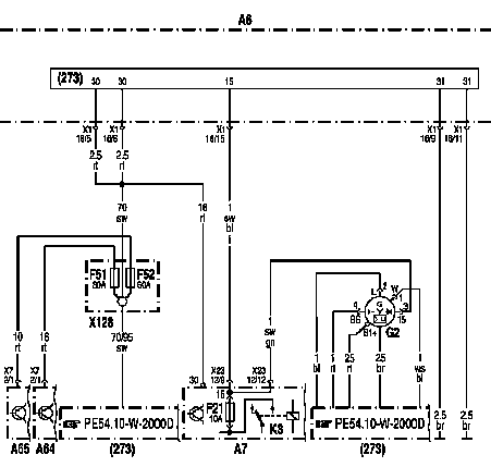
Легенда к иллюстрации;
- - Аб: Блок управления MR система управления двигателем
- - А7: Базовый модуль
- - F21-A7: Предохранитель Клемма 15 - Система управления двигателем / Генератор
- - G2: Генератор
- - КЗ: Реле 'Клемма 15'
- - XI: Штекерное соединение 1б-полюсное
- - Х128: Распределитель электроэнергии 'клемма 30'
- - 273: Электропитание
Возможные причины неисправности;
- - Предохранитель F21-A7 неисправен.
- - Предохранитель F28-A7 неисправен.
- - Неисправно реле КЗ (А7)
- - Неисправно реле К4 (А7)
- - Провод А7 Х23 12/9 - Аб XI 16/15 имеет - // - .
- - Провод А7 Х17 15/10 - АЗ Х2 18/3 имеет - // - .
19963: На шине данных CAN двигателя отсутствует код транспондера

Легенда к иллюстрации:
- - АЗ: Блок управления FR система управления движением
- - Аб: Блок управления MR система управления двигателем
Указание:
- Провода и штекерные соединения шины CAN двигателя между блоком управления FR система управления движением и MR система управления двигателем проверить на плотность контакта или повреждения, при необходимости, отремонтировать.
- Проверить электропитание и проводку к считывающему блоку иммобилайзера, при необходимости, отремонтировать.
- Очистить память неисправностей.
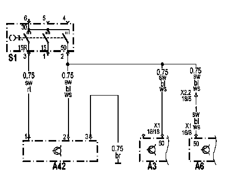
19964: На клемме 50 отсутствует код транспондера

Легенда к иллюстрации:
- - АЗ: Блок управления FR система управления движением
- - Аб: Блок управления MR система управления двигателем
- - А42: Считывающий блок иммобилайзера
- - S1: Замок зажигания
Указание;
- Проверить провода и штекерные соединения клеммы 50 от замка зажигания S1 к блокам управления и, при необходимости, отремонтировать. Провода и штекерные соединения шины CAN двигателя между блоком управления FR система управления движением и MR система управления двигателем проверить на плотность контакта или повреждения, при необходимости, отремонтировать.
- Проверить электропитание и проводку к считывающему блоку иммобилайзера, при необходимости, отремонтировать.
- Очистить память неисправностей.
04056 : Внутренняя ошибка в блоке управления

Легенда к иллюстрации:
- - 1: Блок управления MR система управления двигателем
- - 2: Штекерное соединение Х2 (55-полюсное)
- - 3: Штекерное соединение XI (15-полюсное или 1б-полюсное)
Указание;
- Функциональный сбой или неисправность управления при переходе блока управления в режим энергосбережения.
Указание;
- Проверить контакт Аб XI 16/10 провода на наличие короткого замыкания на плюс.
- Проверить контакт Аб Х2 55/12 провода на наличие короткого замыкания на плюс.
- Если все провода в порядке и код неисправности все еще актуален, тогда заменить блок управления MR система управления двигателем.