Weichai Газовый двигатель серии WP12NG
(полный мануал)

СОДЕРЖАНИЕ
- Глава 1. Технические характеристики
- 1.1 Основные технические параметры газовых моторов
- 1.2 Основные технические параметры навесного оборудования
- 1.3 Моменты и способы затяжки основных болтов и гаек
- Глава 2. Структура и системы двигателя
- 2.1 Особенности газового двигателя WP12NG
- 2.2 Основные узлы двигателя
- 2.2.1 Корпус
- 2.2.2 Коленвал, поршень, шатун
- 2.2.3 Головка цилиндра и система клапанов
- 2.2.4 Зубчатая передача
- 2.2.5 Система смазки
- 2.3 Газовая топливная система
- 2.3.1 Принципы работы газовой топливной системы
- 2.3.2 Функционирование и требования к основным деталям и компонентам
- 2.4 Электрическая система
- 2.4.1 Генератор
- 2.4.2 Стартер
- 2.5 Электронная контрольная система
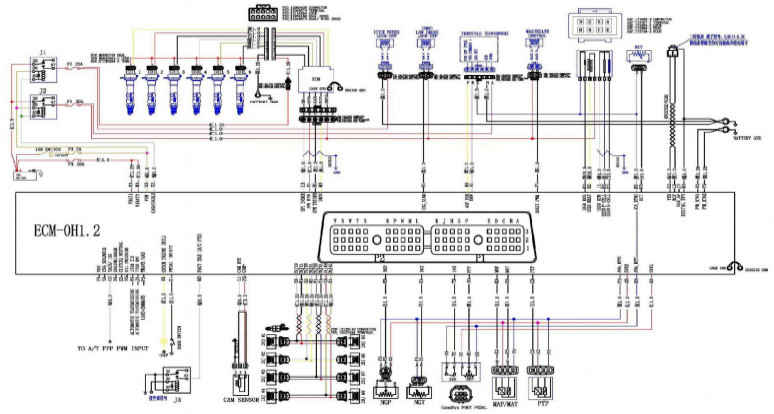
- 2.5.1 Принципиальная схема
- 2.5.2 Принцип работы системы и ее особенности
- Глава 3. Особенности монтажа и требования к системе обеспечения
- 3.1 Технические требования к сборке двигателя серии WP12NG
- 3.2 Требования к системе обеспечения двигателя WP12NG
- Глава 4. Эксплуатация и обслуживание двигателя
- 4.1 Процедуры
- 4.2 Особенности обслуживания газовой топливной системы
- 4.3 Техническое обслуживание двигателя
- 4.4 Устранение неисправностей
- Приложение A. Сокращения
- Приложение B. Коды ошибок
Маркировка моторов WP12NG

Газовая топливная система
Принципы работы газовой топливной системы
1) Схема подачи газа
Баллон NG → Электромагнитный клапан высокого давления → Редуктор давления → Теплообменник → Термостат → Дозировочный клапан подачи топлива (FMV) → Смеситель
2) Движение охлаждающей жидкости
Выпускной трубопровод системы охлаждения двигателя → Охлаждающая рубашка турбокомпрессор → Редуктор давления→ Бачок охлаждающей жидкости Выпускная магистраль системы охлаждения двигателя → Радиатор → Термостат → Насос охлаждающей жидкости (помпа).
3) Внимание
Перед соединением все шланги следует продуть под высоким давлением. Не используйте замятые либо изношенные шланги.
4) Источник питания
Питание системы осуществляется постоянным электрическим током 24В от аккумуляторных батарей. Ток идет в систему и ECM двумя путями. Основной поток проходит через замок зажигания, другой – напрямую через предохранитель для обеспечения непрерывного электропитания.
ECM в режиме реального времени корректирует работу системы в соответствии с показателями напряжения поступающего в систему электрического тока.
5) Система подачи газа
Система подачи газа представляет собой контролируемую систему замкнутого цикла.
Контролируемый замкнутый цикл означает, что ECM корректирует объем впрыска газа согласно данным кислородного датчика (выхлопной тракт) с целью обеспечить наиболее экономичный режим работы двигателя.
6) Система зажигания
ECM через катушку зажигания осуществляет последовательную инициацию свечей зажигания.
7) Диагностика неисправностей
При включении зажигания ECM берет на себя контроль и диагностику рабочих процессов в двигателе. В случае возникновения неисправностей активируются сигнальные лампочки на панели приборов водителя.
Контроллер двигателя (ECM – Engine Control Module) и модуль зажигания (ICM – Ignition Coil Module)
ECM получает сигналы датчика давления поступающего воздуха (MAP – Manifold Air Pressure), его температуры (MAT – Manifold Air Temperature), датчика давления поступающего газа (на входе в редуктор, PTP – Pre-Throttle Pressure), давления газа (NGP – Natural Gas Pressure), его температуры (NGT – Natural Gas Temperature), положения коленчатого вала, скорости его вращения, температуры охлаждающей жидкости на выходе из двигателя, содержания кислорода в выхлопных газах, положения педали дросселя и др., контролирует ICM, электронный дроссель, FMV, клапан сброса газа (WGCV – Waste Gas Control Valve).
Специальные коммутации и схемы регулирования устанавливаются в ICM для обеспечения необходимого тока вне зависимости от зарядки аккумуляторных батарей.
Процесс резервирования энергии в катушке зажигания называется зарядкой. Момент появления зарядного тока называют стартом зарядки. Временем зарядки называют период между стартом и окончанием зарядки. В отличии от времени впрыска, ключом к
контролю зажигания является контроль момента окончания зарядки. Данное действие должно производиться при определенном угле поворота распредвала.
ICM работает однонаправленно, ECM контролирует время зарядки и момент окончания зарядки. Правильная последовательность воспламенения топлива достигается подключением выходного провода ICM к нужному цилиндру. ICM подключается в соответствии с последовательностью воспламенения. Для 6-цилиндрового двигателя последовательность имеет следующий вид: 1-5-3-6-2-4. Момент окончания зарядки (нисходящая фаза сигнала) определяется синхронизацией зажигания. Момент начала зарядки (восходящая фаза сигнала) определяется согласно изложенному выше.
1) Рабочее напряжение: 18 – 32В (макс.). Рабочий ток: 25А.
2) Рабочая температура среды: -40 – +105°C.
3) Корпус заземлен
4) ECM и ICM устанавливаются в хорошо вентилируемое место.
5) При использовании электрического шкафа рекомендуем смонтировать его на кронштейнах.

Датчик давления воздуха (MAP – Manifold Air Pressure) и датчик температуры воздуха (MAT – Manifold Air Temperature)

MAP/MAT
ECM вычисляет объем поступающего воздуха, согласно сигналам сенсоров и определяет поступление топлива.
Технические параметры:
1) Маркировка датчиков: 39200 – 42030 (Внимание: датчик PTP входного давления газа имеет ту же форму, что и MAP/MAT, но они не являются взаимозаменяемыми).
2) Рабочее давление: 0.2 – 2.5 атм.
3) Рабочая температура: -40° – +125°C.
4) Напряжение: 4.5 – 5.5В.
Датчик давления газа на заслонке (PTP)

Датчик РТР давления газа на дроссельной заслонке
Система может корректировать объем поступающего воздуха согласно показаниям PTP который размещается перед дросселем или перед турбиной, включая коррекцию потерь поступления воздуха, вызванных поступлением газа и влиянием систем охлаждения на объем поступающего воздуха.
1) Маркировка датчика: 39300 – 84400 (Внимание: сенсор PTP имеет ту же форму, что и MAP/MAT, но использовать его для замены запрещено).
2) Рабочее давление: 0.5 – 3 атм.
3) Рабочее напряжение: 4.75 – 5.25В.
Датчик распредвала
ECM контролирует большинство параметров – поступление воздуха, поступление газа, угол зажигания и т.д. используя данные о номинальной скорости двигателя. Для контроля данных параметров для ECM важно иметь информацию о положении распредвала (например какой цилиндр сейчас в работе) и оборотах двигателя.
1) Система применяет электромагнитный сенсор, расстояние между сенсором и сигнальным колесом должно быть небольшим (1 ±0.3 мм) для обеспечения электрического сигнала с амплитудой не менее 1В для минимальной скорости.
2) Сигнальная дорожка должна быть надежно закреплена для правильного отображения фаз работы двигателя. Абсолютное положение вращения двигателя определяется по специально маркированным зубьям, распределенным на сигнальной дорожке.

Датчик сигналов распредвала (скорость вращения/фаза)
Датчик температуры охлаждающей жидкости
Основным назначением датчика является корректировка оборотов холостого хода, угла зажигания, давления и плотности топливной смеси при низкой температуре охлаждающей жидкости.
При неправильном подключении на информационно й панели компьютера будет отображать неправильная информация. На работу двигателя указанное обстоятельство не влияет.
Универсальный кислородный анализатор выхлопных газов (UEGO – Universal Exhaust Gas Oxygen Sensor)
Задачей UEGO является измерение плотности кислорода в выхлопных газах и передача данных в ECM. ECM регулирует подачу газа, изменяя длину управляющего импульса в соответствии с наличием в выхлопных газах избыточного воздуха, таким образом устанавливается обратная связь с двигателем.

UEGO
1) Место установки UEGO принципиально для правильной работы системы, поэтому его монтаж должен проводиться в строгом соответствии с инструкцией.
2) Место установки UEGO должно располагаться на расстоянии в 3 – 5 диаметров выхлопной трубы от выпуска турбокомпрессора или ниже колена выпуска.
3) Запрещена установка UEGO на колено выпуска.
4) С целью предотвратить прикипание UEGO к выхлопной трубе рекомендуем перед его установкой обработать монтажное отверстие противокоррозионой смазкой.
5) Если в системе присутствует горный тормоз (EVB – Exhaust Valve Brake) – UEGO должен быть установлен после него.
6) Контактная магистраль UEGO должны быть удалена от выхлопной трубы с целью предотвратить ее спекание.
7) Высота гайки крепления UEGO, наваренной на выхлопную трубу должна быть менее 10 мм.
8) Повреждение UEGO или его контактов может привести к перерасходу топлива и нестабильной работе двигателя.
Педаль электроного дросселя
Применяется неконтактный сенсор. Напряжение выходного сигнала: 0 – 5В.
ECM контролирует положение дроссельной заслонки в соответствии с сигналом о положении педали.
a) Рабочая температура: -40 – +50°С.
b) Условия хранения: -40 – +120°С.
c) Схема подсоединения: Красный – A3, Черный – H3, Желтый – H3,
Зеленый – H1, Черный – T3, Белый – H3

Педаль электронного дросселя

Электронный дроссель
Электронный дроссель
Электронный дроссель контролирует подачу воздуха, холостой ход и максимальную скорость. ECM контролирует работу дросселя, изменяя продолжительность импульсов управляющего PWM-сигнала с частотой 1600 Гц (PWM – Pulse Width Modulated / Импульсный сигнал с широтной модуляцией). Рабочий ход дросселя ограничен 10 – 90% контролируемого заслонкой просвета. Логика выявления ошибок в работе системы состоит в сравнении значения управляющего сигнала, сигнала обратной связи и величины напряжения промежуточного сигнала (около 2.5В). Если разница управляющего сигнала и сигнала обратной связи больше 0.5В, система проверит данное обстоятельство и выдаст сообщение об ошибке (см. Приложение B – Коды системных ошибок).
Поломка либо плохой контакт в электронном дросселе могут привести к нестабильным оборотам двигателя, отказу зажигания, рывкам при ускорении и т.п.
Прежде всего проверьте контакты универсальным тестером. Если проблема не в них, а сигнал обратной связи скачет, замените деталь.
1) Электронный дроссель следует монтировать в местах с невысокой температурой.
2) Монтаж осуществляется в соответствии с маркировкой на корпусе.
Принципиальная схема Электронной Контрольной Системы

Полное описание в