SHACMAN X500
(все схемы модели)

СОДЕРЖАНИЕ
Первая часть: Пусковая часть электропитания
Вторая часть: Комбинация приборов
Часть III: CPD, система освещения
Часть IV: Система электрических приборов кабины
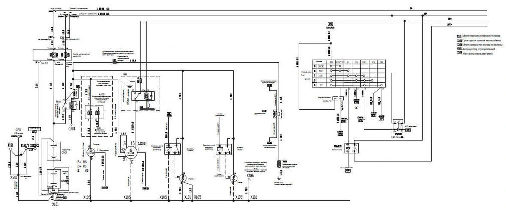
Питание и запуск
Питания, левая и правая комбинация фар
Стеклоочиститель, фары, задние фары, сигнализации утечки газа
Шлюз двери
Контроллер кондиционера
Переключатель приборной панели коробки
Система освещения в помещении
Система наружного освещения кабины, курильщик, интерфейс внутреннего питания, система PanoSim
Мультимедиа системы, модуль вычисления, 1.000W питания инвертора
Мониторинг окружающей среды
DTCO
Контроль давления на лентах
ECAS Пневматическая подвеска
Мониторинг поведения вождения
Глонасс
Часть V: ABS, EBS, AEBS
WABCO 6ABSBS
WABCO AEBS
Двойное предупреждение
Часть VI: Коробка передач и ретардер
ZF AMT
Ретардер
Часть VII: Двигатель
Weichai EDC17
Cummins CM876
Weichai WISE15C
Шлюз




Все схемы в высоком качестве смотри в энциклопедии
