Полные пневматические схемы спецтехники LiuGong
Содержание
- Aerial Work Platforms hydraulic schematic diagram
- Backhoe loader hydraulic schematic diagram
- Bulldozer hydraulic schematic diagram
- Cold planers hydraulic schematic diagram
- Compact wheel loader hydraulic schematic diagram
- Crane hydraulic schematic diagram
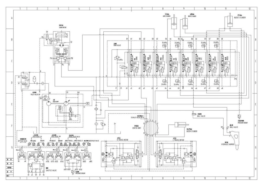
- Excavator hydraulic schematic diagram
- Forklift hydraulic schematic diagram
- Motor grader hydraulic schematic diagram
- Paver hydraulic schematic diagram
- Reach stacker hydraulic schematic diagram
- Roller hydraulic schematic diagram
- Skid steer loader hydraulic schematic diagram
- Wheel loader hydraulic schematic diagram
- Wide body truck hydraulic schematic diagram
Пример

Все схемы в высоком качестве смотри в